Galerie des photos postées Retour Forum standard Retour Forum CMS Préférences
40749 messages avec pièce jointe - Page 992 / 1630
 SujetsDateAuteurPhotos
Demande aux internautes de ce forum30-11-2010 à 18:18Florian (flo13)
Demande aux internautes de ce forum30-11-2010 à 18:17Florian (flo13)
qui suis je?30-11-2010 à 17:41Fifi
hervor30-11-2010 à 17:27leullier
Un tube télé? (suite 2)30-11-2010 à 17:14Totolagalène
Un tube télé? (suite 2)30-11-2010 à 17:11Totolagalène
tubes a identifier30-11-2010 à 16:41Fifi
Bourse Grand Ouest30-11-2010 à 15:04sepelliere44
Meuble la voix de son maitre 1058 C30-11-2010 à 10:40Pierrot du 82
qui suis je?30-11-2010 à 08:22Fifi
qui suis je?30-11-2010 à 08:22Fifi
Tungar Bivolt30-11-2010 à 06:20Fifi
Un tube télé? (suite 2)29-11-2010 à 23:54Totolagalène
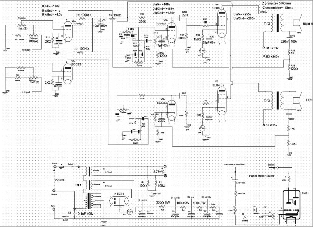
quelle marque....29-11-2010 à 23:40slouptoouutFichier .PNG
Radialva 29-11-2010 à 19:31Florian (flo13)
Radialva 29-11-2010 à 19:17Florian (flo13)
Radialva 29-11-2010 à 19:16Florian (flo13)
Radialva 29-11-2010 à 19:15Florian (flo13)
Radialva "Fetiche"29-11-2010 à 19:15Florian (flo13)
Tungar Bivolt29-11-2010 à 18:43Fifi
Tungar Bivolt29-11-2010 à 18:42Fifi
poste à galène29-11-2010 à 17:41Fifi
poste à galène29-11-2010 à 17:29fdevlos
poste à galène29-11-2010 à 17:26Fifi
kERA-BRODIN29-11-2010 à 12:55Crocquignol

   1...  987  988  989  990  991  992  993  994  995  996  997  998  ...1630   



Préférences Galerie Nombre de sujets par page (5 - 100):

Gamme 1

- Galerie TSF - Mesure ancienne - Littérature - Trucs et astuces - Marquage composants - Tubes Brochages - Achat Vente - Forum - Liens utilesCe site vous
a aidé ?

Gamme 2

- Je cherche - Offre - Tendances - Palais des Glaces - Upload -

Gamme 3

- Archives - Schémathèque - Glossaire technique - Glossaire patoisant - Journaux - Remerciements -