| Sujet : Ampli audio tubes Blesbois Nouveau | De Tango88 Le 12-12-2017 à 22:28 sta  |
|
Bonsoir à tous,
Sur le schéma joint de cet ampli, pourriez-vous éclairer ma chandelle sur le fonctionnement du déphaseur pour le moins assez original.
D'après l'auteur :
< Le déphaseur est un paraphase du genre de celui qui équipe le Quad II mais réalisé avec des triodes montées en S.R.P.P. en lieu et place des EF86 qui équipent le Quad.
L'étage final est un push-pull de 6V6 montées en ultra linéaire. >
Avez-vous déjà vu ou réalisé ce schéma et qu'en pensez-vous ? Qu'est-ce un montage S.R.P.P.
Toujours d'après l'auteur :
< Tout comme le Loyez, je suis pleinement satisfait du résultat, la stabilité est remarquable, et à l'écoute, les 6V6 sont très agréable,un peu plus douces que les EL84. >
Le câblage étant assez simple, je vais essayer sur une plaque d'essais pour voir à l'oscillateur si le déphasage et bien de 180°. Je suis preneur de vos observations. Merci et bien cordialement.
Source ; http://www.amateuraudio.f…
Bonne soirée ...
Gilles.
| |
|
| Sujet : Ampli audio tubes Blesbois Nouveau | De dede2000 Le 13-12-2017 à 07:41 sta |
|
|
|
| Sujet : Ampli audio tubes Blesbois Nouveau | De bozec Le 13-12-2017 à 08:02 sta |
|
Bonjour,
un peu de lecture sur les circuits déphaseurs
cordialement Bozec
| |
|
| Sujet : Ampli audio tubes Blesbois Nouveau | De f6cer Le 13-12-2017 à 08:20 sta |
|
Bonjour
sur le site de Jipihorn c’est tres bien expliqué
|
|
| Sujet : Ampli audio tubes Blesbois Nouveau | De Marcel Bourguinet Le 13-12-2017 à 08:24 sta |
|
Bonjour,
Article de Jean Hiraga
| |
|
| Sujet : Ampli audio tubes Blesbois Nouveau | De Tango88 Le 13-12-2017 à 17:22 sta |
|
Bonsoir,
Merci à Marcel et Bosec pour leur documentation. Le site de Jipihorn, sans doute très pro, est trop technique et ses vidéos sur YouTube sont trop longues. Des vidéos plus courtes et plus ciblées seraient plus digestes. Il est sans contester la maître en la matière. Tout ça me laisse toujours indéci sur le choix du type de déphasur vu que je n'ai pas d'avis ''vécus''. 
Je vais donc continuer dans mes essais. Au cas ou une idée vous vienne .... Merci.
Bonne soirée et cordialement.
Gilles.
|
|
| Sujet : Ampli audio tubes Blesbois Nouveau | De f6cer Le 13-12-2017 à 17:54 sta |
|
Bonsoir
Ce schéma correspond a la figure 13 du document transmis par Bozec , c’est un paraphase pratiquement classique avec quelques astuces que décrit très bien jphorn
|
|
| Sujet : Ampli audio tubes Blesbois Nouveau | De Roger R Le 19-12-2017 à 00:16 sta |
|
Bonsoir,
Dans l'article de Jean Hiraga, il figure un préampli SRPP monté par un Mr TANAKA dont l'alimentation est pourvue d'un filtrage de 12000uF sous 500V oui, vous avez bien lu !!
Pour ma part je ne trouve pas cela très sérieux et enlève beaucoup de crédibilité à ce Monsieur...
|
|
| Sujet : Ampli audio tubes Blesbois Nouveau | De f6cer Le 19-12-2017 à 10:35 sta |
|
Rassurez vous il a fait bien pire avec des batteries en plus
|
|
| Sujet : Ampli audio tubes Blesbois Nouveau | De Michel87 Le 19-12-2017 à 10:47 sta |
|
Bonjour,
Sur une cellule de filtrage de 12000µF sous 500V, un court-circuit accidentel entrainerait un spectacle pyrotechnique du plus bel effet.
Q = CU...
|
|
| Sujet : Ampli audio tubes Blesbois Nouveau | De Tango88 Le 19-12-2017 à 15:45 sta |
|
Bonjour,
HI pour un condensateur de 12000 µF à 500 V, il faut une brouette pour le transporter !
Bye.
Tango88.
|
|
| Sujet : Ampli audio tubes Blesbois Nouveau | De Michel87 Le 19-12-2017 à 16:29 sta |
|
Bonjour,
Non, une brouette ne sera pas nécessaire pour le transport, des capas comme ça, on peut en trouver, mais la brouette sera quand même utile pour transporter les billets, ( plus de 1000 sur eBay )
Voilà qui met le millivolt d'ondulation résiduelle hors de prix 
|
|
| Sujet : Ampli audio tubes Blesbois Nouveau | De Tango88 Le 19-12-2017 à 16:31 sta |
|
Re bjr,
Ci-joint un schéma de déphaseur ''cathodyne'' bien sympa car il n'y a pas de condensateur de déphasage de 0.1 µF. Le déphasage doit-être parfaitement en phase. Une triode en préempli qui doit relever le signal de quelques dB. A vérifier à l'oscilloscope. De plus, la fabrication simple en fait un gage de réussite. J'ai acheté sur Ebay deux tubes ECC81 ''JJ ELECTRONIC'' neufs qui vont bien. S'il fonctionne bien, je crois que je vais opter pour ce montage.
Qu'en pensez-vous ? Merci. 73 ...
Tango88
| |
|
| Sujet : Ampli audio tubes Blesbois Nouveau | De Tango88 Le 19-12-2017 à 16:49 sta |
|
Exact Michel87.
On trouve maintenant chez les chinois des alim HT régulées toutes montées avec un taux résiduel d'ondulation quasi inexistant pour trois sous six pièces sans le transfo. Il en existe aussi à découpage (a voir le bruit résiduel). Bye. 73 ...
Tango88
|
|
| Sujet : Ampli audio tubes Blesbois Nouveau | De f6cer Le 19-12-2017 à 17:00 sta |
|
Bonsoir
Vous n’avez pas choisi le plus simple ! Allez voir les sur le net les schemas des amplis Scott, Dynaco et autres valeurs sures
|
|
| Sujet : Ampli audio tubes Blesbois Nouveau | De Tango88 Le 19-12-2017 à 17:34 sta |
|
OK 16cer, mais souvent les amplis dits ''commerciaux'' sont compliqués à reproduire. De plus la ''cathodyne'', une vingtaine de composants au plus dont 8 condos. Bye.
|
|
| Sujet : Ampli audio tubes Blesbois Nouveau | De Hyperman75 Le 19-12-2017 à 22:47 sta |
|
Bonsoir
Attention quand même, le montage résenté à 16h31 doit produire un gain d'environ 500.
Il faudra savoir le maitriser.
Jacques
|
|
| Sujet : Ampli audio tubes Blesbois Nouveau | De Hyperman75 Le 19-12-2017 à 22:48 sta |
|
pardon ''présenté'' au lieu de resenté
|
|
| Sujet : Ampli audio tubes Blesbois Nouveau | De Paul Le 19-12-2017 à 23:21 sta |
|
Bonsoir,
Je profite de l'occasion pour poser une question sur le déphaseur cathodyne : l'amplitude du signal sur l'anode et la cathode (dans ce scénario) est-elle la même ?
Si non, le déséquilibre est-il problématique ?
|
|
| Sujet : Ampli audio tubes Blesbo Nouveau | De f6cer Le 19-12-2017 à 23:53 sta |
|
Bonsoir
De facto l'amplitude est la même a condition que la résistance de charge soit divisée exactement en deux : prendre des composants a 1% est une bonne idée
Comme vous n'êtes pas sans le savoir Il reste une différence dans la bande passante entre les deux sorties mais c’est inhérent au montage puisque les impédances sont différentes
|
|
| Sujet : Ampli audio tubes Blesbo Nouveau | De Hyperman75 Le 20-12-2017 à 05:55 sta |
|
Bonjour
NON, bien que les impédances de sortie soient différentes, la bande passante EST LA MEME sur la plaque et la cathode SI LES IMPEDANCES DYNAMIQUE DE CHARGE SONT IDENTIQUES(en composantes résistives et capacitives).
Le courant variable parcourant l'impédances de charge dynamique de plaque est le même qui parcoure la charge dynamique de cathode : ip=ik, la triode n'aborbe ou n'ajoute aucun courant.
Si les courants variables sont les mêmes les tensions variables sont les mêmes : vp = Z x i = vk
Paradoxal ? non
Si l'on évoque une impédance de sortie d'un dispositif électronique c'est obligatoirement associé à un générateur de tension (theorème de Thévenin). Cet aspect est fréquemment oublié.
Or les générateurs équivalent de tension en sortie plaque et en sortie cathode ne sont pas les mêmes :
- en sortie plaque : vp=-µ vgk
- en sortie cathode : vk = µ/(1+µ) vgk
De plus la bande passante est très large. On atteint facilement 2 ou 3 MHz.
Pourquoi ? il sufit de raisonner en cathode commune avec une résistance de cathode non découplée. Les capacités parasites sur la cathode réduisent, au delà d'une certaine fréquence, la contre-réaction de courant produit par Rk non découplée. Le gain augmente donc, la fréquence de coupure sur la plaque remonte. On montre par calculs qu'elle remonte à une valeur identique à celle qu'on obtient sur la cathode, très peu influencée par les capacités parasites présentes sur la plaque.
Jacques
|
|
| Sujet : Ampli audio tubes Blesbo Nouveau | De f6cer Le 20-12-2017 à 09:33 sta |
|
Bonjour
Les impédance de sortie étant très différentes, il est évident que les bandes passantes ne peuvent être les mêmes , c’est d’ailleurs très bien expliqué dans le papier sur les déphaseurs de Fiderspil et Lallié et mis en évidence par les mesures réalisées ou l’on s’apercoit qu’elles diffèrent dans un rapport de 1 à 4 ou 1 à 5 voire plus , il est toutefois bien entendu que cela reste suffisant dans le domaine qui nous intéresse
|
|
| Sujet : Ampli audio tubes Blesbo Nouveau | De Hyperman75 Le 20-12-2017 à 09:52 sta |
|
Bonjour
''Les impédance de sortie étant très différentes, il est évident que les bandes passantes ne peuvent être les mêmes''
F6CER, je vous invite à réviser le theorème de Thévenin.
Et expliquez-moi où passe le courant qui ne serait pas le même en entrant sur la plaque et en sortant sur la cathode.
Par ailleurs, Fiderspil et Lallié fon une erreur de mesure : la sonde de mesure est unique et placée soit en sortie cathode soit ensortie plaque, ce qui introduit une inégalité importante des capacités parasites lors de la mesure, donc un relevé de bande passante faux. J'ai eu l'occasion de leur dire il y a qq années.
Pour faire la mesure il faut que la totalité des capacités parasites soient identiques sur chaque sortie, il faut donc placer simultanément 2 sondes identiques sur les sorties plaque et cathode.
Faites la manip, vous serez surpris.
Et dans un ampli réel, les deux sorties du cathodyne sont chargées en principe par des circuits identiques (driver ou érage PP direct), de même composantes résistives et capacitives
Jacques
|
|
| Sujet : Ampli audio tubes Blesbo Nouveau | De f6cer Le 20-12-2017 à 11:47 sta |
|
Vous avez raison , la différence entre les deux sorties ne peut provenir que d’une différence d'impédance de charge comme quoi il ne faut pas essayer de contourne les fondamentaux même si ca semble si évident quand on fait l’erreur de considérer un cathode follower d’un côté et un ampli inverseur de l’autre , il est facile de tomber dans le piège ! les auteurs de l’article devraient en tenir compte
|
|
| Sujet : Ampli audio tubes Blesbo Nouveau | De Hyperman75 Le 20-12-2017 à 12:06 sta |
|
Bonjour F6CER
L'égalité des bandes passantes sur les deux sorties était connu des labos de développement d'amplis dans les années 50.
Voir les 2 pdf joints
Ce qui est curieux c'est que cette connaissance ait disparue avec le temps.
Beaucoup d'écrits récents (qui se copient entre-eux d'ailleurs) présentent le cathodyne comme ayant le défaut de ne pas avoir de BP identiques sur ses 2 sorties en raison des impédances de sortie différentes.
En pratique les capacités parasites de grille-cathode et cathode-filament détruisent légèrement cette égalité, mais cela peut être compensé en rajoutant 10 à 20 pF en // de la Rk.
Jacques
| |
|
| Sujet : Ampli audio tubes Blesbo Nouveau | De bozec Le 20-12-2017 à 21:31 sta |
|
Bonsoir
un peu de littérature sur des réalisations d' amplis à tubes
cordialement Bozec
| |
|
| Sujet : Ampli audio tubes Blesbo Nouveau | De Tango88 Le 20-12-2017 à 22:52 sta |
|
Bonsoir,
Après tout ce déferlement de savoir et de connaissances, une simple petite question :
- bien que l'impédance soit différente entre l'anode et la cathode, ''je cite'', quelle influence cela peut-il avoir à la sortie des condensateurs de 0.1 µF sur le reste de la chaine d'amplification, à savoir les drivers (ECC81) et les PA (EL84) ?
- ''Attention quand même, le montage présenté à 16h31 doit produire un gain d'environ 500.
Il faudra savoir le maitriser'' cite Hyperman75. pouvez-vous SVP plus développer en quelques mots ce sujet ? Merci.
- autre chose, le voltage négatf de polarisation fixe des grilles des EL84 (réglage propre à chaque tube) doit-il être pour que le tube soit complétement bloqué (absence de courant entre anode et cathode ?
Je vois que cette discussion sur les déphaseurs suscite bien des avis et s'en est que plus gratifiant.
Merci à vous tous ... Bonne soirée ...73 ...
Tango88
|
|
| Sujet : Ampli audio tubes Blesbo Nouveau | De Hyperman75 Le 21-12-2017 à 06:28 sta |
|
Bonjour
@Tango88
D'après la datasheet de la 6V6, en PP Ultra Linéaire, la tension nécessaire sur sa grille pour obtenir la puissance de sortie maximale (environ 12 W) est de 19 Vcrète (38 Vcàc, ou 13,5 Veff).
Le gain du montage évoqué est de l'ordre de 500 (13 pour le premier étage, 0,95 pour le cathodyne, 40 pour le driver).
La tension maximale applicable en entrée est donc 19Vc/500=38 mVc (27 mVeff). C'est une sensibilité très élevée.
En appliquant 15 dB de CR (aller au delà va être difficile pour des raisons d'instabilité), le gain est réduit dans un rapport 5,6. La sensibilité d'entrée est donc remontée dans un rapport 5,6 soit 213 mVc (150 mVeff).
C'est encore beaucoup trop pour les sources actuelles (Préampli phono, lecteur CD) qui délivrent plus de 2 Vc sur les pointes de modulation.
En gros le gain est encore 10 fois trop fort après application d'une CR de 15 dB.
La chaine d'amplification comporte côté hautes fréquences 4 pôles de coupure : le premier étage, l'étage driver et le TRS qui en comporte deux (self de fuite et capa parasiites). Cela limite très fortement le taux max de CR applicable.
C'est à vous de définir le gain dont vous avez besoin, en fonction de vos sources, avant de prendre un schéma tout fait qui, indépendament de ses qualités intrinsèques, ne répond pas à votre besoin.
Jacques
|
|
| Sujet : Ampli audio tubes Blesbo Nouveau | De Tango88 Le 21-12-2017 à 18:01 sta |
|
Bonsoir Jacques,
OK pour tout ça. C'est sans doute plus facile de diminuer le gain que de l'augmenter. Si j'augmente la valeur de la résistance d'anode de la préampli (ECC82) et celle des drivers (ECC81), le gain va obligatoirement baisser. A votre avis ?
La table de mixage qui va attaquer l'entrée sort eniron 1.5 V crête (potar de master à fond).
Une autre solution envisageable, si c'est possible, serait de supprimer la préampli et d'envoyer la module directement sur la cathodyne. Dans ce cas, je n'aurai peut-être plus assez de gain. A votre avis ?
Je vous signale que le PP Ultra Linéaire de sortie est des EL84 et non des 6V6. La 6V6 est un peu plus puissante, mais ... je n'en ai pas. Par contre j'ai des EL84 neuves
Je n'ai pas bien compris votre premier paragraphe. Sur la grille de la EL84, ce n'est pas la tension du signal venant du driver, mais de la tenion continue négative servant à polariser le tube de façon optimale que je voudrais savoir. Il me semble qu'un courant anode cathode de 40 mA est déjà pas mal. A votre avis ?
Merci et bonne soirée. Cordialement.
Gilles.
|
|
| Sujet : Ampli audio tubes Blesbo Nouveau | De Hyperman75 Le 21-12-2017 à 22:08 sta |
|
Bonsoir à tous
Gilles, sans offense, j'ai l'impression que vos connaissances dans le domaine des amplis à tubes sont faibles , non ?
Si c'est le cas, je vous invite à vous rendre sur d'autres sites français spécialisés dans le domaine audio, car ici c'est la tsf.
Il y en a plusieurs comme Elektor, Audiyofan, 6bm8 où vous trouverez des passionnés qui saurons vous orienter.
Jacques
|
|
| Sujet : Ampli audio tubes Blesbo Nouveau | De Paul Le 21-12-2017 à 22:21 sta |
|
Bonsoir,
C'est justement comme ça qu'on apprend ! Même si ce forum parle de TSF le sujet des amplis a été abordé beaucoup de fois sans aucun problème, surtout dans ce scénario où le ton reste très courtois et où l'on parle de théorie.
Par rapport à l'ampli, je peux me tromper mais pour réduire le gain d'un tel système il faudrait plutôt réduire la résistance d'anode, le gain étant donné par le produit entre le du tube et la résistance de charge (oui, je me suis renseigné entre temps, et je fais l'analogie avec les circuits à transistors MOS-FET).
Afin de diminuer le gain, je pense qu'il y a néanmoins de meilleures méthodes que de chambouler totalement le point de fonctionnement du tube.
Par rapport à la phrase de Gilles ''Je n'ai pas bien compris votre premier paragraphe. Sur la grille de la EL84, ce n'est pas la tension du signal venant du driver, mais de la tenion continue négative servant à polariser le tube de façon optimale que je voudrais savoir. Il me semble qu'un courant anode cathode de 40 mA est déjà pas mal. A votre avis ?''
Sur la grille de la EL84 on trouve la tension de polarisation négative sur laquelle vient se superposer le signal issu du déphaseur. En l'absence de signal (on est au point de repos) alors oui le tube doit être traversé par son courant de repos. Celui-ci est défini (entre autres) par la tension négative de polarisation. La valeur à respecter est donnée par la datasheet du tube.
Bonne soirée !
|
|
| Sujet : Ampli audio tubes Blesbo Nouveau | De Tango88 Le 22-12-2017 à 13:54 sta |
|
Bonjour,
OK Jacques, votre dernier post n'amène aucune eau à mon moulin. Merci quand même.
Gilles
|
|
| Sujet : Ampli audio tubes Blesbo Nouveau | De Tango88 Le 22-12-2017 à 15:04 sta |
|
Bonjour,
Merci Paul pour votre réponse. Entièrement OK avec vous sur la polarisation de la EL84. Apparemment Jacques n'a pas bien compris ma question. C'est pas grave.
En ce qui concerne la diminution du gain de l'étage préampli, si je diminue la résistance d'anode, comme vous le dites, je vais augmenter le courant anode cathode, ce qui va donner un signal à l'entrée sur la cathodyne (2ème ECC82) une plus grande amplitude. Donc l'inverse du but recherché. A votre avis ?
Seul un montage provisoire sur plaque d'essai avec contrôle générateur/osciillo devrait me donner un ordre d'idée sur tout ça. La théorie a du bon, mais un montage réel est beaucoup plus parlant.
Merci encore ... 73 ... Cordialement ...
Gilles.
|
|
| Sujet : Ampli audio tubes Blesbo Nouveau | De Hyperman75 Le 22-12-2017 à 16:09 sta |
|
Bonjour à tous
Gilles, j'avais bien compris votre question. Ainsi que votre dernière : ''En ce qui concerne la diminution du gain de l'étage préampli, si je diminue la résistance d'anode, comme vous le dites, je vais augmenter le courant anode cathode, ce qui va donner un signal à l'entrée sur la cathodyne (2ème ECC82) une plus grande amplitude. Donc l'inverse du but recherché. A votre avis ?''
Elles témoingent d'une méconnaissance totale du fonctionnement d'un étage d'amplification.
Vous ne distinguez pas :
- la polarisation du tube : tensions , courant Ip relatifs à un point de fonctionnement donné
- le régime variable lorsque vous appliquez une tension variable en entrée (signal audio)
Modifier la valeur de Rp joue
- sur le point de fonctionnement (Vpk0, Ip0, Vgk0); c'est la droite de charge statique, à tracer sur un réseau de courbes Ip, Vpk, Vgk
- sur le gain en tension qui est le rapport de la variation de tension en sortie plaque/la variation de tension appliquée entre grille et masse électrique :
G= -µ Rp / (ri+Rp) si Rk découplée
Diminuer Rp entraine une diminution du gain en tension.
Mais en gros votre schéma a 10 FOIS trop de gain. Ce n'est pas en réduisant la valeur de Rp que vous pourrez obtenir cette réduction de gain. Il faut passer à un autre schéma.
Revenir au Blesbois par exemple, avec des EL84.
Attention, avec des EL84, la HT ne doit pas dépasser 300V. Les résistances de polarisation de cathode de 600 Ohm doivent passer à 270 Ohm (par tube) et le TRS présenter une impédance primaire plaque à plaque de 8 kOhm.
Cordialement
Jacques
|
|
| Sujet : Ampli audio tubes Blesbo Nouveau | De Tango88 Le 22-12-2017 à 22:09 sta |
|
Bonsoir Jacques,
Merci pour votre réponse. J'ai toujours précisé que c'était des EL84 les tubes de PA. Tension d'anode 300 V. TRS, impédance 8 k avec prise pour les grilles écran. (Ultra-Linéaire). Par contre la cathode directement à la masse (juste une résistance de 10 5 W qui n'a pas d'influence dans le fonctionnement pour pouvoir brancher un voltmètre, réglage du tube - loi d'ohm). Pour la EL84 : 40 mA sur la cathode. Polarisation par application d'une tension négative superposée au signal du driver sur la grille (polarisation fixe, un réglage par tube).
Ci-joint un autre schéma toujours à cathodyne. Là il n'y a pas de driver, directement la cathodyne sur le PA.
Sûre que je maitrise mieux l'électronique moderne que les tubes (transistors, circuits logiques, ampli OP, programmation de microcontrôleurs etc ...) mais vu que je suis en train de reconstitué une chaine HIFI ''wintage'' des années 80, un ampli à tubes de ma construction serait le clou du spectacle ! 
Bonne soirée et bon NOEL.
Giles.
| |
|
| Sujet : Ampli audio tubes Blesbo Nouveau | De Hyperman75 Le 23-12-2017 à 05:57 sta |
|
Bonjour à tous
Ce schéma est plus simple que celui de Blesbois et peut aussi donner d'excellents résultats.
A noter :
- les EL84 sont montées en mode penthode et non pas en Ultra-Linéaire
- il n'y a pas de contre-réaction globale
La sensibilité de cet ampli pour la puissance max (environ 10W) est de l'ordre de 0,5Vc, un peu supérieure à votre besoin mais totalement réglable par le potentiomètre d'entrée.
C'est le TRS qui va faire la qualité de l'ensemble. S'il dispose de prises UL rien n'empêche de connecter les grilles écran des penthodes à ces prises UL. La puissance max va très peu chuter pour une réduction audible de la distorsion.
Bon Noel à toutes et à tous.
Jacques
|
|
| Sujet : Ampli audio tubes Blesbo Nouveau | De blaisepascal Le 23-12-2017 à 10:36 sta |
|
Bonjour,
Questions aux spécialistes concernant le dernier schéma de Tango88 :
Quel est l'avantage d'utiliser une EF86 connectée en triode, plutôt qu'une section de double triode genre ECC8x, dont la seconde section serait utilisée pour le second canal ?
Bon week-end,
Pascal
|
|
| Sujet : Ampli audio tubes Blesbo Nouveau | De Hyperman75 Le 23-12-2017 à 11:42 sta |
|
Bonjour
Aucun ! C'est probablement un schéma des années 50 alors que la penthode EF86 venait de sortir.
Puis il a du être modifié en mode triode pour réduire le gain du premier étage. La distorsion est aussi plus faible.
Une combinaison d'ECC8x permet effectivement de gagner un tube en stéréo. Reste à choisir la bonne combinaison en fonction du gain cherché (avec ou sans CR) sachant qu'il faut 20 à 22 Vcàc pour attaquer l'étage PP EL84.
Jacques
|
|
| Sujet : Ampli audio tubes Blesbo Nouveau | De Tango88 Le 23-12-2017 à 16:08 sta |
|
Bonjour,
Jacques : merci pour votre réponse. Comme précisé dans mon dernier post, TRS avec prises pour grille écran donc montage Ultra-Linéaire. Avec 0.5 V de signal en entrée pour 10 W PA, c'est parfait. Réglage avec la table de mixage + le potar d'entrée de l'ampli. Ci jointes, photos des transfos de sortie, neufs.
Faut-il mettre un condensateur d'environ 0.1 µF en entrée entre le potar et la grille ou laisser comme le schéma ?
Pascal : merci pour votre réponse. Entièrement OK avec vous. C'est sans doute ce que je vais faire. Je vais prendre le 1er schéma pour la préampli ce qui me fait que trois tubes par voie (2 EL84 et une double triode ECC82 - une déphaseuse cathodyne et une préampli. Et j'ajoute la contre-réaction sur la préampli comme dessinée sur le 1er schéma.
Je pense arriver à un projet quasi au point. Je vais redessiner le schéma définitif et je vous le post, ce qui permettra le cas échéant, d'affiner quelques points.
Bon NOEL à toutes et à tous.
Gilles
| |
|
| Sujet : Ampli audio tubes Blesbo Nouveau | De Hyperman75 Le 23-12-2017 à 16:46 sta |
|
Attention, si vous appliquez une CR (ce qui est bien), elle va avoir pour effet de réduire le gain global.
Il faut donc en redonner au montage. Dans ce cas, il faut mettre une ECC83 en entrée (partagée avec le 2ième canal) qui a un coefficient d'amplification de 100 (contre 20 pour une ECC82).
Le gain ''en boucle ouverte'' va être de l'ordre de 37 dB ce qui permet un taux de CR de l'ordre de 12 à 13 dB pour ramener le gain ''en boucle fermée'' aux alentours de 24/25 dB (x20), donc une sensibilité d'entrée à nouveau de 0,5V.
Il faudra aussi analyser les instabilités produites par la CR aux 2 extrémités de la bande dépendantes du TRS utilisé. Un relevé de la réponse en fréquence (amplitude et phase) de l'ampli en boucle ouverte permettra d'analyser les risques d'instabilité et d'y remédier.
S'il n'y a aucun risque que votre table de mixage délivre une tension continue en sortie, il n'est pas nécesaire d'ajouter un découplage du continu en entrée de l'ampli.
Le cas échéant, le condo doit être mis entre le potar et la grille MAIS il faut ajouter une résistance grille masse de 470k par exemple pour mettre le potentiel de la grille à 0 puisque la potar qui joue ce rôle initialement est maintenant isolé.
Jacques
|
|
| Sujet : Ampli audio tubes Blesbo Nouveau | De Hyperman75 Le 23-12-2017 à 20:10 sta |
|
Re
Je me suis souvenu qu'à mes débuts dans l'électronique j'avais réalisé un premier ampli avec des EL84 et un transfo Audax TU 101.
Cela remonte aux années 70 mais j'ai fouillé dans mes placards et j'ai retrouvé le schéma, que j'avais pompé dans une revue anglaise faisant de la pub pour les tubes Mullard (ECC8x et EL84).
J'avais noté les tensions, courants et gains.
Je pense que cela correspond à ce que vous cherchez.
Bonnes fêtes à toutes et à tous
Jacques
| |
|
| Sujet : Ampli audio tubes Blesbo Nouveau | De Tango88 Le 23-12-2017 à 22:10 sta |
|
Merci Jacques,
C'est en fait pratiquement le même schéma que nous avons débattu dans les derniers posts. En plus c'est un déphaseur cathodyne que je préfère au capacitif. Il possède une capa de 0.1 µF en entrée. On peut même monter les capas de liaison ECC82 > EL84 à 0.1 µF (meilleur rendu dans les basses). A voir aux essais que je ne manquerai pas de vous transmettre. Je vais de suite l'enregistrer dans ma schématèque. Encore merci et en attendant ...
BONNES FETES DE FIN D'ANNEE !!! 
Gilles.
P.S. : Il fonctionne toujours votre ampli depuis 1970 ? !
|
|
| Sujet : Ampli audio tubes Blesbo Nouveau | De Hyperman75 Le 24-12-2017 à 07:47 sta |
|
Bonjour
J'ai remarqué une erreur sur le schéma :il manque la résistance d'amortissement de la grille de l'EL84. Ci joint schéma corrigé.
Pour satisfaire les conditions de stabilité en très basses fréquences, le condo de liaison ECC82 > EL84 doit rester de faible valeur. Elle dépend étroitement des caractéristiques du TRS utilisé.
Avec le TU 101 et 22 nF comme sur le schéma, la fréquence de coupure (à - 3 dB) basse est à 10 Hz, à puissance de sortie moyenne, boucle de CR fermée.
De même le condo de 100 pF en // de la résistance de retour de CR (8,2 k) est ce qui m'avait donné le meilleur compromis stabilité/fc haute. A voir en fonction du TRS utilisé.
Je n'ai plus cet ampli, hélas, qui ne m'a pas suivi dans mes nombreux déménagements. Mais je me rappelle avoir été enchanté par sa sonorité, avec des enceintes KEF Chorale à l'époque.
Jacques
| |
|
| Sujet : Ampli audio tubes Blesbo Nouveau | De Roger r Le 24-12-2017 à 09:51 sta |
|
Bonjour
Quand vous aurez cablé votre ampli, Je suis preneur de votre retour sur les TRS chinois ...
Merci d'avance
|
|
| Sujet : Ampli audio tubes Blesbo Nouveau | De Tango88 Le 24-12-2017 à 15:43 sta |
|
Bonjour jacques,
OK pour la résistance manquante. Sur certain schéma ces résistances de charge n'existent pas. Pour les capas de liaison, je farai l'essai avec différentes valeurs et je choisirai celle qui va bien. Pour la contre réaction, en // avec le 100 pF, je vais mettre une résistance ajustable de 10 k que je réglerai à la demande.
Bonjour Roger,
OK pas de problème pour ça, mais pas avant janvier 18.
Bonne soirée à toutes et tous et prenez garde à votre foie !
Gilles.
|
|
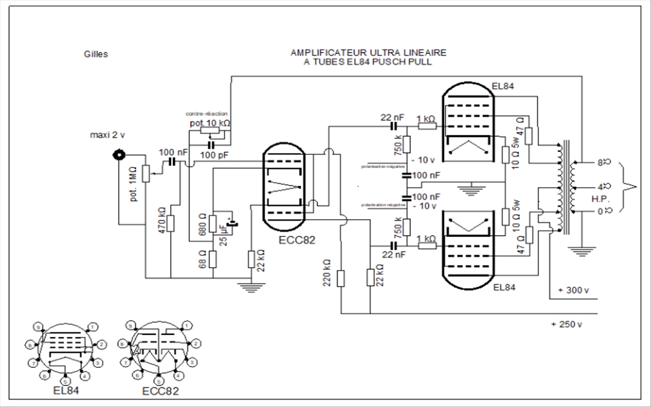
| Sujet : Ampli audio tubes Blesbo Nouveau | De Tango88 Le 24-12-2017 à 21:51 sta |
|
Bonsoir,
Ci-joint le schéma quasi définitif, sur les conseils de Jacques que je remercie. Début de la réalisation en janvier.
Bye.
Gilles.
| |
|
| Sujet : Ampli audio tubes Blesbo Nouveau | De Hyperman75 Le 25-12-2017 à 08:30 sta |
|
Bonjour
Joyeux Noel à toutes et à tous
Gilles
- la triode d'entrée doit être une ECC83 et pas une ECC82
- si la résistance pied de la CR passe à 68 Ohm, le potentiomètre de CR doit aussi être divisé par 10 soit 1 kOhm
Jacques
|
|
| Sujet : Ampli audio tubes Blesbo Nouveau | De f6cer Le 25-12-2017 à 09:12 sta |
|
Bonjour
Joyeux noël , pourquoi vouloir changer totalement au hasard les valeurs des composants ? par exemple les résistances de chute de grille des EL84
|
|
| Sujet : Ampli audio tubes Blesbo Nouveau | De Tango88 Le 25-12-2017 à 20:22 sta |
|
Bonsoir Jacques,
Comme vous le prétendez, les résistances de charge des EL84 ne sont pas changées par hasard mais reprises d'un schéma différent du votre qui a fait ses preuves dans beaucoup de montages.
Raison : La tension de polarisation négative appliquée sur la grille traverse cette résistance de valeur élévée et vient se superposer au signal BF. De plus les capas de 0.1 µF évitent la transmodulation entre les deux tubes du PP qui est déviée à la masse. Dans tous les schémas PP relevés, ces résistannces sont de forte valeur, en général de 7 à 800 k . Cas d'une polarisation fixe comme précisé plus haut.
Merci et bonne soirée.
Gilles.
|
|
| Sujet : Ampli audio tubes Blesbo Nouveau | De Tango88 Le 25-12-2017 à 20:44 sta |
|
Re
Ci-joint en confirmation un schéma.
| |
|
| Sujet : Ampli audio tubes Blesbo Nouveau | De Hyperman75 Le 25-12-2017 à 21:00 sta |
|
Bonsoir
Gilles, ce n'est pas moi qui ai posé la question.
Cependant, les fabricants de EL84 recommandent de ne pas dépasser 300 kOhm de résistance de grille dans le cas de polarisation fixe (votre cas). Il en va de la durée de vie du tube. Mais faites comme vous voulez. Faites confiance à des schémas qui ont fait leurs preuves. Où d'ailleurs ?
Voir datasheet Philips, Mullard et autres des années 50/60.
Jacques
|
|
| Sujet : Ampli audio tubes Blesbo Nouveau | De Hyperman75 Le 25-12-2017 à 21:22 sta |
|
J'ajouterai que la polarisation fixe se justifie dans le cas d'un mode de fonctionnement du PP en classe B.
Est- ce ce que vous voulez ?
Ce type de polarisation est dangereux : si, pour une raison ou une autre la tension négative disparait, le courant de plaque va s'envoler jusqu'à la destruction du tube, en une fraction de seconde.
La polarisation automatique (celle de mon schéma) ne présente pas ce risque. Elle marche parfaitement bien en classe AB.
Jacques
|
|
| Sujet : Ampli audio tubes Blesbo Nouveau | De Tango88 Le 25-12-2017 à 22:27 sta |
|
Bonsoir Jacques,
Mille excuses, le post n'étant pas signé, je n'ai pas fait gaffe au pseudo de f6cer !
Par sécurité, je vais mettre un petit relais sur la tension négative de manière que si elle vient à disparaitre le relais coupe la HT.
Au démarrage, dans la HT, une résistance de 10 k 5 W en série après le pont de diodes va calmer le chargement brutal des condos de filtrage pendant le temps de chauffe des tubes. Cette résistance est ensuite schuntée par un interrupteur pour passer en marche normale. Une sorte de Standbye. On peut aussi mettre une tempo qui fait le même boulot automatiquement. Voir schéma joint.
Merci et bonne nuit.
Gilles.
| |
|
| Sujet : Ampli audio tubes Blesbo Nouveau | De Tango88 Le 25-12-2017 à 23:23 sta |
|
Jacques,
Un autre schéma qui ressemble beaucoup au votre, à part les doubles EL84.
Gilles.
| |
|
| Sujet : Ampli audio tubes Blesbo Nouveau | De Hyperman75 Le 26-12-2017 à 07:15 sta |
|
Bonjour
Gilles, ce serait bien de voir aussi le schéma de l'alimentation que vous envisager de faire.
Jacques
|
|
| Sujet : Ampli audio tubes Blesbo Nouveau | De jcj Le 26-12-2017 à 08:27 sta |
|
Bonjour,
Trouvé cette explication à propos de la limitation de la résistance de grille. ->
300 k maxi pour une EL84 en polarisation fixe, comme le rappelle Hyperman.
Cordialement : JCJ
| |
|
| Sujet : Ampli audio tubes Blesbo Nouveau | De f6cer Le 26-12-2017 à 09:13 sta |
|
Bonjour
Tango 88 , vous semblez n’avoir absolument aucune notion du fonctionnement des tubes , la meilleure solution (ou la moins mauvaise ) serait d’essayer de reproduire aussi fidèlement que possible le schéma que vous a proposé Hyperman 75 et de monter une alimentation classique
|
|
| Sujet : Ampli audio tubes Blesbo Nouveau | De Tango88 Le 26-12-2017 à 11:54 sta |
|
Bonjour Jacques,
Ci-joint le schéma de l'alimentation HT stabilisée ainsi que quelques photos. La tension est ramenée à 250 V (diodes zener de 250 V). Les deux résistances de sortie attaquent les bases des BUX48A. Un transistor par voie. Les EL 84 sont alimentées directement en 300 V sans stabilisation. Cette alim testée sur table fonctionne très bien. Deux condos de filtrage de 470 µF 400 V de chaque coté de la self torique de 1 mH 1 A. Alimentation ~ par transfo d'isolement 220/230 v - 100 W.
Le site de Michel NOVEL TERRIER explique bien le sujet - histoire vécue vu qu'il a monté l'ampli.
www.michelterrier.fr/radiocol/detail2012/ampel84.htm
Je ne sais pourquoi f6cer s'obstine, étant donné que c'est votre schéma que j'ai retenu comme définitif. Il n'a pas du lire les premiers post. C'est pas grave.
J'ai bien compris la liaison sans condo préampli/déphaseuse ECC83, pour la polarisation correcte des grilles G1.
Bonne journée. A+.
Gilles.
PS : Avant de monter, j'aime bien savoir comment ça fonctionne plutôt que de copier bêtement un schéma.
| |
|
| Sujet : Ampli audio tubes Blesbo Nouveau | De Hyperman75 Le 26-12-2017 à 13:14 sta |
|
Attention, mon schéma est une ECC83 en entrée suivie d'une ECC82 pour le cathodyne.
Pour une ECC83 suivie d'une ECC83 en cathodyne il faut alors prendre le schéma de M Terrier. Juste une question de points de polarisation, qui conduit à avoir des résistances de polar notablement différentes.
Sincèrement, c'est totalement inutile de réguler les tensions HT pour l'etage d'entrée et le cathodyne qui ne consomment que 4,2 mA quasi constant.
Où prenez-vous le 300V pour l'étage de puissance ? Devant le régulateur ? Il y a plus de 400 V.
Vous devez avoir un deuxième circuit d'alim pour générer la tension de référence négative pour les grilles du PP ?
Jacques
|
|
| Sujet : Ampli audio tubes Blesbo Nouveau | De jcj Le 26-12-2017 à 14:28 sta |
|
''Deux condos de filtrage de 470 µF 400 V de chaque coté de la self torique de 1 mH 1 A.'' 
|
|
| Sujet : Ampli audio tubes Blesbo Nouveau | De Tango88 Le 26-12-2017 à 14:30 sta |
|
|
|
| Sujet : Ampli audio tubes Blesbo Nouveau | De jcj Le 26-12-2017 à 14:33 sta |
|
|
|
| Sujet : Ampli audio tubes Blesbo Nouveau | De f6cer Le 26-12-2017 à 14:57 sta |
|
Surtout une self sur un tore !
|
|
| Sujet : Ampli audio tubes Blesbo Nouveau | De Tango88 Le 26-12-2017 à 15:18 sta |
|
A bloquer l'ondulation résiduelle (bruit des diodes silicium) qui par rapport à une valve à vide, ne commencent seulement à être passantes entre 0.5 et 0.7 V. Fini les grosses selfs !
|
|
| Sujet : Ampli audio tubes Blesbo Nouveau | De jcj Le 26-12-2017 à 15:29 sta |
|
Je pense qu'il y a beaucoup de confusions par rapport aux explications du site de Michel Terrier. ->
Pour le bruit de commutation des diodes, il parle des condensateurs de 1nF en parallèle sur celles ci.
Quant à la self entre les 2 condensateurs de filtrage, il recommande de 8H à 10H (soit 10 000 fois plus que 1mH).
| |
|
| Sujet : Ampli audio tubes Blesbo Nouveau | De Tango88 Le 26-12-2017 à 15:37 sta |
|
Pas avec une alimentation stabilisée. Il n'y a pas qu'une seule solution. Vous pouvez vérifier à l'oscillo.
|
|
| Sujet : Ampli audio tubes Blesbo Nouveau | De f6cer Le 26-12-2017 à 15:41 sta |
|
on va atteindre des sommets.
|
|
| Sujet : Ampli audio tubes Blesbo Nouveau | De Tango88 Le 26-12-2017 à 16:02 sta |
|
On peut même supprimer la self complétement et mettre une résistance de faible valeur. Je ne sais plus de combien.
|
|
| Sujet : Ampli audio tubes Blesbo Nouveau | De F1SPI Le 26-12-2017 à 17:50 sta |
|
Coucou
''A bloquer l'ondulation résiduelle (bruit des diodes silicium''
Il a une bonne oreille le monsieur, il entend les bruits de commutation des diodes.
mort de rire, on ne va pas atteindre des sommets, on va les dépasser.
je ne voulais plus intervenir car on arrive à des sommets de stupidité, mais là,
cela devient un devoir civique d'intervenir 
le pire, c'est qu'ils sont persuadés d'avoir raison, EINSTEIN disait :'' l'univers et la bêtise
humaine sont infinis''....sage homme et clairvoyant.
|
|
| Sujet : Ampli audio tubes Blesbo Nouveau | De Hyperman75 Le 26-12-2017 à 17:54 sta |
|
Gilles
Avec une alim régulée il n'y a pas de self. C'est l'un ou l'autre mais pas les 2. D'ailleurs je n'ai pas compris où elle serait ! On ne la voit pas sur votre schéma.
Par ailleurs, le test d'une alim se fait en charge (particulièrement pour le niveau d'ondulation). Est-ce ce que vous faites ?
Si vous prenez des bouts de schéma à droite et à gauche pour faire une alim sans comprendre les tenants et aboutissants techniques vous allez avoir de grosses déceptions.
Jacques
|
|
| Sujet : Ampli audio tubes Blesbo Nouveau | De Tango88 Le 26-12-2017 à 18:43 sta |
|
Et oui F1SPI et j'entends aussi bien d'autres choses ...! que je ne peux vous répéter.
|
|
| Sujet : Ampli audio tubes Blesbo Nouveau | De Tango88 Le 26-12-2017 à 19:09 sta |
|
Jacques,
C'est normal vu que le schéma n'est pas exactement le même. De toute manière, mon alim fonctionne parfaitement et a été testée et mesurée en charge sur table, il n'est donc pas question de changer quoique ce soit. n'en déplaise à certain. On va pas passer la soirée sur une alim.
Je vous remercie pour vos explications sur l'ampli proprement dit.
Quand à F1SPI la philosophie hasardeuse de son dernier paragraphe laisse à penser qu'il a une idée romanesque du devoir civique ...! Le style de rédaction de son post reflète une grande intelligence entachée d'un manque de courtoisie apparente et d'une arrogance sans limites. Par contre il sort rien de bien concret au niveau technique de ses dires. Il y a des gens qui parlent beaucoup pour ne rien dire ...!
La connerie glisse sur la blanche colombe ! 
Bonne soirée.
Gilles
|
|
| Sujet : Ampli audio tubes Blesbo Nouveau | De Hyperman75 Le 26-12-2017 à 19:20 sta |
|
Ok Gilles, revenez nous dire ce que vous aurez obtenu quand tout sera fini.
Bon câblage.
Jacques
|
|
| Sujet : Ampli audio tubes Blesbo Nouveau | De Michel87 Le 26-12-2017 à 19:21 sta |
|
Amis de la poésie, bonsoir
|
|
| Sujet : Ampli audio tubes Blesbo Nouveau | De F1SPI Le 26-12-2017 à 19:21 sta |
|
Re
comme le disait Pierre DAC :'' il y a des gens qui parlent pour ne rien dire et d'autre qui ne disent rien pour parler, on a donc raison de penser ce que l'on pense''
en matière de connerie, je pense que vous êtes un expert.
|
|
| Sujet : Ampli audio tubes Blesbo Nouveau | De Jacques (webmestre) Le 26-12-2017 à 19:35 sta |
|
Modérez vous vous-même avant que le modérateur ou moi-même n'interviennent.
C'est terrible les discussions sur les amplis à lampes: Ca dérive toujours.
|
|
| Sujet : Ampli audio tubes Blesbo Nouveau | De jcj Le 26-12-2017 à 19:53 sta |
|
''Avec une alim régulée il n'y a pas de self. C'est l'un ou l'autre mais pas les 2. D'ailleurs je n'ai pas compris où elle serait ! On ne la voit pas sur votre schéma.''
La self de 1mH serait apparemment la self de filtrage ->
| |
|
| Sujet : Ampli audio tubes Blesbo Nouveau | De Tango88 Le 26-12-2017 à 20:53 sta |
|
J'ai copié/collé les deux posts de F1SPI sur un site de radioamateurs en donnant son skip, pour leur montrer que tous ne sont pas très QRO. Comme disait ...!
|
|
| Sujet : Ampli audio tubes Blesbo Nouveau | De Marcel Bourguinet Le 26-12-2017 à 21:02 sta |
|
Ça va valser
|
|
| Sujet : Ampli audio tubes Blesbo Nouveau | De F1SPI Le 26-12-2017 à 21:33 sta |
|
Re
non cela, ne va pas valser, simplement, je ne pense pas que cela intéresse les O.M.
par contre si nous pouvions connaitre le site, mais ce n'est une obligation.
|
|
| Sujet : Ampli audio tubes Blesbo Nouveau | De Michel87 Le 26-12-2017 à 22:47 sta |
|
Bonsoir,
Juste une question concernant le filtrage.
Il me semblait qu'une self de filtrage comportait impérativement un entrefer.
Est-ce exact?
|
|
| Sujet : Ampli audio tubes Blesbo Nouveau | De Marcel Bourguinet Le 26-12-2017 à 22:56 sta |
|
|
|
| Sujet : Ampli audio tubes Blesbo Nouveau | De Modérateur Forum TSF Radio Le 26-12-2017 à 23:00 sta |
|
Jean-Luc (F1SPI), d'un forum radio à l'autre, vous vous comportez souvent avec de l'humour, et parfois aussi avec un certain mépris.
Restez donc dans l'humour, et expliquez clairement les choses svp.
On retourne courtoisement au sujet sinon on ferme.
|
|
| Sujet : Ampli audio tubes Blesbo Nouveau | De Michel87 Le 26-12-2017 à 23:31 sta |
|
@Marcel Bourguinet
A force de lire des infos bizarres, je finis parfois par douter des fondamentaux...
Merci pour la réponse .
Bonne nuit à tous.
|
|
| Sujet : Ampli audio tubes Blesbo Nouveau | De F1SPI Le 27-12-2017 à 07:39 sta |
|
Bonjour
humour caustique certes , mais mépris je ne pense pas.
Je pense que je vais en resté là.
|
|
| Sujet : Ampli audio tubes Blesbo Nouveau | De F1SPI Le 27-12-2017 à 09:44 sta |
|
Re
''en rester là'' désolé pour la faute
|
|
| Sujet : Ampli audio tubes Blesbo Nouveau | De Tango88 Le 27-12-2017 à 10:49 sta |
|
Bonjour,
A l'attention du modérateur. Vous pouvez fermer le sujet. Encore merci à Jacques (Hyperman75).
En bon entendeur, salut ...
Tango88
|
|
| Sujet : Ampli audio tubes Blesbo Nouveau | De Jacques (webmestre) Le 27-12-2017 à 11:07 sta |
|
A la demande de l'auteur.
|
|
|