Galerie des photos postées Retour Forum standard Retour Forum CMS Préférences
40749 messages avec pièce jointe - Page 927 / 1630
 SujetsDateAuteurPhotos
L'objet mystère06-06-2011 à 11:42wizhard
metrix mx 453C06-06-2011 à 11:26wizhard
Teppaze oscar junior05-06-2011 à 23:34Totolagalène
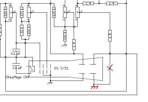
self condensateur05-06-2011 à 13:14louis
self condensateur05-06-2011 à 10:15fdevlos
Fabrication d'un Gonio pour Navitech !05-06-2011 à 09:37François Lucbert
self condensateur05-06-2011 à 00:12louis
self condensateur05-06-2011 à 00:09louis
self condensateur05-06-2011 à 00:08louis
Poste RTA BV6-CORDAGE ONDES05-06-2011 à 00:08pierre.ch
self condensateur05-06-2011 à 00:07louis
Je recherche un schéma.04-06-2011 à 22:13fdevlos
haup parleur philipps 201904-06-2011 à 14:35thierry
alimentation ducretet04-06-2011 à 14:25thierry
ultra super six04-06-2011 à 14:22thierry
Ils se foutent du monde !!! 04-06-2011 à 12:00wizhard
Ils se foutent du monde !!! 04-06-2011 à 11:29wizhard
Lecture de certain condos04-06-2011 à 10:33slouptoouut
Lecture de certain condos03-06-2011 à 23:20Isabelle
Ils se foutent du monde !!! 03-06-2011 à 23:15Guy F6CTP
Ils se foutent du monde !!! 03-06-2011 à 23:14Guy F6CTP
Flash electronique Balcar03-06-2011 à 20:45alain_co
indicateur d'accord03-06-2011 à 16:52wizhard
Pizon Bros02-06-2011 à 21:24dubus
Toto's antenna02-06-2011 à 21:18Totolagalène

   1...  922  923  924  925  926  927  928  929  930  931  932  933  ...1630   



Préférences Galerie Nombre de sujets par page (5 - 100):

Gamme 1

- Galerie TSF - Mesure ancienne - Littérature - Trucs et astuces - Marquage composants - Tubes Brochages - Achat Vente - Forum - Liens utilesCe site vous
a aidé ?

Gamme 2

- Je cherche - Offre - Tendances - Palais des Glaces - Upload -

Gamme 3

- Archives - Schémathèque - Glossaire technique - Glossaire patoisant - Journaux - Remerciements -