| Sujet : evernice Nouveau | De ranlos Le 22-02-2021 ŕ 21:35 sta |
|
Dobrý den mám truhličku evernice a mám problém se zapojením cívek pomůže mi někdo se zapojením
| |
|
| Sujet : evernice Nouveau | De Masterorion Le 22-02-2021 ŕ 21:52 sta |
|
traduction du tchčque :
Bonjour, j'ai une box evernice et j'ai un problčme avec la connexion des résistances, quelqu'un va m'aider avec la connexion
|
|
| Sujet : evernice Nouveau | De J.-Lemaigre Le 23-02-2021 ŕ 09:38 sta |
|
Vu la photo, c'est une des premičres box trčs certainement... ?
|
|
| Sujet : evernice Nouveau | De ranlos Le 23-02-2021 ŕ 12:38 sta |
|
|
|
| Sujet : evernice Nouveau | De jfk52 Le 23-02-2021 ŕ 17:38 sta |
|
|
|
| Sujet : evernice Nouveau | De ranlos Le 23-02-2021 ŕ 21:08 sta |
|
to není stejné s mojí evernice
|
|
| Sujet : evernice Nouveau | De HLJ Le 24-02-2021 ŕ 07:27 sta |
|
Dobrý den, dejte nám podrobné fotografie interiéru a elektroinstalace.
Bonjour, mettez nous des photos détaillées de l'intérieur et du câblage.
HLJ.
|
|
| Sujet : evernice Nouveau | De ranlos Le 24-02-2021 ŕ 12:47 sta |
|
nedaří se mi odpovědět s fotografii
| |
|
| Sujet : evernice Nouveau | De ranlos Le 24-02-2021 ŕ 12:50 sta |
|
| |
|
| Sujet : evernice Nouveau | De RETRO25 Le 24-02-2021 ŕ 15:49 sta |
|
je crains fort que le traducteur automatique n'ait pas fait de miracles cette fois ci !
pas évident le Tchčque !
les photos sont belles mais difficile de comprendre ce que veut l'ami ''ramos ''
précisez ce que vous voulez au juste ...
salutations
Obávám se, že automatický překladač tentokrát neudělal zázraky!
není zřejmé, že Čech!
fotografie jsou krásné, ale těžko pochopitelné, co přítel chce ''ramos''
zadejte přesně to, co chcete ...
S pozdravem
|
|
| Sujet : evernice Nouveau | De ranlos Le 24-02-2021 ŕ 16:22 sta |
|
nakreslil sem schéma jak to mám zapojené a nemám cívky a nevím kam zapojit baterii a kam připojit vinutí
|
|
| Sujet : evernice Nouveau | De RETRO25 Le 24-02-2021 ŕ 16:30 sta |
|
TRADUCTION AVEC GOOGLE TRANSLATE
J'ai dessiné un schéma ici comment je l'ai connecté et je n'ai pas de bobines et je ne sais pas oů connecter la batterie et oů connecter le bobinage
|
|
| Sujet : evernice Nouveau | De ranlos Le 24-02-2021 ŕ 16:41 sta |
|
A mám tam A409,A409,A409,B409
|
|
| Sujet : evernice Nouveau | De RETRO25 Le 24-02-2021 ŕ 16:43 sta |
|
jfk 52 a suggéré qu'il s'agissait d'un récepteur EVERNICE E4 ŕ vérifier ..
le schéma est dans les archives au bas de la page d'accueil du présent site.
cliquez sur ce lien.
http://www.tsf-radio.org/…
bonne journée
|
|
| Sujet : evernice Nouveau | De RETRO25 Le 24-02-2021 ŕ 16:51 sta |
|
la série de tubes ne correspond pas ŕ votre modčle désolé , vous avez 4 tubes A 409 si j'ai bien compris ..
série trubek neodpovídá vašemu modelu promiňte, máte 4 trubky A 409, pokud jsem správně pochopil .. nemáte schéma vašeho přijímače.
To mi je líto
|
|
| Sujet : evernice Nouveau | De RETRO25 Le 24-02-2021 ŕ 16:58 sta |
|
ce n'est pas un EVERNICE E 4 , le récepteur de ranlos est composé de 4 triodes A 409 -
personnellement je ne vois pas ...
quelqu'un du forum connaitra peut-ętre ?
Bonne soirée
toto není EVERNICE E 4, přijímač ranlos je tvořen 4 triodami A 409 -
osobně nevidím ...
možná někdo z fóra bude vědět?
Dobrou noc
|
|
| Sujet : evernice Nouveau | De ranlos Le 24-02-2021 ŕ 17:06 sta |
|
podle radiomuseum A409,A409,A409 a B409 takhle sem to našel bez cívek
| |
|
| Sujet : evernice Nouveau | De RETRO25 Le 24-02-2021 ŕ 17:46 sta |
|
traduction en français du dernier post de ranlos ŕ 17 h 06
pour ceux qui auraient une idée ?
'' selon le musée de la radio A409, A409, A409 et B409 c'est comme ça que je l'ai trouvé sans bobines ''
|
|
| Sujet : evernice Nouveau | De Dominique Le 24-02-2021 ŕ 18:20 sta |
|
Ce n'est pas le E4 qui possčde a les tubes suivants : A441 A409 A409 B406.
Le poste de Ranlos peut fonctionner en 3 lampes ou 4 lampes suivant l'utilisation des prise jack.
Le montage ressemble ŕ un C119 : Une lampe HF, une détectrice ŕ réaction et deux lampes BF.
Je ne comprends pas le schéma de la premičre lampe car son anode n'est pas reliée ŕ la haute tension, mais seulement au travers d'un condensateur de 1000 pF ???
Il faut un cadre pour faire fonctionner ce poste.
Dominique.
Není to E4, který má následující trubice: A441 A409 A409 B406.
Stanice Ranlos může pracovat ve 3 lampách nebo 4 lampách v závislosti na použití zdířek jacku.
Sestava vypadá jako C119: Jedna HF lampa, jeden reakční detektor a dvě LF lampy.
Nerozumím schématu první lampy, protože její anoda není připojena k vysokému napětí, ale pouze přes kondenzátor 1000 pF ???
Aby tento příspěvek fungoval, potřebujete rámec.
Dominique.
|
|
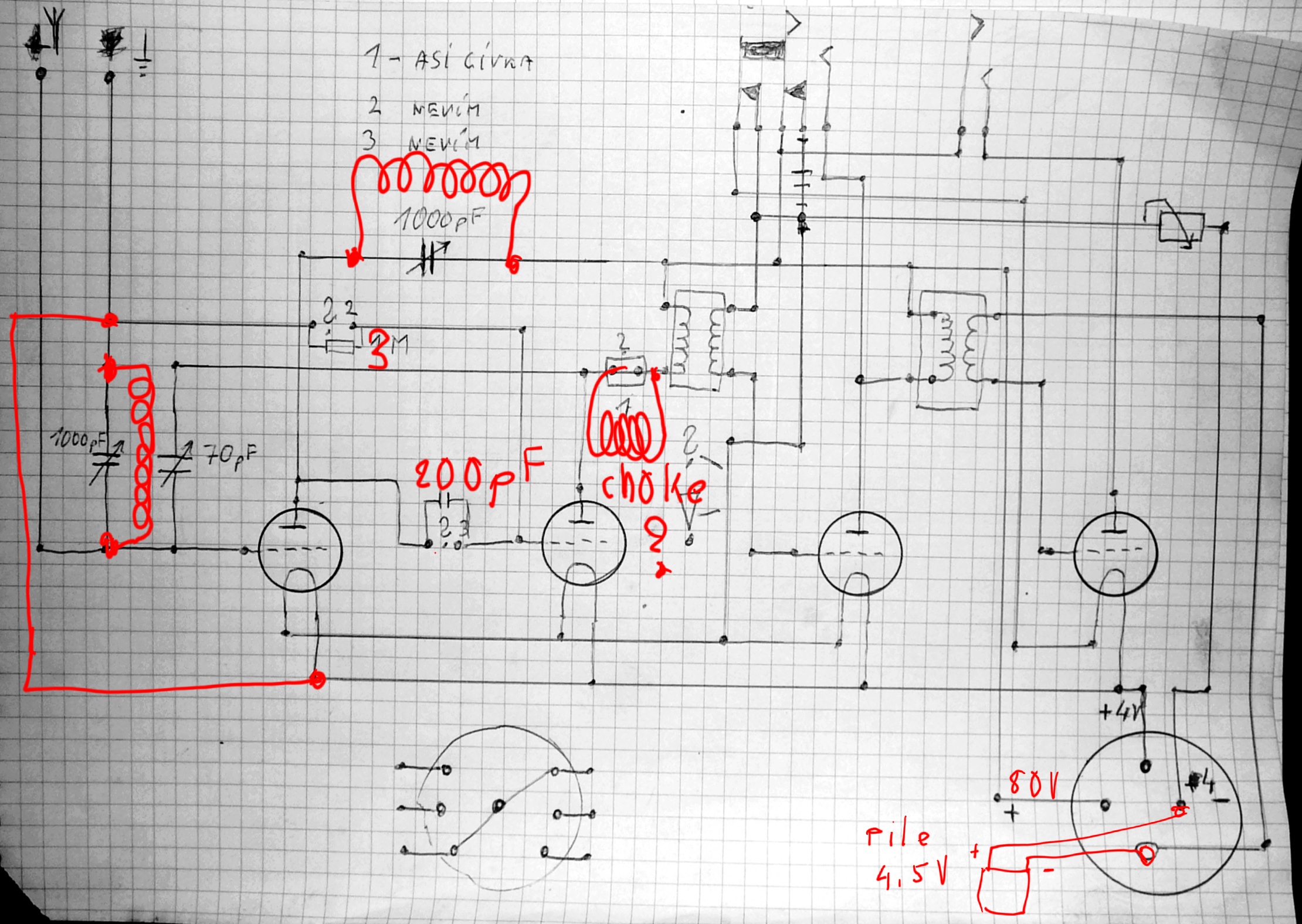
| Sujet : evernice Nouveau | De ranlos Le 24-02-2021 ŕ 22:37 sta |
|
to není ono já tam mám dva 1000pF ladící kondenzátory a jeden 70pF ladící kondenzátor
|
|
| Sujet : evernice Nouveau | De HLJ Le 27-02-2021 ŕ 10:07 sta |
|
Bonjour,
Voici des corrections pour votre schéma.
Il semble qu'il manque deux bobines, peut-ętre enfichables sur la face avant.
Pouvez-vous faire une photo de l'élément que j'ai noté ''choke''.
Salutations.
HLJ.
| |
|
| Sujet : evernice Nouveau | De HLJ Le 27-02-2021 ŕ 10:21 sta |
|
Le schéma n'est pas bien passé...
| |
|
| Sujet : evernice Nouveau | De HLJ Le 27-02-2021 ŕ 10:39 sta |
|
Cette fois, le schéma est complet, avec la pile de polarisation de,4,5 volts pour la triode B406.
HLJ.
| |
|
| Sujet : evernice Nouveau | De RETRO25 Le 27-02-2021 ŕ 10:53 sta |
|
Ahoj
překlad toho, co vám HLJ řekla v předchozí zprávě.
„Tentokrát je diagram kompletní, s předpjatou baterií 4,5 V pro triodu B406.“
Užij si víkend
|
|
| Sujet : evernice Nouveau | De HLJ Le 27-02-2021 ŕ 11:05 sta |
|
Les bobines manquantes devaient ętre connectées ŕ ce commutateur je pense ...
Faites encore des photos de l'ensemble de la radio, sous differents angles, merci.
HLJ
| |
|
| Sujet : evernice Nouveau | De RETRO25 Le 27-02-2021 ŕ 11:44 sta |
|
traduction du dernier message de HLJ
překlad poslední zprávy HLJ
'' Chybějící cívky musely být připojeny k tomuto přepínači, myslím ...
Znovu vyfotografujte celé rádio z různých úhlů, děkuji. ''
|
|
| Sujet : evernice (evernice) Nouveau | De RÉTRO25 Le 27-02-2021 ŕ 11:47 sta |
|
Pardon, mauvais copier-coller !
la traduction ici :
překlad poslední zprávy HLJ
'' Chybějící cívky musely být připojeny k tomuto přepínači, myslím ...
Znovu vyfotografujte celé rádio z různých úhlů, děkuji.
HLJ ''
|
|
| Sujet : evernice (evernice) Nouveau | De ranlos Le 27-02-2021 ŕ 19:43 sta |
|
Merci pour la réaction demain j'essaierai de m'impliquer selon le schéma
|
|
| Sujet : evernice (evernice) Nouveau | De ranlos Le 27-02-2021 ŕ 20:21 sta |
|
J'aimerais aussi savoir quelles inductions devraient ętre sur les bobines pour SV et DV et si je ourrais utilipser cette bobine
| |
|
| Sujet : evernice (evernice) Nouveau | De ranlos Le 28-02-2021 ŕ 22:47 sta |
|
| |
|
| Sujet : evernice (evernice) Nouveau | De ranlos Le 28-02-2021 ŕ 22:51 sta |
|
| |
|
| Sujet : evernice (evernice) Nouveau | De ranlos Le 01-03-2021 ŕ 18:26 sta |
|
dobrý den potřeboval bych návod na tuhle toroidní cívku
| |
|
| Sujet : evernice (evernice) Nouveau | De XYZ du 56 Le 02-03-2021 ŕ 14:20 sta |
|
Bonjour,
SVP, oů est raccordée l'entrée du -40v? S'il y a du +, il devrait y avoir du -! Merci.
|
|
| Sujet : evernice (evernice) Nouveau | De ranlos Le 02-03-2021 ŕ 16:20 sta |
|
|
|
| Sujet : evernice (evernice) Nouveau | De HLJ Le 03-03-2021 ŕ 23:46 sta |
|
Bonsoir,
C'est effectivement cette bobine qui manque.
Une bobine avec de multiples prises intermédiaires qui sont raccordées sur le commutateur.
Vous pouvez essayer de la réaliser avec un bobinage en gabion sur une planche ŕ clous, elle doit avoir au total 200 spires avec des prises toutes les 20 spires.
| |
|
| Sujet : evernice (evernice) Nouveau | De HLJ Le 03-03-2021 ŕ 23:56 sta |
|
|
|
| Sujet : evernice (evernice) Nouveau | De RETRO25 Le 04-03-2021 ŕ 02:42 sta |
|
traduction bobine en gabion
Dobrý večer,
Zde je popis cívky (RCD č. 17 ze dne 1. 2. 1938) ...
Zařízení:
15 m 8/10 vlákno izolované 2 vrstvy pod hedvábím
1 dřevěná deska o tloušťce 10 cm x 10 cm a tloušťce 2 cm
7 hřebíků o průměru 75 mm
Na desce sledujte kruh o průměru 75 mm, poté roztažením bodů kompasu značku 36 mm (přesně 35,9 mm) na obvod 7 bodů ve stejné vzdálenosti.
Umístěte 7 hřebíků velmi svisle, na každý hřebík navlékněte kousek souplisso, abyste neporanili drát.
Nechejte volný konec 15 cm dvakrát navinutý kolem hřebíku a začněte navíjet napínáním drátu; procházejte střídavě uvnitř a vně nehtů.
Po 7 zatáčkách uchopte lanko mezilehlým kroucením drátu kolem 1 cm tak, že jej ohnete do pojistného kolíku a otočíte jím, pak bez přerušení drátu pokračujte ve vinutí.
Poté každých 5 otáček sevřete.
Celkově udělejte 52 zatáček s 9 chyty.
Cínujte zástrčky a připájejte 6 cm dlouhý vodič.
Vázejte provázek kolem každého křížení drátu, aby držel celý; sundejte nehty, odformujte se a užívejte si například lýskáním krémem ... 
V práci !
Pozdravy,
JR Depierre
|
|
| Sujet : evernice (evernice) Nouveau | De HLJ Le 04-03-2021 ŕ 08:03 sta |
|
|
|
| Sujet : evernice (evernice) Nouveau | De ranlos Le 04-03-2021 ŕ 16:35 sta |
|
Děkuji za návod na cívku ale kam ji připojit do toho schématu
| |
|
| Sujet : evernice (evernice) Nouveau | De ranlos Le 04-04-2021 ŕ 21:59 sta |
|
Tak na konec sem to zapojil tak hle
| |
|
| Sujet : evernice (evernice) Nouveau | De HLJ Le 04-04-2021 ŕ 23:10 sta |
|
Traductions
1) ''Merci pour les instructions sur la bobine mais oů le connecter au schéma''
2) ''Donc ŕ la fin, je l'ai impliqué''
Bonsoir,
Connecter les bobines comme le schéma que j'ai donné plus?haut http://www.tsf-radio.org/…
Meilleures salutations.
HLJ
|
|
| Sujet : evernice (evernice) Nouveau | De HLJ Le 04-04-2021 ŕ 23:13 sta |
|
Je ne comprends pas votre schéma avec toutes ces résistances ajoutées en rouge sur le circuit filament des lampes ???
HLJ
|
|
| Sujet : evernice (evernice) Nouveau | De ranlos Le 10-04-2021 ŕ 08:35 sta |
|
Tak po dlouhé době oživeno
| |
|
| Sujet : evernice (evernice) Nouveau | De HLJ Le 10-04-2021 ŕ 14:59 sta |
|
Bravo, cela fonctionne, finalement comment sont branchées les bobines ?
HLJ
|
|
| Sujet : evernice (evernice) Nouveau | De ranlos Le 10-04-2021 ŕ 17:49 sta |
|
Tak zhruba takhle je to zapojený
| |
|
| Sujet : evernice (evernice) Nouveau | De RÉTRO25 Le 11-04-2021 ŕ 12:31 sta |
|
Bonjour,
beau travail ! bravo .
mais on ne sait toujours pas si ramlos a réalisé des bobines en gabion comme suggéré plus haut par HLJ ..
des photos du chassis pourraient ętre intéressantes ( ŕ titre purement informatif )
merci par avance ŕ ramlos pour d'éventuelles photos du chassis .
bon dimanche
JB
|
|
| Sujet : evernice (evernice) Nouveau | De ranlos Le 11-04-2021 ŕ 13:58 sta |
|
Dobrý den zatím jen jedno foto ,až to dodělám tak dám více fotek
| |
|
| Sujet : evernice (evernice) Nouveau | De RÉTRO25 Le 11-04-2021 ŕ 14:19 sta |
|
@ ramlos
merci pour la photo et pour votre réponse.
on reste sur des bobines de construction classique sur mandrin . Je voulais juste savoir si vous aviez essayé de construire une bobine en gabion avec la méthode proposée par HLJ car je n' ai jamais essayé jusqu' ŕ présent.
j'aperçois en arričre-plan la photo une bobine en fond de panier mais je suppose qu' elle n'a rien ŕ voir avec votre poste ?
bonne journée
JB
|
|
| Sujet : evernice (evernice) Nouveau | De ranlos Le 11-04-2021 ŕ 20:16 sta |
|
cívky sem vyrobil ,ale nefungovalo to ideálně a L= 0,90mH a to bylo málo
| |
|
| Sujet : evernice (evernice) Nouveau | De RÉTRO25 Le 11-04-2021 ŕ 21:17 sta |
|
merci pour la photo.
ce type de bobine 'gabion'' doit sérieusement limiter l'effet capacitif inter-spires.
bonne soirée
JB
|
|
| Sujet : evernice (evernice) Nouveau | De ranlos Le 17-04-2021 ŕ 22:17 sta |
|
| |
|
| Sujet : evernice (evernice) Nouveau | De ranlos Le 19-04-2021 ŕ 16:54 sta |
|
Dobrý den co by to mohlo být za zástrčku ?
| |
|
|