>Journaux du site au 22/08/2022 à 10:26Forum 2.6.9
S'enregistrer pour posterRechercherPréférences

Pas de Post-it

Forum standardGalerie Forum
Sujet : Fréquences en vrac sur un poste SS3900 Nouveau De Pamifize  Le 19-11-2020 à 16:01 sta

    Bonjour,

    Je possède un ancien poste ss3900 black (carte EPT360014B) sur lequel j'ai récemment ajouté un fréquence-mètre galaxy FC347 (lecture de la fréquence en émission ET en réception) et je me suis rendu compte qu'il y a un soucis de fréquence (voir le tableau en pièce jointe). Les fréquences en vert sont ''normales'', dans le sens où ce sont les bonnes fréquences associées aux bons canaux et sur la bonne bande. Toutes les autres ne sont pas les bonnes, en particulier je n'ai pas les 25 premiers canaux normaux sur la bande D, et ce quelque soit le mode (am/fm/usb/lsb/cw), en réception comme en émission.
    Le test d'un certain nombre de composants électroniques et une vérification du circuit s'imposent donc .... Mais je ne vois absolument pas par où commencer.
    Avez vous une idée ?

    Merci par avance,
    Cordialement

  
  

Sujet : Fréquences en vrac sur un poste SS3900 Nouveau De F6FLC  Le 19-11-2020 à 19:23 sta

    Tout ce qui commence par 25 MHz ou 28 MHz est hors bande CB, donc strictement interdit d'émission
    donc heureusement que ça ne fonctionne pas


Sujet : Fréquences en vrac sur un poste SS3900 Nouveau De F6FLC  Le 19-11-2020 à 19:24 sta

    et à plus forte raison, 24 MHz !


Sujet : Fréquences en vrac sur un poste SS3900 Nouveau De Pamifize  Le 19-11-2020 à 19:57 sta

    Ce n'est pas moi qui vous fais dire le contraire F6FLC !


Sujet : Fréquences en vrac sur un poste SS3900 Nouveau De dede2000  Le 20-11-2020 à 08:04 sta

    Il faut regarder si il n'a pas été bricolé autour du synthé vérifier les connections au rotateur de canaux, il y a peut être un fil coupé, vérifier les diodes de la matrice du synthé il y en a qui manque peut être!

 Fichier
.PNG
 
  

Sujet : Fréquences en vrac sur un poste SS3900 Nouveau De julienbeta  Le 21-11-2020 à 09:56 sta

    Bonjour
    j'ai un SS3900 hp EF qui fonctionne bien : tous les jours en QSO avec local avec des amis.
    ce poste a un bouton caché accessible par une découpe rectangulaire sous le boîtier. Je pense qu'il y a une position ''réglementaire'' et une autre qui est du type ''export'' ... avec plus de canaux et plus de puissance. Voir effectivement s'il n'y a pas un mauvais contact ou un fil coupé.... puisque la synthèse de fréquence fonctionne bien sur certains plages de fréquence.
    S'il est interdit d'émettre sur certaines bandes, il n'est pas interdit d'écouter ....
    Bonne bricoles
    Julien


Sujet : Fréquences en vrac sur un poste SS3900 Nouveau De Pamifize  Le 21-11-2020 à 15:32 sta

    Bonjour,
    J'ai ''commencé'' les investigations, et pour l'instant rien de spécial, les fils ne semblent pas coupé (testé à l'ohmmètre), aucune diode ne semble manqué autour des puces ic5 et ic6, même sur la platine du rotacteur de canaux, et elles semblent bonnes (d'après un multimètre numérique en mode diode ... Après je ne suis pas un pro de l'electronique, mais j'obtiens circuit ouvert dans un sens et une valeur de 850 pour chaque)
    C'est vrai que je n'ai pas regardé les câbles au niveau de l'interrupteur pour passer en 240 canaux, ni au niveau du commutateur de bandes.

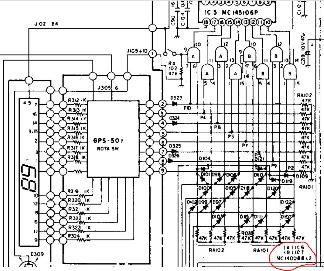
    Le synthé est la puce IC5 ? est-il possible qu'elle soit défectueuse ?
    Je continuerai les investigations plus tard (le temps me manque)

    Merci de vos messages
    Cordialement


Sujet : Fréquences en vrac sur un poste SS3900 Nouveau De stef  Le 21-11-2020 à 19:14 sta



Sujet : Fréquences en vrac sur un poste SS3900 Nouveau De dede2000  Le 21-11-2020 à 23:39 sta

    étonnant que la pll ne fonctionne que sur certaines fréquences! Il y a sûrement une anomalie dans la commande du circuit au niveau du rotateur des canaux.


Sujet : Fréquences en vrac sur un poste SS3900 Nouveau De Pamifize  Le 22-11-2020 à 00:18 sta

    On est bien d'accord que PLL = synthé = IC5 = MC145106 ?

    Effectivement, avec le message de julienbeta et dede2000, je ne pense pas que ça soit la puce IC5 qui ait un problème..
    En revanche, la puce IC7 MC14008BCP semble avoir été bricolé coté soudures. Je ne comprends pas bien le schéma électriques mais je pense qu'elle est justement reliée au rotacteur de canaux. J'ai pu voir que ça peut également se trouver sur ebay.

    Sinon les fils au niveau de l'interrupteur export et au niveau du sélecteur de bandes sont bons, l'interrupteur fonctionne normalement .. En mode non export, seul accès à la bande D avec les mêmes fréquences que j'ai donné dans le tableau.


  
  

Sujet : Fréquences en vrac sur un poste SS3900 Nouveau De dede2000  Le 22-11-2020 à 10:41 sta

    CQFD Le décodage n'est donc pas bon si le circuit de commande du pll a été massacré!

    Il faut remettre tout ça dans l'ordre! Ha les sagouins il y en a vraiment partout LoL!!!


Sujet : Fréquences en vrac sur un poste SS3900 Nouveau De Pamifize  Le 18-12-2020 à 19:16 sta

    Bonjour,

    J'ai reçu les CI MC14008BCP (IC7) aujourd'hui. Une fois monté (dessoudage de l'ancien, mise en place d'un support tulipe, puis emboitage d'une nouvelle puce), le problème de fréquence a été résolu, j'ai bien retrouvé toutes mes fréquences originelles de 26.965 mhz à 27.405 mhz sur la bande D (et idem sur les autres bandes où il y avait défaut ..). En particulier la mise en place d'un support tulipe a permis de ne pas faire chauffer la nouvelle puce, et n'a pas gêné aux remontages de la platine du rotacteur de canaux (située juste au-dessus) malgré l'épaisseur supplémentaire. Une bonne astuce donc !

    Merci à tous pour votre participation

  
  

Sujet : Fréquences en vrac sur un poste SS3900 Nouveau De Pascal0811bis  Le 19-12-2020 à 09:54 sta

    Félicitations et bon QSO sur toutes les fréquences accessibles avec votre CB. Allez y droit devant, personne ne vous en empêchera et puis les TV étant numériques à présent, plus de risque de rentrer dedans par la MF...


Sujet : Fréquences en vrac sur un poste SS3900 Nouveau De f6crv  Le 19-12-2020 à 10:37 sta

    bonjour et n'oubliez pas que certaines fréquence (ou bandes de fréquence) sont réservées aux radioamateurs - il faut passer un ''petit'' examen pour pouvoir utiliser ces fréquences et se voir attribuer un indicatif - --avec les 73 de Jean-Claude (f6crv)


 Retour aux sujets 

Rubriques du site

Gamme 1

- Galerie TSF - Mesure ancienne - Littérature - Trucs et astuces - Marquage composants - Tubes Brochages - Achat Vente - Forum - Liens utilesCe site vous
a aidé ?

Gamme 2

- Je cherche - Offre - Tendances - Palais des Glaces - Upload -

Gamme 3

- Archives - Schémathèque - Glossaire technique - Glossaire patoisant - Journaux - Remerciements -