| Sujet : Détection BF par pentode Nouveau | De vptt Le 31-10-2019 à 18:18 sta |
|
Bonjour à tous,
Pourriez-vous m'expliquer comment fonctionne la détection BF depuis une pentode sur un poste avant guerre ? Je n'ai aucune connaissance à ce sujet Merci !
Tout ce que je sais, c'est que le schéma de montage de mon poste, un SLR, s'approche du schéma du Vitus joint, avec une triode oscillatrice 56, et une 57 utilisée comme détectrice .
Son jeu de lampes, 57, 56, 58, 57, 47, 80.
Sa particularité, un HP à excitation horizontal, et caché par un couvercle. Et les stations, PO et GO, sont définies en fréquences, pas par stations.
Enfin, je n'ai pas son schéma et a peut-être falloir que je le reproduise à la main, car certaines résistances sont coupées avec référence illisible, et il semblerait que le poste ait été bricolé, avec des soudures et un montage catastrophique, style spaghettis.
Ce poste me plait car il est carré et atypique avec son couvercle.
Je ne connais pas l'état des lampes, si ce n'est la 47 que j'ai testé sur un autre poste, OK, et KO pour la 80, filament coupé.
Y'a pas urgence, car je dois refaire la peinture du châssis, bien rouillé. Mais je manque de connaissance technique !
Bonne soirée à chacun et bon bricolage !
| |
|
| Sujet : Détection BF par pentode Nouveau | De F6CER Le 31-10-2019 à 19:19 sta |
|
Bonsoior
il y a plusieurs systèmes de détection possibles , les principaux :
-la detection grille : la partie grille-cathode fait office de diode , redresse la MF modulée , la modulation se retrouve alors aux bornes de la résistance de grille shuntée par un condensateur appelé condensateur de détection , le reste de la lampe l'amplifie comme n'importe quel ampli BF
-la détection plaque : la lampe est polarisée très fortement et se retrouve près du blocage (cut-off) de ce fait elle est fortement non linéaire et joue le rôle de redresseur
quelques pistes :
http://jacrieth.free.fr/T…
http://www.pascalchour.fr…
http://www.cfp-radio.com/…
|
|
| Sujet : Détection BF par pentode Nouveau | De ON5WF Le 31-10-2019 à 20:54 sta |
|

Voir aussi dans les archives, rubrique documents anciens: ''Les bases du dépannage'', tome 2 de Sorokine. Les 4 premiers chapitres sont consacrés à la détection BF et toutes les méthodes y sont passées en revue (du moins celles utilisées dans les récepteurs de radio ''grand public'').
ON5WF
|
|
| Sujet : Détection BF par pentode Nouveau | De vptt Le 31-10-2019 à 22:10 sta |
|
Ah oui, merci F6CER et ON5WF ! De la bonne lecture, j'ai à apprendre.
J'ai commencé par le site de Pascal Chour, sur la TSF sans mathématiques de Lucien Chrétien.
Effectivement, on y parle de la ''détection par courbure caractéristique de plaque'' comme mentionné dans le schéma du Vitus ''la détection se fait encore par courbure de caractéristique d'anode''. Marrant, du coup, je comprends que le signal BF détecté, positif, est amplifié avant d'attaquer la 47. Donc, la fameuse résistance de polarisation de la cathode est particulière. Hors, c'est justement celle-ci qui était coupée sans référence. Je l'ai remplacée provisoirement par une 30k, mais c'est du pif, vu sur d'autres schémas utilisant ce principe de détection. Va falloir que je lise la doc à ce sujet !
Bonne soirée !
|
|
| Sujet : Détection BF par pentode Nouveau | De BRT95 Le 31-10-2019 à 23:34 sta |
|
Bonsoir,
Si on suit le circuit de grille de la 57 sur le schéma joint,il semblerait qu'il manque la résistance de grille.Le circuit est ouvert par la prise ''PU'',a moins de la court-circuiter.
|
|
| Sujet : Détection BF par pentode Nouveau | De stockfish Le 01-11-2019 à 06:41 sta |
|
Bonjour
Sur la photo de l'arrière du chassis on voit un shunt qui pourrait correspondre au court-circuit évoqué par BRT95. La prise PU est-elle celle du haut ou du bas ?
|
|
| Sujet : Détection BF par pentode Nouveau | De stockfish Le 01-11-2019 à 06:43 sta |
|
On dirait bien que c'est celle du bas. Peut-être donc déplacer ce shunt pour recevoir la radio.
|
|
| Sujet : Détection BF par pentode Nouveau | De vptt Le 01-11-2019 à 09:38 sta |
|
Bonjour Brt95, bonjour stockfish, oui, ce schéma semble avoir une erreur ! Mais ce n'est qu'un schéma de poste possédant le même jeu de lampes que le mien, et surtout une triode en oscillatrice et une penthode détectrice.
La prise pick-Up est en bas du châssis, via un strap. Il sert à la fois pour cette prise et celle de l'antenne. Je pense qu'en PU il faut enlever ce strap côté antenne. Je verrais plus tard. En attendant, je devrais faire le schéma de ce poste, à moins que vous sauriez où le trouver !
Bonne journée !
|
|
| Sujet : Détection BF par pentode Nouveau | De F6CER Le 01-11-2019 à 09:45 sta |
|
Bonjour
non le schéma n'a pas d'erreur , le court-circuit doit être en place pour la radio et sert d'entrée pour le pick-up
pas besoin de résistance de grille (détection par courbure de la caractéristique)
|
|
| Sujet : Détection BF par pentode Nouveau | De vptt Le 11-12-2019 à 19:08 sta |
|
Bonsoir,
Euh, je crois que j'ai sur-estimé mes compétences ! Je m'étais fait un deal de réparation de 2 postes pour ma retraite, des avant-guerres.
Bon, après avoir changé les capacités ''papier'' et les condensateurs électrolytiques et reconstruit l'haut-parleur, j'ai fait mes premiers tests.
D'une manière générale, tensions bien trop faibles pour un poste des années 33, 34. Ça tourne autour de 165 après le filtrage, pour 245 en entrée au lieu de 340. Bon, ma redresseuse provient d'un poste en fonctionnement.
La 47, finale, fonctionne mais je peux la tenir entre mes doigts, ça chauffe pas beaucoup. L'entrée PU est fonctionnelle, les morceaux de musique via Bluetooth sont presque acceptables au HP reconstitué mais ça manque de pèche.
Pour les valeurs de résistances, c'est la cata ! Elles ont augmenté et c'est illisible sur leur corps, une sorte de gaine écrite mais passée au vernis, bref j'arrive pas à lire...
Bref, pour le schéma, pas trouvé. J'en ai fait un brouillon, faudrait le mettre au propre et ous l'envoyer, car je sèche. Oups 
Merci pour vos conseils toujours avisés 
|
|
| Sujet : Détection BF par pentode Nouveau | De vptt Le 20-12-2019 à 14:51 sta |
|
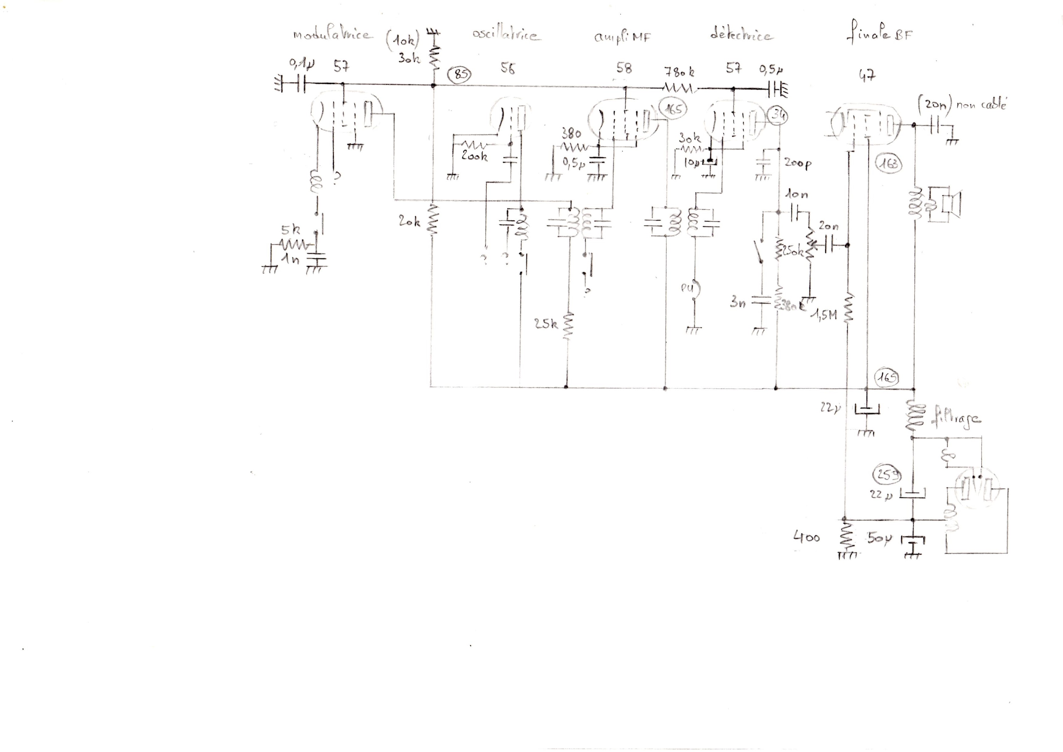
Bonjour,
J'ai poursuivi quelques essais BF en utilisant justement cette entrée PU. Ca fonctionne mais pas très fort, et si je diminue la résistance de 780k pour augmenter la tension écran au tube 57 détectrice, le son est complètement déformé ensuite. A priori, faut que je laisse 34v à cet écran pour que cela fonctionne.J'ai remonté la tension écran à la 58 et 57 pour approcher 90V en modifiant le pont diviseur 20k / 30k au lieu de 20k / 10k mais cela n'apporte rien au niveau radio.
Voici un début de schéma, mais la partie HT changement de gammes et oscillatrice est extrêmement compliqué !
Je cherche toujours des schémas qui y ressemblent, mais hormis le Vitus joint, je n'y arrive pas.
Oups 
Merci pour vos conseils
| |
|
| Sujet : Détection BF par pentode Nouveau | De f6cer Le 20-12-2019 à 15:37 sta |
|
Bonjour
Je crois que la première des choses a faire est de trouver une valve en bon état
La résistance de fuite de grille de la 47 est bien trop élevée, 470k est un maximum
et d’ou sort cette magnifique résistance de 780k ?
|
|
| Sujet : Détection BF par pentode Nouveau | De vptt Le 20-12-2019 à 20:47 sta |
|
Bonsoir F6CER,
Oui, j'essaierai avec une autre 47. Celle-ci a été testée sur un poste en fonctionnement mais je ne l'ai plus actuellement pour prêt à un petit théâtre. C'est le seul poste où je suis sûr d'en avoir une autre. Pour cette fameuse résistance illisible mesurée 780k (une gaine avec marquage effacé, quoique il m'a semblé lire ''?00 000 Ohm'' en clair). Je l'avais remplacé par une résistance de 100k mais distorsion au niveau de la 47. Mince, j'ai pas répondu à votre question, oui, j'essaierai de trouver une autre valve. Sans tubes, j'obtiens 402v redressé, mais ensuite, ça chute très vite...
Je ne sais pas faire plus...
|
|
| Sujet : Détection BF par pentode Nouveau | De stockfish Le 20-12-2019 à 23:14 sta |
|
Vous pouvez tester la ligne ht en introduisant chaque étage l'un après l'autre pour situer ce qui consomme trop. En évaluant le débit ht théorique vous pouvez remplacer les étages qui restent à introduire par une résistance de puissance et/ou des ampoules à incandescence en série.
|
|
| Sujet : Détection BF par pentode Nouveau | De stockfish Le 20-12-2019 à 23:15 sta |
|
mais c'est vrai que sans schéma ...
|
|
| Sujet : Détection BF par pentode Nouveau | De f6cer Le 21-12-2019 à 11:17 sta |
|
Je ne parlais pas de la 47 mais de la valve ......
Et puis en regardant les schémas de postes identiques, il faut être réaliste , vos valeurs de résistances sont pratiquement toutes abracadabrantes
Il serait bon de partir d’un schéma quelconque et de mettre les mêmes valeurs ......apres avoir changé la valve
|
|
| Sujet : Détection BF par pentode Nouveau | De vptt Le 23-12-2019 à 14:14 sta |
|
Bonjour f6cer, bonjour stockfish,
Ouille, je me rends compte que j'ai encore beaucoup à apprendre dans le domaine de la détection et amplification BF depuis vos cours proposés à ma demande.
Evidemment, si tout avait fonctionné du premier coup après changements de quelques résistances et condensateurs, je n'aurais pas découvert la théorie radio !
Néanmoins, je possède un poste avec ses tubes, des schémas plus classiques avec redressement par triode utilisée en diode, et ma fois, pourquoi-pas ne pas re-considérer ce montage depuis un autre montage ? Je peux très bien utiliser la, penthode 57 en pré-ampli BF, et utiliser une diode pour le redressement, d'autant que j'en possède sous forme de tube minuscule...
En attendant, je vais étudier la théorie avant de toucher au châssis, que vous pouvez voir à la photo jointe.
Bonnes fêtes de fin d'années à chacun ! 
Joël
| |
|
| Sujet : Détection BF par pentode Nouveau | De stockfish Le 23-12-2019 à 21:57 sta |
|
Tout collectionneur vous dira qu'il serait dommage de dénaturer un tel poste de la première moitié des années 30. C'est un témoignage technologique de cette époque. Essayez de remettre en route la partie BF puis les autres étages un à un. Peut-être en arrivant aux bobinages HF vous n'y parviendrez pas, vous pourrez simplifier à ce moment. C'est aussi l'occasion d'en apprendre beaucoup.
|
|
| Sujet : Détection BF par pentode Nouveau | De f6cer Le 24-12-2019 à 08:10 sta |
|
J’ai peur de me répéter mais la première chose a faire est de vérifier l’alimentation et surtout la valve
|
|
| Sujet : Détection BF par pentode Nouveau | De stockfish Le 24-12-2019 à 09:07 sta |
|
Pour aller dans le sens de f6cer, pour information j'ai mis en route un Vitus de la même époque, le 701d, pour mesures. Il est très proche du votre sauf que c'est un push-pull de 47 donc compter pour le votre une conso ht de 30 mA de moins que le mien qui fonctionne bien. Je n'ai changé que les chimiques de filtrage. Certains condos sont sans doute fuyards mais il fonctionne.
Le débit ht que je mesure est 90 mA pour une ht en tête de filtre de 453 V-DC.
Si j'avais à tester son alim avec sa valve je prendrais deux ampoules à incandescence de 25 W (faute de trouver des 20 w) et je les connecterais en série à la sortie de l'alim en déconnectant tout le reste. Une mesure de la tension et du courant débité permettrait de conclure. Je ferais la manip au variac pour relever I=f(V).
|
|
| Sujet : Détection BF par pentode Nouveau | De vptt Le 04-01-2020 à 23:32 sta |
|
Bonjour à tous,
Une nouvelle année vient de commencer ! Je vous la souhaite à chacun bonne et heureuse avec de belles et profondes restaurations de nos postes TSF ! Avec la satisfaction d'y être arrivé à le / les réparer !
J'ai repris les tensions avec une nouvelle valve, et je les ai reportées au schéma. Cela me parait logique, surtout depuis que j'ai découvert ce schéma d'un poste Dehay de 1933, avec le texte explicatif pour les basses tensions trouvées autour de la détectrice 57.
Sinon, truc idiot, je n'arrive pas à entendre mon signal BF de mon générateur hétérodyne.
Faut dire que je ne comprends pas la détection BF. Pour le redressement avec la 57, par détection plaque, je comprends, mais ensuite, la capacité de 200pF laisse passer la composante HF, mais je ne comprends pas où se trouve la constante de temps RC pour ne garder que l'enveloppe BF, comme on le voit sur d'autres schémas.
Aussi, j'y ai mis le schéma de ce Dehay, très proche du mien, et dont ne comprends pas aussi où se situe cette constante RC.
Parce que je me dis, que si je n'entends pas mon signal, c'est peut-être qu'il manque qqs chose à mon poste. Ah oui, au niveau de la seconde MF, les enroulements sont corrects.
Merci beaucoup si vous avez des idées !
Joël
| |
|
| Sujet : Détection BF par pentode Nouveau | De f6cer Le 05-01-2020 à 14:30 sta |
|
Bonjour
Sur la plaque on obtient la moitié supérieure du signal modulé écrêtée par l’effet de classe B du a la polarisation de la lampe , la partie HF est supprimée par le condensateur de découplage dont la réactance est faible vis a vis de la MF , il reste donc ...... la modulation
|
|
| Sujet : Détection BF par pentode Nouveau | De ON5WF Le 05-01-2020 à 17:46 sta |
|

''mais je ne comprends pas où se trouve la constante de temps RC pour ne garder que l'enveloppe BF, comme on le voit sur d'autres schémas.''
En fait, on peut considérer que la résistance de 500 k en parallèle (du point de vue de la MF) avec la capa de 250 pF forment un filtre dont la constante de temps RC est telle que la MF est quasiment éliminée, de sorte qu'il ne reste que le signal BF.
ON5WF
|
|
| Sujet : Détection BF par pentode Nouveau | De vptt Le 05-01-2020 à 18:20 sta |
|
Bonjour F6CER, bonjour ON5WF,
Ah d'accord ! Par précaution je vais changer cette capacité de 250 pF par une + récente et voir si je retrouve cette modulation. Sinon, je vais tester cette seconde MF. Ce sont des capacités variables positionnées en haut de chaque bloc. Je vais voir si j'arrive à retrouver mon signal BF.
Mais demain sera un autre jour ! Merci pour os conseils avisés. 
|
|
| Sujet : Détection BF par pentode Nouveau | De stockfish Le 05-01-2020 à 19:32 sta |
|
Bonjour,
Attention, sur le SNR veillez à ce que le 3 nF ne soit pas dans le circuit de détection. Il modifie complètement l'impédance du filtre. La bande passante atteint les fréquences audibles ->
| |
|
| Sujet : Détection BF par pentode Nouveau | De vptt Le 06-01-2020 à 20:54 sta |
|
Bonsoir Stockfish,
oui, par précaution (car je ne l'ai pas changé, ce 3 nF avait un aspect externe correct) j'avais mis le commutateur ''ouvert''. De toute manière, ce pauvre commutateur restait toujours ''ouvert'' avant que je ne le traite au dégrippant puis nettoyant contact).
Bien j'ai commencé mes tests d'alignement. Oui, la détection BF fonctionne depuis le changement de la capacité de 200pF par une de 250pF. Par contre, c'est pas très fort, je voulais juste dégrossir...Les CV aux MF réagissent mais faut que je m'applique à le faire l'une après les autres selon la procédure adhoc trouvée à ce forum. Mes tubes 57,58 doivent être bien fatigués, et je n'en ai pas sous la main, le seul poste qui en possédait ayant été prêté pour figurer dans une pièce de théâtre, comme quoi, la TSF amène à des situations improbables. 
Et puis, faut que je teste mon oscillateur, la triode 55, et ça plus tard ! J'avance doucement.
Merci pour vos conseils ! Bonne soirée
Joël
|
|
|