| Sujet : Problème transfro Electrophone Radio Star 65 Nouveau | De enzoD Le 22-09-2019 à 16:18 sta  |
|
Bonjour,
Je planche actuellement sur la restauration d'un électrophone Radio Star 65 (modèle similaire https://www.doctsf.com/ra…) doté de 2 UL84, 1 ECC84 et 1 EZ80.
Ce modèle étant relativement rare, je n'ai pas réussi à retrouver le schéma.
J'ai remplacé l'ensemble des condensateurs chimiques.
J'ai fais deux essais d'allumage avec et sans lampes, dans le premier cas elles s'allument, mais, comme dans le deuxième, le transfo chauffe anormalement (et craque même), après une dizaine de secondes.
En revanche le plateau tourne sans difficultés.
J'avoue ne pas connaitre grand chose au niveau des branchements et mesures à faire autour d'un transfo pour mesurer son état, ainsi je sollicite une aide.
La seule mesure pertinente que j'ai pu noter, c'est une résistance minime (<0.2 Ohms = court-circuit ?)entre une des bornes voisine de celle raccordée à la masse, et cette dernière.
Merci d'avance,
Enzo
| |
|
| Sujet : Problème transfro Electrophone Radio Star 65 Nouveau | De nanar Le 22-09-2019 à 16:56 sta |
|
Bonjour,
je vois sur la photo un énorme condo de couleur bleu … j'espère que ce dernier ne filtre pas la HT
|
|
| Sujet : Problème transfro Electrophone Radio Star 65 Nouveau | De michel87 Le 22-09-2019 à 16:58 sta |
|
Bonjour,
Peut être des détails dans le N° où est décrit cet appareil, le Haut-Parleur spécial avril 1960.
A vérifier.
Disponible chez Delcampe, mais pour 5 
Le '' craquement'' ne prélude rien de bon...
Le moyen le plus simple pour contrôler le TA est de dessouder les fils du secondaire et de mettre sous tension.
La valeur de 0,2 peut provenir d'un court-circuit mais peut-être aussi de l'enroulement chauffage filaments.
Une photo gros plan du TA pourrait aider.
|
|
| Sujet : Problème transfro Electrophone Radio Star 65 Nouveau | De enzoD Le 22-09-2019 à 17:09 sta |
|
Merci de vos réponses !
J'ai bien fais attention à ce que les nouveaux condensateurs aient les mêmes valeurs que les anciens, niveau polarité, capa, tension admissible, etc...
Le gros condensateur bleu est un double qui remplace deux condo polarisés de 32uF.
Des photos du TA en pièce jointe.
| |
|
| Sujet : Problème transfro Electrophone Radio Star 65 Nouveau | De Pascal Le 22-09-2019 à 18:01 sta |
|
Bonjour. Il faut débrancher tout ce qui est reliés au secondaire, et brancher le secteur en vérifiant bien que l'on est correct sur la tension du primaire. A ce moment si le transformateur continue à craquer, chauffer fortement ou sentir, c'est certainement un court-circuit interne dans l'un des enroulements.
Il faut mesurer les tensions de sortie sur le secondaire de votre transformateur quand celui ci débite à vide. Cela vous permettra de connaître rapidement son état de santé.
Vous pouvez aussi mesurer l'intensité de l'enroulement primaire avec un multimètre. J'ignore la consommation d'un tel produit sur le secteur mais cela ne doit pas dépasser une certaine valeur, une fois les lampes chaudes..
Les UL84 demande 45V 100 ma pour leur chauffage, l'EZ80 6.3V sous 600 mA, l'ECC84 6.3V sous 330 mA. Ce qui donne comme puissance de chauffe environ 15W.
En prenant 10 W de sortie BF cela donne en tout 25 W de consommation + cette du moteur du tourne disque de 5W. Une trentaine de W en tout.
Sans prendre en compte le rendement du transformateur ni celle de l'EZ80 on doit tirer sur une tension de 220Vac: 30/220= 136 mA. Même en doublant cette puissance consommée dans le pire des cas, vous ne devez pas 'croquer' plus de 300 mA sur le secteur. Sinon le transformateur à un problème. Bon courage.
|
|
| Sujet : Problème transfro Electrophone Radio Star 65 Nouveau | De bocq18 Le 22-09-2019 à 19:36 sta |
|
Bonsoir à tous
Il y a quelque chose que je ne comprends pour le chauffage des lampe Est ce bien des UL84? dans le cas d'un chauffage en série cela nous donne 45+45+6.3+6.3 =102.6volts. mais je rejoins Pascal vérifiez d'abord le transfo qui semble bien noir .
Cordialement
Michel
|
|
| Sujet : Problème transfro Electrophone Radio Star 65 Nouveau | De Pascal Le 22-09-2019 à 22:13 sta |
|
Bonsoir Bocq. Je doute que ce soit tout les tubes chauffés en série, vue la grosse différence d'intensité entre eux, 100, 100, 600, 330 mA. A moins d'avoir un jeu de résistances en // assurant en plus une autre forte dissipation.
|
|
| Sujet : Problème transfro Electrophone Radio Star 65 Nouveau | De bocq18 Le 23-09-2019 à 08:40 sta |
|
bonjour
@pascal d'accod alors comment sont chauffées les UL84? à moins qu'il y ait un bobinage spécial pour leur chauffage ,ce que je doute. mais peut-être que De enzoD a mal lu et que que se sont des EL84.
Bonne journée
Cordialement
Michel
|
|
| Sujet : Problème transfro Electrophone Radio Star 65 Nouveau | De EnzoD Le 23-09-2019 à 09:37 sta |
|
Re,
Non, c'est bien 2 UL84 ! 
Merci pour vos réponses !
Juste pour vérifier que je ne fais pas d'erreur : le primaire désigne la partie ''entrée'' du transfo, et le secondaire la partie ''sortie'' ?
Ainsi, on arrive à la conclusion que je met en pièce jointe ?
Enzo
| |
|
| Sujet : Problème transfro Electrophone Radio Star 65 Nouveau | De michel87 Le 23-09-2019 à 10:03 sta |
|
Bonjour,
Oui, le primaire est uniquement constitué des enroulements reliés au secteur via le sélecteur de tension.
Dans le doute, un contrôle à l'ohmmètre confirmera qu'il ne doit y avoir aucun point commun entre les enroulements primaire et les enroulements secondaires.
Où alors un court-circuit entre primaire et secondaire, mais très peu probable. 
Quant au problème de la diversité des tensions de chauffage, je reste moi aussi perplexe.
Mais une chose après l'autre, commençons par le TA 
|
|
| Sujet : Problème transfro Electrophone Radio Star 65 Nouveau | De RETRO25 Le 23-09-2019 à 11:01 sta |
|
bonjour
avez vous d'abord vérifié si le sélecteur de tension secteur au primaire était bien positionné sur 230 VOLTS ?
Au cas contraire, pas étonnant que vous entendiez crépiter dans les enroulements. ( au bout de qq secondes mort du transfo assurée si le sélecteur est sur 110 ou 130 V 
bonne chance …
J.B
|
|
| Sujet : Problème transfro Electrophone Radio Star 65 Nouveau | De EnzoD Le 23-09-2019 à 11:44 sta |
|
Re,
Bien sur que j'ai vérifié ! 
Par contre, on peut noter que ce sélecteur possède un fusible, et qu'il était grillé.
Enzo
|
|
| Sujet : Problème transfro Electrophone Radio Star 65 Nouveau | De Pascal Le 23-09-2019 à 11:57 sta |
|
Bonjour. Quel valeur avait ce fusible ?
Pour contrôler votre intensité primaire consommée par le transfo, mettez votre multimètre en position alternative sur les deux plots du porte fusible en position 230V indiqué sur ce porte fusible et donné nous l'intensité mesurée en mA ou en A. Notez sur le site c'est bien, mais des mesures c'est mieux pour définir une panne...
Quand à votre fusible grillé, cela ne présage rien de bon.
|
|
| Sujet : Problème transfro Electrophone Radio Star 65 Nouveau | De EnzoD Le 23-09-2019 à 12:00 sta |
|
Le fusible avait la valeur de 1A.
Je fais l'ensemble des mesures dès que possible et je reviens vers vous, merci pour vos indications !
|
|
| Sujet : Problème transfro Electrophone Radio Star 65 Nouveau | De michel87 Le 23-09-2019 à 14:35 sta |
|
Bonjour,
Pour qu'un fusible de 1 A se coupe, il faut que son intensité nominale soit dépassée pendant un certain temps ( voir les courbes de fusion dans les spécifications techniques des fusibles ).
Le calibrage de 1A me semble excessif, encore faudrait il connaitre le type de fusion.
Logiquement, il devrait s'agir d'un modèle temporisé ou semi temporisé.
Si c'est un fusible verre 5X20mm, un marquage indique, dans ce cas, ''T ou MT ''.
La coupure de ce fusible indique un passage de courant de 1A, ce qui est dangereux de toute façon pour le TA.
|
|
| Sujet : Problème transfro Electrophone Radio Star 65 Nouveau | De Pascal Le 23-09-2019 à 16:16 sta |
|
Effectivement, un fusible d'un A est énorme pour un petit produit tel que celui ci.Utilisé sous 110/120Vac il doit être largement sur calibré, alors pour le 220/240Vac c'est bien trop gros.
|
|
| Sujet : Problème transfro Electrophone Radio Star 65 Nouveau | De enzoD Le 24-09-2019 à 22:50 sta |
|
Re bonjour,
Après avoir débranché les secondaires 1 et 2, je me rend compte que le circuit est donc ouvert.
Ainsi, aucun courant ne circule dans le transfo.
Ai-je loupé quelque chose ?
Je vous mets les photos en pièce jointe.
Merci encore pour votre aide et votre patience 
Enzo
| |
|
| Sujet : Problème transfro Electrophone Radio Star 65 Nouveau | De Pascal Le 25-09-2019 à 06:28 sta |
|
Bonjour.
Copie: Après avoir débranché les secondaires 1 et 2, je me rend compte que le circuit est donc ouvert
Compliqué de vous comprendre. Une fois tout les fils (repérés) des cosses du secondaire déconnectés du transformateur quelle intensité passe dans le primaire relié au secteur ?
Quelles tensions mesurez vous sur les bornes du secondaire ?
Le transformateur d'alimentation chauffe t'il dans ce cas, sans charge branchée sur ses cosses ?
Ce n'est pas compliqué a faire ces quelques mesures surtout sur un simple tourne disque et de les noter ici.
Il faut faire cela méthodiquement.
Je vous remet les contrôles a faire, secondaire sans charge:
1: Intensité alternative consommé au primaire.
2: Tensions alternatives délivrées à vide sur le secondaire.
3: Surchauffe rapide éventuelle du transformateur d'alimentation.
|
|
| Sujet : Problème transfro Electrophone Radio Star 65 Nouveau | De bocq18 Le 25-09-2019 à 15:52 sta |
|
bonjour
franchement avec les photos je n comprends pas les branchement de votre transfo
Les fisl jaunes et blancs vont'ils vers le sélecteur de tension ?
le mieux serait de nous faire une photo du transfo vue de dessus de manière à voire tous les départs des fils, vers le secteur,vers la HT et vers le chauffage des lampes
Cordialement
Michel
|
|
| Sujet : Problème transfro Electrophone Radio Star 65 Nouveau | De omale 13 Le 25-09-2019 à 16:38 sta |
|
bonjour
le transfo certainement comme cela
voir image >>>>>>>>>>>>>>>>
| |
|
| Sujet : Problème transfro Electrophone Radio Star 65 Nouveau | De Pascal Le 25-09-2019 à 17:30 sta |
|
Le sélecteur de tension primaire est câblé en fils de teinte rouge.
Le soucis est que hormis la résistance de 0.2 ohms pour son premier post, aucune valeur de tension ni d'intensité ne nous est fournie par EnzoD. Difficile de se faire une idée de l'état de son transformateur avec quelques photos et des suppositions variées.
Pour résoudre une panne, il faut des mesures, pas des clichés.
|
|
| Sujet : Problème transfro Electrophone Radio Star 65 Nouveau | De enzoD Le 25-09-2019 à 21:20 sta |
|
Voici les mesures effectuées, avec deux schémas pour les comprendre >>>>>>
Tension cosses 1/4 = 90V
Conso au niveau du selecteur : 5A ( )
résistances entre :
- cosse 3 et 6 : 9,6 Ohms
- cosse 4 et 6 : 0,6 Ohms
- cosse 5 et 6 : 1 Ohm
- cosse 4 et 7 : 311,8 Ohms
- cosse 3 et 7 : 320 Ohms
- cosse 3 et 8 : 600 Ohms
- cosse 4 et 8 : 600 Ohms
- cosse 5 et 8 : 1000 Ohms
Enzo
| |
|
| Sujet : Problème transfro Electrophone Radio Star 65 Nouveau | De enzoD Le 25-09-2019 à 21:21 sta |
|
(sachant que comme indiqué plus haut par Pascal, les sorties du sélecteur entrent directement dans le transfo par un autre côté)
|
|
| Sujet : Problème transfro Electrophone Radio Star 65 Nouveau | De bocq18 Le 25-09-2019 à 22:15 sta |
|
bonsoir
Pour moi 6 7 et 8 représentent les bobinagse HT avec le point milieu en 7donc entre 6 et 7 même résistance qu'entre 7et 8 ; 7 va à la masse .tension environ 280v entre 6et 7 même tension entre 7 et 8. résistance importante de même valeur entre 6 et 7et puis entre 7 et 8
9 et 10 chauffage de la EZ80 résistance faible ,tension 6.3v
1et 3 secteur quelques centaines d'ohms .
4 et 5 chauffage lampe ECC84 résistance de quelques dizaines d'ohms et la cosse 4 à la masse (avec 7) la cosse 5 n'est pas reliée à la masse.Sur votre schéma il y a un court circuit.
pour le deuxième transfo deux cosses A et B (A en haut ) reliées à 1 et 3 puis C reliée au une extrémité du filament de chauffage des UL84 ; D à la masse comme l'autre extrémité du filament de chauffage des UL84
Mais je ne susi pas divin!
Michel
|
|
| Sujet : Problème transfro Electrophone Radio Star 65 Nouveau | De Pascal Le 25-09-2019 à 22:41 sta |
|
Bonsoir. 5A tirés sur le secteur (1000W), c'est Tchernobyl pour votre transformateur et votre tourne disque.
|
|
| Sujet : Problème transfro Electrophone Radio Star 65 Nouveau | De michel87 Le 25-09-2019 à 23:18 sta |
|
Bonsoir,
En effet, 5 A au primaire, avec tous les secondaires déconnectés, le transfo a un problème.
Sous réserve que ce soit bien sur le primaire que l'on ait les 5A.
|
|
| Sujet : Problème transfro Electrophone Radio Star 65 Nouveau | De Pascal Le 25-09-2019 à 23:39 sta |
|
Avec un montage si simple, 2 UL84, 1 ECC84 et 1 EZ80, il est impossible de trouver une intensité de 5A sur le moindre secondaire. EnzoD donne une consommation sur le sélecteur de tension de 5A sans rien sur le secondaire ! 
Sous 230Vac secteur cela fait 1150W environ de consommation. Le primaire du transformateur est cuit, HS, d'ailleurs le fusible d'1A sur le primaire était fondu, comme il relate avant. Il faut rebobiner le transformateur. Bon courage.
|
|
| Sujet : Problème transfro Electrophone Radio Star 65 Nouveau | De bocq18 Le 26-09-2019 à 07:57 sta |
|
Bonjour à tous
Certes c'est une possibilité titanesque de rebobiner tout le transfo.
je pense que l'on peut trouver un petit transfo d'ancien poste de radio en 220v et qui possède une sortie HT d'environ 280v et deux sorties 6.3v.
Cependant il serait bon de trouver pourquoi le primaire a cramé afin de ne pas recommencer avec un nouveau transfo.
Bonne journée
Cordialement
Michel
|
|
| Sujet : Problème transfro Electrophone Radio Star 65 Nouveau | De michel87 Le 26-09-2019 à 10:06 sta |
|
Bonjour,
Transfo HS, certes, mais n'empêche que le jeu de lampes n'est pas ordinaire.
|
|
| Sujet : Problème transfro Electrophone Radio Star 65 Nouveau | De Pascal Le 26-09-2019 à 10:24 sta |
|
Bonjour. Plus le 90V pour les filaments de ses UL84, à moins qu'il les remplace par des EL84, plus courantes, seul la tension et l'intensité filaments changent en mettant les filaments en parallèle, 6.3V, 1520 mA pour bien les faire chauffer + le filament ECC84 de 330 mA.
Il lui faut trouver un transformateur délivrant:
6.3V sous 2.5A pour les filaments de ses tubes amplificateurs avec les filaments recablés.
6.3V 1A pour la redresseuse EZ80.(facultatif)
250 à 280V de HT 100 mA.
Le problème est qu'il s'est appliqué a changer les composants passifs HS,capacités et peut être résistances, sans vérifier au préalable si le transformateur d'alimentation était en bon état et sortait les bonnes tensions aux bons endroits, sur ses cosses.
|
|
| Sujet : Problème transfro Electrophone Radio Star 65 Nouveau | De omale 13 Le 26-09-2019 à 10:57 sta |
|
bonjour
Pascal refait lecture du post et regarde bien la deuxièmes image du 24.09.2019 à 22h50,
quand il signale qui débranche les deux secondaires
|
|
| Sujet : Problème transfro Electrophone Radio Star 65 Nouveau | De bocq18 Le 26-09-2019 à 12:19 sta |
|
bonjour
Il me semble que le deuxième transfo fournissait la tension d'alimentation des filaments des UL84...
michel
|
|
| Sujet : Problème transfro Electrophone Radio Star 65 Nouveau | De Pascal Le 26-09-2019 à 12:34 sta |
|
Bonjour. Il écris qu'il débranche mais peu importe. Sans schéma de principe, même à main levée, juste des dessins couleurs et des photos, ce n'est pas trop suffisant pour comprendre le branchement.
Un schéma pour comprendre le câblage c'est plutôt cela en pièce jointe comme exemple. On sait où vont les liaisons. Un schéma sur papier avec règle et crayon de bois ce n'est pas bien compliqué à faire, surtout une alimentation avec 2 transformateurs et 1 interrupteur. Tout le monde comprend de suite. Plutôt qu'une palanquée de photos diverses. Je sais que c'est à la mode mais cela ne fait pas avancer le smilblick.
| |
|
| Sujet : Problème transfro Electrophone Radio Star 65 Nouveau | De pointcom Le 26-09-2019 à 12:37 sta |
|
Vu les valeurs des enroulements, soit le transfo est mal branché, soit c'est impossible d'avoir 5 A de consommation
|
|
| Sujet : Problème transfro Electrophone Radio Star 65 Nouveau | De stockfish Le 26-09-2019 à 13:01 sta |
|
Peut-être une erreur de lecture. Souvent sur les multimètres bas de gamme, pour mesurer 5 A, il faut placer les cables sur une entrée spécifique sinon pshitt ...
|
|
| Sujet : Problème transfro Electrophone Radio Star 65 Nouveau | De stockfish Le 26-09-2019 à 13:03 sta |
|
Souvent la mesure d'intensités alternatives n'est pas prévue.
|
|
| Sujet : Problème transfro Electrophone Radio Star 65 Nouveau | De EnzoD Le 26-09-2019 à 13:12 sta |
|
J'essaye ce soir de vous faire un schéma le plus clair possible, je m'excuse je suis un p'tit jeune à la mode je pensais gagner en clarté avec ces schémas.
|
|
| Sujet : Problème transfro Electrophone Radio Star 65 Nouveau | De bocq18 Le 26-09-2019 à 13:43 sta |
|
bonjour à tous
@ De EnzoD vous êtes excusé.
Quand j'étais au lycée les profs(sauf celui de français) n'arrêtaient pas de nous rabâcher '' un bon schéma vaut mieux qu'un long discours ''
faites nous un bon schéma ,à la main ,en précisant où vont les fils secteur, les fils du chauffage des filaments des lampes .en regardant par dessous vous verrez 9 broches ,en partant de la broche 1 et en tournant dans le sens des aiguilles d'une montre,le chauffage sont les broches 4 et5 .voir fichier joint.
Michel
| |
|
| Sujet : Problème transfro Electrophone Radio Star 65 Nouveau | De Pascal Le 26-09-2019 à 14:09 sta |
|
Bonjour. Ne prenez pas la mouche. En électronique le schéma compréhensible est primordial. Je note peu être comme un vieux mais j'ai appris l''électronique sur des bouquins, pas sur le net, et dans les bouquins il a des schémas complets ou partiels permettant de voir 'électriquement' ce que l'auteur de l'article décrit dans le texte. Pas trop de photo à l'époque ou alors en noir et blanc et de manière épisodique. En même temps, à lire de la bonne littérature on apprend a faire sois même des schémas. Il est vrais que des livres cela a une durée plus grande que la vue éphémère sur un écran d'ordinateur et qu'il est possible de les consulté en tout temps et en n'importe quel lieu tant qu'il a assez de lumière (même naturelle) pour voir. Un schéma de transformateur est d'une grande simplicité à faire, 2 rectangles et un trait ou deux au milieu. Puis les entrées d'un côté et les sorties de l'autre.
Un vieux synoptique d'une alimentation secteur pour un récepteur de l'armée de l'air BC-348.
C'est du schéma tout-venant mais lisible.
| |
|
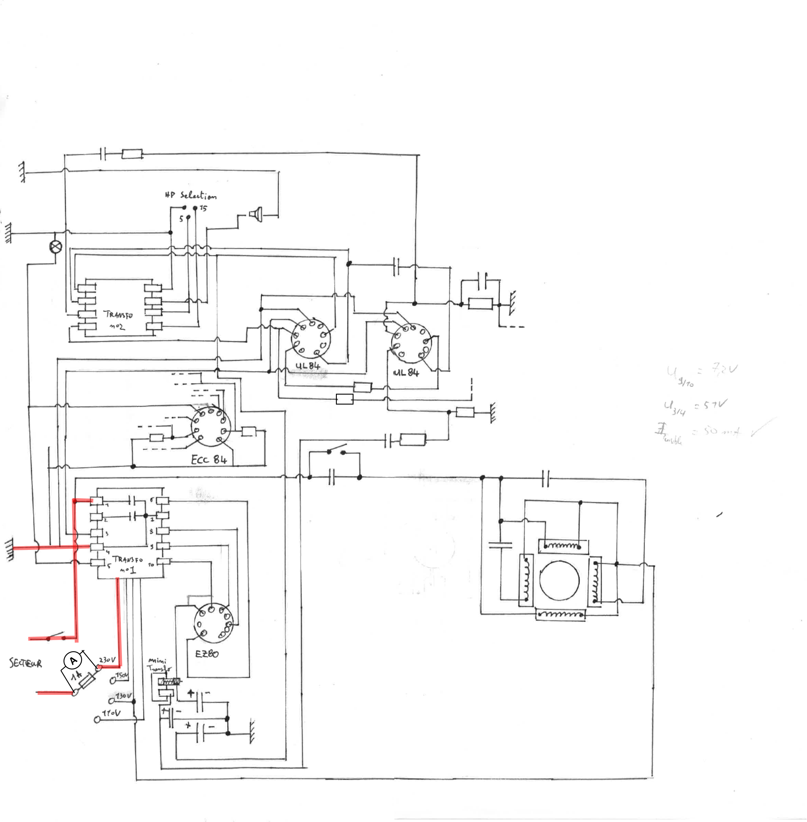
| Sujet : Problème transfro Electrophone Radio Star 65 Nouveau | De EnzoD Le 27-09-2019 à 09:25 sta |
|
Des nouvelles :
Hier soir, j'ai réalisé un plan ''partiel'' qui comporte quasi la totalité de l’électrophone, à l’exception du circuit de tonalité.
Ayant du coup vérifié les branchements j'ai refais des tests de consommation en mettant mon ampèremètre à la place du fusible de 1A, et je trouve la valeur de...... 50mA. (voir second schéma pour voir les branchements effectués).
Mesures supplémentaires :
Tension cosses 9/10 = 7,2V
Tension cosses 3/4= 51V
De plus, j'ai pu remarquer des branchements étranges au niveau des lampes ECC84 et EZ80, qu'en pensez-vous ? Les broches 3-4 de la EZ80 et 4-5 de la ECC84 sont en court-circuit.
Ces branchements sont d'origine.
J'enrichirait ce WE le schéma des valeurs des différentes capa et résistances.
Enzo
| |
|
| Sujet : Problème transfro Electrophone Radio Star 65 Nouveau | De EnzoD Le 27-09-2019 à 09:28 sta |
|
PS : j'ai vérifié de nombreuses fois le schéma, mais une erreur n'est pas impossible donc si certains branchements vous intriguent n'hésitez pas à le signaler et j'irai vérifier.
Enzo
|
|
| Sujet : Problème transfro Electrophone Radio Star 65 Nouveau | De stockfish Le 27-09-2019 à 10:12 sta |
|
Pas tout regardé car faut que je me mette à bosser mais la connexion 3-4 sur l'ez80 n'a rien d'étonnant. Cathode et filament sont ainsi au même potentiel.
Ce que vous appelez mini-transfo est en fait une self de filtrage. On la représente avec un simple enroulement.
|
|
| Sujet : Problème transfro Electrophone Radio Star 65 Nouveau | De Pascal Le 27-09-2019 à 10:22 sta |
|
Bonjour. Votre schéma est un schéma de câblage pas un schéma de principe.
Le transfo 2 semble être le transformateur de modulation pour le HP.
Pour votre ECC84 si les broches 4 et 5 sont reliées, ses filaments ne peuvent chauffer puisque c'est à ces broches qu'arrive le 6.3V chauffage.
Les sorties 3 et 4 du transfo 1 assurent le chauffage des UL84, filaments montées en parallèle. 45V normalement.
Les sorties 6 et 8 du transfo 1 sont les extrémités HT, la sortie 7 le point milieu à la masse.
Les sorties 9 et 10 du transfo 1 assure le chauffage de l'EZ80 6.3V.
La valeur de la consommation secteur de 50 mA c'est avec ou sans les tubes ?
|
|
| Sujet : Problème transfro Electrophone Radio Star 65 Nouveau | De EnzoD Le 27-09-2019 à 10:52 sta |
|
Re,
La conso de 50mA est obtenue en suivant les branchements du schéma 2, avec donc le secteur sur le sélecteur de tension et sur la cosse 1, et la masse sur la cosse 4. Les autres cosses sont débranchées.
Si je résume, j'obtiens 1V de trop pour le chauffage de l'EZ80, et 6V de trop pour le chauffage des UL84, et l'ECC84 ne chauffe pas car chauffage en court-circuit.
|
|
| Sujet : Problème transfro Electrophone Radio Star 65 Nouveau | De michel87 Le 27-09-2019 à 11:22 sta |
|
Bonjour,
'' L' ECC84 ne chauffe pas car chauffage en court-circuit.''
Physiquement, il y a un pont entre les broches 4 et 5 sur le support?
|
|
| Sujet : Problème transfro Electrophone Radio Star 65 Nouveau | De EnzoD Le 27-09-2019 à 11:24 sta |
|
''Physiquement, il y a un pont entre les broches 4 et 5 sur le support? ''
Eh oui... les deux broches sont en contact (une des deux est tordue) et l’étain recouvre l'ensemble
|
|
| Sujet : Problème transfro Electrophone Radio Star 65 Nouveau | De michel87 Le 27-09-2019 à 11:42 sta |
|
Si ces deux broches sont en contact, la tension de sortie 6,3 V du transfo d'alim débite sur
un court circuit.
Dans ce cas, il est normal que le TA chauffe exagérément.
|
|
| Sujet : Problème transfro Electrophone Radio Star 65 Nouveau | De Pascal Le 27-09-2019 à 12:04 sta |
|
Je vous joins des documentations Mazda sur les tubes que vous employez dans votre électrophone.
Hormis la tension e l'intensité filament de l'UL84 de 45V 100 mA au lieu des 6.3V 760 mA de l'EL84, le brochage est identique.
| |
|
| Sujet : Problème transfro Electrophone Radio Star 65 Nouveau | De XYZ du 56 Le 27-09-2019 à 12:31 sta |
|
En principe, un c/c (un vrai c/c!) sur une sortie de transfo d'alim. se traduit, au mieux, par le fusible primaire qui lâche; et s'il n'y a pas de fusible le transfo ne chauffe pas exagérément mais, très, très rapidement, fume et... crame.
|
|
| Sujet : Problème transfro Electrophone Radio Star 65 Nouveau | De pointcom Le 27-09-2019 à 13:13 sta |
|
Etes vous sur qu'à l'origine c'était une ECC84, parce qu'une ECC83 comporte 2 filaments en 4-9 et 5-9, il était courant de relier 4 et 5 et de raccorder les filaments en 4,5 et 9
|
|
| Sujet : Problème transfro Electrophone Radio Star 65 Nouveau | De Masterorion Le 27-09-2019 à 13:52 cms |
|  |
+1, voir ce dessous (tiré de wikipedia)

|  |
|
|
| Sujet : Problème transfro Electrophone Radio Star 65 Nouveau | De EnzoD Le 27-09-2019 à 14:07 sta |
|
Oula très juste c'est bien une ECC83 / 12AX7... 
Schéma corrigé >>>
Je vérifie ce soir les tensions de chauffage.
Peut-on imaginer ajuster ces tensions à l'aide de résistances si elles sont différences de celles requises par les lampes à quelques Volts près ?
| |
|
| Sujet : Problème transfro Electrophone Radio Star 65 Nouveau | De stockfish Le 27-09-2019 à 15:54 sta |
|
La tension secteur aujourd'hui est plus proche des 240 V que des 220 V prévus sur le sélecteur pour alimenter ce pick-up donc c'est normal que vous ayiez des tensions à vide lègèrement supérieures à ce qu'elles étaient il y a 50 ans. Ensuite, en charge, c'est à dire lorsque les lampes sont placées, la rèsistance interne du transfo fera que les tensions aux connections filaments seront encore diminuées. Pour ma part, j'ai quelques appareils prévus pour 220 V, qui fonctionnent sur 240 faute de mieux. Les lampes ce n'est pas si fragiles que ça.
|
|
| Sujet : Problème transfro Electrophone Radio Star 65 Nouveau | De omale 13 Le 27-09-2019 à 17:47 sta |
|
RE
il y a incohérence sur la sortie cathode de la EZ80 (image du 27.09.19 à 14h07)
et la ou cela aboutit ,départ du deuxièmes condo et du troisième
|
|
| Sujet : Problème transfro Electrophone Radio Star 65 Nouveau | De EnzoD Le 27-09-2019 à 18:28 sta |
|
C'est à dire, pourriez-vous détailler ?
J'ai trouvé un branchement relativement similaire sur le schéma ci-joint
Enzo
| |
|
| Sujet : Problème transfro Electrophone Radio Star 65 Nouveau | De stockfish Le 27-09-2019 à 19:55 sta |
|
remplacez mini transfo par self de filtrage ce sera plus clair. Ka sortie cathode semble connectée en tête de filtre comme il se doit.
|
|
| Sujet : Problème transfro Electrophone Radio Star 65 Nouveau | De enzoD Le 27-09-2019 à 20:35 sta |
|
C'est modifié >>
Mesures actualisées :
- U = 238V
- U[2-3] = 67.5V
- U = 61.5V
- U[4-5] = 7.2V
- U[5-6] = 7.5V
- U[6-7] =U[7-8] = 410V
- U[9-10] = 7.2V
Qu'en pensez-vous ?
L'état semble correct, c'était sans doute un mauvais branchement qui causait les soucis précédent.
Par quoi commencer pour rebrancher l'ensemble petit à petit ?
|
|
| Sujet : Problème transfro Electrophone Radio Star 65 Nouveau | De enzoD Le 27-09-2019 à 20:36 sta |
|
| |
|
| Sujet : Problème transfro Electrophone Radio Star 65 Nouveau | De omale 13 Le 27-09-2019 à 20:40 sta |
|
RE
a mon avis erreur sur dessin par rapport
à la réalité ,
| |
|
| Sujet : Problème transfro Electrophone Radio Star 65 Nouveau | De Pascal Le 28-09-2019 à 08:57 sta |
|
410Vac cela semble vraiment élevée comme valeur de HT, même sur un amplificateur BF. Vous êtes certain la précision de vos mesures qui semblent toutes 'boostées' ?
410Vac redressée cela donne théoriquement près de 580Vcc. Vos tubes ne vont pas apprécier cette valeur de HT si elle s'avère exacte. Vous devriez refaire vos mesures.
Sinon pour le recâblage vous remettez les fils où ils étaient, après avoir bien nettoyé les cosses où ils se raccordent. Je suppose que vous les avez repérés avant de les déconnecter du transformateur. Et trouvé la cause qui faisait 'sauté' le fusible sur le primaire.
Une dernière chose êtes vous certain de la bonne qualité des quelques tubes de votre amplificateur, pente et vide pour la double triode et les penthodes ?
Pour l'EZ80, le courant débité ?
|
|
| Sujet : Problème transfro Electrophone Radio Star 65 Nouveau | De enzoD Le 30-09-2019 à 23:43 sta |
|
Schéma corrigé suite à la remarque (fondée donc) de omale13 >>>>
Après vérif' j'obtient bien 407Vac. Pour info l'ancienne EZ80 était très très noire.
La cause du saut de fusible est toujours inconnue à ce jour.
Mais les craquements et surchauffe du transfo ont disparu, à voir s'ils réapparaissent lors des tests de branchement
| |
|
| Sujet : Problème transfro Electrophone Radio Star 65 Nouveau | De Pascal Le 01-10-2019 à 09:49 sta |
|
Bonjour. Vos. 407V c'est une tension mesuré entre les broches 6/8 ou entre les broches 6/7 et 7/8 de votre transformateur d'alimentation ?
Si c'est entre 6/8 ce n'est pas grave car le point milieu HT est en 7.
Si c'est la seconde combinaison ( 407V entre 6/7 et 407V entre 7/8) cela semble être des tensions particulièrement élevées pour un produit grand public.
Vous n'avez pas noté si vos tubes étaient en bon état, pente, vide et absence de court-circuit interne. Cela se contrôle avec un lampemètre sérieux, style Métrix 310 ou U61 pas avec un Eurelec ou gadget de même conception.
Avant de rebrancher les différents fils sur les broches du secondaires, puisque votre transformateur ne surchauffe plus sans charge sur le secondaire, allez y par étapes.
Après contrôle de la bonne santé de vos 4 tubes:
-Contrôlez visuellement qu'il n'y a pas de court-circuit entre les différentes cosses des supports de tubes. Les supports de tube n'étant pas en céramique blanche ont souvent des défauts, suite à leurs âges avancés.
-A la place du fusible branchez un multimètre en ampèremètre alternatif , celui ci ne devant pas mesurer plus d'un ampère sur le secteur lors de vos tests. Un appareil à aiguille genre Métrix 462 ou un Monoc est recommandé.
-Remettez les tubes en place dans leurs supports respectifs
-Ressoudez d'abord les fils assurant la chauffe des filaments de vos lampes, sans branchez les fils HT en 6/7/8.
-Mettez la tension secteur sur le primaire du transformateur.
-Patientez et voyez si le transformateur réagit bien. Vérifiez visuellement le chauffage des tubes. Lisez la consommation alternative sur le primaire.
-Ensuite ressouder les fils HT et 6/7/8 et voyez si l'amplificateur fonctionne bien sans ronflette. Et que le transformateur ne soit pas devenu un radiateur électrique. Le transformateur peu chauffer c'est normal mais jamais fumer ni dégager d'odeur de brûlé.
|
|
| Sujet : Problème transfro Electrophone Radio Star 65 Nouveau | De f6cer Le 01-10-2019 à 11:17 sta |
|
Bonjour
Avant toute chose , vérifiez bien a l’Ohmmètre la continuité des enroulements haute tension du transformateur
|
|
| Sujet : Problème transfro Electrophone Radio Star 65 Nouveau | De F1FTP Le 01-10-2019 à 19:50 sta |
|
Bonsoir a tous
Un coup d’ohmmètre sur les primaires du transfo de sortie ferait avancer le schmilblick ,mètre des valeurs sur les résistances aussi.
J'ai essayé de faire un schéma a partir des données fractionnaires du relevé,mais entre les bouts de fils qui n'aboutisses a rien,et les incohérences c'est pas gagné.
Cordialement
Philippe
|
|
| Sujet : Problème transfro Electrophone Radio Star 65 Nouveau | De enzoD Le 10-10-2019 à 22:27 sta |
|
Court-circuit du transfo trouvé !
Entre les deux sorties HT du transfo (6-8) et le point milieu (7), j'observe des résistances de 325 et 307 Ohm.
Or, primaire branché, la résistance entre la sortie HT 6 et le pt milieu tombe à 0.
La cause, cette sortie est en court-circuit avec la sortie 4, qui est à la masse, et qui est reliée à la sortie 7.
|
|
| Sujet : Problème transfro Electrophone Radio Star 65 Nouveau | De Pascal Le 10-10-2019 à 22:51 sta |
|
Bonsoir. Faites un schéma car si vous avez une liaison entre le primaire et le secondaire de votre transformateur, avec ou sans secteur, la liaison (court-circuit) existe aussi.
Mesurer une résistance sur un transfo sous tension est une première dans le domaine amateur. Je ne connaissais pas encore cette manière de mesure.
Quand a la liaison à la masse des bornes 4 et 7 c'est le schéma normal.
|
|
| Sujet : Problème transfro Electrophone Radio Star 65 Nouveau | De enzoD Le 10-10-2019 à 23:08 sta |
|
La mesure a été effectuée hors tension, mais avec uniquement le primaire câblé. (le terme ''branché'' est trompeur).
Ce que je dis simplement c'est que les bornes 4 et 6 sont en court-circuit, secondaire raccordé ou non. Comme les bornes 4 et 7 sont reliées, on obtient un court-circuit entre 6 et 7, qui sont les deux bornes d'une des sorties HT.
Schéma ci-joint.
| |
|
| Sujet : Problème transfro Electrophone Radio Star 65 Nouveau | De Pascal Le 11-10-2019 à 01:01 sta |
|
Les bornes 4 (masse filaments) et 7 point milieu HT sont reliés à la masse, câblage standard.
Bornes 6 et 7 en court-circuit.
Copie de votre message de 22H27
Entre les deux sorties HT du transfo (6-8) et le point milieu (7), j'observe des résistances de 325 et 307 Ohm.
Or, primaire câblé, la résistance entre la sortie HT 6 et le pt milieu tombe à 0.
Que le primaire soit câblé ou non, et l'inverse, secondaire câblé ou non, les résistances sur l'autre enroulement n'ont aucune variation quand on y fait les mesures avec un ohmètre.
|
|
| Sujet : Problème transfro Electrophone Radio Star 65 Nouveau | De EnzoD Le 11-10-2019 à 09:40 sta |
|
La mise à la masse (4) du point milieu (7) est faite par un câble que j'avais déconnecté lors de mes tests de consommation du transfo à vide.
Dans cette configuration-là, on obtient les valeurs correctes de résistance. (en connectant uniquement les cosses 1 et 4 du transfo).
Mais une fois l'ensemble des câblages remis en place sur le secondaire, comprenant la mise à la masse du point milieu, le court-circuit apparaît.
|
|
| Sujet : Problème transfro Electrophone Radio Star 65 Nouveau | De Pascal Le 11-10-2019 à 11:36 sta |
|
Votre transformateur est en court-circuit sur un demi secondaire HT. Il n'y a plus qu'a le remplacer.
|
|
|