| Sujet : Réglage amplificateur wurlitzer 545 pour jukebox Nouveau | De DD63Fr Le 27-01-2019 à 17:07 sta  |
|
Bonjour à tous, je suis en train de rénover un ampli 545 pour wurlitzer 2800, j ai changé un transfo de sortie qui est hs.
Je viens de remplacer tous les condensateurs chimiques et aussi ceux qui était hors tolérance. De même pour les résistances, y avais d’un mal de fait 95% hors tolérance.
J ai pas encore change les tubes. Sur l ampli s origine il y avais une 7199 hs, une 7973 de puissance hs et un en 12ax7a.
Je test donc l ampli coté par côté en utilisants les tubes restants, par contre j ai un soucis avec les lampes de puisssance. Le côté gauche est ok j ai du son en sortie avec une qualité correcte. Par contre une des lampes de sortie est très chaude ( brûlante même ) et l’autre est à une température correcte . Pouvez vous m’aider? Il’yna Un réglage ? Ou une point à contrôler?
J ai teste les lampes avec un lampemetre basique eurelec.
Merci d avance bonne’ journee et bonne fin de week-end
David
|
|
| Sujet : Réglage amplificateur wurlitzer 545 pour jukebox Nouveau | De americanradios Le 27-01-2019 à 17:54 sta |
|
Bonjour, d'après le schéma que j'ai trouvé, très peu lisible d'ailleurs, il n'y a pas de moyen prévu pour équilibrer le débit des deux tubes de sortie du push-pull. Les deux cathodes sont réunies avec une résistance unique, à la masse, découplée par une capa.
La première chose est de vérifier les tensions de plaque, d'écran, de cathode des deux tubes.
D'après le montage, les tensions de cathodes seront de fait identiques.
Dans un montage comme celui-ci, seule solution : utiliser des tubes appairés.
Ou modifier le schéma... Cathodes avec chacune une résistance très faible à la masse (ne servant que pour mesurer le débit), création d'une polarisation négative d'une vingtaine de volts avec réglages séparés sur chacune des deux grilles pour faire débiter les tubes indépendamment l'un de l'autre.
|
|
| Sujet : Réglage amplificateur wurlitzer 545 pour jukebox Nouveau | De DD63Fr Le 27-01-2019 à 19:33 sta |
|
Salut americanradios, merci pour ton retour effectivement les lampes ne sont pas appairée c une du côté gauche et une du côté droit.
Pour mesurer les tensions de plaque , écran cathode je peux le faire directement sur l ampli ou il y a un risque?
On m a dis que je pouvais cramer les transfo si le déséquilibre venait d un tube mauvais. Mais pourtant j ai du son sur l’ampli plutôt correct .
Merci encore de votre aide je suis novice sur les amplis tubes , j ai fais que des amplis à transistor
:)
J ai un lampemetre eurelec j ai testé le minimum.
Merci de votre retour
Bonne soirée
David
|
|
| Sujet : Réglage amplificateur wurlitzer 545 pour jukebox Nouveau | De americanradios Le 27-01-2019 à 19:48 sta |
|
Bonsoir David, Effectivement un déséquilibre trop important peut cramer le transfo de sortie.
Les mesures des tensions se font sur l'ampli en marche mais bien sur avec les précautions liées aux tubes : les tensions d'alimentation sont très élevées en particulier sur les amplis de Jukebox qui se devaient d'être puissants. La HT doit se situer autour de 380 à 400 volts.
Je ne connais pas le lampemètre Eurelec mais il teste peut-être l'émission de la lampe et cela donne une idée quand même sur son état.
D'autre part, ce qui peut faire chauffer un tube c'est un condensateur de liaison vers la grille qui fuit. Dans ce cas, une tension positive passe vers la grille de la lampe qui suit.
Surtout ne pas cramer un transfo de sortie. est-ce qu'il chauffe anormalement ?
|
|
| Sujet : Réglage amplificateur wurlitzer 545 pour jukebox Nouveau | De DD63Fr Le 27-01-2019 à 20:03 sta |
|
Salut merci pour le retour, oui bien sur attention y a qd même 390v :).
Oui j ai testé l emmission des tubes elle sont à 50/80 ( 80 étant un tube neuf )
J ai pas regardé si il chauffe bcp.
Du coup tu me conseil de faire quoi? Mesurer la tension? Changer les tubes ?
J ai changé presque tout les condensateurs sauf les petits en pastilles.
Merci encore de ton aide
Bonne soirée
David
|
|
| Sujet : Réglage amplificateur wurlitzer 545 pour jukebox Nouveau | De Pascal Le 27-01-2019 à 22:30 sta |
|
Bonsoir.
Et lorsque vous inversez les tubes, avez vous les mesures qui suivent ?
Quand à la validité des mesures d'un lampemètre Eurelec, autant vouloir mesurer des microns avec un pied à coulisse au 1/50e de mm.
|
|
| Sujet : Réglage amplificateur wurlitzer 545 pour jukebox Nouveau | De DD63 Le 28-01-2019 à 17:47 sta |
|
J'ai pas encore fait les mesures, je regarde dans la semaine. J'aimerai ajouter le réglage du bias, j'ai fais un schéma pour séparer la polarisation et mesurer via une résistance . Pouvez vous m'aider je pense qu'il faut changer la résistance avec un potar, mais comment faire?
Merci de votre aide
Bonne soirée
David
| |
|
| Sujet : Réglage amplificateur wurlitzer 545 pour jukebox Nouveau | De Radiolo Le 28-01-2019 à 19:22 sta |
|
vous voulez mesurer vos courants anode
rien de plus simple aucune modif a faire , rien besoin de debrancher
ampli arrete:
vous mesurez la resistance de chaque en roulement primaire de vos transfo de sortie.
entre le point milieu relie a le HT et chaque sortie plaque.
notez soigneusement ces résistances en face de chaque enroulement car cela re servira ……
ensuite ampli en fonctionnement
mesurez la chute de tension dans chaque 1/2 primaire du transfo de sortie ( entre point mileu et plaque)
ensuite appliquez le formule magique U=R * I ou I = U / R
U est la tension aux bornes du demi primaire en volts
R est la resistance en ohms du demi primaire ou vous aves mesure la tension
I est le courant plaque en ampères du tube raccorde a ce demi primaire
|
|
| Sujet : Réglage amplificateur wurlitzer 545 pour jukebox Nouveau | De DD63Fr Le 28-01-2019 à 19:30 sta |
|
Salut merci pour les infos, j aimerai aussi ajouter le réglage biais le 2nd schéma est celui d origine, je veux doubler le circuit comme sur le premier schéma et ajouter un potentiomètre de réglage . Mais je c pas comment faire le circuit si vous pouvez m’aider .
Merci d avance
Bonne soirée
David
|
|
| Sujet : Réglage amplificateur wurlitzer 545 pour jukebox Nouveau | De Radiolo Le 28-01-2019 à 21:05 sta |
|
avant de modifier un ampli qui a été fabrique par des spécialistes ( wurlitzer c'était pas des rigolots)
ces amplis la tournaient 24H/24………
faites les mesures indiquées on verra ce qu'il en ressort
panne ou tubes fatiques hors tolérances
connaissant la tension grille , la tention plaque et le courant plaque on peut placer le point de fonctinnement dans le reseau de caractéristiques et savoir ce qu'il en est
|
|
| Sujet : Réglage amplificateur wurlitzer 545 pour jukebox Nouveau | De Radiolo Le 28-01-2019 à 21:41 sta |
|
|
|
| Sujet : Réglage amplificateur wurlitzer 545 pour jukebox Nouveau | De Radiolo Le 28-01-2019 à 21:49 sta |
|
|
|
| Sujet : Réglage amplificateur wurlitzer 545 pour jukebox Nouveau | De DD63Fr Le 28-01-2019 à 23:31 sta |
|
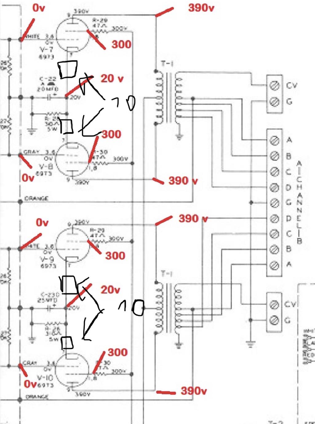
Bonsoir oui c bien des 6973 pardon erreur de frappe, voici les relevés:
les deux tubes sont bien brûlant du moins sur le côté droit.
Tension 6973 haut : 375v
Tension 6973 bas : 372v
Cathode : 21v
Grille: 0.02v
J ai monté une résistance de 10ohms en série sur les anises
Resistance tube haut:268mv
Resistance tube bas: 328mv
Cordialement
|
|
| Sujet : Réglage amplificateur wurlitzer 545 pour jukebox Nouveau | De F6CER Le 29-01-2019 à 00:16 sta |
|
|
|
| Sujet : Réglage amplificateur wurlitzer 545 pour jukebox Nouveau | De americanradios Le 29-01-2019 à 01:00 sta |
|
Ces mesures sont parfaitement normales. En tout cas, les 5mA de différence entre les deux tubes du même PushPull ne risquent rien pour le transfo. Pour ma part, je ne ferai pas de modifications particulière. Si ce n'est, quand vous aurez les deux autres tubes de puissance, de les accoupler par proximité de débit et c'est tout.
|
|
| Sujet : Réglage amplificateur wurlitzer 545 pour jukebox Nouveau | De Tubologic Le 29-01-2019 à 02:17 sta |
|
Tout dépend de ce que vous entendez par ''brûlant''... 65°C au toucher est déjà à la limite du supportable pour l'humain mais bien en-dessous de la t° moyenne externe acceptable d'un tube de puissance qui peut atteindre et même dépasser les 100°C. Les 6973 sont ''poussées'' assez fort dans ce type d'amplis et il est normal qu'ils chauffent fort. Vos mesures ne révèlent d'ailleurs rien d'alarmant. En cas de dépassement de sa dissipation maximale, le tube se signalera par un rougissement plus ou moins étendu de sa plaque (à contrôler dans l'obscurité), ce qui est TOUJOURS le signe d'une anomalie à corriger. Certaines 6973 sont également connues pour développer un courant de grille (vide imparfait), ce qui entraîne un emballement et rougissement de la plaque après 10 à 15 minutes de fonctionnement (à surveiller). Le seul remède consiste alors à remplacer le tube. Comme je l'ai déjà signalé dans un autre fil, la reproduction moderne de la 6973 (EH) n'a pas la robustesse des originales (RCA) et ne supporte pas très longtemps les caractéristiques limites spécifiées. Dans votre Wurlitzer elles ne tiendront pas très longtemps si vous ne modifiez pas le circuit de polarisation pour réduire le courant plaque à max. 20mA (et encore...). Il est toujours recommandé de monter une résistance de retour dans les cathodes de chaque tube (10 ohms/1w convient), ce qui vous permettra de mesurer facilement et sans risques les courants débités, mais aussi de protéger le transformateur de sortie en cas de défaillance sévère: la résistance partira en fumée mais le transfo sera préservé. Généralement j'utilise pour ces applications des résistances dite de ''sécurité'' (dites aussi ''safety'', ou ''non-flammable'') qui se coupent discrètement en cas de surcharge (comme un fusible) sans flammes, fumées âcres ou risque d'incendie...
|
|
| Sujet : Réglage amplificateur wurlitzer 545 pour jukebox Nouveau | De Tubologic Le 29-01-2019 à 02:28 sta |
|
Et j'oubliais: il est IMPÉRATIF de remplacer les condensateurs de liaison aux grilles d'attaque des 6973 car ces derniers sont généralement en fuite et dépolarisent les tubes. Mais je suppose que cela a déjà été fait ? Il ne s'agit pas d'une question de ''tolérance'' (les capas peuvent avoir la valeur correcte à la mesure) mais d'une isolation imparfaite (courant de fuite) qui généralement s'aggrave avec la montée en t° ,la tension appliquée, et l'âge du composant !. Ces anciennes capas (technologie au papier) doivent systématiquement toutes être remplacées sur ce type d'appareils pour un fonctionnement stable et fiable.
|
|
| Sujet : Réglage amplificateur wurlitzer 545 pour jukebox Nouveau | De DD63Fr Le 29-01-2019 à 08:47 sta |
|
Bonjour merci de vos retours, j ai changé l ensemble des condensateurs donc de ce côté là c ok
J ai ajouté le schéma avec ajout des résistances de 10ohms c ok?
J utilise des vieux tubes pour le moment.
Du coup comment modifier la polarisation pour limiter à 20ma?
Autre question quelle est la limite Max entre 2 lampes ?
Merci de votre aide
Bonne journée
David
| |
|
| Sujet : Réglage amplificateur wurlitzer 545 pour jukebox Nouveau | De Radiolo Le 29-01-2019 à 09:11 sta |
|
pourquoi voulez vous modifier la polarisation ?
le constructeur recommande ceci en push pull classe AB1
vous etes déjà au desssous de ce qui est recommande74mA pour 2 tubes soit 37mA / tube
descendre a 20mA fera sans doute augmenter la distorsion
si vous modifiez le système de polarisation ( passage d'un polarisation par la cathode a une polarisation fixe) il vous faudra sans doute ( a regarder) modifier aussi les résistances de grille qui dans ce dernier cas ne doivent pas depasser 0.5Mohms
si votre schema utilise des 1Mohms, le remplacement par des 0.5 Mohms modifira de gain du tube driver
pour la T) des tubes pas d'inquietude ils peuvent monter a 200° ( voir la doc)
| |
|
| Sujet : Réglage amplificateur wurlitzer 545 pour jukebox Nouveau | De Tubologic Le 29-01-2019 à 10:23 sta |
|
Comme précisé dans mon poste précédant (merci de relire) il ne faut modifier la polarisation QUE si vous envisagez d'utiliser des 6973 de fabrication actuelle (EH, d'origine russe), ceci pour maintenir la dissipation plaque en-dessous de 10W. Au-delà (croyez mon expérience ou non) des problèmes de fiabilité vont se présenter très rapidement avec les tubes modernes qui ne supportent pas les caractéristiques limites données par RCA. (12 watts de dissipation plaque max, qui sont déjà pratiquement atteints dans ce circuit). La réduction du courant de repos n'aura qu'une incidence très faible sur la distorsion (il s'agit d'un Juke-Box, non d'un ampli Hi-Fi audiophile) mais un effet bénéfique certain sur la FIABILITÉ et la durée de vie des tubes. Pour réduire le courant de repos Il n'y a aucun changement à faire au circuit, seulement augmenter légèrement la valeur de la résistance de cathode (polarisation) en la portant de 340 (valeur d'origine) à 390 ohms ou un peu plus. Si vous utilisez des tubes 6973 américains originaux de bonne qualité (RCA, G.E, etc...) AUCUNE modification n'est nécessaire et vous pouvez utiliser l'ampli tel que conçu initialement par le fabricant.
|
|
| Sujet : Réglage amplificateur wurlitzer 545 pour jukebox Nouveau | De Radiolo Le 29-01-2019 à 11:11 sta |
|
moralite : utiliser des originaux et pas des copies d'europe de l'est ou de chine…….
la modif de la R de cathode est la plus simple et efficace et n'oblige a rien modifier ailleurs
|
|
| Sujet : Réglage amplificateur wurlitzer 545 pour jukebox Nouveau | De Pascal Le 29-01-2019 à 12:51 sta |
|
Bonjour.
La doc RCA du 6973, bien complète.
Comme indiqué dans cette documentation sur la deuxième page, le tube peut monter à 250°C, attention cela chauffe fort les doigts.
| |
|
| Sujet : Réglage amplificateur wurlitzer 545 pour jukebox Nouveau | De DD63Fr Le 29-01-2019 à 13:47 sta |
|
Salut Tubologic, j ai bien lu ton mail, j ai acheté 4 tubes d occasions anciens et 4 neuf eh neuf ( russes).
Du coup j aurais besoin de faire l adaptation pour ne pas détériorer les eh.
La résistance de base était de 310 ohms, elles étaient hors tolérance je les ai remplacé par des 330ohms. Les mesures que j ai fais sont avec les 330ohms.
J augmente donc la résistance a 400ohms et je mesure la résistance de 10ohms que j ai mi sur le schéma en pièce jointe ( résistance noir) pour avoir moins de 20ma c sa?
Merci encore de votre aide
Bonne journée
David
| |
|
| Sujet : Réglage amplificateur wurlitzer 545 pour jukebox Nouveau | De Radiolo Le 29-01-2019 à 14:07 sta |
|
|
|
| Sujet : Réglage amplificateur wurlitzer 545 pour jukebox Nouveau | De DD63Fr Le 29-01-2019 à 17:02 sta |
|
Merci pour votre aide
Une autre petite question comment connaître l état du tube ( usure)
Merci d avance
Bonne soirée
David
|
|
| Sujet : Réglage amplificateur wurlitzer 545 pour jukebox Nouveau | De Radiolo Le 29-01-2019 à 20:46 sta |
|
mesures sur l'ampli
voir les explications de mon post du 28/01/3019 a 21h 05
si vous croyez que l'on emportait un lampemetre pour depanner un ampli sur site……..
et on ne rajoutait pas de 10 ohms dans les plaques……..
voltmetre et ohmetre suffisent ainsi que le reseau de courbes du tube (ce dernier n'est pas necessaire quand on connait le courant de repos nominal des tubes)
|
|
| Sujet : Réglage amplificateur wurlitzer 545 pour jukebox Nouveau | De Tubologic Le 29-01-2019 à 23:20 sta |
|
Votre schéma annoté est incorrect ! : il ne faut PAS mettre de résistances dans les circuits de plaque. C'est inutile et même dangereux car si une de ces résistances venait à se couper la grille écran (toujours alimentée) se comporterait en plaque et le tube s'auto-détruirait en quelques instants. Si vous voulez installer des résistances de mesure/protection de 10 ohms ces dernières doivent toujours être placées dans le circuit de retour CATHODE des 6973 (en série entre la pin 7 du support 6973 et le côté de la résistance de cathode commune non reliée à la masse. Difficile de lire sur votre schéma si cette résistance était originalement donnée pour 310 ou 340 ohms, mais une valeur entre 330 à 390 ohms devrait en principe convenir pour des nouveaux tubes.
|
|
| Sujet : Réglage amplificateur wurlitzer 545 pour jukebox Nouveau | De DD63Fr Le 30-01-2019 à 08:34 sta |
|
Bonjour Tubologic, merci pour ton aide, j ai joint le schéma c ok ?
Je met donc une résistance fusible de 10 ohms 1/2w.
J aurais bien la même protection du transformateur en cas de déséquilibre ? Même si je ne suis pas connecté directement sur les branches du transfo?
Merci encore de ton aide
Bonne journée
David
|
|
| Sujet : Réglage amplificateur wurlitzer 545 pour jukebox Nouveau | De Radiolo Le 30-01-2019 à 09:40 sta |
|
Quand on met un fusible ( resistance ou fusible) dans la cathode d'un tube il FAUT toujours mettre en // sur le fusible une resistance de forte valeur ( 10 a 20 fous la R normale de cathode)
de facon a eviter que cathode en l'air le potentiel de la cathode ne depasse celui autorise .
risque de claquer l'isolant cathode filament limite a 100V
CF la doc du tube
| |
|
| Sujet : Réglage amplificateur wurlitzer 545 pour jukebox Nouveau | De Tubologic Le 30-01-2019 à 18:09 sta |
|
Votre schéma n'apparaît pas, mais oui vous aurez la même protection du transfo de sortie. La résistance de forte valeur en // recommandée par Radiolo ne peut pas faire de tort mais elle n'est pas vraiment indispensable en pratique et je ne l'ai jamais rencontrée dans aucun appareil. Si une de ces résistances (fusible) se coupe cela signifie de toute façon que le courant débité par le tube a dépassé de très loin sa limite maximale autorisée (0.22A pour une résistance de 0.5W/10 ohms et 0.32A pour une résistance de 1W) et cette surcharge aura probablement endommagé le tube qui devra de toute façon être remplacé. Dans 90% des cas un tube défectueux est à l'origine de l'ouverture d'une de ces résistances-fusibles. (pour autant que les capas de liaison aient été remplacées).
|
|
| Sujet : Réglage amplificateur wurlitzer 545 pour jukebox Nouveau | De DD63Fr Le 30-01-2019 à 19:54 sta |
|
Salut merci à radiolo et tubologic pour votre aide voici le
Schema
Je vais changer la résistance pour coller à ce nouveau schéma
Merci
Sinon pour savoir l’usure du tube (%) il y a un moyen?
Merci de votre aide
Bonne soirée
David
| |
|
| Sujet : Réglage amplificateur wurlitzer 545 pour jukebox Nouveau | De Pascal Le 30-01-2019 à 20:35 sta |
|
Bonsoir. Pour vos tubes de puissance 6973 vous pouvez les passer sur un lampemètre sérieux puisque les caractéristiques vous ont été données dans des fichiers joints. Du moins sous 250 à 300V de tension d'anode. Lampemètre style Metrix U61.
De plus avec ce lampemètre vous pouvez contrôler s'il y a un courant grille sur l'un de ces tubes. Mais n'espérez rien obtenir de fiable avec votre Eurelec, hormis de savoir que le filament n'est point coupé. Chose facile à faire avec un simple multimètre.
Après pour le pourcentage, il suffit de faire une règle de trois selon le courant lu, la tension d'anode et les données constructeurs.
|
|
| Sujet : Réglage amplificateur wurlitzer 545 pour jukebox Nouveau | De Radiolo Le 30-01-2019 à 20:39 sta |
|
pour l'usure du tube
tres simple on mesure le courant plaque , la tension plaque, le polarisation grille 1
et on place le point correspondant dans le reseau de caractéristiques du tube
on connait ainsi sont etat d'usure si le tube est usé le point n'est pas correct sur le reseau
|
|
| Sujet : Réglage amplificateur wurlitzer 545 pour jukebox Nouveau | De DD63Fr Le 31-01-2019 à 20:40 sta |
|
Bonsoir super merci je vais essayé sur mon ampli
Bonne soirée
David
|
|
| Sujet : Réglage amplificateur wurlitzer 545 pour jukebox Nouveau | De DD63Fr Le 01-02-2019 à 22:03 sta |
|
Bonsoir Tubologic et Radiolo, j ai fais la modif mais la c la cata, les tubes ne chauffent pas rapidement comme avant , j en ai un qui est à 400mv et l’autre a 200mv. Le son est degeu.Par moment j ai un tube froid et l autre qui est chaud.
Vous pensez que mon montage est bon? Mes tubes serait hs?
Il n y aurais pas besoin pour ce montage de la nécessité de cathode commune?
Merci de votre aide, j avoue être un peu perdu.
Bonne soirée
À bientôt
David
  
|
|
| Sujet : Réglage amplificateur wurlitzer 545 pour jukebox Nouveau | De Radiolo Le 01-02-2019 à 22:18 sta |
|
tien donc…….
classe AB1 cathode commune pas besoin de decouplage cathode ou tres peu
quand Ia monte sur un tube Ia baisse de la meme valeur dans l'autre donc le courant reste constant dans la resistance commune de cathode Rk
si on baisse trop Ia on va vers la classe B et la le courant varie dans Rk
faut commencer a penser a decoupler plus sérieusement
le pire etant quand on met des Rk de cathode individuelles, la il est imperatif de bien calculer la valeur du decouplage ( calculer la constante de temps RC du circuit cathode )
quel est sont le courant plaque et polar grille actuels ?
que l'on voit cela dans le reseau
|
|
| Sujet : Réglage amplificateur wurlitzer 545 pour jukebox Nouveau | De DD63Fr Le 01-02-2019 à 22:37 sta |
|
Salut Radiolo voilà la modif que j ai fais je pense que ce que j ai fais c pas top, je doit réellement découpler les 2 non?
J ai joint le schéma de gauche à droite ( original, premier modif ok mais risque, 3ème marche pas :)
Merci encore de votre aide c super cool
Bonne soirée
David
| |
|
| Sujet : Réglage amplificateur wurlitzer 545 pour jukebox Nouveau | De Radiolo Le 01-02-2019 à 23:16 sta |
|
les résistances dans les cathodes amenent un taux de contre reaction et reduisent aussi les intensités plaque
si on fait un calcul rapide 10V sur 330 ohms cela fait un courant de 30mA pour les deux tubes soit si on les supposes identiques 15mA / tube ( Iplaque +IG2)
mesures donc la chute de tension dans vos 10 ohms je ne serais pas surpris que la dissymetrie des tubes soit importante car on les fait travailler tres loin de leur point nominal constructeur.
C'est peut etre la cause de vos soucis
mesurez les intensités plaque en utilisant la resistance des primaire des transfo de sortie
un moyen sur et simple d'acceder a ce parametre sans introduire aucun element parasite
c'est ce que l'on utilise pour depanner sur site on ne passe pas 1/4 d'heure a ajouter des résistances dans un montage……...
pour travailler sur le reseau de caracterisiqueq il faut impérativement ces 3 parametre mesures dans les memes conditions ( meme montage)
VG1
Ia
Va
sans ces 3 données on ne peut rien conclure
|
|
| Sujet : Réglage amplificateur wurlitzer 545 pour jukebox Nouveau | De DD63Fr Le 01-02-2019 à 23:56 sta |
|
Salut radiolo les donnes sur le schéma ne suffise pas ?
Tension anode 385v par rapport à la masse
Tension grille 0,02 environ
Le courant est sur le premier schéma
Merci de dire ce qu il manque comme infos
Merci
Bonne soirée
David
|
|
| Sujet : Réglage amplificateur wurlitzer 545 pour jukebox Nouveau | De Radiolo Le 02-02-2019 à 09:51 sta |
|
la tension anode ne doit pas etre la meme sur la 3eme version du schema car le courant anode a diminue donc la tension anode a du monter etant donné qu'elle n'est pas regulée
la tension grille d'un tube se mesure toujours par rapport a sa cathode car c'est la tension grille cathode qui est le parametre determinant du point de fonctionnement du tube.
comme la grille est a la masse par une resistance et qu'il ne circule aucun courant dans la grille elle est au potentiel zero par rapport a la masse, ce que vous trouvez.
le tension grille cathode est donc en ce cas ( et uniquement) la tension cathode soit 21V
je vais donc placer ce point de fonctionnement dans la reseau de la 6973
|
|
| Sujet : Réglage amplificateur wurlitzer 545 pour jukebox Nouveau | De Radiolo Le 02-02-2019 à 10:13 sta |
|
voici les point de fonctionnement des deux tubes pour le premier et 2eme schema
on constate qu'il sont tout a fait dan la norme constructeur
le seul paremetre manquant est la tension G2
sur le reseau utilisé elle est de 250V mais le constructeur signale que l'on peut la pousser au maximum jusqu'à 300V et donne un reseau correctif pour adapter ce reseau a une tension differente
merci de me donner ce parametre s'il differe de 250V
| |
|
| Sujet : Réglage amplificateur wurlitzer 545 pour jukebox Nouveau | De DD63Fr Le 02-02-2019 à 10:21 sta |
|
Salut Radiolo, merci pour ton aide, voici les tensions prises par rapport à la masse.
Mais là le fonctionnement est ok. Je comprend plus rien, les deux tubes sont chaud et tension sur les resistances identiques
Schéma en pj
| |
|
| Sujet : Réglage amplificateur wurlitzer 545 pour jukebox Nouveau | De DD63Fr Le 02-02-2019 à 10:45 sta |
|
Le fonctionnement est ok maintenant je me demande si j avais pas un soucis de support de lampe, tension mesure sur les resistances de 10 ohms sur la cathode, 330 et 335mv.
Du coup les courant sont proche 33ma et 33,5ma.
Température des tubes 100deg, son correct mais avec un léger bruit de 50hz. Mais j ai pas relié la terre .
Je pense que du coup c bon?
Merci encore
Bonne journée
David
|
|
| Sujet : Réglage amplificateur wurlitzer 545 pour jukebox Nouveau | De Radiolo Le 02-02-2019 à 11:06 sta |
|
les deux point de fonctionnement se sont rapproches
la tension G2 est de 374 V, j'arrive pas bien a lire sur le schema ?
|
|
| Sujet : Réglage amplificateur wurlitzer 545 pour jukebox Nouveau | De DD63Fr Le 02-02-2019 à 11:32 sta |
|
G2 est à 314v
Oui les points sont plus proches
|
|
| Sujet : Réglage amplificateur wurlitzer 545 pour jukebox Nouveau | De Radiolo Le 02-02-2019 à 11:45 sta |
|
par contre G2 a 314V ils ont mis le tube au taquet…….
la correction a faire sur le reseau donne pour 250V G2
et de pratiquement +8 A +10mA sur la courbe VG1 -21V
pas etonnant que les tubes chauffent et que les erzats russes ne tiennent pas
d'ailleurs pour faire passer les tubes russes plutôt que de bricoler les polars pour reduire Ia
il serait peut etre plus juducieux de baisser la tension G2
faut essayer et voir ce qui donne le moins de distorsions la polar ou G2
car sur des copies il est difficile de dire ce que sera leur comportement par rapport aux RCA d'origine
|
|
| Sujet : Réglage amplificateur wurlitzer 545 pour jukebox Nouveau | De Radiolo Le 02-02-2019 à 11:47 sta |
|
voila le reseau permettant de faire les correction en fonction de VG2
| |
|
| Sujet : Réglage amplificateur wurlitzer 545 pour jukebox Nouveau | De DD63Fr Le 02-02-2019 à 14:25 sta |
|
Salut Radiolo, merci pour les infos . Pour changer la tension de 300v je joue sur la resistance de 8ohms?
Suivant le schéma joint (enroure en rouge )?
Merci
| |
|
| Sujet : Réglage amplificateur wurlitzer 545 pour jukebox Nouveau | De Radiolo Le 02-02-2019 à 14:50 sta |
|
non surtout pas celle la joue sur toute la HT
il faut modifier la ligne 300V qui alimente les ecrans ,
mais elle alimente aussi autre chose dans l'ampli
il faudrait ajouter une resistance et une capa de decouplage comme indique
pour ne faire baisser que la tension qui alimente les quatre G2 des tubes de sortie 6973
et comme la consommation du 300V G2 va baisser quand la tension diminuera
il faudra sans doute retoucher la resistance entourée en rouge qui ne chutere plus assez la tension pour l'alimentation du reste de l'ampli en 300V
bref de grosses modifs , ce n'est pas evident de modifier un système complet comme celui ci sans tout refaire.
perso je vous conseille d'utiliser des tubes RCA et ne pas chercher a adapter des tubes pas faits pour cela
cet ampli utilise les tubes au maximum de leurs performances
|
|
| Sujet : Réglage amplificateur wurlitzer 545 pour jukebox Nouveau | De DD63Fr Le 02-02-2019 à 15:07 sta |
|
Merci je vais laisser comme ça j ai trouvé des tubes Sylvaina des NOS c identique aux RCA?
Sinon je modifierai que la résistance cathode pour les EH.
|
|
| Sujet : Réglage amplificateur wurlitzer 545 pour jukebox Nouveau | De Radiolo Le 02-02-2019 à 15:20 sta |
|
le fichier n'est pas passe!!!
| |
|
| Sujet : Réglage amplificateur wurlitzer 545 pour jukebox Nouveau | De DD63Fr Le 02-02-2019 à 18:20 sta |
|
Merci pour le fichier, j ai fait la modif sur le côté gauche, fonctionnement nickel.
J ai plus le problème de 50hz quand je relié la masse à la terre
Par contre petite question un des tubes éclair bleu, je c pas si c normal ( voir photo en pj)
Merci bonne soirée et bon week-end
David
| |
|
| Sujet : Réglage amplificateur wurlitzer 545 pour jukebox Nouveau | De Radiolo Le 02-02-2019 à 19:00 sta |
|
c'est le verre qui s'illumine en bleu ?
si c'est le cas : petite fuite d'electrons pas captures par la plaque qui provoquent la luminescence du verre. Ce n'est pas grave.
si par contre c'est le volume interne du tube entre la plaque et le verre qui s'illumine , probleme le tube est gazeux, pas grave au debut et si ça s'illumine de plus en plus dans le temps
(plusieurs heures ou jours de fonctionnement) c'est que la pression interne du tube remonte lentement, il perd son vide : du à un degazage interne ou une fuite au scellement verre metal
arreter ce tube des que possible avant qu'il ne passe en regime d'arc et fasse sauter les fusibles
|
|
| Sujet : Réglage amplificateur wurlitzer 545 pour jukebox Nouveau | De Tubologic Le 02-02-2019 à 23:04 cms |
|  | Une légère fluorescence bleue sur la paroi (verre) est normal sur ce type de tube pour autant qu'il ne s'étende pas entre les structures internes (électrodes), ce qui signifierait alors un tube gazeux qui devrait être remplacé au plus tôt. Mais dans ce cas la couleur est aussi légèrement différente, tirant plutôt vers le bleu-rose/violacé suivi d' un rougissement assez rapide de la plaque
Une (légère) réduction de la tension écran comme suggéré ne peut que soulager le tube, mais il faut rester prudent car à force de trop changer les paramètre de fonctionnement il va falloir re-calculer le circuit (polarisation,...) et au-delà d'une certaine limite même l'impédance primaire du transfo de sortie risque de ne plus convenir ! Les circuits originaux étaient optimisés pour extraire le maximum de puissance de ces petits tubes, quitte à dépasser les valeurs limites préconisées par le fabricant. Pas vraiment un problème il y a 60 ans lorsque les tubes étaient robustes et ne coûtaient que quelques sous, on remplaçait alors les 6973 deux à trois fois par an. Ce n'est malheureusement plus le cas de nos jours et les productions modernes ne supportent pas longtemps les "maximum ratings" que vous trouvez dans votre vieux manuel RCA, Il est prudent de ne pas dépasser 70% de ces valeurs limites si on veut espérer obtenir une fiabilité acceptable avec des tubes modernes.
Si vous êtes très concerné par l'équilibre des courants de plaque des deux tubes et ne possédez pas un stock suffisant pour effectuer une sélection manuelle il faut alors installer un potentiomètre dit d'équilibrage (DC Balance), qui était présent sur certains amplis. Le plus simple reste la polarisation dite "mixte" comme sur le schéma joint dont vous pourriez vous inspirer. (mais certaines valeurs devraient probablement être retouchées sur votre ampli). Mais encore une fois il ne faut pas être "quadri-sectionneur capillaire" sachant qu' un déséquilibre de 10 à 15% en courant de plaque n'aura aucune incidence en pratique dans ce type d'application. Il ne faut donc pas toujours essayer de ré-inventer la roue...
|  |
| |
|
| Sujet : Réglage amplificateur wurlitzer 545 pour jukebox Nouveau | De americanradios Le 03-02-2019 à 00:27 sta |
|
Il est certain que la qualité des tubes des années 60 n'avait rien à voir avec celle de maintenant. Je me souviens de ce que l'on pouvait demander à des 6BQ5 (EL84) Sylvania triées à l'époque pour l'aviation civile : on allait à des tensions plaques et écran au dela même des caractéristiques maximum.
Le problème que vous rencontrez ici, je l'ai rencontré avec un ampli SHERWOOD avec des push pull de 7868 montés pour 40W par canal. Les ''copies'' de 7868 ne tenaient rien du tout et j'ai dû commander un QUAD de RCA NOS. Depuis 2 ans : plus aucun problème.
|
|
| Sujet : Réglage amplificateur wurlitzer 545 pour jukebox Nouveau | De DD63Fr Le 04-02-2019 à 17:40 sta |
|
Merci à tous j ai des tubes nos et des tubes eh.
Pour le bleu c sur le côté gauche sur les 2 tubes
Voir photo en pj.
| |
|
| Sujet : Réglage amplificateur wurlitzer 545 pour jukebox Nouveau | De Tubologic Le 04-02-2019 à 20:03 cms |
|  | Rien d'alarmant à en juger sur vos photos, SAUF QUE: les tests doivent toujours être effectués avec les 4 TUBES EN PLACE. Si vous faites fonctionner l'ampli avec seulement deux tube les tensions seront considérablement plus élevées car l'alimentation (non stabilisée) sera moins chargée.
|  |
|
|
| Sujet : Réglage amplificateur wurlitzer 545 pour jukebox Nouveau | De DD63Fr Le 04-02-2019 à 20:10 sta |
|
Salut tubologic
Merci pour le retour je dois acheter de nouveaux tube 7199 j en ai pas assez pour faire les 2 cotés en même temps :)
Sinon je trouve que le son a un peu de distorsions.
Je peux mettre un signal sinusoïdal de 10mv crête crête et regarder le signal de sortie à l oscilloscope ?
J ai aussi un analyseur de distorsion harmonique hp.
Vous me conseillez quoi ?
Merci d avance
Bonne soirée
David
|
|
| Sujet : Réglage amplificateur wurlitzer 545 pour jukebox Nouveau | De Tubologic Le 04-02-2019 à 20:41 sta |
|
Une fois les 4 tubes en place vous constaterez que les (haute) tensions vont baisser et les tubes souffriront d'autant moins...
Pour ce qui est de la distorsion, on peut effectivement contrôler le signal de sortie (ampli chargé par une résistance équivalente à l'impédance et puissance du HP !) en injectant un sinus à l'entrée. Mais il faut faire attention à ne pas surmoduler l'étage d'entrée qui comporte aussi généralement différents circuits de correction spécifiquement adaptés à la cellule phono utilisée. Je ne connais pas le type exact de votre Juke-Box, mais si il fait usage d'une cellule à capacité variable (genre Zenith Cobra) vous ne pourrez faire aucun test à l'ide d'un générateur en entrée car le 1er étage est un oscillateur HF. Une analyse par distorsiomètre harmonique me semble un peu excessif pour un Juke-Box qui n'est tout de même pas un appareil Hi-Fi (même si c'est parfois fièrement mentionné sur la face avant !). Il serait peut-être temps de réinstaller le tout et de procéder à quelques écoutes...
|
|
| Sujet : Réglage amplificateur wurlitzer 545 pour jukebox Nouveau | De Tubologic Le 04-02-2019 à 22:46 sta |
|
EDIT: après examen du schéma du 545 l'entrée (cellule) est assez classique mais le 1er étage comprend un circuit de compression (ou régulateur automatique de volume) utilisant une demi-section des tubes V2 et V3. Un défaut dans ce circuit peut également introduire de la distorsion ou un écrasement du gain. Il y a un potentiomètre ajustable prévu pour régler (je suppose) l'efficacité (ou point de déclenchement) de ce circuit.
|
|
| Sujet : Réglage amplificateur wurlitzer 545 pour jukebox Nouveau | De DD63Fr Le 05-02-2019 à 19:54 sta |
|
Salut merci je vais essayer avec un gbf et oscilloscope pour vérifier tout sa
Bonne soirée
Et merci encore
David
|
|
|