| Sujet : décalage bande FM Nouveau | De JO Le 18-08-2017 à 10:35 sta |
|
bonjour,
Sur ce tuner amplifié Radiola RA5702, la bande FM s'arrête à 104 Mhz.
Croyez vous que ce soit possible de l'étendre à 108 Mhz ?
merci de vos avis
| |
|
| Sujet : décalage bande FM Nouveau | De f6crv Le 18-08-2017 à 10:40 sta |
|
bonjour
il faudrait voir le plan de ce tuner --j'ai déjà fait cette manip sur un autre tuner avec succès -jean-claude -
|
|
| Sujet : décalage bande FM Nouveau | De JO Le 18-08-2017 à 11:41 sta |
|
| |
|
| Sujet : décalage bande FM Nouveau | De JO Le 18-08-2017 à 11:54 sta |
|
partie FM seulement, ce sera peut-être plus lisible
| |
|
| Sujet : décalage bande FM Nouveau | De f6cer Le 18-08-2017 à 11:54 sta |
|
Bonjour
D'habitude on recale les têtes HF en agissant sur le condensateur ajustable des circuits oscillants pour le haut de la bande et le noyau de la self pour le bas de la bande mais .......
dans votre cas comme l'oscillateur local n'a pas de condensateur ajustable , ca ne va pas le faire . Au pire vous allez gagner vers le haut mais vous n'aurez plus le bas de la bande
|
|
| Sujet : décalage bande FM Nouveau | De pointcom Le 18-08-2017 à 13:15 sta |
|
Bonjour,
Si je ne me trompe, PHILIPS et RADIOLA livraient un correctif cadran compris pour porter à 108 MHz la réception.
Il faut trouver, les notes de ''service SA'' pour connaitre la modification.
Je pense qu'en jouant sur les réglage de R103 et R104 on doit pouovir modifier les tensions sur les diodes varicap.
Amicalement
|
|
| Sujet : décalage bande FM Nouveau | De pointcom Le 18-08-2017 à 13:34 sta |
|
Regardez les schémas et notes du Philips RH702 sur Electrotanya
|
|
| Sujet : décalage bande FM Nouveau | De F6FLC Le 18-08-2017 à 15:56 sta |
|
Bonjour,
d'origine, il y a les deux modèles, un pour 88/104 et un pour 88/108
ils ont des tuners différents
pour Electrotanya la doc complète est celle de 32 Mo
Michel...
|
|
| Sujet : décalage bande FM Nouveau | De JO Le 18-08-2017 à 17:21 sta |
|
merci de m'avoir sur la piste Philips, j'ai trouvé la doc sur un autre site.

J'ai réussi à gagner 2 mégahertz en jouant sur C1351 et C1325 (méthode pifométrique).
En jouant sur les résistances R103, R104 , R106 cela ne convenait pas.
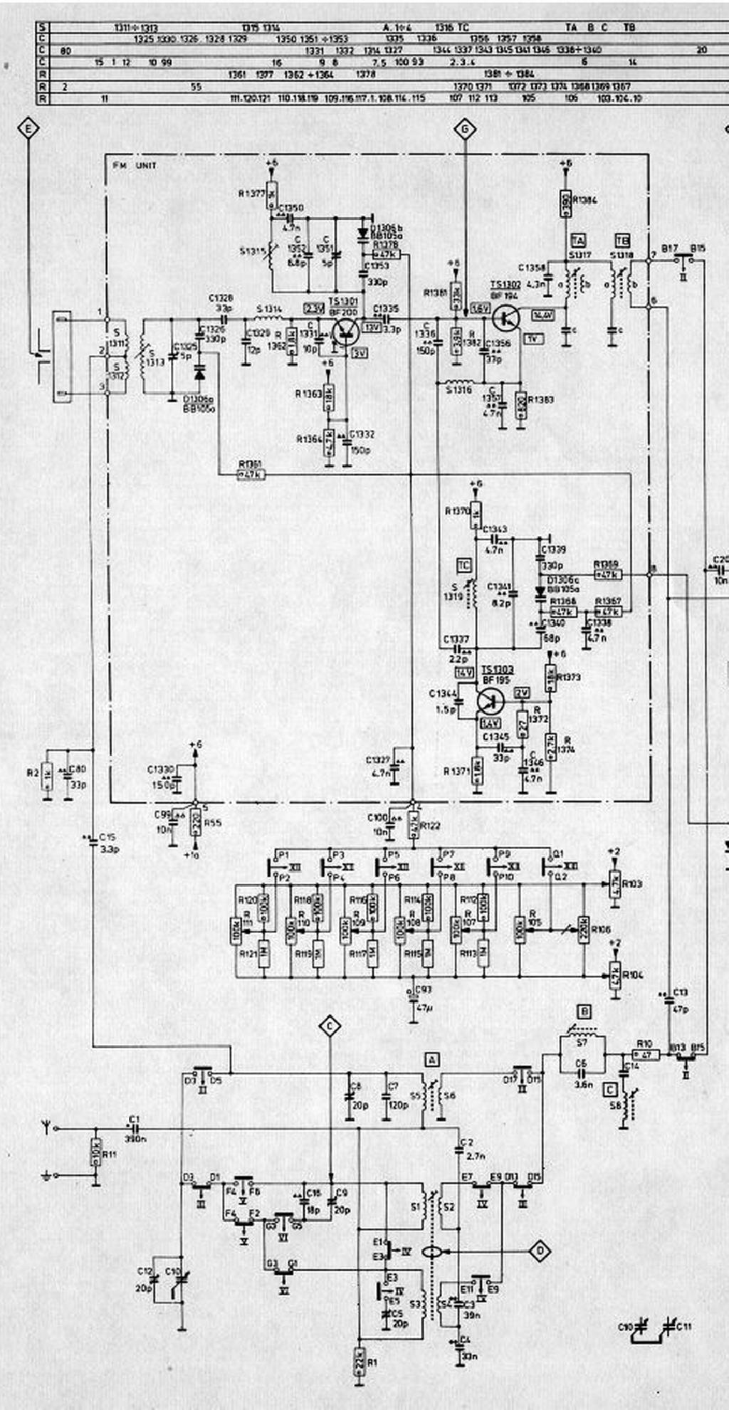
Ci-joint un résumé de la doc, je ne sais si d'après le tableau on peut comprendre l'influence de chaque composants réglables
| |
|
| Sujet : décalage bande FM Nouveau | De F6FLC Le 18-08-2017 à 17:35 sta |
|
R-103 et R-104 sont les butées hautes et basses
on peut gagner en haut en réduisant le 8,2 pF (C1341)
mais il faut visser le noyau de bobine S-1319
le noyau agit uniformément sur toute la bande alors que le C-1341 agit plus en haut de bande
on peut mettre un ajustable de 10 pF à la place du 8,2 pF
plus on baisse la capa et plus on augment la self, plus on élargit la bande
Michel...
|
|
| Sujet : décalage bande FM Nouveau | De JO Le 18-08-2017 à 17:50 sta |
|
Je viens de voir qu'il est indiqué TRIMMING A B qui semble correspondre à la plage de réception (réglage sur selfs A et B)
voir là
C'est bien ça ?
| |
|
| Sujet : décalage bande FM Nouveau | De f6cer Le 18-08-2017 à 18:59 sta |
|
La plage de réception ne depend que du réglage de l'oscillateur local .
Comme vous l'indique Michel, le mieux est effectivement de remplacer le condensateur fixe par un ajustable
c1351 et c1325 accordent l'etageHF et le mélangeur , il faudra les retoucher au dernier moment car si l'engin fonctionne correctement ils n'ont pas d'action sur la fréquence mais seulement sur la puissance du signal
|
|
| Sujet : décalage bande FM Nouveau | De JO Le 18-08-2017 à 19:08 sta |
|
D'accord , message reçu
|
|
|