>Journaux du site au 22/08/2022 à 10:26Forum 2.6.9
S'enregistrer pour posterRechercherPréférences

Pas de Post-it

Forum standardGalerie Forum
Sujet : condensateur mica sur TSF Visseaux RB2 Nouveau De Jean-Noël  Le 15-05-2016 à 18:14 sta 

    Bonjour à Vous,
    quelqu'un aurait-il les valeurs des condensateurs Mica sur un poste Visseaux RB2 et surtout leur emplacement?
    J'ai des condensateurs en 200pF,150pF,50pF et des sans marquage c'est cela évidement qui me pose problème.
    Ils sont: un sur le clavier 7 touches en contact avec un 200pF résistance 1M et la lampe ECH81
    un clavier résistance 47k lampe ECH81
    un clavier résistance 33k lampe ECH81
    trois directement sur le clavier 7 touches qui est un bloc 7425 ....PTALIX
    Je pense OPTALIX le début est effacé.
    Les mesures au capacimètre sont complètement farfelus
    Si quelqu'un a la réponse , cela me sauverait merci d'avance.
    Cordialement


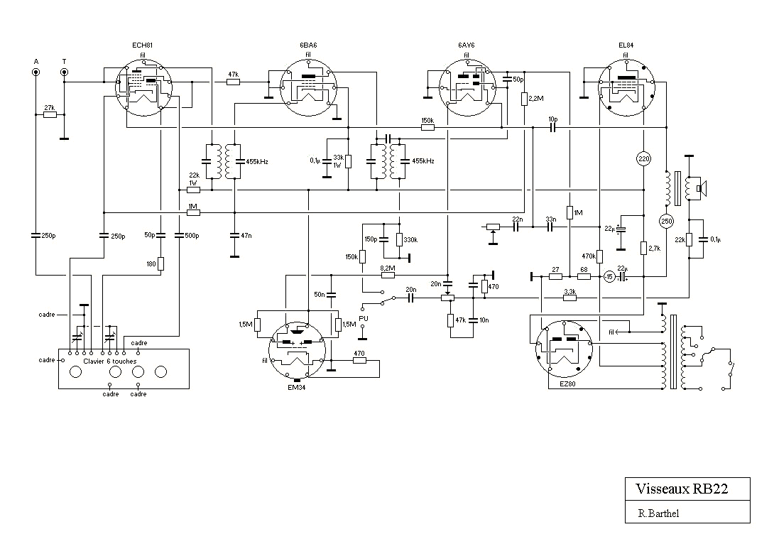
Sujet : condensateur mica sur TSF Visseaux RB2 Nouveau De Schoser  Le 15-05-2016 à 22:04 sta

    Bonsoir,

    Un Schéma Trouvé sur le Net, le RB22 Visseaux.

    Amicalement,
    Patrice

 Fichier
.PNG
 
  

 Retour aux sujets 

Rubriques du site

Gamme 1

- Galerie TSF - Mesure ancienne - Littérature - Trucs et astuces - Marquage composants - Tubes Brochages - Achat Vente - Forum - Liens utilesCe site vous
a aidé ?

Gamme 2

- Je cherche - Offre - Tendances - Palais des Glaces - Upload -

Gamme 3

- Archives - Schémathèque - Glossaire technique - Glossaire patoisant - Journaux - Remerciements -