| Sujet : Problème de réception Nouveau | De murena Le 16-11-2015 à 11:15 sta |
|
Bonjour à tous,
J'ai besoin d'un peu d'aide pour un poste des années 30 Electric Radio France (Melior).
La partie BF marche parfaitement.
Je n'ai aucune réception sur aucune gamme, juste quelques accrochages légers ici et là.
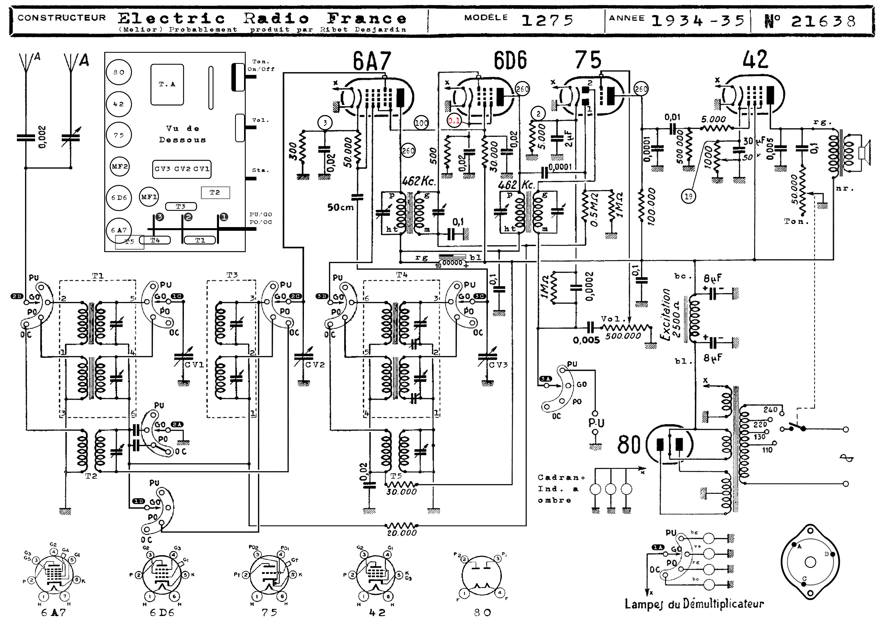
Le schéma montre les tensions relevées et clairement la tension de cathode de la 6D6 n'est pas correcte. J'ai suspecté la résistance de 500ohm ou sa bonne mise à la masse, mais non...
Par contre il s'avère que la grille de la 6D6 est très négative (-26v), en la déconnectant fort logiquement je retrouve une tension de cathode normale, mais pourquoi cette tension si négative ? L'étage précédent est polarisé correctement, bref, je pédale...
| |
|
| Sujet : Problème de réception Nouveau | De F6CER Le 16-11-2015 à 11:44 sta |
|
Bonjour
Accrochage massif , certainement la changeuse
verifiez les découplages et les retours de masse du CV
|
|
| Sujet : Problème de réception Nouveau | De murena Le 16-11-2015 à 17:29 sta |
|
Merci F6CER !
Bien vu ! Effectivement c'est bien la 6A7, heureusement j'en avais une. Après changement toutes les polarisations sont normalisées et ça m'a fait chuter un peu la haute tension ce qui n'est pas plus mal.
Mais point de reception...je n'ai même plus les petits accrochages du début. Je vais continuer mes investigations, mais toute idée est bonne a prendre.
|
|
| Sujet : Problème de réception Nouveau | De murena Le 16-11-2015 à 17:31 sta |
|
j'oubliai schéma mis à jour
| |
|
| Sujet : Problème de réception Nouveau | De stockfish Le 16-11-2015 à 19:09 sta |
|
Bonjour
Il faut vous équiper d'une hétérodyne pour localiser plus facilement le problème.
C'est un investissement qu'on ne regrette pas.
|
|
| Sujet : Problème de réception Nouveau | De murena Le 16-11-2015 à 19:18 sta |
|
J'en ai une, je pensais justement injecter un signal sur la grille de la changeuse, je rajoute un petit condo pour faire la liaison ?
|
|
| Sujet : Problème de réception Nouveau | De sebastien86 Le 16-11-2015 à 19:24 sta |
|
c'est quoi une hétérodyne ? ça se trouve ou ?
|
|
| Sujet : Problème de réception Nouveau | De murena Le 16-11-2015 à 19:47 sta |
|
|
|
| Sujet : Problème de réception Nouveau | De stockfish Le 16-11-2015 à 19:55 sta |
|
Faut voir s'il n'y a pas une composante continue sur la sortie de l'hétérodyne auquel cas le condo s'impose. Pour ma part, j'attaque toujours avec un condo mais c'est surtout pour ne pas griller mon géné modulé qui est bien plus fragile que votre vénérable appareil.
|
|
| Sujet : Problème de réception Nouveau | De sebastien86 Le 16-11-2015 à 20:45 sta |
|
Ok merci. Au passage, super ton site murena .............
|
|
| Sujet : Problème de réception Nouveau | De XYZ du 56 Le 16-11-2015 à 21:03 sta |
|
Il ne devrait pas y avoir de composante continue sur la sortie, puisque le concepteur a implanté un 300pF sur la sortie!
Le site est très bien et l'hétérodyne est... magnifique!
|
|
| Sujet : Problème de réception Nouveau | De F6CER Le 17-11-2015 à 09:04 sta |
|
Bonjour ,
Magnifique restauration , juste une remarque , dans le cas d'un accrochage, le juge de paix est d'abord un oscillo ou si l'on n'en possède pas, une mesure jugée anormale au contrôleur universel, l'heterodyne est aussi efficace qu'un cautère sur une jambe de bois
|
|
| Sujet : Problème de réception Nouveau | De murena Le 17-11-2015 à 16:25 sta |
|
Bonjour à tous,
Merci pour ces commentaires ! J'habite en appartement alors la collection ne peut pas être très grande alors je préfère choisir des radios qui me ''tapent'' dans l'œil et pour l'hétérodyne idem.
Je l'ai acheté pour 15 avec une menuiserie au vernis écaillée de partout et le fond fendue sur la tranche. Rien d'irrémédiable...
Par contre côté électronique....une autre histoire. Il manquait les tubes, le câblage avait été modifié, des condos changés n'importe comment, beaucoup de résistances étaient totalement hors tolérances, les condos ajustables complètement HS, self d'arrêt coupée, etc...
Mais en prenant les problèmes les uns après les autres avec du temps on y arrive !
Et justement....la radio fonctionne depuis 10 minutes. Mon injection de signal m'a permis de comprendre que le transfo MF de la 6A7 était complètement désaccordé (je subodore un bricolo au tournevis magique...).
Merci pour l'aide ! 
Dans quelques jours des photos du poste....
|
|
| Sujet : Problème de réception Nouveau | De murena Le 17-11-2015 à 16:27 sta |
|
En cas d'accrochage que va t'on obtenir comme type de trace à l'oscillo ?? y aurait t-il un document avec les différents cas ?
|
|
| Sujet : Problème de réception Nouveau | De F6CER Le 17-11-2015 à 18:23 sta |
|
On verra une trace correspondant à la fréquence de l'accrochage , en général l'amplitude est importante voire très importante lorsque l'ampli BF se met à jouer au générateur HF
|
|
| Sujet : Problème de réception Nouveau | De murena Le 17-11-2015 à 20:50 sta |
|
J'ai un oscillo, mais jusqu'à présent je me contente d'utiliser le multimètre et la simple logique pour le dépannage.
L'hétérodyne si le désalignement est important, sinon je le fais aussi au multimètre. Je n'ai pas beaucoup d'équipements contrairement à certains d'entre vous alors je fais simple...
|
|
| Sujet : Problème de réception Nouveau | De stockfish Le 17-11-2015 à 22:19 sta |
|
Les anciens n'avaient guère plus. Se limiter aux moyens de dépannage contemporains du poste a également son intérêt.
|
|
| Sujet : Problème de réception Nouveau | De F6CER Le 18-11-2015 à 09:05 sta |
|
Bonjour
dépanner un poste pour entendre vaguement quelque chose, ou le remettre à neuf avec vraies mesures et alignement complet n'est pas du tout la même chose
les anciens avaient beaucoup plus d'appareils que vous ne l'imaginez , souvent de fabrication personnelle , et surtout énormément de logique et de méthode
c'était leur métier et ils devaient gagner leur vie sans avoir à passer des heures et des heures à '' retuber'' ou '' recaper '' comme disent nos spécialistes actuels adeptes des doigts croisés et de la bonne étoile .....
Ceci dit un simple contrôleur peut suffire
|
|
| Sujet : Problème de réception Nouveau | De Guy F6CTP Le 18-11-2015 à 09:44 sta |
|
Bonjour,
Comme le dit F6CER à mon époque ( 45/50 ) avoir un contrôleur de 1000/V était déjà un luxe et comme il est dit on utilisait le fait maison, j'avais fabriqué un générateur HF maison,
Guy
|
|
| Sujet : Problème de réception Nouveau | De casevech Le 18-11-2015 à 09:44 sta |
|
la plupart des anciens dont je crois faire encore partit n'avais qu'un simple controleur universel appeler maintenant multimetre ce n'est que maintenant que je possede un lampemetre et un oscillio,dont je me sert rarement,et un géné HF,pour le reste c'est la pratique et la reflexion,difficile a transmettre
|
|
| Sujet : Problème de réception Nouveau | De Guy F6CTP Le 18-11-2015 à 09:48 sta |
|
Tu est bien jeune Casevech moi j'ai connu la télé avant la guerre de 40 et bien d'autres choses
   
|
|
| Sujet : Problème de réception Nouveau | De casevech Le 18-11-2015 à 10:34 sta |
|
merci de me rajeunir F6CTP ,moi la tele je ne l'ais connu qu'en 54    
|
|
| Sujet : Problème de réception Nouveau | De casevech Le 18-11-2015 à 10:43 sta |
|
PS a l'epoque on etais a la cambrousse et mon pere par le fait d'etre militaire et prisonnier de guerre a eu la possibilité d'etre le premier en isere d'avoir la television
|
|
| Sujet : Problème de réception Nouveau | De murena Le 18-11-2015 à 10:49 sta |
|
Voilà Casevech transformé en Padawan ! 
En ce qui me concerne ce n'est pas vraiment un choix ou une philosophie, c'est juste que les premières fois je n'ai utilisé que le multimètre et comme cela a marché...
Pour l'alignement c'est plus précis au scope ?
|
|
| Sujet : Problème de réception Nouveau | De casevech Le 18-11-2015 à 11:00 sta |
|
une bonne oreille, que je n'ais plus,vaut le scope
|
|
| Sujet : Problème de réception Nouveau | De casevech Le 18-11-2015 à 11:07 sta |
|
PS et les yeux pour les anciennes radio
|
|
| Sujet : Problème de réception Nouveau | De casevech Le 18-11-2015 à 11:14 sta |
|
2PS quoi vouloir dire PADAWAN ,moi pas comprendre
|
|
| Sujet : Problème de réception Nouveau | De michel 87 Le 18-11-2015 à 11:22 sta |
|
Bonjour,
'' Se limiter aux moyens de dépannage contemporains au poste a également son intérêt ''
Oui, et j'ai beaucoup d'admiration et de respect pour ceux qui dépannaient les TSF avec des moyens limités.
Le raisonnement et la méthode étaient alors incontournables.
Cela dit, les moyens dont nous disposons aujourd'hui sont bien pratiques...
|
|
| Sujet : Problème de réception Nouveau | De Guy F6CTP Le 18-11-2015 à 11:38 sta |
|
Padawan
Le terme de Padawan désigne le rang d'apprenti Jedi.
Définition
Après avoir suivi une formation commune sous la direction du Maître Yoda, les novices prennent le titre de Padawan en devenant élève d'un chevalier ou d'un maître Jedi. Ce n'est qu'après une période longue de plusieurs années que le Padawan est autorisé par le Conseil Jedi à passer les épreuves de chevalerie au terme desquelles il accédera lui-même au rang de Chevalier Jedi.
Une règle du Code Jedi stipule qu'un maître ne peut avoir qu'un seul Padawan en même temps sous sa responsabilité, et ce afin qu'il assure au mieux sa formation Jedi.
Origine étymologique
Étymologiquement en sanscrit, pada – wan signifie un pas dans la forêt.
|
|
| Sujet : Problème de réception Nouveau | De murena Le 18-11-2015 à 12:01 sta |
|
Padawan, c'était surtout à cause de ''Tu est bien jeune Casevech'' qui ressemble à une réplique de Star Wars ''tu est bien jeune mon cher Padawan''
|
|
| Sujet : Problème de réception Nouveau | De F6CER Le 18-11-2015 à 13:13 sta |
|
Oui mais aligner des transfos MF avec un sabre laser, faut voir ..................
|
|
| Sujet : Problème de réception Nouveau | De casevech Le 18-11-2015 à 13:33 sta |
|
surtout tendre son oreille en evitant le sabre
|
|
| Sujet : Problème de réception Nouveau | De F6FLC Le 18-11-2015 à 16:38 sta |
|
Bonjour,
il y a eu un Jedi qui est monté en grade et est devenu un Vendredi
puis il a rencontré Robinson Crusoe
ils se marièrent et eurent beaucoup de petits Samedis
Michel...
|
|
| Sujet : Problème de réception Nouveau | De ON5MJ Le 18-11-2015 à 17:53 sta |
|
|
|
| Sujet : Problème de réception Nouveau | De murena Le 23-11-2015 à 00:46 sta |
|
Bonsoir à tous,
Chose promise chose due.. voici quelque photos du poste 1934-1935.
Il est destiné à Papa Noel....mes parents ont adoré celui que j'avais fait pour le mariage d'un cousin. Il est donc équipé d'un petit module intégré au niveau du piètement qui permet la réception de la FM et de musique via Bluetooth, ce poste est destiné à servir quotidiennement !
Quelques détails sur la restauration :
http://lthimonnier.wix.co…
| |
|
| Sujet : Problème de réception Nouveau | De michel 87 Le 23-11-2015 à 10:22 sta |
|
Bonjour,
Belle restauration...
Quelques questions:
A l'arrière de l'appareil, on distingue deux fiches laiton avec un entraxe de fiche standard.
Était-ce l'alimentation d'origine par un prolongateur?
Je suppose que le porte fusible tubulaire à l'arrière du châssis n'est pas d'origine...
L'appareil avait-il une plaque? Vue la taille du transfo d'alim, on pourrait penser qu'il était utilisable en 25 Hz.
|
|
| Sujet : Problème de réception Nouveau | De murena Le 23-11-2015 à 10:57 sta |
|
Bonjour et merci !
Les deux fiches correspondent bien à l'ancienne alimentation secteur. J'ai effectivement rajouté le support de fusible tubulaire car les fusibles cartons ou fil de plomb ne courent pas les rues de plus ce poste n'est pas destiné à la collection mais à l'utilisation.
Il n'y avait pas de plaque, mais le transfo ne m'a pas l'air spécialement gros (+- 8cm de haut) mais c'est peut être un 25Hz ??
|
|
| Sujet : Restauration et ajout FM Nouveau | De murena Le 02-01-2016 à 01:08 sta |
|
Bonjour à tous,
J'ai reçu il y a deux jours un e-mail d'une personne concernant cette restauration et une fausse manip me l'a fait perdre avant que j'y réponde ...Si la personne concernée lit ce post qu'elle me recontacte je ferais plus attention cette fois ci !
|
|
| Sujet : Restauration et ajout FM Nouveau | De jcj Le 02-01-2016 à 06:48 sta |
|
Bonjour,
Pas mal le cadran !
Ou vous procurez vous le transparent ? L'impression laser doit elle être faite par un pro ou une imprimante laser ordinaire suffit-elle ?
|
|
| Sujet : Restauration et ajout FM Nouveau | De murena Le 02-01-2016 à 10:16 sta |
|
Bonjour Jean Claude !
Rien de sorcier, je refais le cadran en 300dpi pour m'assurer une qualité d'impression suffisante. pour le transparent je le commande sur eb à la feuille (ou par 10) car il est difficilement trouvable en magasin. Je l'imprime ensuite sur mon imprimante laser couleur, un modèle d'entrée de gamme à moins de 200 .
|
|
| Sujet : Restauration et ajout FM Nouveau | De jcj Le 02-01-2016 à 11:36 sta |
|
Merci pour ces renseignements.
Je n'ai jamais fait ce type d'opération. Je ne comprends pas pourquoi il y a de l'eau dans cette histoire ->
Quelqu'un aurait-il fait un petit tutoriel détaillé pour expliquer la manière de procéder ?
| |
|
| Sujet : Restauration et ajout FM Nouveau | De murena Le 02-01-2016 à 12:31 sta |
|
Le liquide (celui pour les vitres) sert uniquement pour le bon positionnement de l'adhésif, l'alcool qu'il contient neutralise le pouvoir adhésif. Cela permet de re-positionner a volonté, puis une fois bien en place, on chasse le liquide avec une raclette, l'adhésif retrouve alors son pouvoir collant.
Comme ça frotte, pour éviter de dégrader la face avant j'intercale sous la raclette une surface transparente pour protéger et voir ce que je fais. (C'est la même procédure pour un sticker sur une carrosserie de voiture ou des films teintés).
|
|
| Sujet : Restauration et ajout FM Nouveau | De jcj Le 02-01-2016 à 14:42 sta |
|
Merci pour ces précisions.
Si ce n'est pas trop abuser, quelle est la référence exacte ce cet autocollant ?
|
|
|