| Sujet : AT 2600 Nouveau | De françois Le 11-09-2015 à 11:21 sta |
|
bonjour,
quelqu'un pourrait-il m'aider à réparer(schéma ou aide technique) mon ampli AT 2600 akai dont un ou 2 condensateurs ont fondus ? bien cordialement,
| |
|
| Sujet : AT 2600 Nouveau | De Jacques (webmestre) Le 11-09-2015 à 11:33 sta |
|
On dirait des condos montés directement sur le secteur non ?
|
|
| Sujet : AT 2600 Nouveau | De ON5MJ Le 11-09-2015 à 11:43 sta |
|
A remarquer sur la photo que le fusible est mis en position 220V, vaudrait mieux 240v
|
|
| Sujet : AT 2600 Nouveau | De Jacques (webmestre) Le 11-09-2015 à 11:52 sta |
|
Dans l'immédiat, ce tuner doit pouvoir fonctionner sans, c'est un 10nF 500V monté en // sur l'inter secteur.
|
|
| Sujet : AT 2600 Nouveau | De bozec Le 11-09-2015 à 11:53 sta |
|
l'ampli AM 2600 est la même partie que sur votre appareil
Cordialement Bozec
| |
|
| Sujet : AT 2600 Nouveau | De bozec Le 11-09-2015 à 11:55 sta |
|
@Jacques vous pouvez mettre le Pdf dans les archives, il n'y est pas
|
|
| Sujet : AT 2600 Nouveau | De Jacques (webmestre) Le 11-09-2015 à 13:17 sta |
|
|
|
| Sujet : AT 2600 Nouveau | De crilemans Le 11-09-2015 à 16:20 sta |
|
Bonjour francois.
Comme dit ON5MJ, mieux vaut mettre le fusible secteur sur 240 V.
mais attention, l'étiquette au dessus prête à confusion sauf si la plaquette
porte-fusibles est sérigraphiée, ce que je ne vois pas.
Le fusible 220 V se place sur le fil BLEU.
Le fil marron c'est 110 V 
Merci à bozec pour sa notice ce qui me permet d'affirmer ce qui précède.
A+
crilemans.
|
|
| Sujet : AT 2600 Nouveau | De F6FLC Le 11-09-2015 à 19:19 sta |
|
Bonjour,
l'inter doit être hs car quelqu'un a mis un strap avec le fil noir en // sur les cosses là était soudé le condo explosé
Michel...
|
|
| Sujet : AT 2600 Nouveau | De Bombarde Le 12-09-2015 à 18:16 sta |
|
Hello
Panne déjà vue chez AKAI
Bombarde
|
|
| Sujet : AT 2600 Nouveau | De françois Le 13-09-2015 à 12:33 sta |
|
Bonjour à tous,
un petit épisode grippal m'a retenu loin de mon pc.... et je n'ai pu remercier en temps et en heure tous ceux qui m'ont répondu!c'est vraiment sympa de constater toute cette entraide,je vous tiens au courant des mes réparations
bien cordialement,
François
|
|
| Sujet : AT 2600 Nouveau | De françois Le 14-09-2015 à 11:18 sta |
|
bonjour,
je viens de vérifier mon stock je n'ai pas d e condo de 10uf javascript:insmi(' ','');;est-ce que je peux acheter çà: ''Ceiling Fan Capacitor CBB61 4uf MFD 400VAC 2 Wire 50/60Hz Black'' vu sur aliexxxxx, pas d e magasin electronique dans ma préfecture.... ;le condo sert à quoi:anti parasite?filtrage?
je ne comprends pas ce que veut dire F6FLC:l'inter n'a jamais été HS?Tout est d'origine
merci
françois
| |
|
| Sujet : AT 2600 Nouveau | De Jacques (webmestre) Le 14-09-2015 à 11:37 sta |
|
C'est un 10 NANO ! pas micro.
|
|
| Sujet : AT 2600 Nouveau | De françois Le 14-09-2015 à 12:21 sta |
|
ok merci pour cette précision !
|
|
| Sujet : AT 2600 Nouveau | De F6FLC Le 14-09-2015 à 12:21 sta |
|
Bonjour,
sur la première photo on voit un fil noir rajouté et soudé pour court-circuiter les cosses où a été soudé le condo explosé (C-901)
c'est qu'il a été mis après, sinon la capa n'aurais jamais reçu le moindre volt
et si cette capa, donc le strap est en parallèle avec l'inter, l'appareil reste toujours allumé
Michel...
|
|
| Sujet : AT 2600 Nouveau | De Schoser Le 14-09-2015 à 15:35 sta |
|
Bonjour à Vous,
Francois :
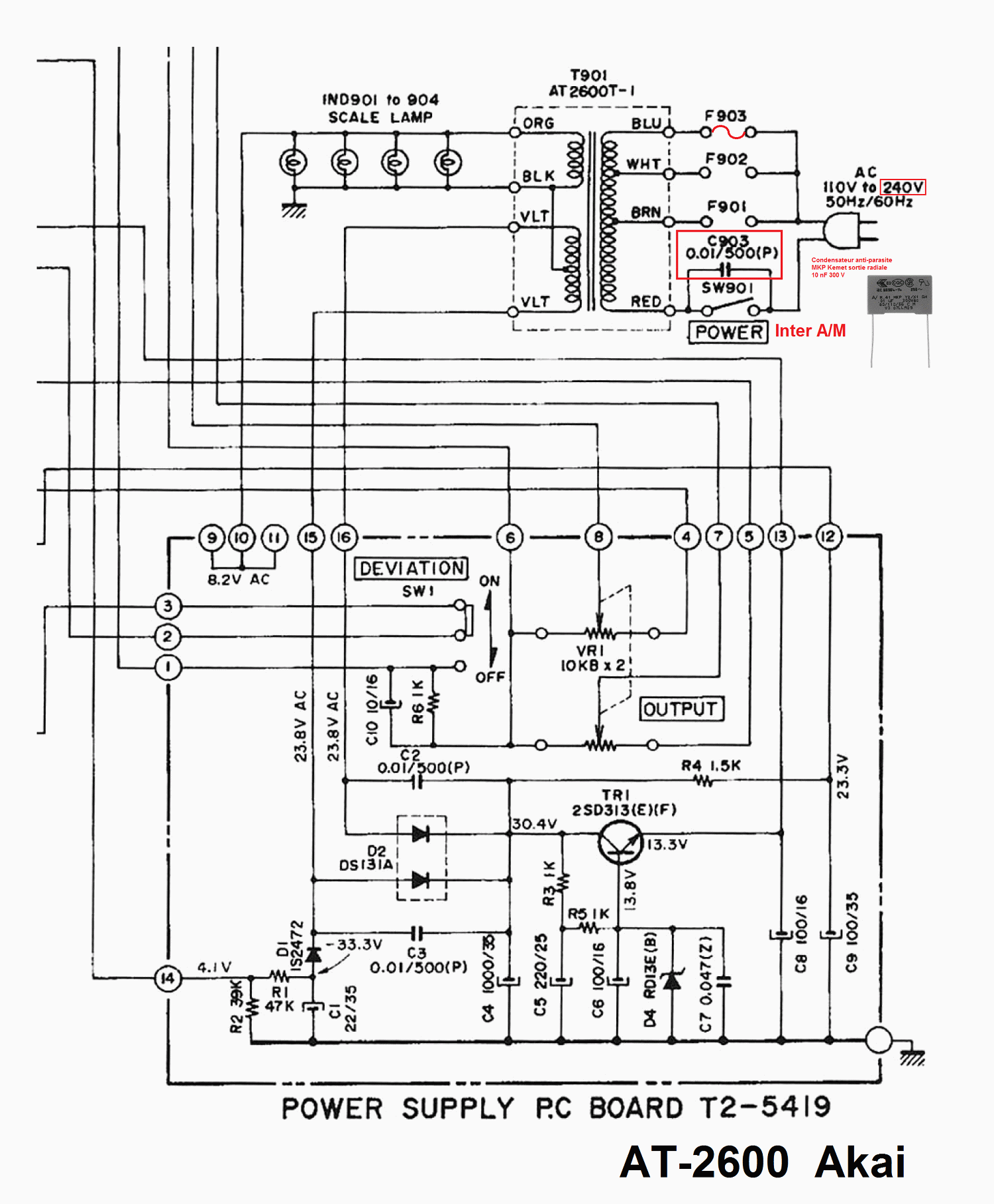
- Un détail de la Doc. ''Alimentation Secteur de cet Appareil AT-2600 Akai, Voir :
Trouver ce Condensateur chez :
http://www.conrad.fr/ce/f…
Amicalement,
Patrice
| |
|
| Sujet : AT 2600 Nouveau | De françois Le 14-09-2015 à 18:43 sta |
|
bonsoir,
merci infiniment Schoser, là j'ai tout compris!C 903 sur le shéma, anti parasite....il faut dire que mes compétences sont faibles....je clos le sujet encore merci à tous
cordialement,
|
|
| Sujet : AT 2600 Nouveau | De F6FLC Le 14-09-2015 à 19:24 sta |
|
Bonjour,
on ne sait pas le principal
il fonctionne ou pas cet ampli ?
parce que ce condo bon ou mort n'empêche pas le fonctionnement
il sert juste à limiter l'étincelle à la coupure
Michel...
|
|
| Sujet : AT 2600 Nouveau | De Jacques (webmestre) Le 14-09-2015 à 19:29 sta |
|
C'est uniquement un tuner.
|
|
| Sujet : AT 2600 Nouveau | De Jo Le 14-09-2015 à 19:35 cms |
|  | Bonsoir,
ce condo n\'a rien d\'indispensable au fonctionnement ( le webmestre vous l\' a dit plus haut), si l\'ampli ne marche pas c\'est qu\'il y a une autre panne.
(en démontant une lampe basse consommation HS ( récupérée dans les bacs de recyclage des grandes surfaces) vous en trouverez surement un , surtout que le remplacement par une valeur approchante (22 nf ,47 nF par exemple) est sans inconvénient, il ne sert que d\'anti parasite).
|  |
|
|
| Sujet : AT 2600 Nouveau | De michel 87 Le 14-09-2015 à 19:53 sta |
|
Bonsoir,
Non, ce condensateur ne sert pas d'antiparasite.
En effet, sur le schéma fourni par Schoser, on voit que lorsque l'appareil est en fonctionnement, le condensateur est court-circuité par l'inter
On trouve parfois une capa en parallèle sur l'inter M / A de certains appareils, pour protéger les contacts.
L'efficacité de ce dispositif - en alternatif - est discutable.
|
|
| Sujet : AT 2600 Nouveau | De Jo Le 14-09-2015 à 21:16 sta |
|
@ Michel87,
bien d'accord qu'il ne sert pas à grand chose ...
|
|
| Sujet : AT 2600 Nouveau | De Orca Le 14-09-2015 à 22:59 sta |
|
Bonsoir,
Ce n'est que mon analyse personnelle mais:
La capa en // sur l'inter sert en général de filtre ''anti-cloc'' (ma façon perso d’appeler ce bidule dès que j'en rencontre ^^)
En fait,
Dès que vous mettez l'inter sur on, un arc se produit et crée un parasite instantané de courte durée certes, mais qui rayonne et atteint tout ce qui est sensible aux perturbations de ce genre. Cette petite capa en // est destinée à atténuer l'arc en formation de façon à éviter ce fameux ''cloc'' que l'ont entend dès que l'ont met en route l'appareil.
Orca
|
|
| Sujet : AT 2600 Nouveau | De F6FLC Le 15-09-2015 à 12:46 sta |
|
Bonjour,
on tourne dans le vide
est-ce que ce tuner fonctionne ou pas ?
on ne le sait toujours pas
l'inter est court-circuité par ce fil noir rajouté
il devrait rester allumé quelle que soit la position de l'inter
est-ce qu'il y a quelques dizaines ou centaines d'ohms entre les broches de la prise secteur ?
Michel...
|
|
| Sujet : AT 2600 Nouveau | De F6FLC Le 15-09-2015 à 12:48 sta |
|
''je clos le sujet encore merci à tous''
je n'avais pas vu
je crois qu'on peut s'arrêter de parler dans le vide !
Michel...
|
|
| Sujet : AT 2600 Nouveau | De Jo Le 15-09-2015 à 17:27 sta |
|
parait bien gros pour des reste d'un 10 nf, ça à plutôt l'air d'un électrolytique , et qui n'a rien à faire là ... (voir photo au début),
|
|
| Sujet : AT 2600 Nouveau | De F6FLC Le 15-09-2015 à 18:05 sta |
|
Bonjour,
ça a été bricolé, en cherchant des photos sur gogol, aucun 2600 ne correspond à ce câblage
Michel...
|
|
| Sujet : AT 2600 Nouveau | De Schoser Le 15-09-2015 à 18:13 sta |
|
Bonjour à Vous,
Celui que je propose en remplacement :
''Condensateur de 10 nf anti-parasite MKP 300 volts, Taille : L 18 mm x l 5 mm
H 11 mm''.
- Il est probable que l'original était plus grand.
Amicalement,
Patrice
| |
|
| Sujet : AT 2600 Nouveau | De Marcel Bourguinet Le 15-09-2015 à 19:15 sta |
|
Effectivement un ''génie'' a entrepris des modifications, le condo qui a explosé n'avait rien à faire à cet emplacement. >>>>>>>>>
| |
|
| Sujet : AT 2600 Nouveau | De françois Le 05-10-2015 à 15:29 sta |
|
Bonjour à tous,
comme promis je vous donne enfin des nouvelles de la réparation de mon tuner akai;j'ai suivi donc les conseils de changement d e barette 220----->240 vac (après mesure j'avais du 239 vac!) , changer le fusible et souder un condo de 10nf récupéré
et tout refonctionne à merveille!
merci encore une fois pour votre aide collective
françois
|
|
|