| Sujet : poste transistors Schneider Vanguard Nouveau | De JO Le 20-06-2015 à 23:08 sta |
|
bonjour,
Peut être les connaissez vous ?
le Vanguard n'a pas la FM, le Schneider est marqué Luomatic, est ce le modèle?
(pas trouvés sur DocTSF, ni avec Bing images)
| |
|
| Sujet : poste transistors Schneider Vanguard Nouveau | De bozec Le 21-06-2015 à 09:01 sta |
|
bonjour,
le premier semble être le Norya, vu l'image qui n'est pas fameuse
pour le deuxième une bonne photo de l'intérieur et face avant permettrait peut être de l'identifier
Cordialement Bozec
|
|
| Sujet : poste transistors Schneider Vanguard Nouveau | De JO Le 21-06-2015 à 14:30 sta |
|
oui c'est bien le norya ,en rouge. Pour le vanguard , il est marqué dessus "dodline", j'ai continué la recherche mais pas trouvé.(on laisse tomber)
merci de votre aide
|
|
| Sujet : poste transistors Schneider Vanguard Nouveau | De bozec Le 21-06-2015 à 20:52 sta |
|
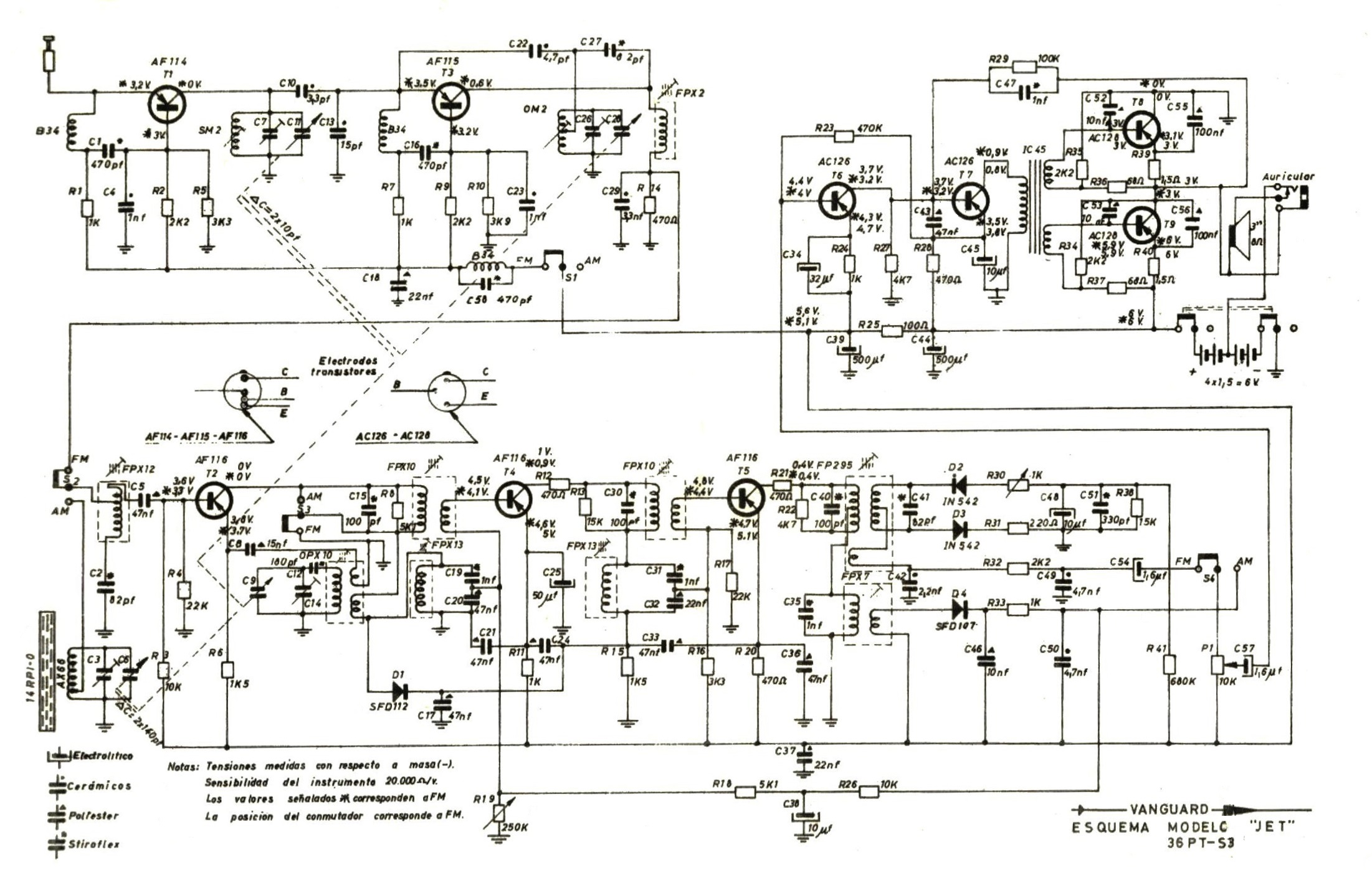
bonsoir
J'ai redressé la photo pour voir la face avant puisque vous nous donner des photos minables!
je vois donc le modèle Jet et je vous joins le schéma
Au début de l'internet on avais des écrans de 17 Pouces et je recevais des images sous paint qui étaient 4 fois trop grandes;;;;maintenant la plupard d'entre nous avons de très grands écrans et on nous met des images qui sont plus proches du timbre poste a moitié effacé que d'un poste à transistor si petit soit t il! Essayer donc de comprendre!!
Bozec
| |
|
| Sujet : poste transistors Schneider Vanguard Nouveau | De Jacques (webmestre) Le 21-06-2015 à 21:03 sta |
|
Pour ma part, je ne vois pas ce que je peux faire de plus. Accepter 5Mo ?
|
|
| Sujet : poste transistors Schneider Vanguard Nouveau | De bozec Le 21-06-2015 à 21:09 sta |
|
Bonsoir Jacques
Je pense que la photo pour identification aurait pu être de meilleur qualité sous un meilleur angle... et je comprends que 5Mo c'est déjà beaucoup
|
|
| Sujet : poste transistors Schneider Vanguard Nouveau | De Jacques (webmestre) Le 21-06-2015 à 21:16 sta |
|
Le but est d'accepter les photos directes d'APN. Perso, avec un capteur de 20 Mpx, cela conduit inévitablement à des tailles que ne savent pas gérer les non habitués au redimensionnement.
|
|
| Sujet : poste transistors Schneider Vanguard Nouveau | De JO Le 22-06-2015 à 06:39 sta |
|
bonjour, je vais en refaire des photos, je croyais que c'était limité à 300Ko.
Pas lieu de s'agacer , bonne journée
|
|
| Sujet : poste transistors Schneider Vanguard Nouveau | De JO Le 22-06-2015 à 07:52 sta |
|
voilà, des photos pas minables
| |
|
| Sujet : poste transistors Schneider Vanguard Nouveau | De Jacques (webmestre) Le 22-06-2015 à 08:11 sta |
|
Le Luomatic est un système équivalent à l'oeil magique pour transistor, pas le modèle je pense.
Mais ces deux appareils sont totalement différents, quel est le but de la question ?
|
|
| Sujet : poste transistors Schneider Vanguard Nouveau | De Jacques (webmestre) Le 22-06-2015 à 08:21 sta |
|
Le Vanguard n'est pas encore référencé. Seul le Jet y est mais PO-FM puisque pour le marché espagnol: doctsf.com/gran...
|
|
| Sujet : poste transistors Schneider Vanguard Nouveau | De JO Le 22-06-2015 à 08:44 sta |
|
Bonjour,
effectivement le Vanguard je l'ai trouvé avec la FM chez Doc, le Schneider est ressemblant au SR 70.
le but de la question était de connaitre le modèle de ces 2 appareils.
Pour moi le sujet est clos.
merci et bonne journée.
|
|
| Sujet : poste transistors Schneider Vanguard Nouveau | De JO Le 22-06-2015 à 08:55 sta |
|
erreur de ma part c'est pas Sr 70 mais Norya C 87, il semble exister avec ou sans "œil"norya C87
|
|
|