| Sujet : renseignement cablage Nouveau | De omale 13 Le 17-06-2015 à 14:48 sta |
|
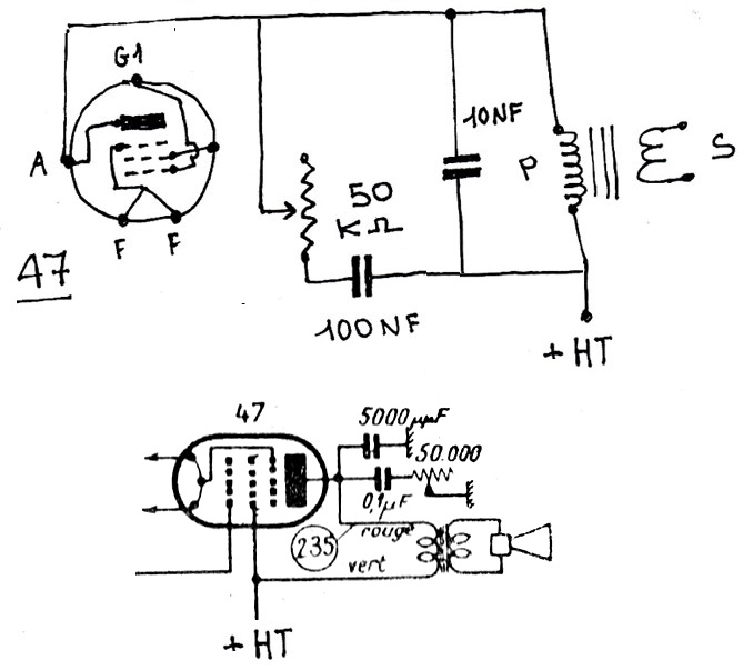
bonjour a tous
sur un poste que je suis entrain de restauré
j'ai un souci j'ai un potard de 50 k qui devais servir
pour les aigu qui les fils ont était déconnecté et coupé
il ne reste plus que 1 condo de brancher un 100 nf
su' l'anode de la 47 tout le reste enlever
je vous met un dessin que je suppose être le circuit, pouvais vous me dire
si cella peut correspondre a ce qui aurez pu être a l'origine
| |
|
| Sujet : renseignement cablage Nouveau | De Jacques (webmestre) Le 17-06-2015 à 15:42 sta |
|
Le 10nF et le 100nF font double emploi surtout que c'est le 10 qui compte en étouffeur d’aigües.
|
|
| Sujet : renseignement cablage Nouveau | De omale 13 Le 17-06-2015 à 16:26 sta |
|
Re
merci Jacques alors si j'ai compris je supprime le 100 nf
ou bien je met 5 a la place du 10 et un autres 5 a la place
du 100 nf ,ou simplement je supprime le 100nf,
autres chose un 100 k en remplacement du 50k y a t'il une
contre indication et pour la courbe du potard un A "linéaire"
car plus possible de lire ou de mesurait
merci de me lire
|
|
| Sujet : renseignement cablage Nouveau | De Jean-B Le 17-06-2015 à 16:32 sta |
|
Bonjour,
Attention !!!
Des condos en série, c'est comme des résistances en parallèle.
En mettant deux de 5 nF, vous allez obtenir 2,5nF, et non 10nF.
Mettez en 2 de 22nF et ça ira très bien.

|
|
| Sujet : renseignement cablage Nouveau | De omale 13 Le 17-06-2015 à 16:58 sta |
|
Re
ok Jeannot merci en plus je le ses pour les condo série
je n'y avez plus pensé
|
|
| Sujet : renseignement cablage Nouveau | De omale 13 Le 18-06-2015 à 20:30 sta |
|
bonsoir
si j'ai en série un condo de 100 nf avec un 10 nf
le résultat sera t'il de 9.09 nf ,
merci d'une réponse
|
|
| Sujet : renseignement cablage Nouveau | De Jacques (webmestre) Le 18-06-2015 à 20:34 sta |
|
|
|
| Sujet : renseignement cablage Nouveau | De omale 13 Le 18-06-2015 à 20:45 sta |
|
Re
merci Jacques
|
|
| Sujet : renseignement cablage Nouveau | De jcj Le 19-06-2015 à 10:57 sta |
|
On pouvait aussi penser à cela ->
Mais en général le potentiomètre de tonalité est relié à la masse comme sur le dessin du bas.
| |
|
| Sujet : renseignement cablage Nouveau | De Jacques (webmestre) Le 19-06-2015 à 11:01 sta |
|
Mais le plus intelligent est de le relier à la HT, surtout en cas de fuite ou court-circuit du condo...
|
|
| Sujet : renseignement cablage Nouveau | De omale 13 Le 19-06-2015 à 12:55 sta |
|
bonjour a vous tous
@ JcJ merci mais le quel est le plus adapté
celui que vous avez modifier ou celui en dessous
du 19.06.15 a 10.57
et merci Jacques
|
|
| Sujet : renseignement cablage Nouveau | De jcj Le 19-06-2015 à 13:28 sta |
|
Le plus logique, en théorie, est de relier le condensateur de 10nF et le circuit de tonalité à la masse comme sur le schéma en dessous.
Par contre, si on relie ces circuits au +HT, les condensateurs "souffrent" moins.
En feuilletant les schématèques, je n'ai pas trouvé de montages avec le potentiomètre de tonalité relié au +HT ou à l'anode (peut être à cause de problèmes d'isolation entre le curseur et l'axe ?).
Ce type de correcteur de tonalité a été abandonné dans les années 1940. Sur beaucoup de poste utilisant ce type de correcteur, on trouve le potentiomètre de tonalité relié à la masse et HS en raison de fuites du condensateur en série.
|
|
| Sujet : renseignement cablage Nouveau | De omale 13 Le 19-06-2015 à 13:54 sta |
|
Re
merci pour l'info JcJ je vais donc suivre le schémas de dessous
le poste est de 1932
|
|
| Sujet : renseignement cablage Nouveau | De Jacques (webmestre) Le 19-06-2015 à 14:46 sta |
|
Pour jcj: Vous n'avez pas du feuilleter beaucoup de schémathèques. On se demande pourquoi l'inciter à modifier son schéma d'origine !!!
|
|
| Sujet : renseignement cablage Nouveau | De jcj Le 19-06-2015 à 16:28 sta |
|
Ben non, je n'ai pas trouvé de schéma avec le potentiomètre de tonalité au +HT (sauf entre anodes sur des Push-Pull). Par contre, avec potentiomètre de tonalité à la masse, à la pelle...
Les courants qui traversent ces condensateurs se rendent à la cathode de la lampe de puissance. Donc la bonne pratique est de les relier à la masse, et pas au +HT, cela leur évite de traverser le 2d condo de filtrage pour rejoindre la cathode.
Le câblage idéal serait celui du doc joint ->, mais on le rencontre peu souvent.
| |
|
| Sujet : renseignement cablage Nouveau | De Jacques (webmestre) Le 19-06-2015 à 19:42 sta |
|
Essayez d'être objectif jcj, le côté faux-cul et prof "je sais tout" est en soi assez déplaisant.
|
|
| Sujet : renseignement cablage Nouveau | De Dominique Le 20-06-2015 à 22:36 sta |
|
Le fait de mettre un condensateur dans le circuit plaque ( qu'il soit en pararallèle sur le primaire du transformateur ou relié entre masse et plaque du tube ) changera dans les deux types de câblage la résistance de charge du tube. Ce qui reviendra a changer son gain.
Pour une charge à 7000 ohms d'une EL84 et un condensateur de 5000 pF :
A 1000 hertzs, la réactance du condensateur est de 31830 ohms, la charge du tube passe de 7000 ohms à 5738 ohms.
A 5000 hertzs, la réactance du condensateur est de 6366 ohms, la charge du tube passe à 3334 ohms.
Les aiguës seront moins amplifiés que les graves. Et on dose cela avec le potentiomètre de tonalité. 
Dans le montage du condensateur entre plaque et masse, celui-ci sera soumis à une tension égale à la HT moins la chute de tension dans le primaire du transformateur de sortie. Ceci est valable quand il n'y a pas de modulation du tube.
Au volume maxi, il sera soumis a des tensions supérieures à la HT.
Le montage en parallèle sur le primaire du transfo va moins solliciter le condensateur.
Dominique.
|
|
| Sujet : renseignement cablage Nouveau | De jcj Le 21-06-2015 à 09:10 sta |
|
Quitte encore à passer pour un prof faux-cul, "je sais tout", le calcul d' l'impédance d'un circuit RC parallèle est beaucoup plus compliquée à calculer.
Dans l'exemple donné par Dominique, à 5000 Hz on trouve que la charge équivalente est 4700 Ohms.
Mais si le chef, n'est encore pas d'accord, c'est bien sur lui qui à raison. La preuve ->
| |
|
| Sujet : renseignement cablage Nouveau | De casevech Le 21-06-2015 à 09:26 sta |
|
je suis d'accord avec jacques pour ce qui est des poste de cet époque,il est évident que si on veux de la HF ,le principe n'est pas valable et pour les vieux postes je m'en tient toujours au shémas d'origine si je l'ais autrement je respecte le cablage du chassis on collectionne les vieux postes ou alors on les transformes,moi j'estime qu'il faut respecter les ingenieurs de l'epoque il faisait déjà du bon boulot
|
|
| Sujet : renseignement cablage Nouveau | De omale 13 Le 21-06-2015 à 09:55 sta |
|
bonjour a tous
allez aujourd'hui c'est la fête des père alors pas de dispute
merci pour tout ce que vous préconisé ,
et bonne fête a tous les papa
|
|
| Sujet : renseignement cablage Nouveau | De jcj Le 21-06-2015 à 10:00 sta |
|
Bien sur.
Si on s'en tient à la description initiale :
"potard de 50k qui devais servir pour les aigu les fils ont était déconnecté et coupé"
" il ne reste plus que 1 condo de brancher un 100 nf sur l'anode de la 47 tout le reste enlever".
Qu'est-ce qui s'oppose donc au montage classique, potentiomètre à la masse ?
J'aime bien ces discussions animées sur des questions aussi futiles 
|
|
| Sujet : renseignement cablage Nouveau | De Modérateur Forum TSF Radio Le 21-06-2015 à 10:12 sta |
|
Mr Jardine, le fait d'avoir la science infuse ne devrait pas vous empêcher de rester humble.
Tout le monde ici fait son possible pour comprendre et dépanner au mieux.
Inutile, donc, d'écraser le petit dépanneur qui passe, comme vous le faites parfois.
|
|
| Sujet : renseignement cablage Nouveau | De casevech Le 21-06-2015 à 11:02 sta |
|
ou est le science infuse de ce" monsieu" 20 ans que je remets des vieux coucou en etat de marche,( en état de fonctionner )j'ais jamais vu un poste avoir des jambes,et je suis tout content quand je peux respectez les montage d'origine et j'ais pas mal de personne qui vienne pour remettre en état leurs vieux poste que personne ne veux dépanner
|
|
| Sujet : renseignement cablage Nouveau | De jcj Le 21-06-2015 à 11:37 sta |
|
Mais on n'a aucune d'idée du schéma d'origine.
J'adore ces discussions surréalistes...
|
|
| Sujet : renseignement cablage Nouveau | De Jacques (webmestre) Le 21-06-2015 à 11:37 sta |
|
Avec le montage "à la masse", en cas de court-circuit on risque:
- la destruction du transfo de sortie,
- le potar de tonalité, c'est évident,
- la valve et le transfo d'alim pour celui qui insiste,
- la finale BF pour laquelle l'écran servira de plaque puisque la plaque sera partiellement à la masse ou si le TS se coupe...
Avec le montage au +HT, le risque se limite à la finale BF !!!
Les schémas avec étouffeur d’aiguës relié au + existent en nombre, je ne vais pas passer mon temps à chercher ces schémas pour vous convaincre.
Voilà pour le "je sais tout". Pour le côté faux-cul, vous savez très bien de quoi je veux parler. Je pense inutile de le rappeler ici sauf si vous m'y obligez.
|
|
| Sujet : renseignement cablage Nouveau | De jcj Le 21-06-2015 à 12:42 sta |
|
"faux-cul" : Non, je ne vois de quoi vous voulez parler, mais ce doit être abominable
|
|
| Sujet : renseignement cablage Nouveau | De Dominique ( en vadrouille ) Le 21-06-2015 à 13:56 sta |
|
Sûrement une capa qui fuyait . 
Dominique.
| |
|
| Sujet : renseignement cablage Nouveau | De Phil Le 21-06-2015 à 14:08 sta |
|
CC72148, c'est une loco diesel, qui vu l'état ne doit plus trop respecter l'environnement...
Oui, je sais, c'est mon jour écolo!
|
|
| Sujet : renseignement cablage Nouveau | De jcj Le 22-06-2015 à 06:19 sta |
|
Merci pour cette petite diversion ferroviaire.
N'empêche que j'aurais bien aimé savoir de quoi il s'agit :
"Pour le côté faux-cul, vous savez très bien de quoi je veux parler. Je pense inutile de le rappeler ici sauf si vous m'y obligez".
???
|
|
| Sujet : renseignement cablage Nouveau | De Michel Le 22-06-2015 à 08:46 sta |
|
Assez déplaisante, cette dispute entre jcj et le webmestre ! Et c'est à dessein que j'écris webmestre et non Jacques.
Mais moi, ce que j'en dis ...
Michel (F1GOC)
|
|
| Sujet : renseignement cablage Nouveau | De Modérateur Forum TSF Radio Le 22-06-2015 à 09:22 sta |
|
Bon, je ferme le sujet.
Jacques le rouvrira s'il le juge nécessaire.
|
|
| Sujet : renseignement cablage Nouveau | De Jacques (webmestre) Le 22-06-2015 à 18:51 sta |
|
Tu as bien fait. Cette discussion se poursuit par mail.
|
|
|