| Sujet : Schneider Fandango Nouveau | De Nawfel Le 15-11-2005 à 15:20 sta |
|
Bonjour,
Je viens de recuperer dans le grenier d'une tante decedée il y a qq temps un poste tsf Fandango Schneider, j'aimerai savoir si quelqu'un a le schemas de ce poste ou alors un lien pour le trouver, Google n'y arrive pas !.
Merci par avance
|
|
| Sujet : Schneider Fandango Nouveau | De JCJ Le 16-11-2005 à 09:43 sta |
|
Bonjour,
Il y a plusieurs modèles : 6 lampes, 8 lampes, avec la FM. Lequel ?
|
|
| Sujet : Schneider Fandango Nouveau | De Nawfel Le 16-11-2005 à 14:32 sta |
|
Il s'agit d'un 6 lampes sans FM.
|
|
| Sujet : Schneider Fandango Nouveau | De JCJ Le 16-11-2005 à 17:51 sta |
|
Désolé, je pensais avoir ce schéma, mais je ne le retrouve pas 
Si le schéma est aussi classique que pour les "Boléro", "Mambo"... la remise en état ne doit pas être trop difficile.
Quels sont les problèmes ?
|
|
| Sujet : Schneider Fandango Nouveau | De Nawfel Le 17-11-2005 à 08:05 sta |
|
Merci pour votre reponse. En fait je n'arrive plus à lire les valeurs sur les condos, j'esperais pouvoir le faire avec le schemas.
En fait un gros ronronnement, pas de frequence trouvée sauf en GO en tirant la tige du potar !!
Je suis electricien de metier, mais je n'y connais strictement rien en TSF
J'ai recuperé ce poste dans le grenier d'une vieille tante decedée il y a pas longtemps et j'aimerai beaucoup faire revivre ce poste....
|
|
| Sujet : Schneider Fandango Nouveau | De Jacques (webmestre) Le 17-11-2005 à 08:40 sta |
|
L'équipement lampes est identique au bolero 57. Schéma sans doute très proche.
|
|
| Sujet : Schneider Fandango Nouveau | De JCJ Le 17-11-2005 à 11:08 sta |
|
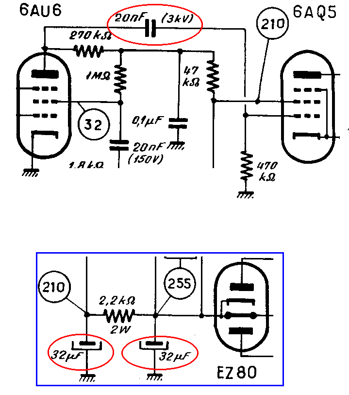
Voici le schéma des "Romance", "Boléro", "Czardas" qui sont donc peut être très proches du "Fandango"... 
| |
|
| Sujet : Schneider Fandango Nouveau | De Nawfel Le 17-11-2005 à 11:30 sta |
|
Merci beaucoup Je vais y aller à taton..... A votre avis quel sont sur ce schemas les condos à changer obligatoirement ?
Merci beaucoup pour votre aide
|
|
| Sujet : Schneider Fandango Nouveau | De JCJ Le 17-11-2005 à 15:03 sta |
|
Bonjour,
Comme sur tous les postes anciens, il vaut mieux changer systématiquement les 2 condensateurs de filtrage (32µF-450 V) et le condensateur de liaison entre les 2 lampes Basse Fréquence (22 nF-630 V).
Voir schéma joint.
Il y a 8 chances sur 10 qu'après ces changements le poste recommence à parler (s'il n'est pas en trop mauvais état).

| |
|
| Sujet : Schneider Fandango Nouveau | De Nawfel Le 17-11-2005 à 15:32 sta |
|
Merci , ça va pas être facile de trouver avec des tension de 630V ! Par quel type de condo neuf il vaut mieux les remplacer ?
|
|
| Sujet : Schneider Fandango Nouveau | De JCJ Le 17-11-2005 à 21:08 sta |
|
Un condensateur de 22nF - 630 V est très classique et coute moins de 1 Euro (630 V est une tension normalisée pour les condensateur)
Les chimiques 450 V sont beaucoup plus chers...
|
|
| Sujet : Schneider Fandango Nouveau | De JC Négret Le 17-11-2005 à 21:42 sta |
|
Bonsoir;
Vous parlez sans-doute de tube-alu, non ? Chez Electro Diff, il y a des chimiques de type moderne 450V très abordables:
10µF --> 0,75
22µF --> 1,50
JC 
|
|
| Sujet : Schneider Fandango Nouveau | De Nawfel Le 18-11-2005 à 08:38 sta |
|
Merci pour toute ces reponses
Un petite question encore à JCJ le condensateur de liaison entre les 2 lampes est marqué (3Kv) sur le schemas ??? pour moi electricien cela correspond à une tension de 3000v, pourtant vous me dites qu'il s'agit d'un 22nF - 630 V .... moi dès qu'il y a des p'tites boites à pattes je decroche 
|
|
| Sujet : Schneider Fandango Nouveau | De JCJ Le 18-11-2005 à 09:36 sta |
|
C'est bien "3000 V", mais un condensateur marqué 3000 V à l'époque du poste ne valait pas un condensateur marqué 630 V actuellement.
Les 3000 V indiqués etaient une "tension d'essai", qui ne garantissait nullement que le condensateur ne claquerait pas quelques années plus tard sous 500 V seulement.
Les marquages actuels sont plus fiables et 630 V suffisent dans ce cas (la tension réelle que doit supporter ce condensateur dans le pire des cas est de l'ordre de 400 V).
Bien sûr si vous mettez un 1000 V actuel ce ne sera que mieux.

|
|
| Sujet : Schneider Fandango Nouveau | De Nawfel Le 18-11-2005 à 10:35 sta |
|
Je comprend mieux j'ai dessoudé ce condo hier soir, il est d'ailleur marqué 2500v, par contre il a bien claqué, il est fendu sur la longueur......reste plus qu'à trouver tout ça, ressouder et retester.....
Merci encore pour toutes vos reponses  je vous tiendrai au courant de la suite......
|
|
| Sujet : Schneider Fandango Nouveau | De bou.jean-pierre Le 23-11-2005 à 16:00 sta |
|
bonjour,
avez-vous trouvé le bon schéma ?
j'ai dans ma schématèque les schémas du "fandango" 6 lampes sans f.m. , ainsi que les
modifications apportées suivant le numéro de série , laissez moi vos coordonnées , je
vous écrirais .
salutations
|
|
| Sujet : Schneider Fandango Nouveau | De Nawfel Le 24-11-2005 à 14:44 sta |
|
Non je n'ai pas le bon schemas, je vous remercie de me l'envoyé c'est tres sympa
Je vous ai fait un email...
J'ai trouvé quelqu'un pour tester mes lampes, resultat
EM81 et 6AU6 morte ! Si quelqu'un a ces tubes à un prix raisonnable, je suis preneur .
Merci encore une fois pour vos reponses
|
|
| Sujet : Schneider Fandango Nouveau | De bou.jean-pierre Le 25-11-2005 à 15:20 sta |
|
bonjour,
pour l'instant , aucun email , je n'ai toujours pas vos coordonnées pour vous écrire .
j'attends .
salutations
|
|
| Sujet : Schneider Fandango Nouveau | De Jacques (webmestre) Le 25-11-2005 à 15:35 cms |
| |
|
| Sujet : Schneider Fandango Nouveau | De Nawfel Le 14-12-2005 à 14:15 sta |
|
Bonjour,
hum merci JP Bou pour votre courrier, mais cela me reviendrai un peu trop cher le schemas.....Je fais avec celui du Bolero 57 et ma foi je m'y retrouve.
Par contre je suis à la recherche d'une EM81, si quelqu'un a une offr à me faire
|
|
|