| Sujet : Casse-tête Philips Nouveau | De JCJ Le 11-01-2010 à 20:02 sta |
|
Bonjour,
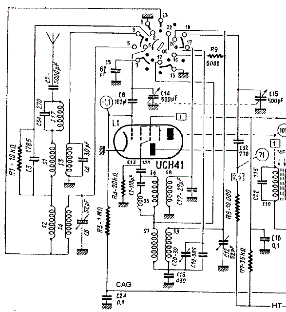
Mieux que le sudoku, essayer de comprendre le fonctionnement du commutateur de gammes d'un poste Philips (doc joint) ![:o[]](s13.gif)
Si quelqu'un arrive à faire le schéma du circuit d'antenne dans les positions PO et GO, je lui tire mon chapeau. Personnellement je démissionne.
Tout cela pour dépanner un BF281U qui ne fonctionne pas en GO...
Merci 
| |
|
| Sujet : Casse-tête Philips Nouveau | De Bernard-GRZ Le 11-01-2010 à 21:25 sta |
|
Je suppose dans le sens de rotation OC PO GO, donc sont reliés :
OC 1-2 3-6 12-13 17-19
PO 1-2 5-6 19-20
GO 5-6 16-17 22-23
|
|
| Sujet : Casse-tête Philips Nouveau | De JCJ Le 11-01-2010 à 21:45 sta |
|
Oui, mais pas très crédible... Par exemple la liaison 22-23 en GO relie les bobines de l'oscillateur avec celles de l'antenne dans une configuration des plus bizarres.
Je me demande si ce schéma est juste![[:??:]](s11.gif)
|
|
| Sujet : Casse-tête Philips Nouveau | De Jean Roland Le 11-01-2010 à 22:25 sta |
|
Je confirme en GO :
5-6 ; 16-17 ; 22-23
En OC ET PO l'entretient des oscillations de l'hétérodyne se fait par la voie normale, c à d sortie plaque hétérodyne vers la grille hétérodyne par les contacts en OC 17-19 et en PO 19-20.
En GO l'entretien des oscillations de l'hétérodyne se ferait par la HF d'entrée et donc par les contacts 22-23. Bizarre...?
|
|
| Sujet : Casse-tête Philips Nouveau | De Bernard-GRZ Le 11-01-2010 à 23:08 sta |
|
Sur la notice du Radiola :
L1 : Va tension normale, Vg tension normale, VgH tension normale, Vao tension faible, Vgo tension nulle
Muet en G.O. ---> L1 n'oscille pas ---> S6 - S7 - S9 - C19 - C18 - C20, coupé.
L1 : Va tension normale, Vg tension normale, VgH tension normale, Vao tension normale, Vgo tension normale
Muet en G.O. ---> S1 - S2 - S4 - C5 coupé (C5 ? plutôt C6)
Bonne nuit.
|
|
| Sujet : Casse-tête Philips Nouveau | De JCJ Le 12-01-2010 à 07:20 sta |
|
Bon... J'y crois pas trop (dessin joint) le condensateur C18 qui appartient à la fois au circuit d'antenne et à l'oscillateur ainsi que le branchement des bobines d'antenne me paraissent anormaux ![[:??:]](s11.gif)
| |
|
| Sujet : Casse-tête Philips Nouveau | De JCJ Le 12-01-2010 à 09:38 sta |
|
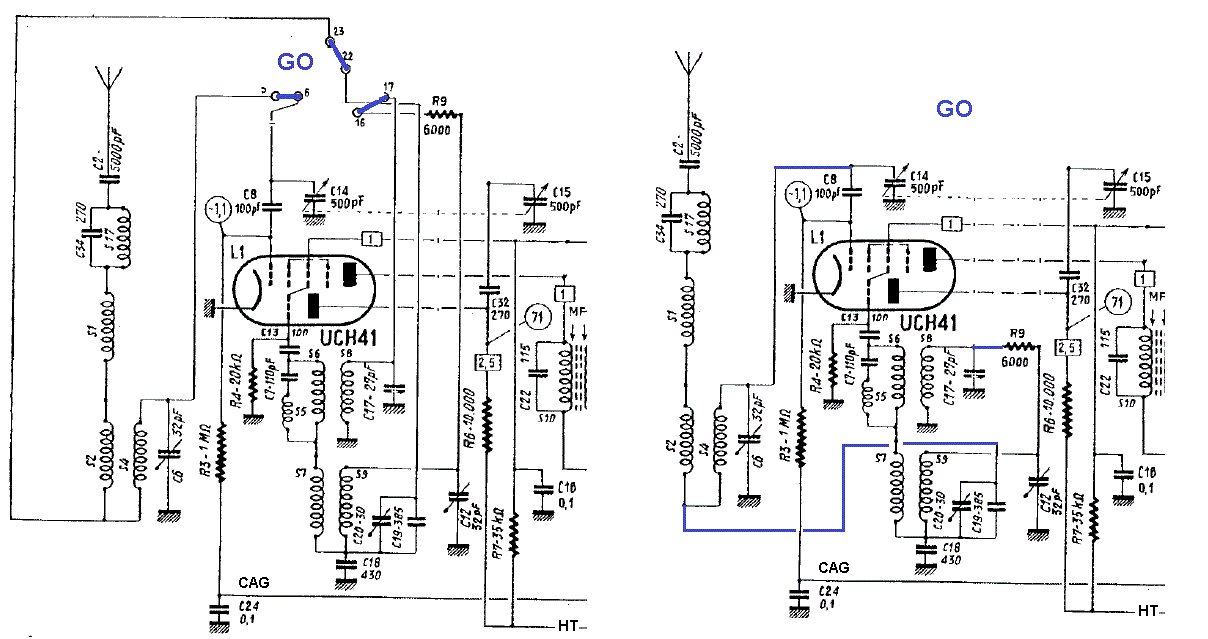
ça y est... j'ai trouvé l'erreur. En fait, le contacteur tourne de 3 crans entre chaques gammes (soit +3 crans en PO et +6 crans en GO). On arrive ainsi à des schémas plus "normaux".
J'aurais du y penser plus tôt vu que le commutateur tourne de 90° entre chaque gammes. On s'arrange pas en vieillissant 
|
|
| Sujet : Casse-tête Philips Nouveau | De Bernard-GRZ Le 12-01-2010 à 12:18 sta |
|
Comme je n'ai pas la radio, je ne peux pas deviner que le commutateur tourne à chaque fois de 90°.
Merci pour l'info que je note sur la notice.
|
|
| Sujet : Casse-tête Philips Nouveau | De Jean Roland Le 12-01-2010 à 12:59 sta |
|
Encore eut il fallu que l’on le su(s)t 
|
|
| Sujet : Casse-tête Philips Nouveau | De Bernard-GRZ Le 20-01-2010 à 20:44 sta |
|
J'ai trouvé la doc du commutateur en position GO
| |
|
| Sujet : Casse-tête Philips Nouveau | De Totolagalène Le 20-01-2010 à 21:14 sta |
|
Il n'y aurait pas besoin qu'il le sussasse!
|
|
| Sujet : Casse-tête Philips Nouveau | De Pierrot du 82 Le 21-01-2010 à 03:07 cms |
|  |
Avec la bonne doc on comprend tout !
Merci Bernard...
|  |
|
|
| Sujet : Casse-tête Philips Nouveau | De JCJ Le 21-01-2010 à 07:37 sta |
|
Enfin, le bon schéma... , mais l'explication donné dans le document ("le circuit GO étant uniquement constitué par la bobine S1, ce qui donne avec S4, un rapport de transformation élevé.") est totalement fausse .
Je pense que le circuit GO est constitué comme sur le dessin joint : couplage entre le circuit d'antenne et le circuit d'accord par l'impédance commune R1-C3.
La bobine d'accord étant constituée de S2 en série avec S4.
C'est ce montage assez rare sur les postes de cette époque qui m'a fait douter du fonctionnement du commutateur. 
| |
|
| Sujet : Casse-tête Philips Nouveau | De Bernard-GRZ Le 21-01-2010 à 19:48 sta |
|
S2 et S4 sont en série sur le schéma.
|
|
| Sujet : Casse-tête Philips Nouveau | De JCJ Le 22-01-2010 à 10:23 sta |
|
Oui, c'est bien cela.
Je suppose que c'est une astuce " Philips" pour économiser des bobines. S2, S4 servent à la fois en PO et en GO.
En PO, montage classique, point commun à la masse.
En GO, S2 et S4 sont montées en série et le couplage d'antenne se fait par C3 qui est commun au circuit d'antenne et au circuit d'accord. La résistance R1 ne sert que pour relier l'antenne à la masse.
Sur le schéma joint les bobines OC et le filtre MF ne sont pas représentés.
J'ai mis un certain temps à comprendre...![[:??:]](s11.gif)
| |
|
|