| Sujet : Commande d'un ami Nouveau | De Kalbounet Junior Le 05-01-2010 à 19:00 sta |
|
Bonjour
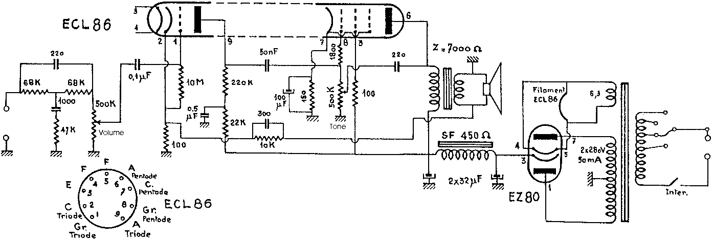
Un ami m'a demandé de lui faire, pour son petit PC, un truc avec des lampes qui pourrait remplacer ses petits HP en plastoque. J'avais pensé à un ampli composé de deux ECL86, pour faire simple, et j'ai trouvé le schéma que j'ai joint.
Je mettrai des 0,047µf pour les 50nF, sinon j'ai des 0.1µ, etc...
Les capas sans unité c'est en pF ? Et toujours l'éternelle question : quelles résistances devront dissiper plus que 0.25W ? J'oublie toujours. Et puis j'ai deux transfos de sortie identiques mais je ne connais pas leur impédance... Zut.
Merci de votre aide future et, au fait, bonne année !
| |
|
| Sujet : Commande d'un ami Nouveau | De jackoe Le 05-01-2010 à 19:03 sta |
|
Est-ce que ton ami a les haut-parleurs (installés dans des enceintes) qui vont bien ? ![[:Hi:]](s12.gif)
|
|
| Sujet : Commande d'un ami Nouveau | De Kalbounet Junior Le 05-01-2010 à 19:06 sta |
|
Oui, il a trouvé de "bonnes" enceintes qui ne gâcheront pas le son des tubes.
|
|
| Sujet : Commande d'un ami Nouveau | De jackoe Le 05-01-2010 à 19:13 sta |
|
Et l'alimentation du bastringue ? Vous y avez pensé ??? ![[:??:]](s11.gif)
|
|
| Sujet : Commande d'un ami Nouveau | De Kalbounet Junior Le 05-01-2010 à 19:19 sta |
|
Un bête transfo récupéré d'un poste, une résistance, des capas...
|
|
| Sujet : Commande d'un ami Nouveau | De Gilbert Le 05-01-2010 à 21:50 sta |
|
Une commande pour un ami !!!!
Aurait-on cloné.....
Ok je sors...non je rentre, fait trop froid !
|
|
| Sujet : Commande d'un ami Nouveau | De jackoe Le 05-01-2010 à 22:04 sta |
|
Roulez, jeunesse !!! ![[:Hi:]](s12.gif)
|
|
| Sujet : Commande d'un ami Nouveau | De francis59 Le 05-01-2010 à 22:33 sta |
|
bonsoir
j ai deja vu sur un autre site une personne qui avait fait un ampli avec des ecl86 pour son pc le systeme d alimentation etait fait de 2 transfo 220v 2x12v et pour la sortie ampli un transfo 2x115v 2x6,3v on trouve c est transfo c est selectronic
voila
salut
|
|
| Sujet : Commande d'un ami Nouveau | De fabignoli Le 06-01-2010 à 15:29 sta |
|
Bonjour,
Un bête transfo de poste ne suffira pas il en faut un bien musclé car vous avez quand même 2 étages de puissance qui bouffe chacun pas loin de 50mA, donc il faut un transformateur capable de donner au moins 100mA rien que pour la HT, ce déja un gros transfo, les transfos de poste ordinaire peuvent donner jusqu'a 60 à 70mA maxi en HT en général.
Cordialement
Frederic ABIGNOLI
|
|
| Sujet : Commande d'un ami Nouveau | De FREDO Le 06-01-2010 à 15:42 sta |
|
N'aurait-il pas été plus simple et plus rationnel d'installer un ampli transistorisé à base de circuit intégré spécialisé ?
MD
|
|
| Sujet : Commande d'un ami Nouveau | De René Le 06-01-2010 à 15:45 sta |
|
Ho ! bah ça c'est pas drôle du tout ! 
|
|
| Sujet : Commande d'un ami Nouveau | De René Le 06-01-2010 à 15:48 sta |
|
Jackoe:
"Et l'alimentation du bastringue ? Vous y avez pensé ??? "
Je vois que cela devient un message universel... ![[:Hi:]](s12.gif)
(fil EL34)
|
|
| Sujet : Commande d'un ami Nouveau | De Kalbounet Junior Le 06-01-2010 à 17:26 sta |
|
C'est vrai que j'avais l'habitude de faire du mono... Ça ne conviendra pas ... Zut.
|
|
| Sujet : Commande d'un ami Nouveau | De Thierry Magis Le 06-01-2010 à 18:31 sta |
|
Bon, bien que la période des cadeaux soit passée...
J'ai encore deux modules de sortie à ECL 86 + alimentation. Avec les transfos, et tout... faudra remplacer les condensateurs et relever le schéma.
Peut être un petit préampli et en avant ! C'était prévu pour sortie 4 ou 8 ohms...
Ceci provient d'un ampli tuner "Hempel" (ex-DDR) que j'ai démantibulé il y a longtemps car la partie tuner était irréparable, et le boîtier cassé! Mais l'ampli fonctionnait toujours !
Tu aura même d'autres tensions disponibles venant de l'alim, car une partie de cet engin était à transistors.
Je l'avais destiné à un certain Romuald il y a plusieurs années, et il n'y a jamais eu suite. C'est toujours emballé, il n'y a qu'à changer l'adresse sur les cartons ! Tout cela est emballé depuis plus de 6 ans !
Gratos pour le matériel, ca convient ? 
Mais j'ignore les frais de port depuis la Belgique. En novembre 2003 c'était déjà presque 30 euros...
Faudrait que je me renseigne !
A toi de voir ! Pour des photos, il y en a eu mais je dois aller rechercher dans mes vieux back-up !
cordialement
Thierry
|
|
| Sujet : Commande d'un ami Nouveau | De Thierry Magis Le 06-01-2010 à 18:33 sta |
|
Maintenant, évidemment, il est toujours possible de venir me dire bonjour : c'est bien volontiers! Et tu repartira avec cela ... et peut être d'autres machins !
Mais j'habite l'est de la Belgique, l'antichambre de la Sibérie, presque ! 
|
|
| Sujet : Commande d'un ami Nouveau | De Fifi Le 06-01-2010 à 19:08 sta |
|
Bonsoir,
autre possibilité: faire un double mono avec 2 transfo de poste si tu as!?
j'ai déjà fait ce montage en mono sur un châssis avec un récepteur FM a transistor
il n'y a pas besoin d'un "énorme transfo par voie!
| |
|
| Sujet : Commande d'un ami Nouveau | De Jacques (webmestre) Le 06-01-2010 à 19:30 sta |
|
Il me semble que la proposition de Thierry est plus qu'intéressante non ? 
|
|
| Sujet : Commande d'un ami Nouveau | De Roger Michel Le 06-01-2010 à 19:47 sta |
|
Où en Belgique Thierry?
J'habite Metz et je dois rencontrer Paul à Dijon pour Pâques.
|
|
| Sujet : Commande d'un ami Nouveau | De Thierry Magis Le 06-01-2010 à 20:20 sta |
|
Bonjour Roger,
A Verviers. De Metz il faut environ 2h30 via Luxembourg puis remonter par l'autoroute Arlon - Liège.
Vous êtes le bienvenu ! Si possible après janvier car mon épouse est en pleine session d'examens.
Par contre, je ne retrouve pas les photos de ces modules dans mes archives, probablement effacées.
Il faudrait ouvrir les colis d'époque et refaire des photos. De toutes facons, ils sont dans mon local de stockage, je les rapporterai à la maison la prochaine fois que j'y vais.
Cordialement
Thierry
|
|
| Sujet : Commande d'un ami Nouveau | De Roger Michel Le 06-01-2010 à 20:57 sta |
|
C'est envisageable car je travaille avec plusieurs entreprises de Charleroi et je fais le trajet presque tous les mois.
Si Paul veut bien attendre Pâques pour livrer sa commande, je viendrai vous voir avec plaisir.
Roger
|
|
|