| Sujet : Sonneclair Nouveau | De Gilbert Le 04-01-2010 à 17:56 sta |
|
Je commence la restauration d' un Superlux, sans clavier, mais il est équipé des lampes suivantes:
- 6AU6 - ECH81- EAF42 (x2) - EL41 - GZ41 - EM34
alors que le schéma trouvé dans la schématèque est équipé des lampes suivantes
- 6AU6 - ECH81 - EBF80 (x2) - EL84 - EZ80 - EM34
Le modèle "Royal" possède des EAF 42, mais une GZ32 et aussi une EF41
Quelqu'un possède le schéma de cette version du superlux?
|
|
| Sujet : Sonneclair Nouveau | De Roger Michel Le 04-01-2010 à 18:14 sta |
|
Bonjour Gilbert
Il me semble que c'est la série de lampes du modèle Arc en Ciel dont je possède un exemplaire.
Je n'ai pas cherché le schéma, mais il doit être trouvable.
Roger
|
|
| Sujet : Sonneclair Nouveau | De Gilbert Le 04-01-2010 à 19:04 sta |
|
Merci Roger, je vais rechercher ce modèle.
![[:Hi:]](s12.gif)
|
|
| Sujet : Sonneclair Nouveau | De Roger Michel Le 04-01-2010 à 19:08 sta |
|
Je viens de retrouver une photo
| |
|
| Sujet : Sonneclair Nouveau | De jacques DENYS Le 04-01-2010 à 19:29 sta |
|
Bonjour Gilbert
Un petit cadeau avec mes meilleurs voeux pour 2010
Jacques DENYS
| |
|
| Sujet : Sonneclair Nouveau | De Pierrot du 82 Le 04-01-2010 à 21:21 cms |
|  |
Encore un mouton à 5 pattes, Gilbert ?
|  |
|
|
| Sujet : Sonneclair Nouveau | De Gilbert Le 04-01-2010 à 21:38 sta |
|
Jacques Denys,
Merci de votre réactivité et de vos voeux....mais c'est le schéma que j'ai trouvé sur le forum et qui ne correspond pas aux lampes du mien !
Pierrot,
Tu sais bien que je suis le spécialiste ! Et puis c'est pour vous sortir de la routine des montages que vous connaissez tous par coeur !
Ce poste à du être mis sous tension avec un chimique de filtrage HS ( suis en train de les changer ), la résistance de cathode de la GZ41 est cramée. Valeur illisible, mais puissance de 3 ou5 watts !
Les supports de lampes sont rivés, je pense qu'il s'agit d'un montage d'origine, malgré la présence de la 6AU6 et de l'ECH81 !
|
|
| Sujet : Sonneclair Nouveau | De Roger Michel Le 04-01-2010 à 22:40 sta |
|
Si c'est comme l'Arc en Ciel, c'est un montage classique, sans problèmes particuliers et sans clavier.
Une vue de l'intérieur du mien...
| |
|
| Sujet : Sonneclair Nouveau | De Gilbert Le 04-01-2010 à 23:31 sta |
|
....c'est un montage classique sans ..... 
Sûrement exact, à ce détail près que moi, sans schéma je suis tout nu !
Je fêterai à la fin février, mes deux ans sur le forum, et du même coup, mes deux ans d'expérience radio ! Leçons intensives certes, mais pas beaucoup de travaux pratiques !
Et puis le mien est beaucoup plus compliqué: il y a une platine, et un cadre tambour !
C'est quand même autre chose !!!
 
| |
|
| Sujet : Sonneclair Nouveau | De Pierrot du 82 Le 04-01-2010 à 23:46 cms |
|  |
Ah si c'est un radio-phono !
|  |
|
|
| Sujet : Sonneclair Nouveau | De Roger Michel Le 04-01-2010 à 23:48 sta |
|
J'ai peut-être un truc qui ressemble à ça, mais sans PU.
Je regarderai le prochain WE et si tu ne t'en sort pas je relèverai le schéma.
|
|
| Sujet : Sonneclair Nouveau | De Roger Michel Le 05-01-2010 à 00:05 sta |
|
D'après le sujet "lampe" du 02.01.10 et Pierrot du 82, EAF42 et EBF80 sont identiques sauf le culot.
Le schéma proposé par J. Denys doit donc convenir.
Sur le site de sepelliere44, il y a le même Superlux que toi avec phono.
Roger
|
|
| Sujet : Sonneclair Nouveau | De Gilbert Le 05-01-2010 à 00:52 sta |
|
Roger,
En effet je viens de comparer avec le lexique, les tubes sont identiques. Un peu plus difficile pour moi, de raisonner sur un brochage différent, mais je vais essayer.
Le relevé de schéma n'ayant rien d'une partie de plaisir, laisse tomber, je te poserai éventuellement une question ou deux. ( surtout sur les valeurs de composants )
Merci de ton offre.
J'ai vu ce poste sur le site de Sepellière44. Celui de DOC.tsf daté par erreur de 1954, est le mien.
|
|
| Sujet : Sonneclair Nouveau | De Roger Michel Le 05-01-2010 à 13:24 sta |
|
Gilbert
J'ouvrirai mon Superlux le week-end prochain pour voir quelles sont les lampes. Ce qui est presque sûr, c'est qu'il me manque un des trois cadrans mais je ne sais plus lequel.
|
|
| Sujet : Sonneclair Nouveau | De Gilbert Le 05-01-2010 à 17:09 sta |
|
Pas de problème pour faire un scan des trois cadrans. Dis moi ce qu'il te manque.
Il sera peut-être nécessaire de faire un montage, car je n'ai pas encore mon scanner A3
|
|
| Sujet : Sonneclair Nouveau | De Roger Michel Le 05-01-2010 à 20:10 sta |
|
Comme je n'ai pas d'imprimante A3, le montage ne me gêne pas.
Merci d'avance.
Si ma série de tubes correspond à la tienne, je relèverai le schéma. De toute façon avec le froid qu'il fait, je ne risque pas de sortir beaucoup.
|
|
| Sujet : Sonneclair Nouveau | De Gilbert Le 05-01-2010 à 21:47 sta |
|
J'aurai besoin de connaitre la valeur de la resistance qui est cramée.
C'est celle qui est placée entre le chimique de 32 mf et le TS ( 1200 ohms sur le schéma de J Denys)
Je vais scanner tous les cadrans et je te les envoie. Tu prendras ce qu'il te faut !l
|
|
| Sujet : Sonneclair Nouveau | De Pierrot du 82 Le 05-01-2010 à 22:14 cms |
|  | A mon avis 1200 ohms aussi... ou toute valeur entre 1000 et 2200 ohms, elle sert de résistance de filtrage et elle est parcourue par environ 10 ou 15 mA.
|  |
|
|
| Sujet : Sonneclair Nouveau | De Gilbert Le 05-01-2010 à 22:57 sta |
|
Pourquoi une telle puissance pour 10 ou 15 mA ?
| |
|
| Sujet : Sonneclair Nouveau | De Totolagalène Le 05-01-2010 à 23:06 sta |
|
On peut la calculer: HT alternative du transfo.
Additionner la consommation HT de tous les tubes.
Et sachant qu'on doit avoir 250 V de HT redressée filtrée.![[:Hi:]](s12.gif)
|
|
| Sujet : Sonneclair Nouveau | De Gilbert Le 05-01-2010 à 23:11 sta |
|
Un peu moins de 4 W, celle-ci me semble faire beaucoup plus !
|
|
| Sujet : Sonneclair Nouveau | De Pierrot du 82 Le 06-01-2010 à 01:10 cms |
|  |
Si on se base sur le schéma donné par Jacques Denys, il ne passe dans cette résistance que le courant HT des lampes HF et MF, plus la préampli BF et l'écran de la finale BF, ça doit guère dépasser 20-25 mA...
|  |
|
|
| Sujet : Sonneclair Nouveau | De Totolagalène Le 06-01-2010 à 01:31 sta |
|
4 Watts c'est bon vu que le courant plaque ne passe pas par la résistance de filtrage.![[:Hi:]](s12.gif)
|
|
| Sujet : Sonneclair Nouveau | De Pierrot du 82 Le 06-01-2010 à 01:38 cms |
|  |
Elle a eu trop chaud, cette résistance...
Le second 32 µF de filtrage doit être en court-circuit, ou pas loin !
Ou alors le troisième 32 µF de filtrage ?
|  |
|
|
| Sujet : Sonneclair Nouveau | De Gilbert Le 06-01-2010 à 10:22 sta |
|
Je n'avais pas vu les deux autres chimiques de 32 mF. Je m'occupe de leur cas !
Roger Michel et Jacques ( webmestre)
Les scans des cadrans sont respectivement: dans votre B.A.L et dans le Palais des glaces.
J'attend votre confirmation que c'est exploitable avant ce remontage " délicat"
|
|
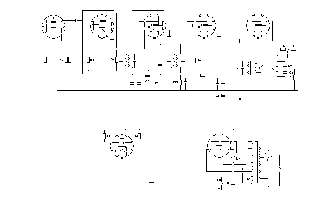
| Sujet : Sonneclair Nouveau | De Roger Michel Le 11-01-2010 à 19:07 sta |
|
Bonjour
Joint mon premier relevé de schéma incomplet et non terminé. J'espère qu'il va passer correctement.
Par rapport au schéma fourni par J. Denys, il semble que ce modèle soit plus ancien. Toutes mes lampes sont datées de 1951.
Le chassis a visiblement été prévu pour un montage avec phono, bien que mon appareil n'en comporte pas. Tout est entassé et peu lisible sans démontage.
A noter qu'il n'y a que 2 condos de 32µF, que le 250v de l'EM34 est pris en amont de la résistance de 1200ohms qui, bien que de grosse taille, ne tient que 2 watts et que la polarisation des lampes est assurée par une résistance de 100ohms en série avec une 30ohms au lieu d'une seule résistance de 91 ohms.
La valve est une GZ40 (donc alimentée en 5V).
Je suggère à Gilbert :
- remplacer les 2 condos de 32µF 350V
- remplacer le 50µF (ou 25) 25V
- remplacer le condensateur de liaison sur EL41 (50nF probablement)
- remplacer le 5nF 3000Vcc sur le TS par un modèle 400V (ou dans le doute les 4 condos présents sur celui-çi).
- remplacer la résistance de 1200ohms par un modèle 3 watts bobiné.
- débrancher la partie phono.
- mettre en route après avoir positionné sur 240V et contrôlé l'absence de court-cicuits.
Roger
| |
|
| Sujet : Sonneclair Nouveau | De Masterorion Le 11-01-2010 à 19:14 sta |
|
"la polarisation des lampes est assurée par une résistance de 100ohms en série avec une 30ohms au lieu d'une seule résistance de 91 ohms."
Cag retardée on dirait.
|
|
| Sujet : Sonneclair Nouveau | De Gilbert Le 11-01-2010 à 21:13 sta |
|
Merci Roger
J'ai changé les quatre chimiques et celui de liaison
J'ai remplacé la 1200 ohms par une 1800 (tout ce que j'avais en stock ) de puissance équivalente. La platine est démontée du poste
Après avoir placé le cavalier sur 240 volts: mise sous tension. RAS
Après quelques minutes, avant que j'ai eu le temps de vérifier les tensions, j'ai constaté que le transfo d'alim était très chaud.
|
|
| Sujet : Sonneclair Nouveau | De Totolagalène Le 11-01-2010 à 21:46 sta |
|
Ce que je ferais Gilbert.Enlever tous les tubes et regarder quelle valeur de résistance entre ligne HT et masse.![[:Hi:]](s12.gif)
|
|
| Sujet : Sonneclair Nouveau | De Gilbert Le 11-01-2010 à 21:58 sta |
|
|
|
| Sujet : Sonneclair Nouveau | De Totolagalène Le 11-01-2010 à 22:13 sta |
|
Reprendre cette mesure entre chaque remise en place des tubes un par un. C'est pour voir, comme tu t'en doutes, si tu n'as pas un court-jus franc dans un tube (à défaut de lampemètre)![[:Hi:]](s12.gif)
|
|
| Sujet : Sonneclair Nouveau | De Gilbert Le 11-01-2010 à 22:18 sta |
|
Mais j'ai un lampemètre moi Môssieur !
Je vais tester les lampes, car la 1200 ohm qui était cramée, a pu créer des dégats ou l'inverse.
J'ai un condo sur la prise PU qui est marqué 500 µµF . C'est bien 0,5 µF ?
![[:Hi:]](s12.gif)
|
|
| Sujet : Sonneclair Nouveau | De Totolagalène Le 11-01-2010 à 22:21 sta |
|
500 µµF = 500pF![[:Hi:]](s12.gif)
|
|
| Sujet : Sonneclair Nouveau | De Roger Michel Le 11-01-2010 à 22:31 sta |
|
Où as-tu trouvé le 4ème chimique?.
Si tu en as trois pour le filtrage, il y a une seconde résistance comme la 1200ohms quelque part.
|
|
| Sujet : Sonneclair Nouveau | De Gilbert Le 11-01-2010 à 22:35 sta |
|
Bon j'ai mesuré les resistances lampe après lampe ( sortir le lampemètre, consulter le lexique...etc...)
Je trouve environ 5 méghoms sur chaque lampe, mais 350 ohms sur la GZ 41.
Morte???
|
|
| Sujet : Sonneclair Nouveau | De Totolagalène Le 11-01-2010 à 22:40 sta |
|
350 Ohms pourrait être la résistance interne de la GZ 41 mais je ne sais pas dans quelles conditions tu a trouvé cela. ![[:Hi:]](s12.gif)
|
|
| Sujet : Sonneclair Nouveau | De Totolagalène Le 11-01-2010 à 22:42 sta |
|
Avant de remettre les tubes, branche le poste et regarde si le transfo chauffe anormalement à vide.![[:Hi:]](s12.gif)
|
|
| Sujet : Sonneclair Nouveau | De Gilbert Le 11-01-2010 à 22:47 sta |
|
M'en sortirai jamais avec ces µµµµµµµ poils de machin !
Roger
Deux chimiques sous tube alu ( 2x32 µF) et un 50 et un 25µF sur la ligne HT ( cathode EAF 42 et 1° MF )
Regardes sur le schéma fourni par Jacques Denys( j'avais aussi ce condo )
|
|
| Sujet : Sonneclair Nouveau | De michel 87 Le 11-01-2010 à 22:53 sta |
|
Sur la GZ41, 350 Ohms entre quoi et quoi ?
|
|
| Sujet : Sonneclair Nouveau | De Totolagalène Le 11-01-2010 à 23:02 sta |
|
Oui, j'avais regardé le schéma. C'est un montage assez courant avec plaque EL84 alimentée en HT non filtrée, polarisation directe grilles par tension négative, et contre réaction un peu sophistiquée.
Je pense qu'il faudrait s'assurer que le TR d'alim n'est pas en cause. Au cas où il y aurait une bourde dans le câblage, il faudrait dessouder tous ce qu'il y a sur les secondaires et
brancher le poste en prenant l'intensité qu'il consomme sur le secteur ( mieux que de voir
si chauffe anormale). ![[:Hi:]](s12.gif)
|
|
| Sujet : Sonneclair Nouveau | De Roger Michel Le 11-01-2010 à 23:12 sta |
|
Chez moi, sauf erreur, toutes les cathodes sont à la masse. Donc nous n'avons pas la même version.
| |
|
| Sujet : Sonneclair Nouveau | De Gilbert Le 11-01-2010 à 23:14 sta |
|
Entre masse et un coté de la 1200 ohms, quand la GZ 41 est en place, sans les autres lampes.
....mieux que de voir si ça chauffe... Il a mis au moins 10 minutes avant d'être chaud !
|
|
| Sujet : Sonneclair Nouveau | De Roger Michel Le 11-01-2010 à 23:25 sta |
|
En regardant les photos de Gilbert, je constate que ses résistances sont plus récentes.
Sur le mien, la résistance de 270k et le condo de 50µF ont été changés (sans enlever l'ancien condo) par un réparateur précédent. Peut-être faudrait-il contrôler la 270k?.
Par ailleurs, notre webmestre, me semble-t-il, a écrit quelque part que les premières résistances à couche étaient de vraies cochonneries.
|
|
| Sujet : Sonneclair Nouveau | De Totolagalène Le 11-01-2010 à 23:26 sta |
|
Mais cette GZ 41 elle est bonne au lampemètre?![[:Hi:]](s12.gif)
|
|
| Sujet : Sonneclair Nouveau | De Roger Michel Le 11-01-2010 à 23:28 sta |
|
Entre la masse et la 1200ohms, tu as la résistance de 91ohms (schéma J. Denys) ou les 130ohms de mon schéma.
|
|
| Sujet : Sonneclair Nouveau | De Roger Michel Le 11-01-2010 à 23:44 sta |
|
Oublie Gilbert, c'est une connerie.
Vaudrait mieux que j'aille me coucher.
|
|
| Sujet : Sonneclair Nouveau | De Gilbert Le 12-01-2010 à 00:04 sta |
|
Faut que je teste la GZ41, mais ce sera pour demain
Bonsoir
|
|
| Sujet : Sonneclair Nouveau | De Pierrot du 82 Le 12-01-2010 à 00:53 cms |
|  |
Gilbert, tu devrais brancher le poste sans la GZ41, et mesurer la conso secteur avec un milliAmpèremètre alternatif en série...
Tu devrais trouver 150 à 200 mA...
|  |
|
|
| Sujet : Sonneclair Nouveau | De Gilbert Le 12-01-2010 à 11:30 sta |
|
Mesure faite Pierrot : 120mA
La GZ41 passée au lampemètre est HS ( court-circuit franc )
J'en ai une autre qui est OK, mais j'hésite à faire un essai: y-a-t-il une ultime vérif à faire avant ?
|
|
| Sujet : Sonneclair Nouveau | De Totolagalène Le 12-01-2010 à 12:34 sta |
|
Tu pourrais réessayer le poste en mettant un p'tit fusible verre de 80 mA (voire 100) à la sortie cathode GZ41 ou dans le point milieu de l'enroulement HT du transfo; par exemple.![[:Hi:]](s12.gif)
|
|
| Sujet : Sonneclair Nouveau | De Gilbert Le 12-01-2010 à 12:35 sta |
|
Ca y est il chante !
Après réflexion ( euh ! pas vraiment mûre ), j'ai considéré avoir changé les composants défectueux, et qu'en conséquence le risque était minime.
Je vais le laisser en fonction et surveiller.
Merci de vos conseils et ....ne vous éloignez pas de vos claviers, j'attaque le suivant !
Pour tirer une expérience de ce dépannage: un chimique fuit, il provoque la mise en court-circuit de la GZ41, ce qui fait cramer la 1200 ohms. Est-ce exact?
|
|
| Sujet : Sonneclair Nouveau | De Gilbert Le 12-01-2010 à 12:37 sta |
|
Trop tard Toto , mais je note la manip dans mes tablettes .
Tiens j'vais boire un coup pour fêter ça !
|
|
| Sujet : Sonneclair Nouveau | De Totolagalène Le 12-01-2010 à 12:48 sta |
|
C'est certainement comme cela que l'accident est arrivé.
Et "Le Régional" ?![[:Hi:]](s12.gif)
|
|
| Sujet : Sonneclair Nouveau | De michel 87 Le 12-01-2010 à 13:32 sta |
|
" Les premières résistances à couche étaient de vraies cochonneries "
Exact, la coupure se faisait progressivement au ras du sertissage des embouts, invisible à l'oeil.
|
|
| Sujet : Sonneclair Nouveau | De Gilbert Le 12-01-2010 à 13:40 sta |
|
Le Régional ?????
J'ai fini de remonter, non sans peine le 1° MF, il faut que j'attaque l'autre !
Mais comme ce genre de "mécanique" joue un peu avec mes nerfs, je suis passé momentanément à autrechose !
Je vais sûrement reprendre sur un coup de tête car j'aime bien ce poste, et une place l'attend dans la cuisine.
A ce propos j'en ai vu un sur Ebay, avec une caisse complètement éclatée, et il y avait des enchérisseurs. Bon courage pour la résine !!!
|
|
| Sujet : Sonneclair Nouveau | De Pierrot du 82 Le 12-01-2010 à 13:42 cms |
|  |
Autre possibilité, la GZ41 en court-circuit intermittent envoie de l'alternatif sur les chimiques de filtrage et la résistance crâme...
Si les chimiques de filtrage étaient en court-circoit, le fusible de cathode de la GZ41 aurait fondu... (Cées la petite languette qui relie à l'intérieur du tube la cathode à la broche du tube)
|  |
|
|
| Sujet : Sonneclair Nouveau | De Pierrot du 82 Le 12-01-2010 à 13:50 cms |
|  |
La manip que je t'ai fait faire (mesurer la conso sans la redresseuse) a permis de vérifier la bonne santé du transfo d'alim...
Si il avait été défectueux, tu aurais eu une conso plus importante, 500 mA ou 1 A.
|  |
|
|
| Sujet : Sonneclair Nouveau | De Gilbert Le 12-01-2010 à 20:44 sta |
|
Pierrot,
Je m'étais souvenu du fusible interne et apparement il était bon. Par contre quand j'ai testé la lampe sur le lampemètre, l'ampèremètre à dévié à fond immédiatement. Je n'ai pas prolongé la manip !
Demain, après l'euphorie de la mise en route, je ferai quelques relevés de tensions.
En tout cas après une heure de mise sous tension, pas d'échauffement du transfo.
|
|
| Sujet : Sonneclair Nouveau | De Totolagalène Le 12-01-2010 à 21:08 sta |
|
Gilbert, ne compte jamais sur le fusible général d'un ancien poste; il est toujours (sauf exception) très très surdimensionné, d'ailleurs c'est absurde qu'il y ait le même pour 110 ou 245 V. ![[:Hi:]](s12.gif)
|
|
| Sujet : Sonneclair Nouveau | De michel 87 Le 12-01-2010 à 21:27 sta |
|
C'est vrai.
Le fusible étant calibré pour 110V, sa valeur est double de la valeur normale pour 220V.
Mais la plupart du temps, les constructeurs ne s'en sont pas inquiétés ( et ça n'était pas leur intérêt d'ailleurs ).
|
|
| Sujet : Sonneclair Nouveau | De Gilbert Le 12-01-2010 à 22:31 sta |
|
Je ne parlais pas du fusible général, mais de celui interne à la GZ 41 !
Lors d'un dépannage précédent Pierrot m'avait demandé de vérifier ce fusible sur une lampe. Je m'en suis souvenu et avait regardé l'état de celui là
![[:Hi:]](s12.gif)
|
|
| Sujet : Sonneclair Nouveau | De Totolagalène Le 12-01-2010 à 22:35 sta |
|
OK. Sur ce coup là le fusible de cathode a été inopérant!![[:Hi:]](s12.gif)
|
|
| Sujet : Sonneclair Nouveau | De Gilbert Le 19-01-2010 à 23:52 sta |
|
Roger,
Poste non remonté donc demain je vous fais une photo et un dessin du circuit de ficelle cadran.
Impossible de repondre à votre mail: message d'erreur sur votre adresse.
La migration d'Alice vers Free perturbe la messagerie de Free???
|
|
| Sujet : Sonneclair Nouveau | De Roger Michel Le 20-01-2010 à 08:01 sta |
|
Gilbert,
J'ai des problèmes avec mon ancienne adresse mail que je ne peux plus ouvrir.
Celle qui s'affiche sous mon pseudo est bonne.
J'ai également envoyé un mail à Pierrot et obtenu "Undelivered" ou quelque chose d'approchant.
Merci d'avance.
Roger
|
|
| Sujet : Sonneclair Nouveau | De Gilbert Le 20-01-2010 à 10:59 sta |
|
Roger,
Ci-joint dessin du passage de la ficelle de cadran Sonneclair Superlux
Je te l'ai envoyée, avec des photos à l'adresse mail que j'avais, identique à celle de ton pseudo.
Si tu as besoin de plus d'infos n'hésites pas !
![[:Hi:]](s12.gif)
| |
|
| Sujet : Sonneclair Nouveau | De Pierrot du 82 Le 20-01-2010 à 15:22 cms |
|  |
Roger, j'ai bien reçu ton mail avec schéma du 18 janvier 2010 à 20:26
et je t"ai répondu hier 19 janvier à 18:21
|  |
|
|
| Sujet : Sonneclair Nouveau | De Roger Michel Le 20-01-2010 à 19:01 sta |
|
Merci Gilbert, c'est bon pour les photos.
Pierrot, rien reçu à ce jour. Utiliser l'adresse sans le point.
Roger
|
|
| Sujet : Sonneclair Nouveau | De Pierrot du 82 Le 20-01-2010 à 23:02 cms |
|  |
OK Roger, mais je n'avais fait que répondre au mail reçu (de l'adresse avec point entre le prénom et le nom)
J'ai fait suivre mon mail à la nouvelle adresse sans point...
Tu devrais le recevoir bientôt...
|  |
|
|
| Sujet : Sonneclair Nouveau | De Roger Michel Le 21-01-2010 à 13:24 sta |
|
Merci Pierrot. Bien reçu.
Roger
|
|
|