| Sujet : Lampemètre Nouveau | De totolagalène Le 27-03-2009 à 23:03 cms |
| |
|
| Sujet : Lampemètre Nouveau | De totolagalène Le 29-03-2009 à 23:25 cms |
|  | Merci pour vos nombreuses réponses. Je croyais (et le crois toujours) que certains fortiches en savaient beaucoup plus que moi sur les tubes. Je reformule ma question différemment: Existe-t-il un moyen unique de commuter un tube en diode ,sans risques, pour faire un simple teste d'usure du courant électronique cathode/anode?
|  |
|
|
| Sujet : Lampemètre Nouveau | De Pierre Roque Le 30-03-2009 à 08:25 sta |
|
Avec ce genre de soit disant (lampemetre),il y a toujours un gros ris que de destruction de votre Tube ?? C'est une belle piéce de Musée , c'est tout .
Un bon conseil en ami ,ne vous en servez pas pour l'essai de vos Tubes
Cordialement
Pierre ![[:??:]](s11.gif)
|
|
| Sujet : Lampemètre Nouveau | De martin Le 30-03-2009 à 09:08 sta |
|
quelque soit le lampemètre il faut savoir ce que l'on fait!
le matériel Eurelec fonctionne de la même façon que certain lampemètre Métrix , désolé pour mon ami Pierre et , on ne les met pas spécialement au musée!!!!
certe il n'y a pas la même facilité car il n'y a pas beaucoup le recueil à jour et d'explications .
Il faut savoir que lorsque l'on veut mesurer une lampe sur ce type d'équipement il faut une référence genre recueil Gaudillat ou autres lexiques.
les electrodes type cathode ,grille 1 et 3, doivent être mise a la masse ou au moins par les cavaliers .
les electrodes grille G2 et anode au plus . dans certain cas suivant indication du lexique les grille 4 ou 5 peuvent être mise au plus mais cela est plus rare.
en règle général les lexiques donnant le brochage et les exemples d'utilisations vous donnent les infos (comme les lexiques radio tubes des éditions radio )
les electrodes au plus et au moins sont indiquées . si vous voulez d'autres infos me contacter . Ce qu'il faut savoir , ces types de mesures par principe sont erronnés et il y a une correction interne dans les appareils évolué comme les métrix pour corriger la mesure et donner l'information crédible. dans le modèle eurelec cela n'existe pas et les mesures se font en relatif avec une lampe référence et un potentiomètre bobiné gradué permet de regler une sensibilité pour avoir une mesure réaliste .
c'est ce coefficient de correction qui est donné dans le petit recueil Eurelec .
donc vous pouvez compléter ceux ci avec vos propres mesures connaissant cette procèdure .
cordialement .
Michel Martin
|
|
| Sujet : Lampemètre Nouveau | De Pierre Roque Le 30-03-2009 à 09:31 sta |
|
Désolé,Michel
Mais malgrés ta tres grande compétence sur les tubes,j'affirme que cet appareil n'a rien à voir avec un Métrix 310 CTR,je sais que tu ne vois de bien que le LX309,il est tres bien mais pas pour toutes les bourses.
Mes amitiés,Michel
Pierre
|
|
| Sujet : Lampemètre Nouveau | De totolagalène Le 30-03-2009 à 14:43 sta |
|
Bonjour Messieurs. Je crois comme martin, que les lampemètres Eurelec ( N°2 en ce qui me concerne) ne détruisaient pas tous les tubes qu'ils testaient. Je conserve précieusement votre post dont je vous remercie, martin, et ne manquerai pas de vous recontacter. Le coefficient de correction de lecture du courant m'intéresse particulièrement pour les tubes qui ne figurent sur la "charte": on n'a pas un tube neuf étalon pour chaque référence que l'on veut tester! ![[:Hi:]](s12.gif)
|
|
| Sujet : Lampemètre Nouveau | De Jean Pierre T Le 30-03-2009 à 15:00 sta |
|
Bonjour....
Facteur de correction... celà m'interresse aussi : j'ai un Radio Controle avec des cavaliers sur chaque connexion qui permettent d'isoler ou pas et de brancher un appareil de mesure externe... Lorsque je l'ai eu je m'étais "amusé" à brancher un milli dessus et j'avais pu constater que cela ne coresspondait pas tout à fait.. serait ce là un début d'explication?.. et dans ce cas lequel croire? celui du lampemètre ou l'externe?
Jean Pierre T
|
|
| Sujet : Lampemètre Nouveau | De YM Le 30-03-2009 à 18:46 sta |
|
Il faut commencer par calibrer le lampemètre !
Une ou plusieurs résistances de valeurs connues à la place du tube et un bon multimètre.
Et en plus, c'est didactique !
Yves.
|
|
| Sujet : Lampemètre Nouveau | De totolagalène Le 30-03-2009 à 19:43 sta |
|
Le Eurelec N°2 n'envoie qu'une HT redressée par une diode OA81 partant d'une tension AC de 71 V délivrée par le transfo. Tous les tubes se contrôlent par commutation en simple diode et le courant anode/cathode n'est bien sûr pas du tout celui du tube fonctionnant avec sa HT normale.
|
|
| Sujet : Lampemètre Nouveau | De René Le 30-03-2009 à 19:52 sta |
|
Oui... enfin calibrer un Eurelec, que ce soit le modèle 1, 2 ou 3 relève de l'utopie... 
Ce n'est tout de même qu'un testeur de diode... en gros: On sait si le tube chauffe ou pas et s'il est passant en mode diode. Ce n'est pas toujours parlant et le resultat est parfois complètement faux.
Je me souviens de tests sur des EAF42 et des EM80 avec mon frangin et nos deux Eurelec, modèle 1 et 3.
D'après ces "lampemètres" et leurs docs, les tubes testés étaient épuisés. 6 EAF42 et une dizaine d'EM80... cela faisait beaucoup de tubes foutus et j'ai donc fortement douté du résultat à l'époque.
Passés sur mon U61, bien plus tard, les tubes étaient bons.
Je rejoins bien ce que dit Pierre Roque, plus haut, on ne peux pas faire des tests sérieux avec ce type de lampemètre.
|
|
| Sujet : Lampemètre Nouveau | De totolagalène Le 30-03-2009 à 22:58 sta |
|
Je crois que tout le monde est d'accord: c'est un lampemètre à 2 balles, pas plus q'une pièce de musée. C'est mieux que rien et surtout çà passe le temps de lui ajouter tous les supports manquants, puis de chercher à compléter la charte pour les références qui n'y figurent pas. ![[:Hi:]](s12.gif)
|
|
| Sujet : Lampemètre Nouveau | De martin Le 31-03-2009 à 10:50 sta |
|
Le principe de mesure des lampemètres travaillant en alternatif , ( c'est-à-dire faisant les mesures en utilisant les tubes en diode) est lié aux remarques et réflexions suivantes .
On applique au tube sous test des tensions sinusoïdales, égales en valeur efficace aux tensions continues nécessaires.
En appliquant la formule donnée et utilisée par Métrix (voir leur manuel) on obtient un courant moyen anodique inférieur de 10% à l'intensité obtenue si on faisait les mesures en continu dans des conditions identiques. (*)
D'autre part, ceci suppose un coefficient d'amplification "mu " constant. (Y). sinon il y aura aussi un risque d'erreur.
De plus pour la sensibilité de l'appareil de mesure ;
(pour le lampemètre Eurelec il faut utiliser le contrôleur d'origine impérativement "10Kohms par volt" avec sa graduation de cadran dédiée et compatible avec le réglage du potentiomètre bobiné de cet équipement!!! ) sinon le mesure ne veulent rien dire .
Il faudra tenir compte du fait que le tube à vide en essais redresse le courant lorsqu'on lui applique une tension alternative et qu'il n'y a pas de débit pendant la période négative du cycle.
Donc la sensibilité réelle devra être le double de celle indiquée par le cadran , ou bien le cadran devra être gradué en tenant compte de cela ; c'est-à-dire avec un rapport deux …, puis augmenté de 10% pour tenir compte du fait signalé ci-dessus (*)
Pour résumer ce qui a été expliqué…et si :
- les tensions alternatives appliquées au tube ont une valeur efficace égale aux tensions continues.
- le galvanomètre mesurant le débit anodique a une sensibilité 2,22 fois celle indiquée sur l'appareil.
Les valeurs des courants anodiques lues sur ces lampemètre…. type (série 310 de Métrix ou Eurelec ou tout autre appareil utilisant le même principe seront pratiquement égales à celles lues sur un lampemètre travaillant en courant continu.
Pour conclure et répondre à mon ami Pierre des lampemètre économiques sont indispensables , car il faut des moyens de mesures adaptés à toutes les bourses et correspondant à ce que l'on veut faire .Mais surtout savoir interpréter les mesures et savoir ce que l'on fait réellement.
Les lampemètre effectuant des mesures en alternatif sont des "go/nogo" permettant de savoir si une lampes est bonne , passable ou mauvaise . cela suffit dans beaucoup de cas pour des utilisateurs lambda ; mais dès que l'on veut faire des mesures un peu plus sérieuses ces produitsne sont plus adaptés.
Voilà je ne voulais pas rentrer dans les détails , mais les questions et interrogations de certain d'entre vous m'ont inciter à le faire. En espérant avoir répondu à vos questions, mes amitiés à tous …
|
|
| Sujet : Lampemètre Nouveau | De Jacques (webmestre) Le 31-03-2009 à 11:11 sta |
|
La collectionnite concerne aussi les appareils de mesure, d'où les prix que l'on peut constater pour ceux qui veulent mesurer avec les appareils consanguins à l'époque.
Pour ceux qui ont peu de moyens, une solution alternative se trouve dans le lampemètre sur PC, peu cher, évolutif, tables de mesure modifiables et extensibles... La souplesse est sans commune mesure (sic). C'est juste un distingo entre le but et le moyen.
|
|
| Sujet : Lampemètre Nouveau | De Gilbert Le 31-03-2009 à 11:50 sta |
|
Et pour un tout petit, mais vraiment tout petit utilisateur qui voudrait utiliser en go/ no go un lampemètre Radio Controle, en très bon état, une méthode de calibration, ou de vérification ce serait quoi?![[:Hi:]](s12.gif)
|
|
| Sujet : Lampemètre Nouveau | De Pierre Roque Le 31-03-2009 à 11:56 sta |
|
Bonjour à tous
Je ne voudrais pas renter en polémique avec Michel ! mais je me souviens bien t'avoir etendu affirmer dans une certaine reunion ou il y avait divers sorte de lampemetres que ce genre de lampemetre etait de la foutaise = gnognote.
excuse moi Michel mais j'ai du mal à te suivre dans cette conversation
Mes amitiés
Pierre
|
|
| Sujet : Lampemètre Nouveau | De totolagalène Le 31-03-2009 à 14:33 sta |
|
Bonjour. Pour mon Eurelec N°2 je n'ai pas le contrôleur d'origine. J'utilise un vieux Chauvin Arnoux type Monoc, 20.000 Ohms/volts en continu (Pour 1mA: E= 0,3 V), avec les calibres 0,1- 1- 10mA. Est ce grave Docteur Martin? Quid de l'importance d'erreur de lecture? Je me permets de vous demander si vous pouvez m'envoyer (par mail, ou Poste avec frais acceptés bien sûr) tous documents qui pourraient m'aider à utiliser cet engin "au moins mal" tels que "Lexique indiquant les grilles à relier", "Petit recueil Eurelec" évoqués dans votre post du 30/03 à 09hrs 08.( Je possède tous les lexiques de brochage des tubes de la A409 aux derniers tubes tété, j'ai aussi la charte Eurelec avec les manips; mais comme déjà indiqué, j'ai ajouté tous les supports pour les tubes n'y figurant pas). Merci. ![[:Hi:]](s12.gif)
|
|
| Sujet : Lampemètre Nouveau | De totolagalène Le 31-03-2009 à 14:50 sta |
|
Que voulez vous dire SVP, Jacques, par "lampemètre sur PC" ?
|
|
| Sujet : Lampemètre Nouveau | De Gilbert Le 31-03-2009 à 15:27 sta |
|
....aux derniers tubes tété !
Auriez-vous été impressionné par quelquechose Totolagalène? 
|
|
| Sujet : Lampemètre Nouveau | De totolagalène Le 31-03-2009 à 15:35 sta |
|
Non je n'ai rien tété mais je ne me relis jamais, j'ai tort!![[:Hi:]](s12.gif)
|
|
| Sujet : Lampemètre Nouveau | De Gilbert Le 31-03-2009 à 15:42 sta |
|
Mais non ! Nous sommes tous à l'affût des erreurs des autres...oubliant nos propres relectures !![[:Hi:]](s12.gif)
|
|
| Sujet : Lampemètre Nouveau | De martin Le 31-03-2009 à 16:19 sta |
|
j'ai trop d'estime et d'amitiès avec notre ami Pierre ni le souhait de faire des polèmiques , ce n'est pas mon habitude .
je ne reviens pas sur mes propos anciens Pierre , je te rassure , j'ai juste voulu donner des infos et expliquer certains points .
Effectivement on ne peut pas faire de mesures sérieuses avec un Eurelec mais avoir un ordre d'idée de l'état d'une lampe si on sait ce que l'on fait . ceci dans des conditions de prix économiques et comme certains intervenants l'ont signalé il en faut pout toutes les bourses surtout dans la situation actuelle..
Les séries Métrix 310 sont bien entendu d'une qualité trés supérieure mais les infos et limitations des mesures avec l'alternatif sont expliquées dans mon dernier post et sont expliquées aussi dans les manuels de métrix je n'ai rien inventé .
pour les collègues qui souhaitent des infos complèmentaires me contacter par mon mail perso ou par téléphone cela est plus facile pour discuter technique .
Fin de mon intervention et mes cordiales salutations à tous .
Michel
|
|
| Sujet : Lampemètre Nouveau | De totolagalène Le 31-03-2009 à 21:38 sta |
|
Existe-t-il un lampemètre qui teste même les tubes dont on ne connaît pas la référence?
|
|
| Sujet : Lampemètre Nouveau | De YM Le 31-03-2009 à 21:54 sta |
|
C'est possible, si on en connait le brochage !
Sinon, c'est encore jouable, avec de la patience, de la prudence, de l'expèrience et un pas mal de suppositions 
|
|
| Sujet : Lampemètre Nouveau | De totolagalène Le 31-03-2009 à 21:58 sta |
|
Alors je vais ajouter cette option à mon Eurelec N°2, ce sera le top des lampemètres.
  ![[:Hi:]](s12.gif)
|
|
| Sujet : Lampemètre Nouveau | De Gilbert Le 01-04-2009 à 19:24 sta |
|
Y'a vraiment pas un petit conseil sur les vérifications de mon lampemètre avant que je ne détruise quelques lampes?
|
|
| Sujet : Lampemètre Nouveau | De totolagalène Le 01-04-2009 à 21:57 sta |
|
Bonsoir. Gilbert, commence par tester un tube dont le filament est coupé, si le galva ne devie pas, c'est déjà un indice sur le bon fonctionnement du lampemètre. ![[:Hi:]](s12.gif)
|
|
| Sujet : Lampemètre Nouveau | De guyguy Le 01-04-2009 à 22:50 sta |
|
vers 2040 : lampe à connecteur USB :
| |
|
| Sujet : Lampemètre Nouveau | De guyguy Le 01-04-2009 à 22:51 sta |
|
|
|
| Sujet : Lampemètre Nouveau | De Gilbert Le 02-04-2009 à 00:10 sta |
|
Merci totolagalène,
Je vais commencer par cette manip![[:Hi:]](s12.gif)
|
|
| Sujet : Lampemètre Nouveau | De guyguy Le 02-04-2009 à 00:26 sta |
|
http://tsfsepelliere à construit un lampemètre , on pourrait s'en inspirer pour "doper" le
lampemètre Eurélec . ....................... .( Déjà le 2 Avril !) .
|
|
| Sujet : Lampemètre Nouveau | De totolagalène Le 02-04-2009 à 00:32 cms |
|  | Ton lampemètre "Go/no go'"ne fonctionne peut-être qu'une fois sur deux = un coup y va/ un coup y va pas. Sérieusement, je suis seulement curieux et ne prétends pas résoudre ton problème: qu'est-ce qui t'empêche de l'utiliser? Tu as dit qu'il possédait son propre galva, pourquoi une prise pour en brancher un autre? Raconte un peu, tu vas sûrement déclencher une avalanche d'infos.
|  |
|
|
| Sujet : Lampemètre Nouveau | De totolagalène Le 02-04-2009 à 00:44 cms |
|  | Oui guyguy, j'envisageais d'en faire un qui teste les tubes dans leurs vraies conditions de fonctionnement, c'est facile "sur le papier" mais ce qui me coince, c'est la multitude de commutateurs à "36" positions, et les potars bobinés de puissance.
|  |
|
|
| Sujet : Lampemètre Nouveau | De yves Le 02-04-2009 à 08:12 sta |
|
Bonjour Gilbert
Si tu parle du lampemètre que je connais, il fonctionne sans problème.
|
|
| Sujet : Lampemètre Nouveau | De Gilbert Le 02-04-2009 à 08:33 sta |
|
Bonjour Yves,
Je n'ai aucun doute sur le fonctionnement de ce lampemètre, mais je pensais que, comme tout appareil de mesures il nécéssitait une calibration avant utilisation !
Notamment sur l'ajustement des tensions.
Pour être clair, je ne l'ai ni branché, ni tenté une utilisation jusqu'a maintenant.
![[:Hi:]](s12.gif)
|
|
| Sujet : Lampemètre Nouveau | De yves Le 02-04-2009 à 08:48 sta |
|
J'ai déja testé les tensions, elles sont toutes OK
|
|
| Sujet : Lampemètre Nouveau | De Gilbert Le 02-04-2009 à 09:46 sta |
|
OK je vais me lancer ! Merci
|
|
| Sujet : Lampemètre Nouveau | De Pierrot du 82 Le 02-04-2009 à 14:44 cms |
|  |
Tu peux toujours tester tes lampes sur les postes auquelles elles sont destinées...
C'est le meilleur test, ensuite tu les passes sur le lampemètre pour le tester, LUI !
J'ai réparé des postes pendant 40 ans sans lampemètre...
|  |
|
|
| Sujet : Lampemètre Nouveau | De Pierrot du 82 Le 02-04-2009 à 14:47 cms |
| |
|
| Sujet : Lampemètre Nouveau | De MICHEL Le 02-04-2009 à 14:51 sta |
|
La fatigue, Pierrot, la fatigue...
Attention au printemps ! 
|
|
| Sujet : Lampemètre Nouveau | De Gilbert Le 02-04-2009 à 15:10 sta |
|
Je voulais tester les lampes qui fonctionnent actuellement sur des postes qui fonctionnent (si, si j'en ai !)pour voir leur qualité , bonne ou moyenne ! Et surtout m'habituer à la manipulation !
Il y a un appareil que tu possèdes, Pierrot, et que je ne peux m'offrir rapidement : la connaissance ! ( et sûrement quelquepart une sérieuse formation de base? )
Alors effectivement, le lampemètre n'est peut-être pas indispensable, mais il doit me permettre de palier à cette carence.
Enfin, je suis du genre tenace: je veux dépanner ce petit récepteur ,dont j'ai déjà parlé et qui ne délivre toujours pas une puissance normale ! Il est équipé de deux UAF42 que j'ai interverties...pour voir. Dans un cas j'ai une faible puissance, dans l'autre : rien.
D'ou l'envie de les passer au lampemètre !
Je l'aurai un jour! Je l'aurai ! 
|
|
| Sujet : Lampemètre Nouveau | De yves Le 02-04-2009 à 15:18 sta |
|
Gilbert
Si tu veut des UAF42 neuves, tu passe me voir au bureau, (maintenant le week end je suis en Baie de Somme 
Bien sur c'est cadeau, et je t'offre le café, elle est pas belle la vie ?
|
|
| Sujet : Lampemètre Nouveau | De Gilbert Le 02-04-2009 à 15:54 sta |
|
Zut !Je viens de perdre un café !
Le vendeur d'Ebay ne propose même pas ça avec les deux UAF 42 que je viens de lui acheter !
Ta sympathie n'est plus à prouver, Yves, comme celle de la plupart des passionnés de ce forum, et je te remercie de ton offre. Je retiens néanmoins celle du café.
Si ! La vie est belle...parfois !![[:Hi:]](s12.gif)
|
|
| Sujet : Lampemètre Nouveau | De Pierrot du 82 Le 03-04-2009 à 00:53 cms |
|  |
Comment vas-tu tester les UAF42 que tu viens d'acheter ?
Celles d'Yves étaient testées...
|  |
|
|
| Sujet : Lampemètre Nouveau | De totolagalène Le 03-04-2009 à 01:02 sta |
|
Deux UAF42 sur un poste, tu trouves pas çà bizarre?
|
|
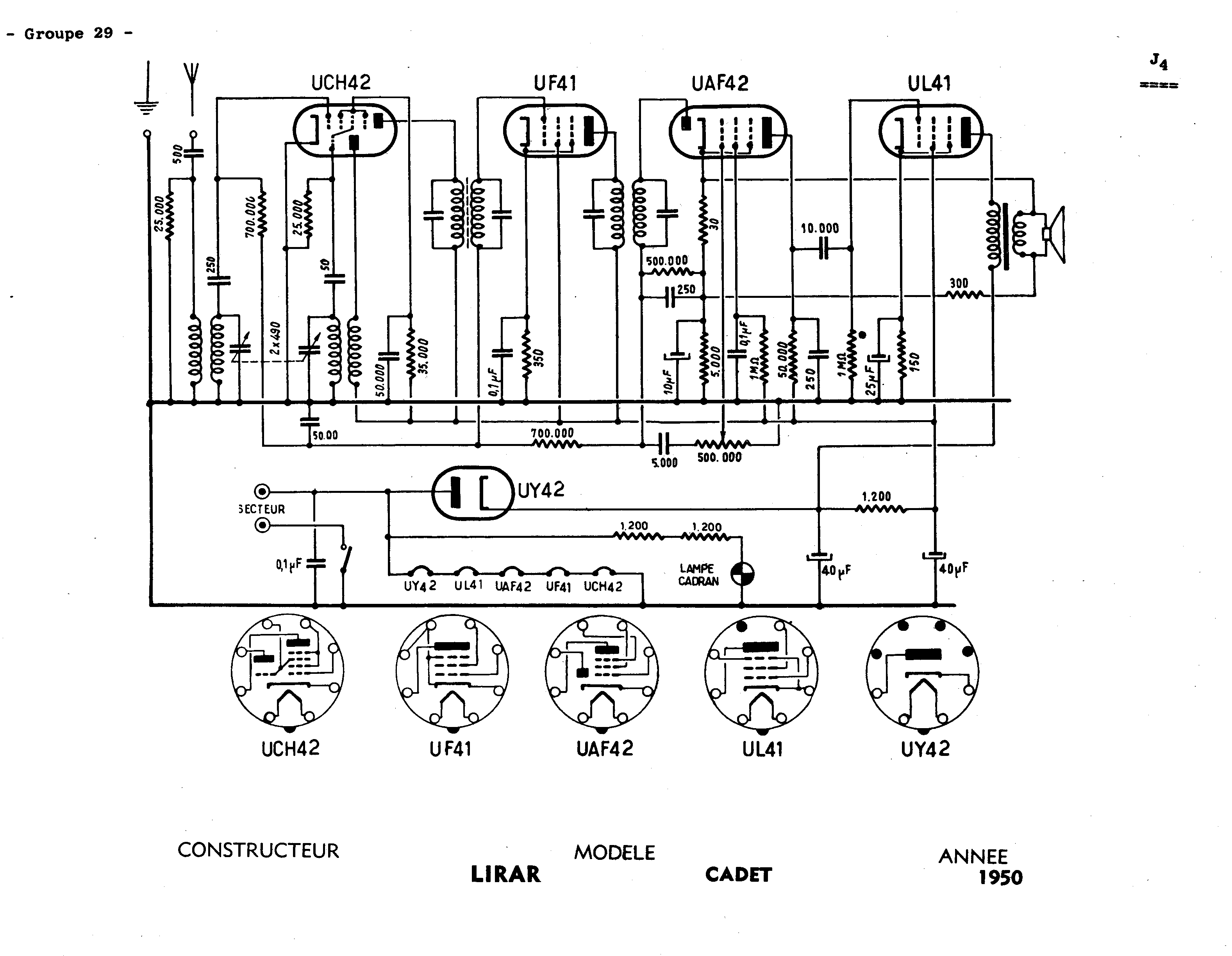
| Sujet : Lampemètre Nouveau | De Pierre Roque Le 03-04-2009 à 06:22 sta |
|
Bonjour,totolagalène
ET non ce n'est pas bizarre du tout c'est assez courant sur les postes des années 50
Voir seulement le schéma du Ducretet L2426 ( 1954 ). un exemple
Amicalement
Pierre
|
|
| Sujet : Lampemètre Nouveau | De Gilbert Le 03-04-2009 à 08:47 sta |
|
Pierrot
Comment je vais tester mes tester mes UAF 42?
Méthode Pierrot: je les monte sur mon poste, et je regarde si ça fonctionne ( au moins pareil )
Alternative: je les teste sur le lampemètre !J' ai fait mes premiers essais hier soir avec mes UAF42 actuelles. Elles sont bonnes, disons moyennes/ bonnes.
Ce qui semble vouloir dire que l'achat des deux autres n'était pas indispensable. Tu vois bien QU'A MON NIVEAU le lampemètre est utile !
Pierre Roque
Je m'étais déjà étonné de ce double montage ( après avoir vu sur un schéma identique, une des UAF42 remplacée par une UF41 ), mais personne n'avait réagi à cette remarque.
![[:Hi:]](s12.gif)
|
|
| Sujet : Lampemètre Nouveau | De Pierrot du 82 Le 03-04-2009 à 14:02 cms |
|  |
Gilbert, c'est quand même mieux de tester les lampes sur un poste dépanné...
Mais ta démarche est logique et me semble correcte, apprendre à connaître ton lampemètre en testant des lampes du même type et de conditions diverses.
La plupart des lampemètres (à part quelques rares modèles de course) ne sont pas des appareils de MESURE, mais servent à évaluer rapidement (et donc imparfaitement) l'état d'une lampe, ou d'un tas de lampes, pour les marchands de tubes.
Mais quand la lampe est vraiment défectueuse, comme cort-circuit cathode-filament ou g1-g2, ou quand la lampe a du courant grille, les bons jampemètres l'indiquent à coup sûr !
|  |
|
|
| Sujet : Lampemètre Nouveau | De totolagalène Le 03-04-2009 à 14:26 cms |
|  | Bonjour. Oui Pierre, si le poste a été identifié avec certitude, c'est tout de même un petit gaspillage, à moins que les 2 diodes soient utilisées, détection et anti-fading, (je n'ai pas vu le schéma). Toutefois, à la place de Gilbert, je vérifierais le câblage de ces 2 tubes car ce poste a pu avoir été modifié pour recevoir une UF41 puis on remet une UAF42 tel quel. En intervertissant les 2 UAF42, pourquoi çà marche dans un sens et pas dans l'autre? Les différences de brochage entre UAF42 et UF41 pourraient bien expliquer çà. Il faut se méfier de tout!
|  |
|
|
| Sujet : Lampemètre Nouveau | De yves Le 03-04-2009 à 14:38 sta |
|
Oui Pierrot, les très bon lampemetres, par exemple un Metrix 310 ne le donne pas, et pourtant on les met dans la categorie des bons
|
|
| Sujet : Lampemètre Nouveau | De Gilbert Le 03-04-2009 à 14:48 sta |
|
Exact Pierrot, c'est un appareil de validation et pas de mesure ! Je l'avais bien compris comme ça, même si je me suis mal exprimé à plusieurs reprises.
Pour info c'est un Serviceman Radio Controle.
Si j'ai voulu tester ces lampes, c'est pour la raison évoquée par totolagalène: pourquoi deux lampes identiques fonctionnent dans un cas ( toujours avec une faible puissance ) et ne fonctionnent pas quand on les inverse, sur le même chassis?
Elles doivent avoir un role différent que l'une des deux ne peux assumer quand on la déplace ( mon schéma de raisonnement est toujours celui joint )
L'hypothèse du remplacement d'une UF41 par une UAF42 est effectivement à vérifier !
| |
|
| Sujet : Lampemètre Nouveau | De yves Le 03-04-2009 à 15:00 sta |
|
Gilbert, as tu testé la section diode et la section penthode de chaque lampe ?
|
|
| Sujet : Lampemètre Nouveau | De Gilbert Le 03-04-2009 à 15:12 sta |
|
Tu es bien optimiste sur mes connaissances!
Pour tout te dire, dans le menu déroulant du lampemètre j'ai trouvé deux références UAF42. Une diode et une pentode. Je me suis contenté de prendre la pentode.
Dois-je conclure qu'il y a deux controles différents à faire ?
|
|
| Sujet : Lampemètre Nouveau | De yves Le 03-04-2009 à 15:24 sta |
|
Oui, il faut controler les deux sections l'une après l'autre, car tu peut avoir une des deux qui ne fonctionne pas.
Il est inutile de refaire les controles d'isolements
|
|
| Sujet : Lampemètre Nouveau | De Jacques (webmestre) Le 03-04-2009 à 15:28 sta |
|
Il y a autant de contrôles à faire que de structures présentes dans la lampe, ainsi une EABC80 nécessite trois mesures différentes.
|
|
| Sujet : Lampemètre Nouveau | De Gilbert Le 03-04-2009 à 16:04 sta |
|
Encore une info ! Il y a donc DES structures dans un tube?
Pour moi c'était une entité, dont tous les éléments servaient à une fonction unique !
Ce genre de réflexion naïve, de ma part, il faut vous attendre à en avoir encore pendant quelques temps...celui qu'il me faudra pour interpréter le fonctionnement d'un schéma.
Donc ne perdez pas patience ! Merci
Conclusion: on fait varier les paramètres du lampemètre pour tester les différentes section de la lampe.
Prochaines étapes:regarder le schéma d'une EABC80, pour avoir une idée.
lire intégralement la notice du lampemètre.
tester correctement mes UAF42
Je vous tiens au courant![[:Hi:]](s12.gif)
|
|
| Sujet : Lampemètre Nouveau | De Pierrot du 82 Le 03-04-2009 à 18:05 cms |
|  |
Certains lampemètres font 4 tests pour une EABC80 :
E donne chauffage 6,3V, puis :
- une diode : A
- et
- deux tests pour la double diode : B
- une triode : C
80 donne un culot noval...
|  |
|
|
| Sujet : Lampemètre Nouveau | De jackoe Le 03-04-2009 à 21:14 cms |
|  | Et oui Gilbert ! Dans la 6AF11, il y a au moins 2 triodes et une penthode ! On peut fabriquer un récepteur complet avec...
|  |
| |
|
| Sujet : Lampemètre Nouveau | De totolagalène Le 03-04-2009 à 21:44 sta |
|
Bonsoir. Oui Gilbert, il faut te mettre dans la tête que beaucoup d'"ampoules" comportent plusieurs tubes et qu'avec un lampemètre il faut contrôler ces tubes tour à tour. Ta charte du lampememètre indique bien dans ce cas plusieurs lignes de contrôle à effectuer, une pour diode, une autre pour penthode, par exemple. ![[:Hi:]](s12.gif)
|
|
| Sujet : Lampemètre Nouveau | De Gilbert Le 03-04-2009 à 22:52 sta |
|
Bonsoir
Et bien si c'est pas clair, avec autant de profs ! 
Bon la leçon est comprise et je comprends mieux la raison d'être des "deux" UAF42, dans le tableau du lampemètre !
Le controle m'apparait un peu plus complet que je ne pensais et je me demandais bien à quoi pouvait servir cette deuxième petite anode dans l'UAF42?
Je vais revérifier ces tubes. Et le cablage ( hypothèse UF41 ) !
Merci à vous tous
![[:Hi:]](s12.gif)
|
|
|