| Sujet : CV Nouveau | De michel du 70 Le 01-02-2009 à 12:38 sta |
|
Bonjour a tous
J'ai recupere un "Eurelec 516".Probleme , les lames du CV tourne dans le vide ,le trou est cylindrique. Y a t-il une solution pour reparer svp.
Cdt
Michel
| |
|
| Sujet : CV Nouveau | De Pierrot du 82 Le 01-02-2009 à 20:31 cms |
|  |
Peut-être monter des rondelles en quantité pour bloquer les lames mobiles sur l'axe...
Ou utiliser de la colle ?
Ou remplacer le CV ?
|  |
|
|
| Sujet : CV Nouveau | De michel du 70 Le 01-02-2009 à 20:41 sta |
|
J'ai forme une rondelle avec deux meplats que j'ai colle sur une lame je vais continuer pour la totalite des lames,c'est pas evident!!
Si ca ne tiens pas je lancerais un appel pour en recuperer un.
Merci .Michel
|
|
| Sujet : CV Nouveau | De pierre Le 01-02-2009 à 20:44 cms |
|  |
C'est mort !!!, il faut que chaque lame ai un contact avec l'axe, pas question de colle !!!!, empilement de rondelles ???, à mon avis c'est pas possible car de toutes façons il faut un serrage et comme les lames étaient serties à l'origine, y à plus qu'à changer le CV !!
Pierre
|  |
|
|
| Sujet : CV Nouveau | De Jean Pierre T Le 01-02-2009 à 22:24 sta |
|
Pourquoi ne pas essayer de coller avec une bonne colle... et de badigeoner ensuite avec une colle conductrice du style de celle qui sert à refaire les pistes de dégivrage des lunettes arrière?
Bon certes c'est un "bidouillage"!!
Jean Pierre T
|
|
| Sujet : CV Nouveau | De totolagalène Le 01-02-2009 à 22:36 sta |
|
cà y'en a bidouillage pas bon! Il faudrait mieux essayer de remplacer le CV et connaître sa valeur en trouvant le schéma, si j'en ai un je me ferai un plaisir de le lui envoyer gratos (free of board).![[:Hi:]](s12.gif)
|
|
| Sujet : CV Nouveau | De michel du 70 Le 01-02-2009 à 22:46 sta |
|
Merci totolagalene, sur la doc que je me suis procure j'ai rien vu cote valeur .Je te l'envoie.
Bonne a tous ,demain j'ai des steres de bois a faire
Cdt . Michel
|
|
| Sujet : CV Nouveau | De totolagalène Le 01-02-2009 à 22:51 sta |
|
Je ne sais même pas ce qu'est un "Eurelec 516": nous le dire pourrait aider les recherches.![[:??:]](s11.gif) ![[:Hi:]](s12.gif)
|
|
| Sujet : CV Nouveau | De totolagalène Le 01-02-2009 à 23:23 sta |
|
Il a des stères de bois à faire. Dans le Farwest un cow-boy est en train de fendre du bois, un indien passe à cheval et lui dit "hiver sera rude", le cow-boy se dit "il faut que j'en fende encore". L'indien repasse le soir et dit "hiver sera très rude", le lendemain le cow-boy refend encore du bois, l'indien passe en disant "hiver sera très très rude".Alors le cow-boy lui demande "comment savez vous , vous les indiens, que l'hiver sera rude. L'indien lui répond "chez nous indiens un dicton dit quand homme blanc fend du bois hiver sera rude"
|
|
| Sujet : CV Nouveau | De totolagalène Le 02-02-2009 à 00:23 sta |
|
Ah les vaches! j'ai trouvé le schéma, il y a tout sauf la valeur du CV. Je crains que tu ne sois encore mal "barré" Michel. ![[:Hi:]](s12.gif)
|
|
| Sujet : CV Nouveau | De michel du 70 Le 02-02-2009 à 22:49 sta |
|
Bonsoir
Je pense avoir repare mon CV Qui a comme valeur 250 pF.
Sur la doc que je me suis procure ils parlent d'une "alimentation montee lors des
premieres lecons".Je pense a un transfo !!
Je lance un appel ,si qqu'un a cette lecon peut-il me l'envoyee. Merci
Cdt .Michel
|
|
| Sujet : CV Nouveau | De totolagalène Le 02-02-2009 à 23:34 sta |
|
Bonsoir. Est-ce celui-çi?![[:Hi:]](s12.gif)
| |
|
| Sujet : CV Nouveau | De michel du 70 Le 02-02-2009 à 23:50 cms |
|  | non c'est le 412 et moi c'est le 516
|  |
| |
|
| Sujet : CV Nouveau | De totolagalène Le 03-02-2009 à 00:05 sta |
|
As-tu le schéma?![[:Hi:]](s12.gif)
|
|
| Sujet : CV Nouveau | De totolagalène Le 03-02-2009 à 00:35 sta |
|
Sur ton engin, il y a un tube EF89. Il faut une alimentation externe: 6,3 v alternatif pour le filament, et 200volts continu pour le + et - HT.![[:Hi:]](s12.gif)
|
|
| Sujet : CV Nouveau | De Pierre Le 03-02-2009 à 08:22 cms |
|  |
Réparé comment ?? des précisions p'être ??!!
Pierre
|  |
|
|
| Sujet : CV Nouveau | De michel du 70 Le 03-02-2009 à 18:48 sta |
|
Bonsoir
Pour repondre a Pierre : J'ai remonte lames , rondelles sur l'axe j'ai mis en appui sur le petit axe de retenu et j'ai bloque a mort et ensuite un contre ecrou.Apres plusieurs manipulations ca n'as pas bouger.
Pour repondre a Bernard:Effectivement il faut du 6.3 V ca et du 220 V cc.
J'ai une alim. qui est monte sur l'appareil mais qui ne correspond pas au 412. photo
Demain je fait schema.
Cdt
Michel
| |
|
| Sujet : CV Nouveau | De totolagalène Le 03-02-2009 à 19:07 sta |
|
Pourquoi elle n'irait pas cette alim? On voit 3 diodes; il devrait y en avoir une quatrième!
|
|
| Sujet : CV Nouveau | De totolagalène Le 03-02-2009 à 19:12 sta |
|
Après avoir réparé ton CV; as tu vérifié à l'ohmètre, en tournant 2 ou 3 fois et doucement les lames mobiles, que l'aiguille ne bronche pas d'un poil?![[:Hi:]](s12.gif)
|
|
| Sujet : CV Nouveau | De Pierre Le 03-02-2009 à 19:35 cms |
|  |
Tient les mêmes diodes que dans l'autre fil !!
Pierre
|  |
|
|
| Sujet : CV Nouveau | De Bernard-GRZ Le 03-02-2009 à 19:41 sta |
|
Je possède la doc de l'alimentation avec une EZ80 d'Eurelec . Je vais la scanner.
|
|
| Sujet : CV Nouveau | De caferic Le 03-02-2009 à 21:38 sta |
|
Bonsoir Michel du 70
Je dois avoir tout les renseignements que vous cherchez à propos du générateur d'Eurelec, je suis chez moi ce soir mais je repars demain matin en Espagne, ce Week end je serais là et je regarderais dans tout mon frata !!
Salutations
Eric
|
|
| Sujet : CV Nouveau | De Bernard-GRZ Le 04-02-2009 à 19:25 sta |
|
Pour Michel du 70
L'ensemble des fascicules : fabrication de la self + alimentation est dans votre bal.
Si intéressé je possède la fabrication du transfo et du petit générateur HF.
|
|
| Sujet : CV Nouveau | De michel du 70 Le 07-02-2009 à 21:21 sta |
|
Bonsoir
J'ai refait l'alim qui etait montee sur mon gene eurelec 516 (photo )
Je ne comprends pas pourquoi j'ai 330 V cc en HT , si qqu'un pouvait m'aider!!!
Merci
Cdt . Michel
| |
|
| Sujet : CV Nouveau | De totolagalène Le 07-02-2009 à 21:25 sta |
|
330v à vide, sans charge sur la HT?![[:??:]](s11.gif)
|
|
| Sujet : CV Nouveau | De michel du 70 Le 07-02-2009 à 21:33 cms |
|  | Si je connecte le tube il explose .
|  |
|
|
| Sujet : CV Nouveau | De totolagalène Le 07-02-2009 à 21:42 cms |
|  | Mais non, pas forcément: si tu ne connectes rien à ton alimentation, cette tension est normale car il n'y a aucune chute de tension dans la résistance de filtrage (entre les 2 + des condos). Si tu as le schéma de ton hétérodyne et référence de son tube, envoie svp
|  |
|
|
| Sujet : CV Nouveau | De totolagalène Le 07-02-2009 à 21:58 sta |
|
Sur un autre fil tu montrais une photo de l'alim sur laquelle on voyait 3 diodes, d'après ton croquis tu en a virées. Je pense qu'il y en avait 4 (un pont de diodes) qui redressaient les 2 alternances. Avec une seule diode tu ne redresses qu'une alternance, d'où courant continu ondulé; pas forcément bon ça. ![[:Hi:]](s12.gif)
|
|
| Sujet : CV Nouveau | De michel du 70 Le 07-02-2009 à 22:16 sta |
|
Effectivement sur l'alim au depart il y avait un ampoule (6 V . 6 W ). Photo
Il n'y avait que 3 diode,sur.
| |
|
| Sujet : CV Nouveau | De totolagalène Le 07-02-2009 à 22:28 sta |
|
Ton croquis est pâlot.Ce n'est pas celui du montage tel qu'il est actuellement, ce n'est pas non plus celui d'origine, alors c'est quoi? Sur le transfo (qu'on ne voît pas) est-ce qu'il y a une prise intermédiaire 110v sur le primaire 220? L'ampoule- voyant on s'en fout, tu pourras toujours la rebrancher après.Arrête de modifier et réponds aux questions SVP. Dis moi aussi la référence du tube de l'hétérodyne.![[:Hi:]](s12.gif)
|
|
| Sujet : CV Nouveau | De michel du 70 Le 07-02-2009 à 22:45 sta |
|
Bernard
Je t'ai envoye ce que tu demandais sur le post de 21h42
Le dernier schema (peut-etre palot) est celui qu'il y avait au depart quand on m'a
donne l'appareil.
Le transfo est un 220 V--->6 V
Le tube est EF 89
|
|
| Sujet : CV Nouveau | De Pierre Le 07-02-2009 à 22:51 cms |
|  |
<<<Arrête de modifier et réponds aux questions SVP.>>>
Pierre
|  |
|
|
| Sujet : CV Nouveau | De totolagalène Le 07-02-2009 à 22:57 sta |
|
OK. Est-ce que tu pourrais repasser ton croquis palot au crayon noir svp; il y a des trucs que je n'arrive pas à lire .Merci.![[:Hi:]](s12.gif)
|
|
| Sujet : CV Nouveau | De michel du 70 Le 07-02-2009 à 23:14 sta |
|
Et voila pour tes yeux Bernard
| |
|
| Sujet : CV Nouveau | De michel du 70 Le 07-02-2009 à 23:30 sta |
|
Je crois que je vais fermer les miens de yeux
Bonne soiree a tous
|
|
| Sujet : CV Nouveau | De totolagalène Le 07-02-2009 à 23:39 sta |
|
La résistance de 200 Ohms me paraît complètement insuffisante.L'EF89 de ton hétérodyne consomme sous 250v de HT: 9 millis plaque et 3 millis écran = 12 millis. Ce qui correspond d'après Mr Ohm à une résistance de 6666 Ohms. Entre temps je me souviens avoir vu quelquepart que ton hétérodyne devait être alimentée en HT 200 v; ce qui correspond à une résistance de 10.000 Ohms ou plus car sous 200 v la consommatio HT sera moindre. ![[:Hi:]](s12.gif)
|
|
| Sujet : CV Nouveau | De totolagalène Le 08-02-2009 à 01:31 sta |
|
Je ne connais pas ce montage avec 2 diodes (sans point milieu sur l'enroulement) plus une autre en dessous. Quelqu'un peut-il aider SVP?![[:Hi:]](s12.gif)
|
|
| Sujet : CV Nouveau | De Pierrot du 82 Le 08-02-2009 à 03:46 cms |
|  |
La diode horizontale, elle ne sert à rien (toujours bloquée - sauf si c'est une Zener.)
C'est donc un redressement monoalternance, les capas 50µF se chargent à 240 x 1,414 soit 330 volts à vide...
Ce qui m'inquiète, c'est d'où vient le 240V ?
Si c'est le secteur, on a la masse du générateur reliée au secteur : aie-aie-aie !
Ce qui serait bien, c'est un petit transfo à 2 secondaires : 6,3V pour le filament, et 130V pour la HT de 200V.
|  |
|
|
| Sujet : CV Nouveau | De Alain Legros Le 08-02-2009 à 11:44 sta |
|
Bonjour.
Dans une alimentation stabilisée, ce qui est le cas ici, pas de consommation, pas de régulation!!!
Alain.
|
|
| Sujet : CV Nouveau | De caferic Le 08-02-2009 à 15:07 sta |
|
Si j'ai tout compris, ça doit être un truc commen ça !
| |
|
| Sujet : CV Nouveau | De totolagalène Le 08-02-2009 à 15:15 cms |
|  | Bonjour. La ligne HT, moins comme plus peut ne pas être reliée à la masse (ou châssis). J'ai quelques bidules cablés comme celà.Selon Alain Legros ce schéma serait donc OK, pourriez vous préciser quelle diode est la Zener SVP?
|  |
|
|
| Sujet : CV Nouveau | De Jean Roland Le 08-02-2009 à 16:10 sta |
|
Pour caferic, pour rester cohérent dans les symboles des condos chimiques, il suffit de les inverser. 
|
|
| Sujet : CV Nouveau | De caferic Le 08-02-2009 à 16:43 sta |
|
Désolé pour les condos, j'avais même pas vu !!
Pour la zener, c'est pas facile, est-ce pour alimenter la lampe ou pour faire chuter une tension, mais comme je le dit plus haut, c'est peut-être une zener !! car je ne vois pas ce qu'une troisième diode viendrait faire la dedans !!!
|
|
| Sujet : CV Nouveau | De Alain Legros Le 08-02-2009 à 17:12 sta |
|
Bonjour.
Bonjour.
totolagalène, je n'ai jamais dis une pareille imbécillité!
caféric, voici une alimentation normale sans risques et pas chère.
| |
|
| Sujet : CV Nouveau | De michel du 70 Le 08-02-2009 à 17:43 sta |
|
Bonjour a tous
Je pense que la solution de "Pierrot du 82" est de loin la meilleure, separe toutes les tensions.
Maintenant il me faut trouve un transfo soit:220 ----> 6 et 110.
soit:220----->110
J'ai 220-----> 6.
J'ai la place pour en mettre deux.
Merci pour vos explication , je ne sais pas comment ca pouvait fonctionner.!!
A plus tard quand j'aurais un transfo.
Cdt
Michel
|
|
| Sujet : CV Nouveau | De Pierrot du 82 Le 09-02-2009 à 02:34 cms |
|  |
Michel, la solution d'Alain est bonne aussi, avec ses 2 transfos tête-bêche...
Il faut mettre le plus costaud côté secteur...
|  |
|
|
| Sujet : CV Nouveau | De michel du 70 Le 09-02-2009 à 10:09 sta |
|
Bonjour
Ce que je cherche a faire , c'est pouvoir alimenter le filament de la EF89 et il me faut la HT
250 Volt cc max. Bien sur le schema de Alain est le plus facile et le moins couteux a
monter .
Je n'arrive pas a ouvrir son schema pour l'agrandir ce qui fait que je n'arrive pas a lire tous
les composants.
Cdt
|
|
| Sujet : CV Nouveau | De Pierrot du 82 Le 09-02-2009 à 18:59 cms |
|  | Michel, je vous conseiller plutôt ce schéma, qui vient de l'Eurelec 412...
|  |
| |
|
| Sujet : CV Nouveau | De michel du 70 Le 09-02-2009 à 20:43 sta |
|
Ok ,Pierrot,c'est pour trouver un transfo 220 --> 140 ,pas facile.
|
|
| Sujet : CV Nouveau | De Pierrot du 82 Le 10-02-2009 à 13:55 cms |
|  |
Ou un transfo 230 --> 70V avec redressement-doubleur de tension, ou un 230 --> 48V avec tripleur...
Ou utiliser un transfo principal 230 --> 6,3V suivit d'un transfo 10 à 12V --> 230 monté à l'envers, qui donnera 110 à 140V AC... à essayer !
|  |
|
|
| Sujet : CV Nouveau | De fabignoli Le 10-02-2009 à 14:26 sta |
|
Pour un 220 -> 140, vous pouvez acheter des transformateurs d'isolement de chez Conrad. Ils ont défaut la sortie 115V donne pas loin de 135V donc c'est l'occasion.
Sinon vous prenez un transformateur de poste et vous débobinez un des secondaires HT afin d'avoir la tension qui vous convient, mais bon, faut démonter un transfo. En général c'est ce que je fait, j'ai un stock de transfo démonté sur des postes sans intérêt qui me servent à ca. Il suffit de compter le nombre de tour par volt et c'est bon. On débobine un secondaire HT en comptant les tours, on détermine le nombre de tour par volt avec précision.
Ensuite, sachant que l'autre secondaire HT à le même nombre de tour, avec une règle de 3 on détermine le nombre de tour a enlever. Ensuite on remet l'enroulement 6,3V dont on aura récupéré le fil. ON fonctionne au final avec un seul bobinage HT mais qui tiendra largement le choc compte tenu de la faible consommation du montage employé.
Comme nous avons plus qu'un demi secondaire, on fait un redressement avec un pont de diode (avec 4 diodes 1N4007 par exemple) et zou. on pourrait ne mettre qu'une seul diode mais avec un pont le courant redressé est bien plus propre et les 1N4007 ne valent rien à l'achat.
Après, on peut toujours rajouter une régulation mais bon, ce genre de generateur à une précision toute relative, donc même en régulant et en stabilisant, ca n'empêchera pas les dérives légères de l'oscillateur, d'autant plus que le boitier est petit et avec une lampe dedans, donc ca chauffe et avec la chaleur, l'inductance de la bobine change (enfin ca se verra surtout en position OC).
Frederic ABIGNOLI
|
|
| Sujet : CV Nouveau | De totolagalène Le 10-02-2009 à 16:05 sta |
|
Bonjour. Le premier transfo de poste que je prends a une position 145v sur le répartiteur de tension du primaire. Je ferais ma prise là et pour ne pas prendre de châtaignes, au lieu de relier toutes les masses au châssis, je ferais une ligne "moins" isolée du châssis. Et bien sûr Michel aurait aussi son secondaire 6,3v. ![[:Hi:]](s12.gif)
|
|
| Sujet : CV Nouveau | De michel du 70 Le 10-02-2009 à 17:12 sta |
|
Bonjour a tous
J'ai regarde sur le catalogue de "Conrad " , j'ai rien vu .Il faut que je retour chez le lunetier.
Par contre au sujet des transfos ca parle beaucoup de "VA ". peut-etre puissance ![[:??:]](s11.gif)
Pour Bernard , tu te recycle ?
|
|
| Sujet : CV Nouveau | De totolagalène Le 10-02-2009 à 17:29 sta |
|
Oui V A = volts-ampères = watts. Ma dernière solution ne te plaît pas pour le transfo?![[:Hi:]](s12.gif)
|
|
| Sujet : CV Nouveau | De totolagalène Le 10-02-2009 à 17:33 sta |
|
Dans ton cas un transfo de 15VA suffirait largement.![[:Hi:]](s12.gif)
|
|
| Sujet : CV Nouveau | De michel du 70 Le 10-02-2009 à 17:37 cms |
|  |
Bernard,celui qui est dans la boite me donne du 6 V.Effectivement chez "Conrad" il y a des transfo 230 V--> 2X115 V.J'ai la place pour le mettre et le tour est joue.
Disons, si je branche le géné directement sur le poste il fonctionne , L'alim c'est pas urgent. A la vitesse a laquelle je vais pour la remise en etat ,j'ai pas encore fini,c'est tres interessant et prenant.
|  |
|
|
| Sujet : CV Nouveau | De totolagalène Le 10-02-2009 à 18:07 sta |
|
Tu veux dire que ton géné fonctionne sans alim? C'est miraculeux!![[:Hi:]](s12.gif)
|
|
| Sujet : CV Nouveau | De michel du 70 Le 10-02-2009 à 18:33 sta |
|
Oui il faut : la masse , le 6.3V pour le filament et la HT .
|
|
| Sujet : CV Nouveau | De Jacques (webmestre) Le 10-02-2009 à 18:50 sta |
|
Rien n'empêche d'utiliser un transfo 220/6V pour le filament et de monter une alimentation HT par capacité directement à partir du secteur, ce qui n'empêche pas non plus de doter l'appareil d'une prise de terre, même avec une alim par capa, le débit HT étant tellement faible...
|
|
| Sujet : CV Nouveau | De totolagalène Le 10-02-2009 à 21:17 cms |
|  | Bonsoir. Si le coeur vous en dit, j'aimerais bien avoir un schéma de cette alim par capacités et la méthode de calcul de ces capas et autres composants en fonction de la tension désirée.
|  |
|
|
| Sujet : CV Nouveau | De michel du 70 Le 10-02-2009 à 23:02 sta |
|
Tension desiree HT 200 V cc . Autant faire un shema qui correspond a mon alim.
Merci Mr le Webmestre.
|
|
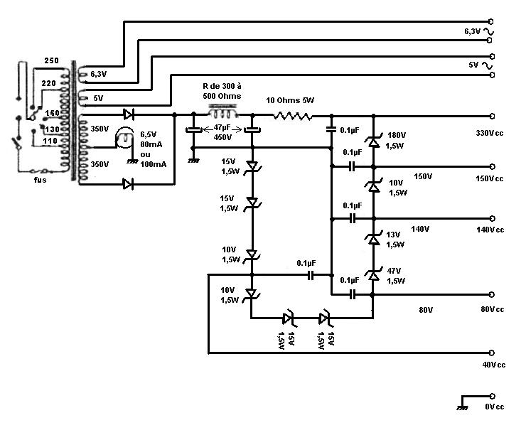
| Sujet : CV Nouveau | De Alain Legros Le 11-02-2009 à 20:13 sta |
|
Bonsoir.
Voici une alimentation avec un transformateur de récupération, 40V, 80V, 140V, 150V, 330V, avec limite de courant en continu et les chauffages 5V et 6,3V.
Alain
| |
|
| Sujet : CV Nouveau | De Alain Legros Le 11-02-2009 à 20:37 sta |
|
Bonsoir.
Petite rectification, il manque une résistance sur l'autre schéma.
Alain.
| |
|
| Sujet : CV Nouveau | De michel du 70 Le 15-03-2009 à 12:10 sta |
|
Bonjour a tous
Ca chauffe aujourd'hui sur le forum!!!!!!!!!!!
J'ai termine l'alimentation de mon generateur "eurelec 516" , c'est du travail de pro mais ca fonctionne.
J'ai pris l'idee de "Pierrot du 82 " et pour le materiel de "De fabignoli "
Sortie transfo de Conrad 150Volts -------> HT 205 Volts continu . C'est tou----bon
Cdt
Michel
| |
|
| Sujet : CV Nouveau | De michel du 70 Le 15-03-2009 à 12:11 sta |
|
| |
|
| Sujet : CV Nouveau | De michel du 70 Le 15-03-2009 à 12:12 sta |
|
| |
|
| Sujet : CV Nouveau | De Jacques (webmestre) Le 15-03-2009 à 12:18 sta |
|
Pourquoi "ça chauffe" ? pas plus que d'habitude ![[:??:]](s11.gif)
|
|
|