| Sujet : 930A Nouveau | De André-Yves Le 18-01-2009 à 20:34 sta |
|
Bonsoir,
Sur un autre fil n'ayant rien à voir, je signalais que j'étais en train de démarrer la restauration d'un 930A Philips, le "jambon", le vrai !
Dans les premières mesures d'état des lieux, j'ai constaté avec horreur que le HP présente une résistance infinie à l'ohmètre.
Quelqu'un a-t-il déjà démonté le moteur de ce diffuseur et réparé la bobine ?
J'ai commencé à attaquer la bête, je vous tiendrai au courant !
Bonne soirée,
A-Y
|
|
| Sujet : 930A Nouveau | De Jacques (webmestre) Le 19-01-2009 à 04:41 sta |
|
Hélas c'est une des pannes courantes du 930A avec la boite à condo et la résistance bobinée à prises. Voir ce fil par exemple.
Il faut dessouder la liaison cône/aiguille de moteur dans un premier temps, ensuite enlever l'isolant de bobine et on attaque. Pour ma part, j'avais débobiné le fil plus fin qu'un cheveux vers un mandrin avec une bobineuse de fortune, la coupure se trouvait bien évidemment vers la fin, au centre du bobinage.
Je n'ai même pas essayé de reconnecter le reste, c'est pratiquement impossible. J'ai rebobiné la partie valable du fil qui me donnait une résistance active de 1300 ohms au lieu de 1600 et tout marche nickel.
Vérifier aussi la dizaine de résistances sur la plaque à cosses, elles sont souvent coupées mais il est possible d'y insérer des 1/4 de watt dans le corps creux, ainsi, on n'y voit rien.
|
|
| Sujet : 930A Nouveau | De André-Yves Le 19-01-2009 à 14:00 sta |
|
Bonjour Jacques,
J'ai du faire sauter les 3 rivets qui maintiennent le croisillon (va falloir que je trouve du tube qui va bien pour les refaire) et j'ai défait sans trop de difficulté la liaison avec le cône.
Ensuite, ca se corse car pour régler l' entrefer, il y a de petits écrous qui ont été brasés pour être immobilisés après réglage en usine. Pour sortir la bobine, j'ai pu retirer le fer à cheval (aimant) mais il va falloir que je démonte cette horlogerie. Je suis un peu inquiet pour le faire mais aussi pour le remontage, il ne faut pas que la lamelle touche la bobine où les éléments magnétiques. Ca va être sportif ... sans parler du rebobinage (visiblement coupé dans le centre de la bobine aussi).
J'aimerais bien refaire chanter ce poste car il est en bon état général avec son fond et la toile de HP pratiquement intacte.
L'interupteur de mise en route était cassé, et ô miracle j'ai trouvé son frère jumeau dans mon brol (ces "horreurs en vrac" comme dirait Madame !).
Curieusement, il y des condos chimiques d'époque qui sont montés sur le chassis et la boîte va être à refaire (je l'ai déjà fait sur un 834, donc pas trop inquiet pour ca).
Je mettrai des photos ...
André-Yves
|
|
| Sujet : 930A Nouveau | De Jacques (webmestre) Le 19-01-2009 à 14:15 sta |
|
Une chose m'échappe c'est que normalement il n'y a pas besoin de faire sauter l'étrier pour sortir le bloc moteur ![[:??:]](s11.gif)
|
|
| Sujet : 930A Nouveau | De GHIBLI 1 Le 19-01-2009 à 14:41 sta |
|
Bonjour André Yves,
Si tu veux essayer ton poste avant la fin de réparation de ton HP, je peux te prêter celui-ci, dont je ne vais pas avoir besoin de suite. ( vu le nombre de postes à remettre en service )
Gilbert
Nb :Il a sa boite
| |
|
| Sujet : 930A Nouveau | De André-Yves Le 19-01-2009 à 14:59 sta |
|
Exact Jacques, normalement ... mais les vis coincaient et comme il n'y a pas moyen de glisser bien droit un tournevis et de forcer un peu, malgré le dégripant (pas facile sans tacher le cône) j'ai finalement préféré démonter l'étrier. Celui-ci étant oxydé, je vais en profiter pour le repeindre.
Merci Gilbert, mais j'ai déjà d'autres diffuseurs pour en effet essayer le poste. En fait, je prends aussi comme un défi de réparer celui-ci, je n'ai encore jamais fait ca et ca me plait d'essayer (j'espère y arriver)
A-Y
|
|
| Sujet : 930A Nouveau | De GHIBLI 1 Le 19-01-2009 à 15:34 sta |
|
Un grand point commun à tous les forumnautes : remettre en service un appareil que l'on à jamais ouvert ! Je connais !
Nous attendons les photos, et moi l'essai sonore !
Bon courage !
|
|
| Sujet : 930A Nouveau | De Filoch.... Le 19-01-2009 à 19:07 sta |
|
Bonsoir,
avec "mon mien" j'ai eu la boite a condos bien sur! mais la panne la plus subtil pas de réaction!'c', était La bobine intérieur du vario, couper par oxydation ,facile a bobiner mais bonjour le démontage de la mécanique :petite goupille fendu, les spirales de contacts petites soudures intérieure! la galère quoi! ,remontage aussi chiant! enfin tout est maintenant OK et il chante a merveille tout les jours une réception inpec en GO et PO (France bleu paris en PO la journé!)
Filoch......![[:Hi:]](s12.gif)
| |
|
| Sujet : 930A Nouveau | De André-Yves Le 20-01-2009 à 22:14 sta |
|
Bonsoir,
Voilà, j'ai démonté la bobine et je déroule ...
Je compte récupérer du fil sur un ancien écouteur pour rebobiner. Je ne compte pas les tours, de toute facon, il faut remplir la bobine avec du fil plus fin qu'un cheveux et obtenir la résistance de 1600 ohms ...
A-Y
|
|
| Sujet : 930A Nouveau | De André-Yves Le 20-01-2009 à 22:53 sta |
|
Pas de chance, la coupure était à la jonction centrale entre le fil ultra fin et l'amorce en4/10eme.
Il va donc falloir refaire l'intégralité du bobinage.
Il faut que je réfléchisse à la facon de procéder car je n'ai pas de bobineuse ...
Bon, ce soir ca suffira, je bosse demain !
A-Y
|
|
| Sujet : 930A Nouveau | De fabignoli Le 21-01-2009 à 11:06 sta |
|
Bonjour,
Pour ce genre de HP, je ne crois pas qu'on ait besoin de bobiner en spires jointives, si on bobine en vrac ca fonctionne très bien.
J'ai rebobiné un HP comme ca avec une perceuse sans fil en fixant la bobine avec une grosse vis sur le mandrin, il ne faut pas faire d'accoups pour ne pas casser le fil.
Si c'est du 0,05 ils en vendent chez Conrad mais je pense pas que ca soit aussi fin.
Frederic ABIGNOLI
|
|
| Sujet : 930A Nouveau | De André-Yves Le 21-01-2009 à 21:20 sta |
|
Bonsoir Frederic,
En effet, il ne s'agit pas de spires jointives, n'empêche qu'il faut quand même répartir de facon à peu près uniforme les spires sur la bobine. Par contre, c'est très très fin et je pense que c'est du 0,05. J'ai du 0,1 et je vais faire une mesure de résistance au mètre pour voir ce que ca donne. Sinon, j'acheterai chez Conrad le fil le plus fin, au moins je serai sûr de l'état de l'isolant. Je ne suis pas pressé ... mais je veux entendre ce machin siffler quand je lui injecterai du 1000 Hertz ! Ca prendra le temps qu'il faudra !
J'ai pris pas mal de photos du démontage mais sur le forum, ce n'est pas facile de tout mettre. Quelqu'un peut-il me conseiller un site sur lequel mettre les photos (si du moins ca interesse). je mettrai le lien sur le forum. Je rappelle que je suis nul en informatique et qu'il me faut quelque chose de simple !!
Amicalement,
André-Yves
| |
|
| Sujet : 930A Nouveau | De André-Yves Le 21-01-2009 à 21:23 sta |
|
| |
|
| Sujet : 930A Nouveau | De André-Yves Le 21-01-2009 à 21:26 sta |
|
Finalement avec resizer, ce n'est pas trop compliqué !
| |
|
| Sujet : 930A Nouveau | De André-Yves Le 21-01-2009 à 21:29 sta |
|
| |
|
| Sujet : 930A Nouveau | De André-Yves Le 21-01-2009 à 21:32 sta |
|
| |
|
| Sujet : 930A Nouveau | De André-Yves Le 21-01-2009 à 21:35 sta |
|
L'étrier avec le moteur ...
| |
|
| Sujet : 930A Nouveau | De fabignoli Le 22-01-2009 à 09:59 sta |
|
Le fil de 0,05 de chez Conrad est impec. L'isolant est bien. j'ai refait un transfo rapport 1:3 pour un radiola III, c'est impeccable, mais... C'est très fin... et ca casse facilement. Cela dit, même si ca casse, tu refais une épissure tu ressoudes et zou, tu continues.
Sinon, il est mignon ton petit atelier, t'as pas des photos pour notre site ? Je les mettrai sur la rubrique Etablis et atelier si tu veux. A moins que ca ne soit déja fait ?
Frederic ABIGNOLI
|
|
| Sujet : 930A Nouveau | De André-Yves Le 22-01-2009 à 20:28 sta |
|
Bonsoir Frederic,
Je pense que je vais commander ce fil de 0.05.
Sinon, pour les photos du fourbi, oui pas de problème, je t'en enverrai d'autres pour ton site. C'est un peu le bazar, mais bon ... Remarque, que c'est à 10 minutes de chez toi, alors si la visite t'interesse ... 
Pour Filoch, je note le point concernant le variomètre. Est-ce que votre poste a sa couleur d'origine, il semble très beau mais différent ?
A-Y
|
|
| Sujet : 930A Nouveau | De Filoch.... Le 22-01-2009 à 21:35 sta |
|
Bonsoir A.Y
Dans l'état de la boite J'ai coller par dessus, avec une chute de placage, très fine de "ronce de noyer que j'avais conserver depuis plus de 20 ans (suite a une restauration d'une console d'orgue ancienne) Je pense, que les puristes vont trouver cela "Scandaleux " mais il me plaît beaucoup comme cela ,et surtout moins tristounet!
La photo d'avant parle d'elle même!
Filoch......
|
|
| Sujet : 930A Nouveau | De Filoch.... Le 22-01-2009 à 21:38 sta |
|
| |
|
| Sujet : 930A Nouveau | De André-Yves Le 22-01-2009 à 21:51 sta |
|
Dans ce cas, en effet, c'était le mieux à faire et c'est très réussi.
Le mien est en bon état, très sale simplement. D'ailleurs je me demande comment le nettoyer corectement sans user les motifs. Faut-il le vernir ensuite ??? Je ne sais pas ...
A-Y
|
|
| Sujet : 930A Nouveau | De André-Yves Le 27-01-2009 à 22:57 sta |
|
Bonsoir,
En attendant le fil émaillé commandé, j'ai refait le condo C16 derrière le HP et nettoyé l'étrier en vue d'être repeint.
Le poste avait été bidouillé dans les années 30 visiblement : 2 condos chimiques rajoutés sur le chassis pour compenser 2 autres claqués dans la fameuse boîte. Je vais remettre de l'ordre dans tout ca pour retrouver l'aspect d'origine. Evidemment R11 bobinée coupée histoire de faire bien dans le paysage!
Il faut encore que je teste le transfo d'alim, j'ai peur tout d'un coup !!!
Au fait, pour un chassis, quelqu'un a-t-il déjà testé la galva à froid ??
Bonne soirée,
A-Y
|
|
| Sujet : 930A Nouveau | De André-Yves Le 28-01-2009 à 20:53 sta |
|
La résistance bobinée ...
Le condensateur C16 ...
| |
|
| Sujet : 930A Nouveau | De André-Yves Le 28-01-2009 à 20:55 sta |
|
C'était le bloc de condos, voici C16 ...
| |
|
| Sujet : 930A Nouveau | De André-Yves Le 17-02-2009 à 20:27 sta |
|
Ca avance mais il y a encore des améliorations à faire ...
Dans l'avenir, je ferai une vraie bobineuse mais je n'ai pas de moyens en mécanique ...
A-Y
| |
|
| Sujet : 930A Nouveau | De André-Yves Le 17-02-2009 à 20:29 sta |
|
Mesure de la résistance linéique du fil d'origine puis du nouveau : 6 et 9 ohms/m. A prendre en compte pour calculer le nombre de tours ...
| |
|
| Sujet : 930A Nouveau | De André-Yves Le 17-02-2009 à 20:33 sta |
|
J'ai aussi attaqué le bloc de condos ... beurkkk !
| |
|
| Sujet : 930A Nouveau | De André-Yves Le 17-02-2009 à 20:38 sta |
|
| |
|
| Sujet : 930A Nouveau | De DUBUS Le 20-02-2009 à 21:58 sta |
|
Mr André Yves,j'ai esssayé la galva a froid pour un 930A ,justement....J'en sius satisfait...Aspect un peu granuleux,metalique,bien meilleur aspect que le chassis tout rouillé d'avant!Mettre le chassis a poil,poncer vigoureusement a la ponceuse orbitale,degraisser au trichlo ou acetone puis bomber ....J'ai utilisé "Neptogalva" un aerosol vendu en cooperative maritime....Ca vaut rien sur une ancre,mais pour nos vieux radios au sec et au chaud....ca doit le faire!Notez qu'a l'origine,il me semble que le chassis etait cuivré ,puis galvanisé,serieux pour un appareil bas de gamme!
Ne remplissez pas la boite de condos,une fois l'échange effectué...pour faire tenir la plaquette noire au bon niveau,posez de petites entretoises en bois puis rabattez les laguettes metaliques...Tout reste accessible....pour re-changer les condos de filtrages que vous aurez sous dimensionné....comme moi On doit pouvoir monter jusqu'a 2fois 8 ou 2 fois 16 micro ,je ne sais plus....Quand je saurais faire j'enverrai des photos....
Bonne restauration!Ecouter France Inter ,ou France Info sur un 930,c'est...emouvant!
|
|
| Sujet : 930A Nouveau | De André-Yves Le 20-02-2009 à 22:20 sta |
|
Bonsoir,
Merci pour vos conseils. J'avais l'intention de remettre les valeurs d'origines (3µF, 2µF, 1µF et O,5µF). Si je comprends bien, vous me conseillez de mettre des valeurs plus élevées ?
A dire vrai, c'était le cas déjà : des condos extérieurs de 8 et de 16 µF avaient été installés (dans les années 30 déjà vu le type).
Qu'en pensent les autres lecteurs du forum : valeurs d'origine ou plus élevées ???
Bon, mais il faut encore que je remette le HP en service ...
Cordialement,
A-Y
|
|
| Sujet : 930A Nouveau | De Jacques (webmestre) Le 21-02-2009 à 02:11 sta |
|
Pour ma part, j'ai toujours remis les valeurs d'origine (à la normalisation près (3,2 (2,2+1) ou 4,7 en chimique, 2,2 0,47...). Ils fonctionnent très bien ainsi.
|
|
| Sujet : 930A Nouveau | De André-Yves Le 21-02-2009 à 18:34 sta |
|
Bonsoir Jacques,
Oui, je vais commencer comme ca avec les condos en photos. Il sera toujours possible de modifier ensuite si besoin.
Sinon, récupéré un capacimètre à tubes Philips aujourd'hui ... si quelqu'un connait ?
A-Y
|
|
| Sujet : 930A Nouveau | De Pierrot du 82 Le 21-02-2009 à 22:07 cms |
|  |
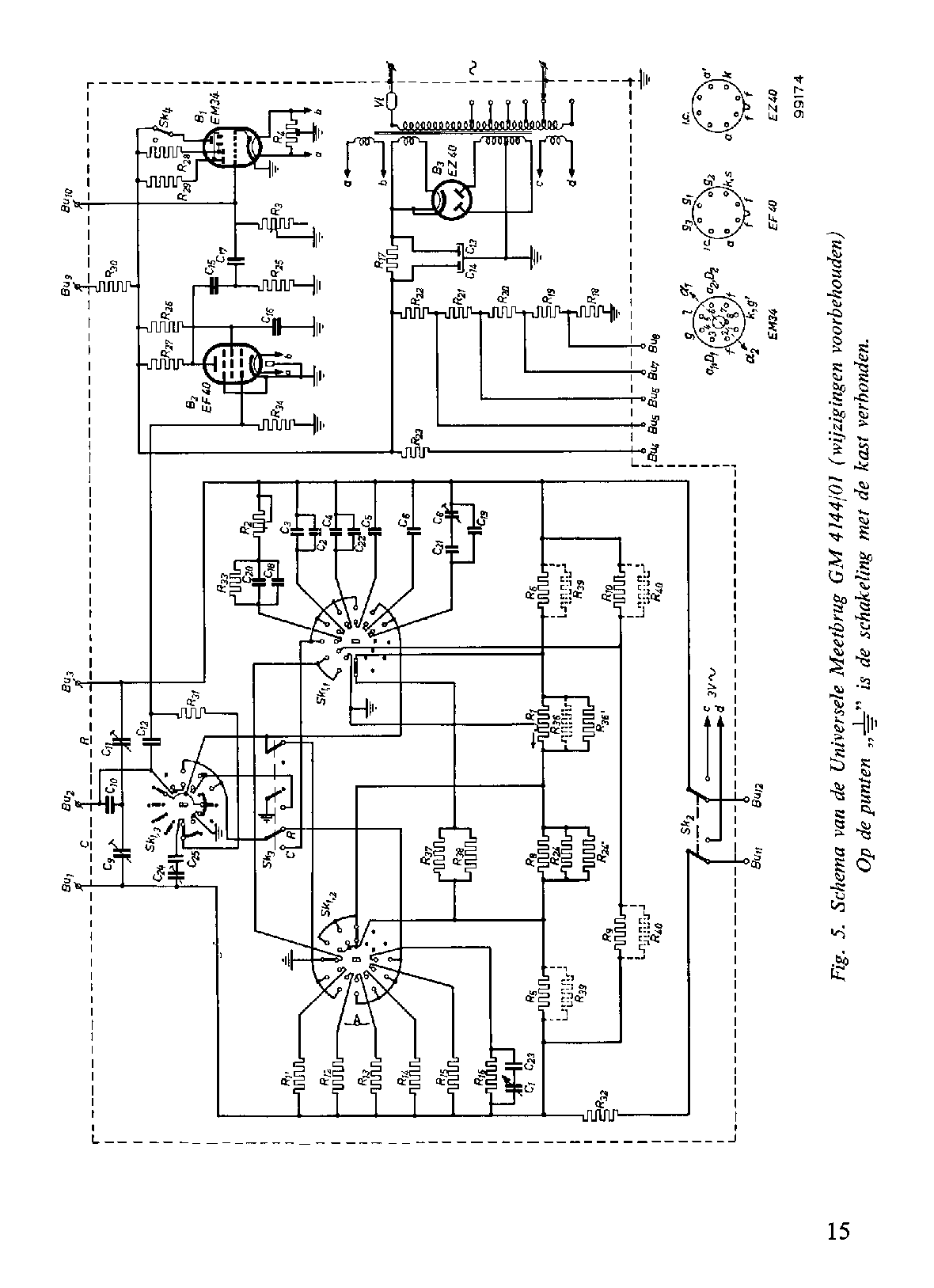
Le Philiscope GM 4144 ?
Voir la photo.
On en a parlé sur le forum...
|  |
| |
|
| Sujet : 930A Nouveau | De André-Yves Le 22-02-2009 à 10:26 sta |
|
Bonjour Pierrot, en effet je viens de retrouver ce fil, par contre je n'arrive pas à charger la doc sur Bama ...
Bon Dimanche,
A-Y
|
|
| Sujet : 930A Nouveau | De Bernard-GRZ Le 22-02-2009 à 11:37 sta |
|
|
|
| Sujet : 930A Nouveau | De Pierrot du 82 Le 22-02-2009 à 13:54 cms |
|  | Le schéma et la nomenclature...
|  |
| |
|
| Sujet : 930A Nouveau | De André-Yves Le 23-02-2009 à 21:11 sta |
|
Merci à vous. Je verrai ce que vaut cet appareil un peu plus tard.
A-Y
|
|
| Sujet : 930A Nouveau | De André-Yves Le 23-02-2009 à 21:27 sta |
|
Revenons au 930 !
Bobinage à l'aide d'un bricolage de fortune mais qui fonctionne.
C'est à la main que je réparti les spires de la bobine en poussant la bobine de fil. Ca marche puisque j'ai fait mes 6000 spires sans casser.
L'amorce de la bobine est faite avec un peu de fil à wrapper, argenté et isolant téflon, c'est costaud et facile à souder sur le fil émaillé.
A-Y
| |
|
| Sujet : 930A Nouveau | De André-Yves Le 23-02-2009 à 21:30 sta |
|
Les anciens condos extirpés de leur boite ...
| |
|
| Sujet : 930A Nouveau | De Jacques (webmestre) Le 24-02-2009 à 12:06 sta |
|
C'est le deuxième type de boîte, celui où le 930 côtoyait déjà le 830.
|
|
| Sujet : 930A Nouveau | De DUBUS Le 26-02-2009 à 20:47 sta |
|
bonsoir a tous,voici le 930a que j'ai restauré avant Noel...Le chasssis bombé au galva a froid .La toile du HP a eté lavée(tres delicatement) et retournée,les couleurs etaient plus vives..
| |
|
| Sujet : 930A Nouveau | De DUBUS Le 26-02-2009 à 20:58 sta |
|
On voit pas du tout la couleur du tissu tat pis!Voici la suite....La bete vue de dessous et la boite de condos,avec ses languettes a rabattre,pas la meme boite que la votre....plus ancienne ,peut etre.N'ayant pas trouvé de E438 ,j'ai fabriqué des répliques en resine avec des vieux culots et des PC 86 a l'interieur dedans...Merci a Pierre Genet pour l'inspiration...
| |
|
| Sujet : 930A Nouveau | De DUBUS Le 26-02-2009 à 21:17 sta |
|
Allez ,une petite derniere !Vue de l'arriere avec carton d'origine.Il etait tout gondolé,sale et moche...J'ai tenté un truc:je l'ai laissé tremper 3 ou 4 heures dans l'eau,puis je l'ai placé entre deux epaisse planches de bois bien planes et rigides avec peut etre 100 kilos de caillous dessus pour bien presser....Deux jours apres,je l'ai repassé au fer,temperature maxi....Le resultat m'a etonné !
Voila ce que j'ai fait,ce ne sont pas des "conseils" ,mais cela pourra vous aider..Le 930A,c'est vraiment la tarte a creme du collectionneur débutant,comme moi,mais putain!qu'il est beau!C'est autre chose qu'un "cerceuil"
J'ai trouvé ce poste dans une remise,il n'avait ni boutons,ni HP,ni lampes...et maintenant ca marche..
| |
|
| Sujet : 930A Nouveau | De André-Yves Le 26-02-2009 à 22:00 sta |
|
Très joli, merci pour ces détails. Une petite question : pour la caisse, comment l'avez-vous nettoyée, l'avez-vous vernie ? Avec quoi ?
Bien noté aussi pour le carton arrière très gondolé aussi sur le mien.
Bonne nouvelle de mon côté : le difuseur fonctionne. Je viens d'injecter dans ma bobine de la BF issue d'un géné et on entend bien la tonalité de 100 Hz à 10KHz sans problème. J'ignore évidemment si le niveau est égal à celui d'origine mais il faudra faire avec !
Bref, on peut rebobiner soi-même une bobine de ce type entièrement (il ne faut pas avoir le palud, c'est tout ).
J'ai aussi galavnisé à froid le bloc de condos qui était oxydé pour voir, et je vais sans doute faire de même avec le chassis qui est lui aussi pas mal oxydé.
C'est vrai que c'est un plaisir de remettre en état un poste que celui-là malgré les difficultés (ou grace ?).
Bonne soirée,
A-Y
|
|
| Sujet : 930A Nouveau | De DUBUS Le 27-02-2009 à 21:14 sta |
|
Bon soir a tous et a AndréYves...
La caisse que j'avais etait en bon etat vu son age...Je l'ai entierement démontée,poncé ,et peint les cerclages metaliques ,comme le décrit JC Jardine sur son site,au sujet du 830A(merci a lui)Le reste ,ce qui ressemble a une sorte de formica epais,je l'ai astiqué au "Mirror"Attention!Pas trop insister car je crois qu'a la longue ,on fini par attaquer le motif de la déco....Finition a l'encaustique,polisché au chiffon de laine(caschemire ou Shetland ,a la rigueur )Non ,c'est tout,pas de vernis....je ne sais pas ce que ca peut donner....
Pas le palud pour bobiner?certes non,mais aussi les nerfs solides!Un fil de 0,05 ,c'est vite cassé!J'ai deja rebobiné de vieux transfos BF avec du 0,07....
|
|
| Sujet : 930A Nouveau | De Pierrot du 82 Le 27-02-2009 à 22:07 cms |
|  |
Bravo , vous êtes de vrais artistes de la restauration !
|  |
|
|
| Sujet : 930A Nouveau | De André-Yves Le 28-02-2009 à 09:16 sta |
|
Merci Pierrot mais je suis loin d'avoir fini !
Dubus, oui maintenant je n'aurai plus trop peur de tenter un rebobinage de transfo BF. Pour la bobine du 930, ma seule inquiétude est la résistance que j'ai ainsi montée à 2,2K environ (au lieu de 1,6 m'a t-on, dit) mais je voulais aussi garder un champ magnétique suffisant malgré la diminution du nombre de spires. On verra ce que ca donne lors des essais finaux.
Pour la caisse, je vais suivre vos conseils, la mienne étant en bon état général aussi.
A-Y
|
|
| Sujet : 930A Nouveau | De HLJ Le 11-03-2009 à 22:14 sta |
|
Tiens le voilà ici ? Je me souvenais de l'avoir vu sur le forum.
DUBUS dit sur eBay : "Bel objet qui faisait ma fierté de collectionneur amateur,mais......."
Meilleures salutations.
HLJ
|
|
| Sujet : 930A Nouveau | De DUBUS Le 12-03-2009 à 20:58 sta |
|
Oui,bon,bonsoir a tous..
Je l'attendais ce post! ...Quand on a trois relance de son fournisseur de gaz,qu' on met
deux mois a payer les 150 euros de cantine de son fiston,et qu'on a un truc a 3 ou 400 euros qui traine sur une etagere...que doit on faire quand on est un pere de famille responsable?
J'ai les boules ,mais tant pis ...
Mr HLJ,vous avez omis de dire que j'ai plein d'autre choses interressantes a vendre!

Est ce que mon intervention sur ce forum au sujet de cet appareil s'en trouve dépréciée?
En fait je n'ai pas les moyens d'etre "collectionneur"....mais je peux continuer a m'eclater avec des bidouilles a trois sous!
M'en fous ,quand j'aurais des ronds,je les acheterai par paquet de six les 930A....
|
|
| Sujet : 930A Nouveau | De HLJ Le 14-03-2009 à 00:38 sta |
|
Bonsoir,
Mon post n'est ni une critique ni un jugement, je faisait simplement le lien entre un seul et même objet observé à deux endroits différents.
J'ai aussi possédé un 930A qui était en excellent état d'origine ce dont j'étais fier aussi et je m'en suis séparé il y a une dizaine d'années, je ne savais pas alors si j'allais continuer ou liquider ma collection et il est vrai que c'est ce qui se vends rapidement et aux meilleurs prix en de tel cas.
Depuis je n'ai plus de 930A et d'autres que j'avais vendu à cette époque, mais il m'en reste encore pas mal....
J'en ai aussi acheté depuis d'autres plus rares de cette époque et plus intéressants techniquement que ce poste à réaction bas de gamme qu'est le 930A.
Meilleures salutations.
HLJ
|
|
| Sujet : 930A Nouveau | De f1ftp Le 14-03-2009 à 17:44 sta |
|
N'ayant pas trouvé deux E438 d'origine a prix raisonnable,j'ai fabriqué deux copies en resine a l'interieur desquelles se trouvent 2 lampes plus modernes.Cela ne nuit pas a l'esthetique,et puis si vous trouvez des vraies ,il suffira de les changer..
Pourquoi ne pas vous lancer dans la réalisation de copies de lampes,vu la qualitée de vos réalisations je suis sur qu'il y aura du monde pour vous en acheter.
Philippe
|
|
| Sujet : 930A Nouveau | De Jacques (webmestre) Le 14-03-2009 à 18:27 sta |
|
La niche est déjà prise, et de main de maître d'ailleurs, pourquoi se casser la tête ? André-Yves peut aussi monter des E424 en attendant, plus faciles à trouver.
|
|
| Sujet : 930A Nouveau | De jackoe Le 14-03-2009 à 18:44 sta |
|
Franc Tireur et Partisan, il eût fallu que vous précisâtes que vous fîtes une citation. Je n'ai pas suivi de prime abord... 
ps : je ne suis pas du tout sûr de l'exactitude grammaticale de la phrase bizarre que je viens d'écrire ... 
|
|
| Sujet : 930A Nouveau | De f1ftp Le 14-03-2009 à 18:51 sta |
|
OK Jackoe c'est noté 
|
|
| Sujet : 930A Nouveau | De totolagalène Le 14-03-2009 à 21:21 cms |
|  | Il eût fallu que vous précisasses, mais les fautes d'orthograhe on s'en fout. Dommage que certains en fasses des complexes!
|  |
|
|
| Sujet : 930A Nouveau | De totolagalène Le 14-03-2009 à 21:22 cms |
| |
|
| Sujet : 930A Nouveau | De totolagalène Le 14-03-2009 à 21:25 cms |
|  | Je vais me faire engueler par Jacques pour avoir essayé de jouer au professeur.
|  |
|
|
| Sujet : 930A Nouveau | De totolagalène Le 14-03-2009 à 21:27 cms |
|  | oui. en fasses. En voilà une belle . Lire en fassent.
|  |
|
|
| Sujet : 930A Nouveau | De André-Yves Le 14-03-2009 à 22:29 sta |
|
Bonsoir,
Pas tout compris mais bon ...
Bref, où en suis-je ? Pas travaillé sur le poste cette semaine, boulot trop tard le soir et un poste de 1955 à réparer pour une amie, facile mais ca prend un peu de temps quand même.
En fait, j'ai commencé le démontage du chassis en vue de la galva.
Pour Dubus, votre 930A en vente, oui c'est dommage mais je comprends. Il y a des choix plus importants à faire que la TSF ...
Pour Jacques, j'ai bien des E438 "NOS", mais que je n'ai pas encore vérifiées.
Bon, quand ca avancera un peu, je reprendrai le fil ...
Amicalement et bon WE à tous,
A-Y
|
|
| Sujet : 930A Nouveau | De totolagalène Le 14-03-2009 à 22:33 cms |
|  | Surtout si l'amie est jolie!

|  |
|
|
| Sujet : 930A Nouveau | De André-Yves Le 14-03-2009 à 22:37 sta |
|
C'est une voisine qui pourrait être ma mère alors ... 
Et puis je suis déjà pourvu et elle aime bien mes TSF alors ... 
A-Y
|
|
| Sujet : 930A Nouveau | De totolagalène Le 14-03-2009 à 22:43 cms |
|  |
Et alors! C'est pas ta mère! S'il s'agissait d'un jeune, il faudrait lui apprendre que c'est dans les vieux pots qu'on fait la bonne soupe.

|  |
|
|
| Sujet : 930A Nouveau | De GHIBLI 1 Le 15-03-2009 à 07:04 sta |
|
totolagalène,
Je connais André Yves: il n'a rien d'un vieux "papy" ! Bien que je soupçonne qu'il n'ait pas attendu la voisine pour faire de la bonne soupe ! 
|
|
| Sujet : 930A Nouveau | De DUBUS Le 15-03-2009 à 18:58 sta |
|
OK, Mr HLG...
J'ai bien compris!Décidement,ce forum est dynamique et sympa!
|
|
| Sujet : 930A Nouveau | De André-Yves Le 15-03-2009 à 20:15 sta |
|
Je confirme, c'est sympa ici et il n'y a pas de mal à se "chambrer" un peu !
D'ailleurs, comme le dit Gilbert (alias ghibli1) la soupe est bonne, merci  .
Bref, quelques photos pour vous détendre ...
A-Y
| |
|
| Sujet : 930A Nouveau | De André-Yves Le 15-03-2009 à 20:20 sta |
|
Encore ...
La bobine remontée dans son circuit magnétique. Le fil émaillé a été protégé par du fil de frette et on voit les 2 fils blanc à wrapper.
Bonne soirée,
A-Y
| |
|
| Sujet : 930A Nouveau | De Jean-Michel Le 17-03-2009 à 23:02 sta |
|
André-Yves,
pourriez-vous me transmettre une version maxi des photos suivantes :
69008imgp4400 (le HP)
69491imgp4474 (le bloc de condos)
72613imgp4375 (les résistances)
72613imgp4377 (les condos)
72614imgp4519 (la boite de condos ouverte)
et me donner votre nom entier, pour le crédit photos si elles sont retenues par le rédac-chef ?
Merci d'avance
|
|
| Sujet : 930A Nouveau | De André-Yves Le 29-12-2009 à 17:59 sta |
|
Bonjour à tous,
Ça a pris un an ou presque mais j'avais juré qu'il rechanterait pour le nouvel an et ca y est !
Dernière en date : coupure de la bobine S8 de réaction (vous savez, celle qui tourne à l'intérieur des 3 autres )
Bref, il fonctionne plutôt bien avec des lampes d'origine, je finis de lui faire une beauté et il pourra trôner fièrement chez moi.
Amitié à tous,
A-Y 
|
|
| Sujet : 930A Nouveau | De Jacques (webmestre) Le 29-12-2009 à 20:34 sta |
|
Félicitations, faut être coriace avec ces bestiaux 
|
|
| Sujet : 930A Nouveau | De jeanluc13 Le 29-12-2009 à 21:33 sta |
|
André-Yves, il sera visible à Paris ou en Bretagne
jeanluc
|
|
| Sujet : 930A Nouveau | De André-Yves Le 29-12-2009 à 23:51 sta |
|
Merci Jacques, ca demande un peu de patience en effet.
Le plus délicat a été le rebobinage du diffuseur. Mais je suis content du résultat : le son est correct après réglage de l'attaque du cône par la tige du moteur (pas de la hi-fi quand même!). Le reste, long mais posant moins de problème. Ceci dit comme c'est la première fois que j'en vois un fonctionner, je ne sais pas si je suis au mieux de l'écoute ? J'ai essayé plusieurs B443 avec quelques différences.
Pour Jean-Luc, il est à Paris dans mon antre (voir sur le forum salé) pour l'instant mais il va remplacer mon SkyMaster 53 du salon bientôt. J'aime bien changer la déco de temps en temps .
Bonne soirée,
André-Yves
|
|
| Sujet : 930A Nouveau | De jackoe Le 30-12-2009 à 11:11 sta |
|
Patience et longueur de temps font plus que force ni que rage...
Bravo André-Yves ! ![[:Hi:]](s12.gif)
|
|
| Sujet : 930A Nouveau | De André-Yves Le 30-12-2009 à 21:41 sta |
|
Oui Jackoe, il n'y a pas le feu en TSF de nos jours puisqu'il n'y a plus de client ...
Bon, je dois choisir le prochain défi ... je crois que je vais commencer 2010 par un PARM de 1926 à 2 lampes. Ça ne m'a pas l'air bien compliqué d'ailleurs et il est en parfait état.
Bonne soirée,
A-Y
|
|
| Sujet : 930A Nouveau | De André-Yves Le 02-01-2010 à 17:12 sta |
|
Bonne année à tous,
Voici des photos de l'appareil terminé. (La toile et le dos sont d'origine)
Je l'écoute en mettant ces mots en ligne : excellent 
André-Yves
| |
|
| Sujet : 930A Nouveau | De André-Yves Le 02-01-2010 à 17:13 sta |
|
| |
|
| Sujet : 930A Nouveau | De Totolagalène Le 02-01-2010 à 17:17 sta |
|
Bravo!
Y'a plus qu'à le mettre sur E-Bay ![[:Hi:]](s12.gif)
|
|
| Sujet : 930A Nouveau | De Phil Le 02-01-2010 à 17:24 sta |
|
|
|
| Sujet : 930A Nouveau | De André-Yves Le 02-01-2010 à 17:53 sta |
|
Sur E-Bay? Tu plaisantes Toto !!  
Si l'un d'entre vous en a besoin pour une restauration, j'ai pas mal de photos aussi.
A-Y
|
|
| Sujet : 930A Nouveau | De Totolagalène Le 02-01-2010 à 18:17 sta |
|
Bien sûr que je plaisantais! T'as pas vu le smiley?![[:Hi:]](s12.gif)
|
|
| Sujet : 930A Nouveau | De André-Yves Le 02-01-2010 à 18:28 sta |
|
Bien sûr et j'en ai mis aussi ![[:Hi:]](s12.gif)
Bon, en ce moment j'hésite toujours pour le prochain chantier ...
A-Y
|
|
|