| Sujet : alim Nouveau | De Paticrk 41 Le 29-01-2007 à 01:58 sta |
|
bonsoir
je voudrai faire une alimentation
de 2 a 60V reglable en tension et en intensite
quelqu'un pourrai t'il me dire si le schema
ci joint est bon
cordialement
Patrick
| |
|
| Sujet : alim Nouveau | De mignon Le 29-01-2007 à 08:50 sta |
|
Bonjour,
je n'arrive pas à lire le schéma. Pouvez-vous le refaire avec une meilleure définition.
|
|
| Sujet : alim Nouveau | De pixel Le 29-01-2007 à 09:18 sta |
|
un systéme de commutation au secondaire du transfo ( 24/48 V) serait souhaitable pour réduire la dissipation des ballasts lors de l'usage à basses tensions en sortie.
|
|
| Sujet : alim Nouveau | De pixel Le 29-01-2007 à 09:40 sta |
|
il faudrait ammener le pied du potentiométre P3 (??) DERRIERE la resistance shunt de l'ampéremetre , sinon il va apparaitre des erreures de mesure de tension à fort débit.
une astuce serait de désolidariser les deux alimentaions des appareils de mesure , et de monter l'ampéremétre sur la resistance de limitation de courant R6(??), son alim pouvant alors flotter.
voila quelques idées en vrac ( inspirées de ma propre alim).
|
|
| Sujet : alim Nouveau | De Paticrk 41 Le 29-01-2007 à 14:49 sta |
|
le schema un peu plus claire
| |
|
| Sujet : alim Nouveau | De mignon Le 29-01-2007 à 17:19 sta |
|
Merci pour le schéma.
Le circuit L146 n'évoque rien pour moi. Quel sont ces caractéristiques?
Pourquoi 2 Darlington en // pour seulement 1A en sortie.
La résistance de 0,1 ohm n'est pas en série avec la charge et court-circuite l'alim. Sauf erreur de mes vieux yeux, çà va sauter tout de suite. A 60V sur 0,1 çà fait 360W.
|
|
| Sujet : alim Nouveau | De pixel Le 29-01-2007 à 17:46 sta |
|
le L146 est un 723 "haute tension".
ok pour le shunt de l'ampéremétre , voir ma suggestion plus haut.
|
|
| Sujet : alim Nouveau | De Paticrk 41 Le 29-01-2007 à 18:03 sta |
|
pouvez vous me le faire sur schema
car les termes que vous employez
pour moi en tant que debutant en electronique
patoge un peu![[:??:]](s11.gif)
|
|
| Sujet : alim Nouveau | De Paticrk 41 Le 29-01-2007 à 18:07 sta |
|
avec le transfo de
2x 24v 63VA et t'il possible
avec ce schema avoir une intensite plus eleve
que 1Amp
|
|
| Sujet : alim Nouveau | De mignon Le 29-01-2007 à 20:58 sta |
|
Avec un transfo de 63VA, vous n'irez même pas à 1A. En estimant le rendement à 70% (et je suis optimiste) on peut attendre une sortie de l'ordre de 63*0,7=44W soit une intensité de 0,733 A. Pour "sortir" plus il faut prendre un transfo plus gros soit pour 1,5A il vous faut un transfo d'environ 120VA.
Le schéma modifié pour le shunt est ci-joint.
Quant au CI L146 je n'ai ni son brochage ni ses caractéristiques. Si il s'agit comme le dit Pixel (que je ne met surtout pas en doute) d'une variante de LM723, voir sur le site ci-dessous les exemples d'applications. Mais a mon avis un bon vieux 2N3055 devrait convenir. J'essaie de vérifier çà et je vous tiens au courant.
|
|
| Sujet : alim Nouveau | De mignon Le 29-01-2007 à 20:59 sta |
|
oups, le site n'est pas passé
le site
|
|
| Sujet : alim Nouveau | De mignon Le 29-01-2007 à 21:01 sta |
|
Re oups, le schéma non plus. J'espère qu'il y est cette fois
| |
|
| Sujet : alim Nouveau | De pixel Le 29-01-2007 à 22:30 sta |
|
article sur le l146 :
http://f5jtz.club.fr/pjacquet/l146.htm
disponible chez Electronique Diffusion
|
|
| Sujet : alim Nouveau | De Paticrk 41 Le 30-01-2007 à 06:39 sta |
|
bonjour
j'ai etais sur le site que vous m'avez dit
mais je ne peu pas telecharger les indications des composant
mon ordi se bloque
pour ce qui est du transfo
j'en ai un mais je pense qu'il doit etre un peu gros
630VA 2x24V 
|
|
| Sujet : alim Nouveau | De pixel Le 30-01-2007 à 09:32 sta |
|
|
|
| Sujet : alim Nouveau | De mignon Le 30-01-2007 à 10:54 sta |
|
Bonjour,
le schéma de Patrick est celui du site cité par Pixel. En effet qui peut le plus... mais 630VA, le transfo ne risque pas de bruler, juste de chauffer un peu par sa propre consommation ohmique. Les transistors T1 et T2 (ballast) sont des darlingtons TIP142 qui "tiennent" 10A chacun, on a donc de la marge et c'est bien. Pour tirer plus que 1A il faut réduire la valeur de R8 vers 0,5 ohm. Mais c'est à vérifier car la diode D5 crée une chute de tension d'environ 0,5 à 0,6V. Or si j'ai bien compris le datasheet du LM723, la limitation de courant commence justement aux alentours de 0,6V.
Quant à P3, il vaut mieux, comme le préconise Pixel, le cabler sur la sortie 0V.
| |
|
| Sujet : alim Nouveau | De Paticrk 41 Le 30-01-2007 à 16:32 sta |
|
j'ai modifie le schema pour y voir plus claire
si j'ai bien compri l'afficheur pour les amperes ce branche en serie
et pour les volts en paralelle
par securite faut il protege par un fusible la sortie du transfo
et monte les transistors sur un radiateur ou sur le bati
| |
|
| Sujet : alim Nouveau | De pixel Le 30-01-2007 à 16:51 sta |
|
supprimer les retour à la masse des alimentation des afficheurs.
|
|
| Sujet : alim Nouveau | De mignon Le 30-01-2007 à 18:51 sta |
|
ATTENTION!!! vous avez bien compris, mais mal appliqué. La résistance de 0,1 ohm est mal cablée.
Un radiateur est obligatoire car aux basses tensions et à fort débit, ce sont les transistors qui absorbent la puissance. Par exemple à 3V et 2A, la tension aux bornes de T1 et T2 est de 60-3=47 et donc la puissance 47*2=94W . C'est un énorme "fer à souder". Même si ces chiffres ne sont pas exacts çà vous donne une idée.
Envisagez de commuter le secondaire du transfo (24/48) comme le préconise Pixel.
| |
|
| Sujet : alim Nouveau | De Dubreuil JC Le 31-01-2007 à 06:58 sta |
|
Bonjour
Attention à D5 (1N 4001) si vous voulez tirer plus de 1 A de votre alimentation. Si cette diode lache et se met en court-circuit, cas le plus courant, la limitation de courant ne fonctionnera plus ou sera décalée vers des courant beaucoup plus élevés. Une diode 1N 5401 peut être utilisée jusqu'à 3 A.
Jean-Claude
|
|
| Sujet : alim Nouveau | De Paticrk 41 Le 31-01-2007 à 08:10 sta |
|
bonjour
pour commute le secondaire du transfo
faut il mettre les deux secndaires en paralelle
pour avoir plus intensite
48V 1,6 amp 24V 2,5amp indication sur transfo
pour R8 0,5Homs et D5 1N5401

| |
|
| Sujet : alim Nouveau | De mignon Le 31-01-2007 à 08:35 sta |
|
Bonjour,
a plusieurs on n'y arrive beaucoup mieux.
Pour la mise en parralèle des secondaires il y a eu sur ce site une discussion très interressante. En résumé il faut que le transfo soit prévu pour ce genre d'opération.
Toutefois je pense que la mise en // n'est pas nécessaire pour cette application. Car l'augmentation d'intensité aux basses tensions implique de commuter le circuit de limitation de courant. Et on arrive très vite à une usine à gaz. Il suffit de n'utiliser qu'un secondaire pour les basses tensions et les deux pour les tensions plus fortes. La commutation est déja plus simple. Et aussi il faut vérifier qu'en commutant sous tension, on ne crée aucun court-circuit.
| |
|
| Sujet : alim Nouveau | De Paticrk 41 Le 31-01-2007 à 08:51 sta |
|
je pense que le transfo
est prevu pou ca
voir le schema qui ce trouve sur celui ci
| |
|
| Sujet : alim Nouveau | De pixel Le 31-01-2007 à 17:36 sta |
|
inutile , en basse tension ramener un des fils du pont au point milieu ( 24 volts) ça sera simple et suffisant.
|
|
| Sujet : alim Nouveau | De Paticrk 41 Le 31-01-2007 à 18:38 sta |
|
pixel me dit de supprier les retours a la masse
des afficheurs
pouver vous me dire pour quoi
le schema a ete remodifie
si tout est ok
il me reste plus me mettre au boulot
merci de votre aide
Patrick 
| |
|
| Sujet : alim Nouveau | De pixel Le 31-01-2007 à 21:50 sta |
|
pour éviter des retours de courant mal maitrisés , faute de savoir quelles sont les références employées par les afficheurs.
bien évidemment , on ne se pose pas la question dans le cas des afficheurs à galvanométres 
|
|
| Sujet : alim Nouveau | De pixel Le 31-01-2007 à 21:53 sta |
|
tu étais de toute maniére implicitement partis dans cette direction en choisissant de faire deux alimentations séparées pour les galvas...
mais les relier à la masse fait perdre tout intérret à cette précaution!
|
|
| Sujet : alim Nouveau | De Paticrk 41 Le 01-02-2007 à 16:26 sta |
|
Bonjour
petite question suplementaire
quelle puissance faut il mettre
pour les resistances du voltemetre et amperemetre
|
|
| Sujet : alim Nouveau | De pixel Le 01-02-2007 à 18:59 sta |
|
sans importance , sauf celle du SHUNT de l'ampéremetre , bien sur !
à calculer selon la loi d'Haume :
P = R x I²
|
|
| Sujet : alim Nouveau | De jackoe Le 01-02-2007 à 20:51 cms |
|  | Voyons, pixel, un peu de tenue !!!!!
|  |
|
|
| Sujet : alim Nouveau | De ON5MJ Le 01-02-2007 à 22:21 sta |
|
Une fourche sur la langue: Geoule au lieu de Haume
http://fr.wikipedia.org/wiki/Loi_de_Joule
|
|
| Sujet : alim Nouveau | De Pierrot du 82 Le 01-02-2007 à 22:32 cms |
|  |
Quand à moi, pour obtenir une alim 60volts 2A, je ferais 2 (ou 3) alims simplissimes variables de 12 à 24volts 2A (bâties autour d'un LM317 plus 2x 2N3055), que je mettrais en série.
Avec ça, on obtient de 12 à 72 volts au meilleur prix, pas de composants coûteux, pas de refroidisseurs surdimensionnés et on peut utiliser des transfos très faciles à trouver et relativement peu coûteux.
|  |
|
|
| Sujet : alim Nouveau | De slouptoouut Le 02-02-2007 à 15:07 sta |
|
Oui, c'est une bonne idée en théorie , les 3 montages à LM317 en série , mais il y as un mais ...
comment vous faites pour jumeler les 3 potars de commande ? vous disposez les 3 potars en ligne avec trois roues réunies entre elles par un système avec des bielles cette alimentation va ressembler à une locomotive à vapeur
Sloup
|
|
| Sujet : alim Nouveau | De Pierrot du 82 Le 02-02-2007 à 15:12 cms |
|  |
Pas besoin de jumeler les 3 potards, on n'est pas chez Hewlett-Packard !
Poue obtenir 48 volts, je peux mettre la 1ère alim sur 15v, la seconde sur 13v et la 3ème sur 20v (le compte est bon!)
|  |
|
|
| Sujet : alim Nouveau | De mignon Le 02-02-2007 à 17:34 sta |
|
Bonjour,
malgré la simplicité apparente, il faut que les 2 alimentations de plus (dans l'exemple de Pierrot, 13V et 20V) soient "flottantes", c'est-à-dire ne pas avoir de masse commune, ni entre elles ni avec la première. Et on part dans un montage où il faut tout vérifier avec les risques de mauvais contacts ou de contacts accidentels. De plus il faut "synchroniser" les limitations de courant.
Mais c'est juste mon avis.
|
|
| Sujet : alim Nouveau | De pixel Le 02-02-2007 à 17:47 sta |
|
le 723 marche si bien.....
|
|
| Sujet : alim Nouveau | De slouptoouut Le 02-02-2007 à 22:49 sta |
|
... et pour vérifier qu'elles sont bien flottantes et qu'elle le restent, tant qu'on y est on ajoute ... un C P I comme dans les postes de transformation lorsque ils sont en régime du neutre I T 
(quoique q'un C P I ne va peut être pas fonctionner dans ce cas avec du courant continu a basse tension ... Outre le fait qu'un vigilhom coute a lui seul plus cher que les 3 alim à LM317   
sloup
|
|
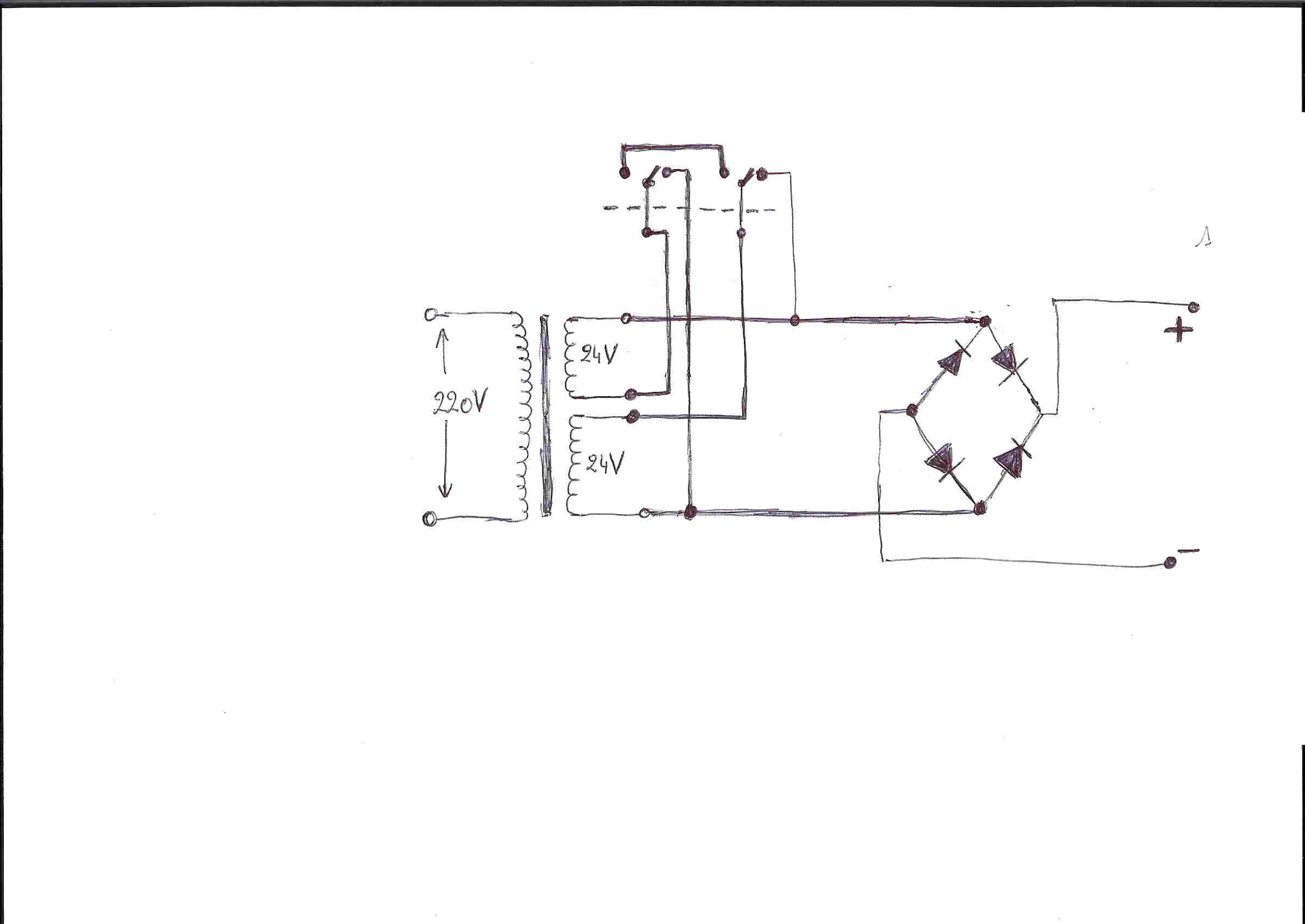
| Sujet : alim Nouveau | De patrick41 Le 18-02-2009 à 04:10 sta |
|
bonsoir a pixel,slouptoouut,migon,pierrot du 82,dubreuil jc
et tous les autres
je n'ai pas pu faire alim que je voulais
probleme de sante
je voudrais savoir avec le schema ci joint un peu modifie
combien je peu avoir en sortie de cette alim
si le schema est bon
cordialemant
patrick
| |
|
| Sujet : alim Nouveau | De patrick41 Le 04-03-2009 à 21:41 sta |
|
bonsoir a tous
petit probleme avec l'alim que j'ai termine
j'ai mais 30v et 60v en sortie
je n'arrive pas a faire varie la tension ni l'intensitee
svp quelqu'un pourrai t'il m'aider a le faire fonctionner corectement
je vous joint le schema
merci
Patrick
| |
|
| Sujet : alim Nouveau | De patrick41 Le 04-03-2009 à 21:42 sta |
|
| |
|
|