| Sujet : transfo de decouplage Nouveau | De Paticrk 41 Le 27-11-2006 à 00:08 sta |
|
bonjour
je recherche un tansfo de decouplage
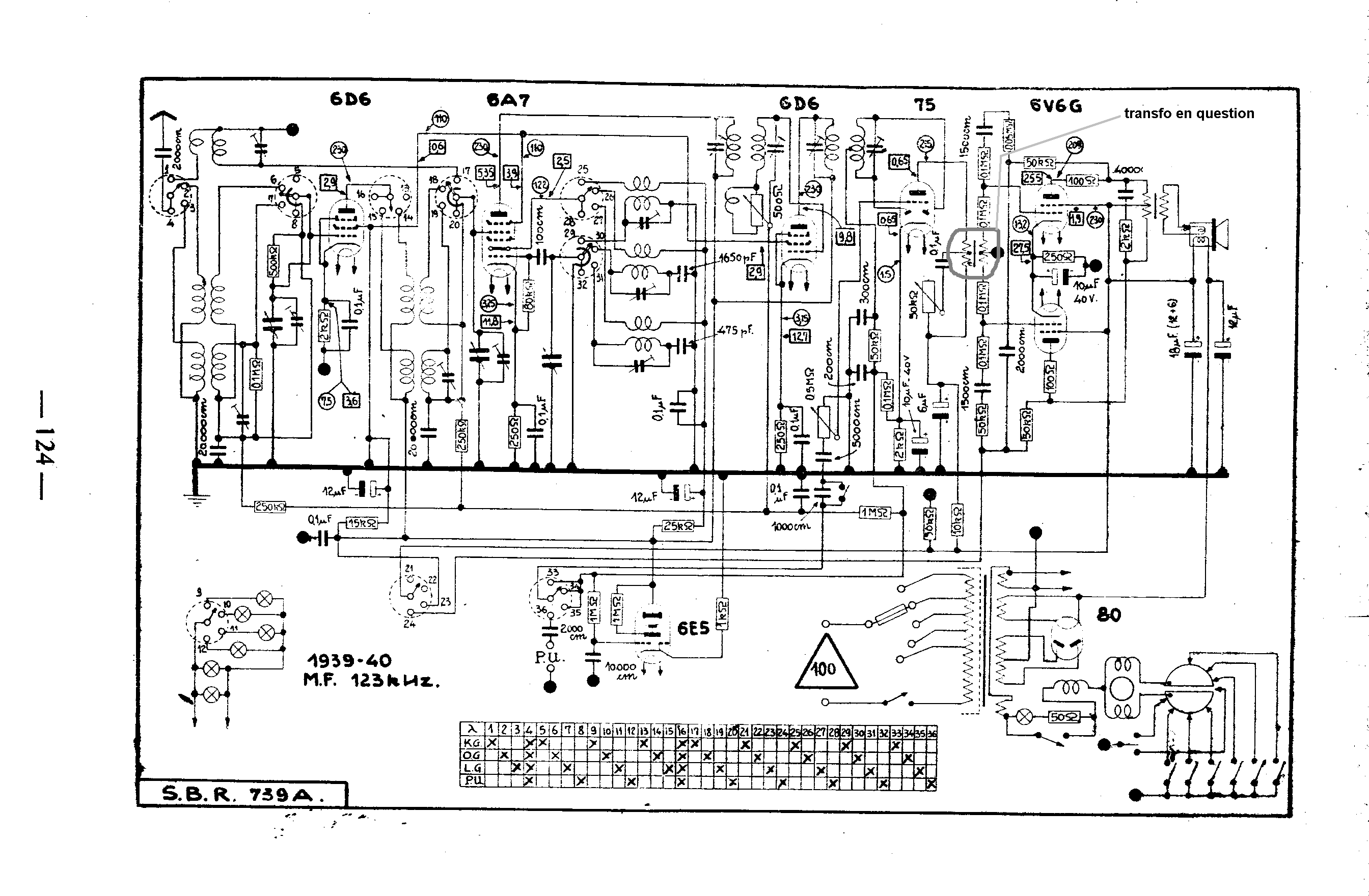
pour un schassis SBR 739A annee 1939-40
quelqu'un aurrai t'il cette piece
ou me dire ou je pourrai la trouve
j'ai demonte les enroulements pour essayer de le reparer
mais tout est fondu
je joint une photo![[:ouin:]](s10.gif)
| |
|
| Sujet : transfo de decouplage Nouveau | De TSF-59 Le 27-11-2006 à 01:59 sta |
|
Bonsoir,
Kézako un Transfo de découplage ???
je vois pas ...........
|
|
| Sujet : transfo de decouplage Nouveau | De Paticrk 41 Le 27-11-2006 à 02:14 sta |
|
bonsoir
je vous joint le schema
![[:Hi:]](s12.gif)
| |
|
| Sujet : transfo de decouplage Nouveau | De Paticrk 41 Le 27-11-2006 à 02:17 sta |
|
pardon erreur
c'est un transfo de dephasage
|
|
|