Journaux du site au 22/08/2022 à 10:26Forum 2.7.1
S'enregistrer pour posterRechercherPréférences

Pas de Post-it

Forum CMSGalerie Forum
Sujet : Que sont ces composants ? Nouveau De georgesgiralt  Le 18-11-2023 à 19:06 sta

    Bonsoir,
    Toujours en train de travailler sur la machine à coudre.
    Le moteur est à courant continu, alimenté en 230V redressé et filtré, haché par un thyristor.
    En série avec l'alimentation il y a ces deux composants (voir la photo).
    Que sont ils ? et quelle est leur valeur théorique ?
    Le moteur fait 50W selon la doc de la machine et je ne peux mesurer sa tension d'alimentation (car la machine ne fonctionne pas encore).
    Merci pour vos lumières et bon week-end.
    P.S. : le fil blanc est la mise à la terre de la carcasse métallique du moteur et les couleurs sont à gauche bleu gris or et à droite marron noir noir.

  
  

Sujet : Que sont ces composants ? Nouveau De RETRO25  Le 18-11-2023 à 19:31 sta

    Bjr
    vos composants ressemblent fort à des selfs moulées .celles dont vous faites état mesureraient 6.8 µH ET 10 µH

    Voir ici pour les marquages de ces composants ...
    http://nononux.free.fr/in…

    bonne soirée !
    JB


Sujet : Que sont ces composants ? Nouveau De georgesgiralt  Le 18-11-2023 à 19:35 sta

    OK, Tous les outils que je possède ne peuvent les mesurer.
    Soit ils voient des résistances de très faibles valeurs soit des couples résistances+ self mais avec la self de très très faible valeur (.01 µH)...
    D'où mon interrogation....
    Merci pour votre aide !


Sujet : Que sont ces composants ? Nouveau De RETRO25  Le 19-11-2023 à 00:08 sta

    @ georgesgiralt

    j' ignore de quel matériel vous êtes équipé pour vérifier la valeur de vos selfs.
    Les petits testeurs chinois restent très imprécis pour les faibles valeurs de self et donnent souvent des résultats très approximatifs voire totalement erronés.
    Dans le doute, reste la bonne vieille méthode de la formule de Thomson si vous disposez d'un grid dip et de condensateurs au mica à faible tolérance ( 1 ou 2 %) Vous pourrez déduire très facilement la valeur de la self à mesurer en fonction de la fréquence de résonance du circuit.
    cdlt
    JB



Sujet : Que sont ces composants ? Nouveau De RETRO25  Le 19-11-2023 à 00:39 sta



Sujet : Que sont ces composants ? Nouveau De georgesgiralt  Le 19-11-2023 à 06:33 sta

    Merci du tuyau. J'ai le grid dip, et des condensateurs mais pas au mica et pas assez précis.
    J'ai des multimètres qui ont des fonctions selfs et c'est pas top comme résultat. Quant aux chinois, eux ont un résultat mitigé selon le modèle (et sûrement la version du logiciel). J'en ai un qui voit bine le couple résistance/self dans tous les cas mais est fantaisistes sur les valeurs, tant de la résistance que de la self....


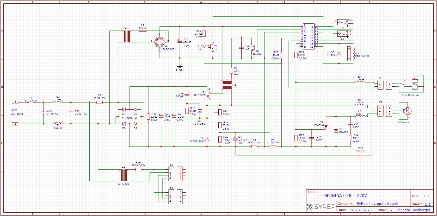
Sujet : Que sont ces composants ? Nouveau De georgesgiralt  Le 19-11-2023 à 07:41 sta

    Question subsidiaire :
    Pourquoi sur l'alimentation du moteur j'ai deux valeurs différentes ?
    Le schéma ci-joint donne le branchement. Le moteur est en P4 et est un moteur à courant continu (contrairement à ce qui est indiqué sur le schéma) . Le connecteur à 16 broches en haut à droite alimente une carte qui commande le moteur via les switchs indiqués à coté (interface avec la machine à coudre).
    J'aimerai avoir vos lumières sur le sujet....

  
  

 Retour aux sujets 

Rubriques du site

Gamme 1

- Galerie TSF - Mesure ancienne - Littérature - Trucs et astuces - Marquage composants - Tubes Brochages - Achat Vente - Forum - Liens utilesCe site vous
a aidé ?

Gamme 2

- Je cherche - Offre - Tendances - Palais des Glaces - Upload -

Gamme 3

- Archives - Schémathèque - Glossaire technique - Glossaire patoisant - Journaux - Remerciements -