Journaux du site au 22/08/2022 à 10:26Forum 2.7.1
S'enregistrer pour posterRechercherPréférences

Pas de Post-it

Forum CMSGalerie Forum
Sujet : Schéma Lemouzy Nouveau De Sucho10  Le 28-11-2021 à 14:57 sta

    Bonjour à tous.
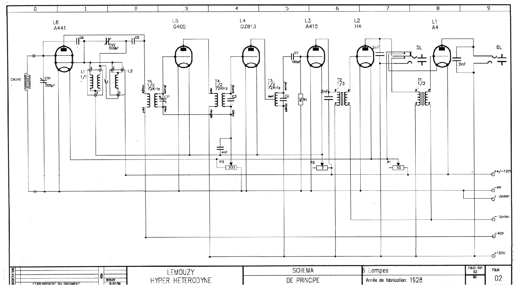
    Je me demande si quelqu'un peut m'aider à rechercher le schéma d'un hyper modulateur radio Lemouzy à 6 lampes de 1927?
    J'aimerais bien le brancher, mais je n'ai aucune idée des tensions.
    Merci d'avance.
    Luc

  
  

Sujet : Schéma Lemouzy Nouveau De bozec  Le 28-11-2021 à 15:16 sta

    Bonjour
    le schéma est dans les archives de ce site
    cordialement Bozec


Sujet : Schéma Lemouzy Nouveau De Sucho10  Le 30-11-2021 à 12:41 sta

    Bonjour Bozec et merci pour votre info.
    Malheureusement le schéma de l'hyper modulateur radio Lemouzy à 6 lampes de 1927 n'est pas dans la liste.

    Bàv.
    Luc


Sujet : Schéma Lemouzy Nouveau De bozec  Le 30-11-2021 à 13:00 sta

    Bonjour

    un schéma qui peu correspondre
    cordialement

  
  

 Retour aux sujets 

Rubriques du site

Gamme 1

- Galerie TSF - Mesure ancienne - Littérature - Trucs et astuces - Marquage composants - Tubes Brochages - Achat Vente - Forum - Liens utilesCe site vous
a aidé ?

Gamme 2

- Je cherche - Offre - Tendances - Palais des Glaces - Upload -

Gamme 3

- Archives - Schémathèque - Glossaire technique - Glossaire patoisant - Journaux - Remerciements -