| | | Sujet : Recherche schéma Nouveau | De ro-g-g  Le 13-03-2020 à 18:42 sta  | 
 |  | 
 Bonjour à tous,Je recherche un schéma qui pourrait cadrer avec un poste que j'essaie de réparer. Il s'agit d'un poste sans marque apparente qui a été construit à partir de pièces détachées vers 1954 (?).
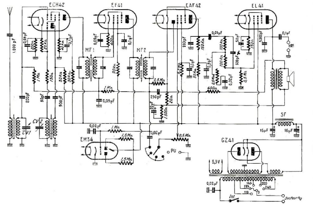
 Lampes: de droite à gauche sur le châssis en partant du transfo: 6AF7G, GZ41 EL41 EF41 EAF42 ECH42
 Merci de votre aide.
 Roger
 
 
 
 |  | 
 
 | 
| | | Sujet : Recherche schéma Nouveau | De ro-g-g  Le 14-03-2020 à 16:40 sta | 
 |  | 
 En liaison avec ma demande, je précise que je ne sais pas utiliser la schématèque. Plus précisément, je n'ai aucun lien qui s'active quand je survole la liste des modèles. Quelque chose doit m'échapper. Je viens de passer sous Windows 10 alors que j'étais sous Ubuntu mais pas de changement.  
 | 
 
 | 
| | | Sujet : Recherche schéma Nouveau | De C. Denis  Le 14-03-2020 à 17:01 sta | 
 |  | 
 C'est normal, la schématèque n'est qu'une liste, il faut aller dans ''archives''  
 | 
 
 | 
| | | Sujet : Recherche schéma Nouveau | De bozec  Le 14-03-2020 à 17:09 sta | 
 |  | 
 Bonjour
 en pièce jointe un schéma correspondant à votre poste
 pour obtenir une documentation ou schéma il faut aller sur l'onglet archives bas de page
 Bon dépannage ;cordialement Bozec
 
 |  | 
 
 | 
| | | Sujet : Recherche schéma Nouveau | De ro-g-g  Le 14-03-2020 à 17:47 sta | 
 |  | 
 Ok, merci.Cordialement,
 Roger
 
 | 
 
 | 
| | | Sujet : Recherche schéma Nouveau | De LOPEPE  Le 09-04-2025 à 15:48 sta | 
 |  | 
 bonjour a tous je recherche le schemas d'une radio (perfecta ) de 1952 avec bloc omega type dauphin 4G52 ou un autre avec cablage similaire  un  grand merci !   
 | 
 
 | 
| | | Sujet : Recherche schéma Nouveau | De Radiolo  Le 09-04-2025 à 17:00 sta | 
 |  | 
 
 | 
 
 | 
| | | Sujet : Recherche schéma Nouveau | De LOPEPE  Le 09-04-2025 à 19:54 sta | 
 |  | 
 oui donc nous avons :ECH42- EAF42-EBC41-EL41-GZ41-6AF7G a condition que les tubes soient bien placées ce qui m'inquiète un peu   
 | 
 
 | 
| | | Sujet : Recherche schéma Nouveau | De LOPEPE  Le 09-04-2025 à 20:21 sta | 
 |  | 
 oui donc nous avons :ECH42- EAF42-EBC41-EL41-GZ41-6AF7G a condition que les tubes soient bien placées ce qui m'inquiète un peu   
 | 
 
 | 
| | | Sujet : Recherche schéma Nouveau | De Radiolo  Le 10-04-2025 à 10:08 sta | 
 |  | 
 
 | 
 
 | 
| | | Sujet : Recherche schéma Nouveau | De LOPEPE  Le 12-04-2025 à 16:53 sta | 
 |  | 
 bonjour il semblerait que la radio perfecta dont j'ai suivi la restauration corresponde helas pas de schemas   
 | 
 
 | 
|  |