| Sujet : Le Regional 57S Nouveau | De eerrtrr Le 11-02-2020 à 13:21 sta |
|
Bonjour, je me lance dans la restauration d'un Le régional 57S que je vois traîner chez moi depuis une dizaine d'année. Malheureusement je n'ai pas trouvé de schéma sur internet...
Cependant le poste est en assez bonne état, bien sûre il ne marche pas mais après un gros nettoyage je me lance dans le changement des condensateurs électrochimique qu'il y a sur le châssis ainsi que ceux en goudron qu'il y a en dessous. Cependant je me pose des questions notamment sur les tensions qu'il y a écrit dessus. Je me suis fais une liste des condensateurs qu'il y a dessus et j'ai cherché par quoi les remplacé.
-Condensateur de filtrage (et un autre dont je ne sais pas à quoi il sert juste à coté) -> 16MFd 500/550V je voulais les remplacer par des radiaux 22µF 450V
-J'ai 5 goudrons qui ont les mêmes valeurs de 100/1000 1500V je voulais les remplacer par des 100nF 400V
-J'ai 2 goudrons 10nF et 1 goudron 5nF (il me semble, je fais ça de tête je ne suis pas chez moi) que je voulais remplacer par des 10 et 6.8 nF 400V
Est-ce que dans l'idée cela est bon?
Le câble d'alimentation et le transfo sont en bon état.
Les lampes ne sont pas cassées et de ce que j'ai pu voir sur ce forum à l'aide d'un ancien poste, elles étaient toutes bien placées.
Sur les photos que je vous joins il n'y a plus les lampes que j'ai enlevé ni les condensateurs du châssis. Il y a deux condensateurs en goudrons en dessous que j'ai dessoudés afin de lire leurs valeurs et qui sont donc manquant aussi.
Merci d'avance pour vos réponses
| |
|
| Sujet : Le Regional 57S Nouveau | De Tubologic Le 11-02-2020 à 14:43 sta |
|
Il est hautement improbable qu'il existe dans ce récepteur des tensions de l'ordre du kilovolt (!) donc des condensateurs à film modernes isolés à 400V (ou mieux: 600V, ils ne sont ni plus grands ni plus chers) devraient largement suffire, SAUF si le circuit comporte des capacités entre les lignes du secteur et le châssis: à ces emplacements uniquement (pour des raisons de sécurité) il est impératif de mettre des capas prévus pour 1kv.(si possible de classe Y, dits ''de sécurité'') Pour les électrochimiques la règle générale veut que l'on n'utilise jamais des condensateurs avec une tension de service inférieure au modèle initialement installé par le constructeur, même si dans votre cas des capas à 450VDC devraient tenir, il faut toujours tenir compte de la surtension durant la phase de mise en route avant que les tubes ne se mettent à débiter. Pour la substitution des valeurs tout dépend de la fonction du composant dans le circuit mais tant que l'on reste dans une marge de tolérance de +/- 15 % il ne devrait pas y avoir de problèmes, surtout qu'après une restauration complète un ré-alignement du récepteur est généralement nécessaire.
|
|
| Sujet : Le Regional 57S Nouveau | De eerrtrr Le 11-02-2020 à 19:22 sta |
|
Effectivement je me doute que des tensions de l'ordre du kV n'existent pas dans un poste comme celui-ci. Je note la capa de sécurité car effectivement la 5/1000 3000V était celle qui faisait la liaison tension secteur-châssis. Pour les capas chimique je ne trouve pas de 22nF à 500/550V... Est ce que mettre 2*47µF à 250V en série peut marcher ou cela n'est pas conseillé?
Que signifie un ré-alignement du récepteur?
De plus il y a un condensateur 500V 8MFd polarisé (qui lui a l'air d'avoir commencé à couler) branché sur le transfo (je ne sais pas à quoi corresponde les pattes je ne me suis pas intéressé au plan du transfo). Est-il important d'essayer de trouver une capa proche ou une approximation peut le faire (par exemple 2*22µF à 250V même si je ne sais pas si cela marche pour les capas polarisées.
|
|
| Sujet : Le Regional 57S Nouveau | De michel87 Le 11-02-2020 à 19:32 sta |
|
Bonsoir,
La capa entre le secteur et le châssis peut être supprimée sans incidence sur le fonctionnement de l'appareil.
|
|
| Sujet : Le Regional 57S Nouveau | De Tubologic Le 11-02-2020 à 20:08 cms |
|  | Vous pouvez en effet monter deux capas (identiques) en série, la capacité résultante sera divisée par 2 et la tension de service multipliée par 2. Par contre, il faut ajouter des résistances d'équilibrage (100K/1W) aux bornes des condensateurs, ce n'est pas très pratique ni esthétique, d'autant plus que des capas électrochimiques avec une tension de service de 500/550 (et même 600) sont toujours disponibles, par exemple ici:
https://www.die-wuestens.de/eindex.htm
La tolérance des capas électrochimiques d'époque était du genre -50 à +100% donc la valeur exacte n'est (dans la majorité des cas)pas critique.
Il serait malgré tout bon de trouver le schéma de ce récepteur afin de pouvoir vous conseiller plus efficacement.
"Que signifie ré-alignement ?" Cette dernière question me laisse un peu dubitatif si vous restaurez des radios et êtes membre de ce forum.
|  |
|
|
| Sujet : Le Regional 57S Nouveau | De omale 13 Le 11-02-2020 à 20:29 sta |
|
bonsoir
Tubo ,,,100 k un peut juste
normalement 1 k par volt
donc comme pas loin de 450 volt une 470 k
conviendrai mieux
|
|
| Sujet : Le Regional 57S Nouveau | De F6CER Le 11-02-2020 à 20:45 sta |
|
Bonsoir
et si tout simplement vous mesuriez la tension au secondaire du transformateur d'alimentation ? ça permettrait de lever le doute mais je serais très étonné que des 16 ou 22uF 450V ne conviennent pas
|
|
| Sujet : Le Regional 57S Nouveau | De Schoser Le 11-02-2020 à 20:57 cms |
|  |
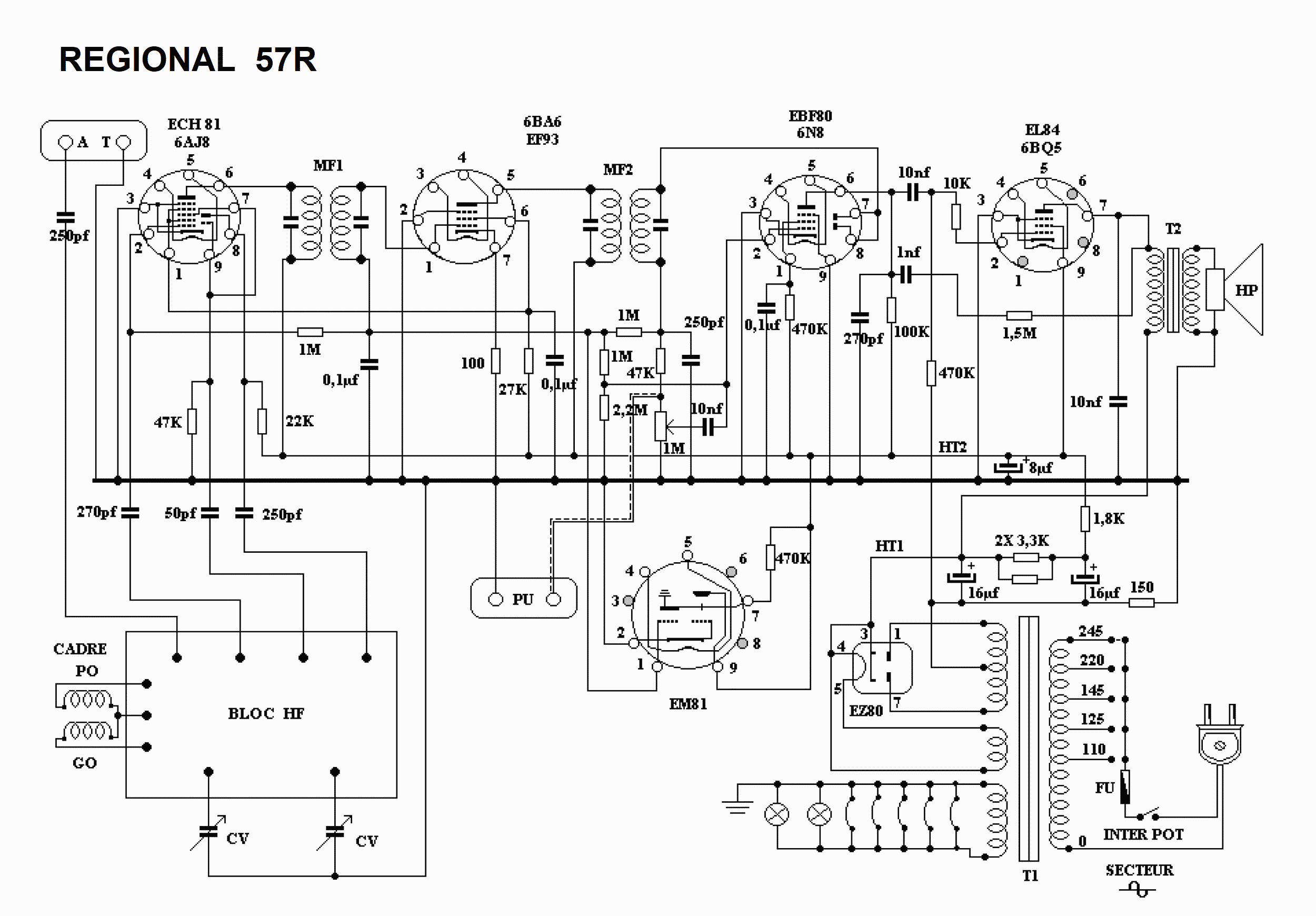
Bonsoir,
Regional 57R, le Schéma, cela aidera probablement ?
Amicalement,
|  |
| |
|
| Sujet : Le Regional 57S Nouveau | De eerrtrr Le 11-02-2020 à 21:53 sta |
|
Bonsoir, pour commencer Tubologic je n'ai jamais dis que je restaurer des radios, je m'y intéresse en parallèle de mes études d'ingénieur car celle-ci me laisse plus de temps qu'en prépa. J'ai tous mon temps pour apprendre et essayer de la restaurer, mes parents l'auraient déjà jeté depuis longtemps si je n'avais pas été là, donc j'arriverais à la faire remarcher (enfin j’espère...)
Je pense qu'un 22nF 450V est largement suffisante je mesurerai la tension au secondaire demain pour en être sûre. En ce qui concerne le 57R je m'y intéresserais demain après-midi mais il me semble avoir lu sur un autre forum où quelqu'un restaurait une 57S que le schéma du 57R avait beaucoup de différence. Peut-être que ma mémoire me joue des tours...
|
|
| Sujet : Le Regional 57S Nouveau | De Tubologic Le 12-02-2020 à 00:16 cms |
|  | La mesure de la tension secondaire du transformateur ne vous donnera qu'une idée très approximative de la tension continue après redressement qui dépend de plusieurs autres facteurs. La tension la plus élevée se trouve sur la cathode du tube redresseur (EZ80)mais je n'ai jamais rencontré sur ce type de récepteur de table des tensions qui dépassaient 450V, généralement on se situe plutôt dans la gamme 250 à 350 volts. Sans doute le constructeur a-t-il voulu prévoir une large marge de sécurité, ou plus vraisemblablement a utilisé les condensateurs qu'il avait dans son stock, ou peut-être ces derniers ne sont pas d'origine ? Il n'y a pas beaucoup de risques à utiliser une capa de 22 µF/450V si on prend la précaution de mesurer la tension à ses bornes durant la mise en route de l'appareil.
|  |
|
|
| Sujet : Le Regional 57S Nouveau | De F6CER Le 12-02-2020 à 09:45 sta |
|
la mesure du transformateur donnera une très bonne idée de la tension max apparaissant après redressement CQFD
|
|
| Sujet : Le Regional 57S Nouveau | De Tubologic Le 12-02-2020 à 15:16 sta |
|
Une TRÈS BONNE idée ? CQFD ??? Sans connaître le schéma, le type de filtrage (capa ou self en tête), la consommation HT ,la résistance des enroulements du transformateur ? Donnez-moi votre formule magique qui permet d'obtenir ce résultat sans calculs ou avoir recours aux tables/courbes publiées, je serais très intéressé. CQFD ? je vous conseille plutôt PSUD
|
|
| Sujet : Le Regional 57S Nouveau | De Masterorion Le 12-02-2020 à 15:20 sta |
|
La formule Umax = Umoy x 2 ne fonctionne plus ?
|
|
| Sujet : Le Regional 57S Nouveau | De F6CER Le 12-02-2020 à 16:32 sta |
|
Tubologic a aussi besoin de l'age du capitaine
|
|
| Sujet : Le Regional 57S Nouveau | De Masterorion Le 12-02-2020 à 16:35 sta |
|
Je profite de ce sujet pour vérifier si la règle que j'applique pour déterminer la tension du chimique de tête est bonne, parce que des fois entre ce qu'on a appris et ce qu'on a retenu, il peut y avoir des petits problèmes.
Merci donc de me corriger si je me goure.
Une mesure de la tension sur le secondaire du transfo, à vide, va donner Umoy.
La formule au dessus donnera donc Umax, qui est potentiellement applicable au chimique de tête.
Par exemple Umoy = 250 volts, donc Umax = 353,5 volts
Le condensateur chimique de tête peut donc potentiellement voir 353,5 volts à ses bornes, desquels il faut retrancher la chute de tension dans la redresseuse.
Sauf que.... Sauf qu'il ne faut pas les retrancher, ça ne sert à rien. Pourquoi enlever 20 ou 30 volts du côté de la redresseuse, pour aller ensuite les remettre au titre de la marge de sécurité ?
Donc il faudra que le chimique de tête puisse supporter 353,5 volts, et on commandera la valeur immédiatement supérieure. Ainsi, en cas de petite surtension secteur, dans le jeu du ça passe ou ça casse, et bien ça passe.
Alors pourquoi les constructeurs mettaient des condos bien plus justes en tension, et que ça tenait ?
Peut-être bien parce que la résistance interne du condo neuf est sensiblement plus faible que celle de l'ancien, du fait des progrès technologiques, et que ça laisse légèrement plus de temps au montage pour consommer avant que la tension ne grimpe trop, et du coup que la conso écroule la tension, mais aussi parce que les consos anciens avaient un marquage disant ''ça tient au moins X volts'' quand les modernes auraient plutôt un marquage ''ça tient au plus X volts.
Ensuite, pour moi, c'est une erreur que de vouloir tenir compte de la résistance interne du transfo, de la présence d'une self, etc. pour calculer la tension applicable au chimique de tête.
Rappelons nous, le chimique de tête et ça a son importance : il n'est pas derrière la self ou la résistance du filtre, donc cette self ou cette résistance n'interviennent pas dans le calcul.
Il doit tenir le coup pour le cas où, fortuitement, il se verrait appliquer la tension max.
Or, pour toutes les chutes de tension dans le montage, il faut bien songer que c'est le courant qui est à la base des chutes de tension. J'en appelle à la loi d'ohm qui me dit que U est égal au produit de R par I.
Si rien ne consomme dans le montage, et même si c'est transitoire ça n'en est pas moins rien ne consomme, alors il n'y a pas de chute de tension.
Dans le produit U=RxI, quelle que soit les valeurs qu'on voudra bien donner à R, U sera toujours nul si I est nul. Une vague histoire de maths.
A courant nul, la résistance interne du transfo, celle du montage, etc etc etc ne génèrent aucune chute de tension et le chimique de tête se retrouve donc à ses bornes avec une tension égale à Umax - la chute de tension du tube redresseur.
Ayant considéré cette dernière à négliger au titre de la marge de sécurité à conserver, le condensateur chimique de tête doit donc à minima pouvoir encaisser Umax délivré à vide par le transformateur.
En effet, selon mon point de vue, si la résistance interne du transfo limite effectivement le courant de charge du condo, une fois que le condo est chargé qu'il n'y a plus de courant (entendons par là un courant infinitésimal) il n'y a plus de chute de tension dans cette résistance, et c'est la pleine tension qui est présente.
Est-ce que je me trompe ?
|
|
| Sujet : Le Regional 57S Nouveau | De F6CER Le 12-02-2020 à 17:05 sta |
|
Dans l'absolu , dans le montage classique avec capa en tête, la tension mesurée au secondaire du transfo multipliée par racine de deux donne le maximum absolu de ce que le condensateur pourrait supporter
(bien sur il y a une valve qui a une résistance interne , un transfo qui a une résistance interne : cela ne fait qu'augmenter la marge de sécurité )
|
|
| Sujet : Le Regional 57S Nouveau | De Masterorion Le 12-02-2020 à 17:08 sta |
|
Merci. J'ai donc encore un ou deux neurones qui bougent au milieu du fromage blanc.
|
|
| Sujet : Le Regional 57S Nouveau | De jcj Le 12-02-2020 à 17:40 sta |
|
Bonjour,
Juste une petite correction :
''Une mesure de la tension sur le secondaire du transfo, à vide, va donner Umoy.''
En alternatif, par définition Umoy = 0. Ce que l'on mesure sur le secondaire du transfo, c'est Uefficace.
Cordialement : jcj
|
|
| Sujet : Le Regional 57S Nouveau | De Masterorion Le 12-02-2020 à 18:07 cms |
|  |
Effectivement, merci Jean-Claude.
|  |
|
|
|