Journaux du site au 22/08/2022 à 10:26Forum 2.7.1
S'enregistrer pour posterRechercherPréférences

Pas de Post-it

Forum CMSGalerie Forum
Sujet : Décodeur pour poste Grundig Stereomeister 15 Nouveau De jcj  Le 17-01-2020 à 07:59 sta

    Bonjour,

    On trouve souvent ce poste sans décodeur ou avec un antique ''Décodeur 5'' qui, par principe, ne décode pas grand chose…

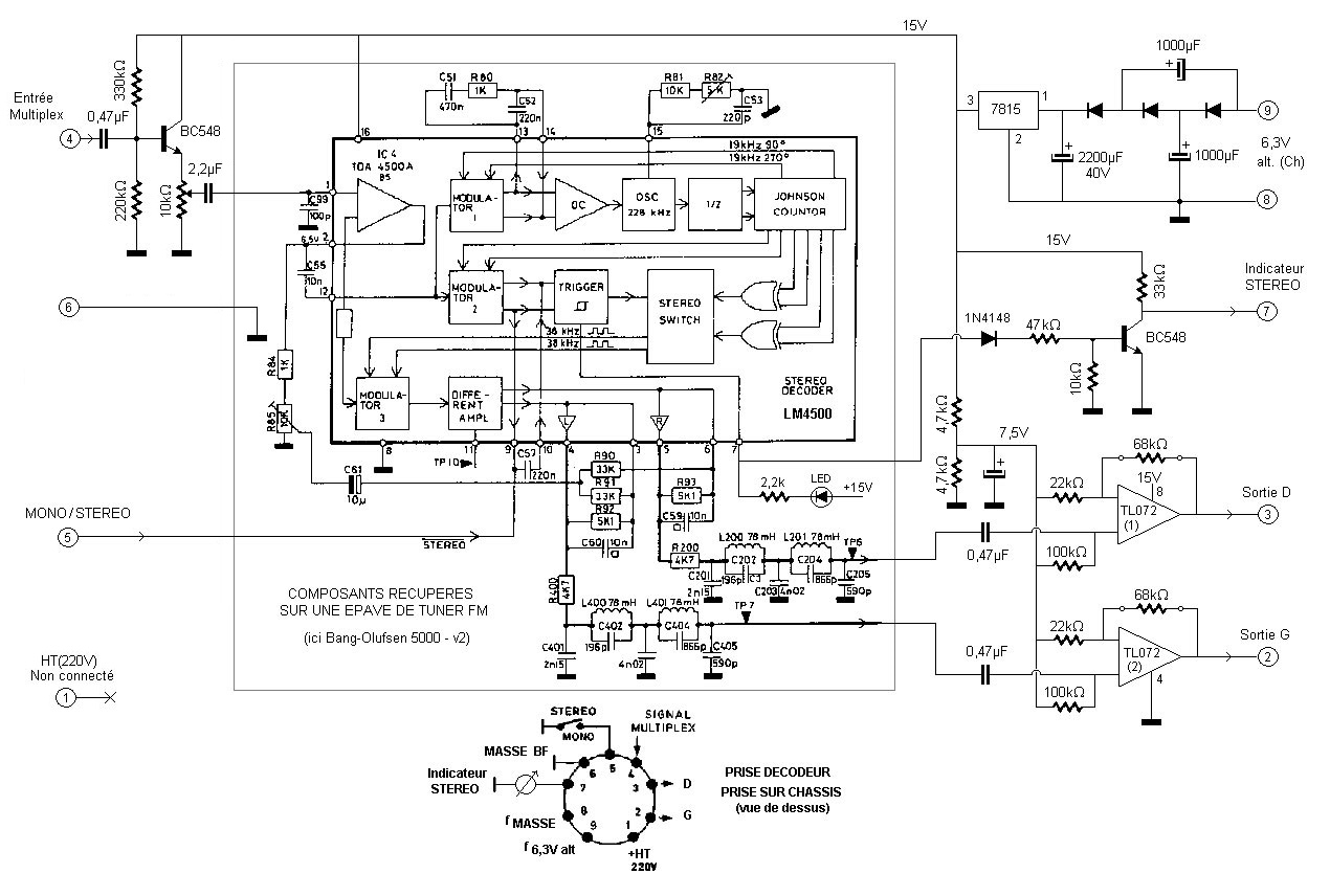
    Proposition de fabrication d'un décodeur stéréo, schéma ->

    - Pour le décodeur lui même, il vaut mieux récupérer sur une épave de tuner FM des années 1970/80, surtout pour récupérer les filtres 19 kHz et 38 kHz, assez difficiles à concevoir.
    Reste l'adaptation sur le poste à lampes.

    - Entrée multiplex : Le signal fourni par la poste est trop fort, jusqu'à 10 Vpp, alors que le circuit décodeur choisi (LM 4500) n'admet au maxi que 2,5 Vpp. D'où l'étage d'entrée à transistor (collecteur commun) pour atténuer le signal, avec une impédance d'entrée élevée (>100 kOhm).

    - Sorties D et G : Il faut ré-amplifier pour compenser l'atténuation à l'entrée. Vu l'amplitude ses signaux de sortie, l'utilisation A.Op (TL072) est le plus simple.

    - Alimentation 15 V : La conso du décodeur étant trop importante (>40 mA) pour chuter la Haute Tension, il vaut mieux un tripleur de tension sur la tension alternative 6,3 de chauffage + régulateur 15 V.

    - Inversion de la commande du voyant stéréo : un simple transistor.

    Comparé à l'ancien décodeur à lampes, y a pas photo (si on peu le dire pour les oreilles) … Enfin de la vraie stéréophonie avec la qualité sonore du rare push-pull de ECLL800.

    Cordialement : jcj









  
  

Sujet : Décodeur pour poste Grundig Stereomeister 15 Nouveau De bozec  Le 17-01-2020 à 11:39 sta

    Bonjour,

    Très belle réalisation JC, comme d'habitude.
    cordialement Bozec


Sujet : Décodeur pour poste Grundig Stereomeister 15 Nouveau De Flamand  Le 17-01-2020 à 12:34 sta

    Bonjour à tous,

    Beau montage.

    JC, est-il possible de raccorder directement ce type de décodeur en sortie d'un montage à tube ''Pulse Counting FM Receiver'' ? Sans modification des filtrages ?

    Question posée dans le cadre d'un éventuel projet de tuner de ce type avec tubes 6U8A, E88CC et ou CCa. Genre: http://philsvalveradiosit…

    Au plaisir de vous lire,
    Jacques


Sujet : Décodeur pour poste Grundig Stereomeister 15 Nouveau De jcj  Le 17-01-2020 à 13:44 sta

    Je ne vois pas de problème pour le décodeur en particulier.

    Par contre, c'est pour le ''Pulse Counting'' que cela devient délicat. Très facile en mono, mais plus délicat en stéréo en raison de la bande passante à transmettre (0 à 55 kHz) après détection.

    Je m'étais amusé avec le ''Pulse Counting'', mais avec des transistors :
    Mono : https://tsf.pagesperso-or…
    Stéréo : https://tsf.pagesperso-or…
    Décodeur de compétition : https://tsf.pagesperso-or…

    Cordialement : jcj


 Retour aux sujets 

Rubriques du site

Gamme 1

- Galerie TSF - Mesure ancienne - Littérature - Trucs et astuces - Marquage composants - Tubes Brochages - Achat Vente - Forum - Liens utilesCe site vous
a aidé ?

Gamme 2

- Je cherche - Offre - Tendances - Palais des Glaces - Upload -

Gamme 3

- Archives - Schémathèque - Glossaire technique - Glossaire patoisant - Journaux - Remerciements -