| Sujet : HP 654A Nouveau | De lou Le 04-12-2019 à 13:30 sta |
|
Bonjour,
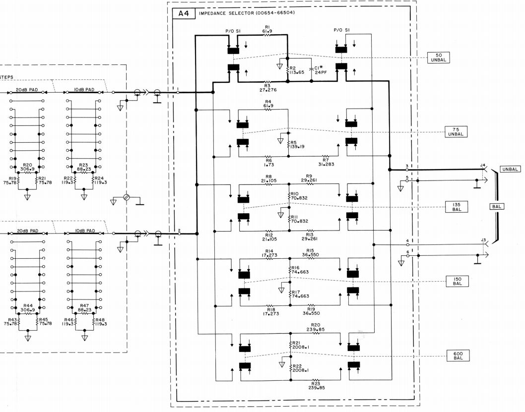
je recherche pour cet HP654A (oscillateur) la résistance R2 qui fait 113,65
C'est une résistance de précision et j'ai du mal a trouver ça, qui peut me renseigner un magasin?
D'avance,merci
| |
|
| Sujet : HP 654A Nouveau | De pointcom Le 04-12-2019 à 14:16 sta |
|
|
|
| Sujet : HP 654A Nouveau | De nanar Le 04-12-2019 à 16:15 sta |
|
Bonjour, mettre en parallèle une 120 et 2,2 k et contrôler avec un bon ( un très bon ) ohmmètre ça risque de coûter pas trop cher car je suppose que cette résistance très spéciale ( en plus 0,1 % ) va coûter un bras
|
|
| Sujet : HP 654A Nouveau | De lou Le 10-12-2019 à 15:30 sta |
|
Bonjour,
j'ai regardé sur le site parttarget mais il semble qu'ils ne vendent pas aux particuliers.
Mettre deux résistances de 120 et 2200 en parallèle, bonne idée mais cela ne donne pas vraiment 113,65, mais pour cette appareil, c'est important d'avoir cette valeur.
J'ai pensé utiliser une résistance variable que je pourrais régler avec exactitude mais, cela pourrait-il convenir?
Qui connais bien cette appareil et m'en dire un peu plus?
|
|
| Sujet : HP 654A Nouveau | De LEMAIRE Le 10-12-2019 à 16:36 sta |
|
Bonjour,la solution proposée est bonne mais il faut un lot de résistance de chaque valeur et faire des essais pour tomber sur la bonne valeur.PS:Prendre des résistances à couche pour la stabilité et peu-être affiner la valeur avec une troisième résistance.Bon courage et salutations.René.
|
|
| Sujet : HP 654A Nouveau | De Guy Allo Le 10-12-2019 à 16:45 sta |
|
Bonsoir,
Une résistance à 0.1% n'est pas une résistance à 10% dont on a mesuré qsa valeur avec une grande précisons.
Cette résistance à 0.1% va garder sa valeur indépendamment des conditions de température et d'humidité, et ceci sans dérive dans le temps. Cela veux dire que deux résistances à 0,1% ne vont pas dériver l'une par rapport à l'autre malgré le temps qui passe.
En triant deux résistance à 10% et en les mesurant avec une précision de 0.1% même si elle sont pile à la valeur souhaité aujourd'hui, demain elles ne le seront plus car elle vont dériver de plusieurs % avec le temps qui passe.
Guy
|
|
| Sujet : HP 654A Nouveau | De nanar Le 10-12-2019 à 19:27 sta |
|
Bonsoir, tout d'abord des résistance filaires à 0,1 % je ne savais pas que ça pouvait exister … je sais que ça existe en CMS et pour cause quelle longueur de fil faut il laisser pour avoir la bonne valeur ?
sinon il existe pour pas cher des résistances à 1 % à 5 bagues pour quelques euros le lot ! donc ces bestioles à couches sont stables pas de soucis on peut aussi si la place le permet mettre des 1/2 W voir 1 W pour assurer plus de stabilité
Ensuite 120 et 1,2 K ça fait 113,79 !!!!! + 5mm de fils on est plus que bon
Bon à moins que votre appareil soit une horloge atomique je ne vois pas l'intérêt d'un telle précision … la question qu'il faudrait se poser c'est pourquoi elle est morte
Bernard
|
|
| Sujet : HP 654A Nouveau | De nanar Le 10-12-2019 à 19:29 sta |
|
Oups vous l'aurez noté il s'agit de 120 et 2,2 K ( et non pas 1,2 … )
|
|
| Sujet : HP 654A Nouveau | De f6cer Le 10-12-2019 à 19:44 sta |
|
Il faudrait que lou nous dise a quoi sert cette résistance a 0.1%
Sur un appareil de cet âge une telle précision est elle indispensable ?
|
|
| Sujet : HP 654A Nouveau | De F6FLC Le 11-12-2019 à 00:49 sta |
|
Bonjour,
c'est R-2 dans la section ''impedance selector''
Michel...
| |
|
| Sujet : HP 654A Nouveau | De RETRO25 Le 11-12-2019 à 01:32 sta |
|
bonsoir,
toujours chez REICHELT.DE
ici vous trouverez des dizaines de résistances de précision à 0.1 pour cent
en associant ces deux résistances en parallèle :
il y a une 120 ohms ici :
https://www.reichelt.de/r…
et une 2.2 k ici :
https://www.reichelt.de/r…
cordialement
JB
|
|
| Sujet : HP 654A Nouveau | De Tubologic Le 11-12-2019 à 01:48 sta |
|
Cette résistance se situe dans le circuit de sélection de l'impédance de sortie du générateur en position 50 ohms et n'affecte pas les autres fonctions de l'appareil. Si vous n'avez pas besoin d'une précision extrême de l'impédance de source en 50 ohms vous pouvez parfaitement remplacer R2 par une résistance de 113 ohms/ 0.1% qui est une valeur standard dans la série E96 et facilement disponible:
https://befr.rs-online.co…/
Il vous faudra acheter un sachet de 5 pièces (conditionnement minimal) et il vous en coûtera la somme astronomique de... 1,01 ! Pas de quoi se ruiner... vous ne trouverez jamais une résistance d'exactement 113,65 ohms car cette valeur ne figure même pas dans la série E192 (on passe directement de 113 à 114) et a probablement été produite spécifiquement pour HP. 114 ohms serait encore légèrement plus proche si toutefois vous en trouvez une. Dans tous les cas l'impact sur les performances sera minime, voire insignifiante.
|
|
| Sujet : HP 654A Nouveau | De RETRO25 Le 11-12-2019 à 02:19 sta |
|
juste une petite précision
chez reichelt.de on peut acheter les composants à l' unité ce qui revient encore moins cher ..
0.29 euro l'unité en 0.1 % soit 0.58 euros pour une 2.2 k et une 120 en // . comme suggéré plus haut par nanar, c'est la solution la plus approchante et la plus précise .
( pour info… j'ajoute que je n'ai pas d'actions chez reichelt !)
bonne nuit à tous
|
|
| Sujet : HP 654A Nouveau | De f6cer Le 11-12-2019 à 09:53 sta |
|
Effectivement a l’endroit ou elle se trouve une classique 1 ou 2% de la valeur la plus approchée conviendra parfaitement
|
|
| Sujet : HP 654A Nouveau | De F6FLC Le 11-12-2019 à 12:51 sta |
|
Bonjour,
et oui, c'est une valeur sortie de la calculette
il y a même des trois chiffres après la virgule, comme 74,663 ohms
même une 75 ohms irait là aussi !
que la sortie fasse 49 ou 51 ohms ne changera rien au fonctionnement
Michel...
|
|
| Sujet : HP 654A Nouveau | De lou Le 11-12-2019 à 20:46 sta |
|
Bonsoir,
je vous remercie à vous tous pour vos commentaires.
Je pense aussi que mettre deux résistances en série ou en parallèle pour atteindre 113,65 est une bonne solution.
Ce que je me demande c'est pourquoi une telle valeur?
J'avais mis deux résistances en série, une de 100 et une de 13 et j'arrive assez proche de 113,65.
Ceci dit, je constate que sur la première gamme d'onde de l'appareil,de 10 à 100Hz, il y a une certaine instabilité de l'onde, quand je l'a visualise à l'oscillo, je vois que l'onde n'arrête pas de bouger en fréquence et en valeur. En même temps, je vois aussi sur le vu-mettre de l'appareil, que l'aiguille vacille de gauche à droite sans pouvoir se stabiliser.
Ne serait-ce pas dû au fait que cette résistance n'a pas la bonne valeur?
Sur les autres gammes d'ondes, pas de problème de stabilité.
Je m'interroge donc sur la nécessité de cette valeur de résistance aussi précise.
Pourquoi la résistance d'origine a grillé, je n'en sais rien.
|
|
| Sujet : HP 654A Nouveau | De XYZ du 56 Le 11-12-2019 à 21:14 sta |
|
Peut-être, un ''maniaque'' du calcul précis et du respect de ce calcul.
Avez vous que dans le tableau des références; juste en dessous de R2, il y a R3 à 27,276.
Du délire... des millièmes d'ohms!!!
Cordialement.
|
|
| Sujet : HP 654A Nouveau | De Tubologic Le 12-12-2019 à 01:37 cms |
|  | Comme indiqué par plusieurs intervenants une telle précision dans cette position du circuit n'a aucun sens et correspond à une valeur calculée. Vous rendez-vous compte qu'une tolérance de 0.1% représente un écart de +/- 113.7 MILLIOHMS, soit proche des résistances de contact additionnées du commutateur et du câblage ? Votre problème d'instabilité sur la gamme de fréquence la plus basse a sans aucun doute une toute autre origine (dans l'oscillateur ou le circuit de contrôle automatique de l'amplitude) qui demanderait à être dépistée. Sans doute faudrait-il commencer par une re-calibration de l'appareil en suivant la procédure décrite dans l'appareil. Avant toute chose je commencerais par contrôler le réglage correct de A2R3 (feedback level)et en cas d'échec suivre la procédure de dépistage de l'oscillateur (Paragraphe 5.81)
|  |
|
|
| Sujet : HP 654A Nouveau | De F6FLC Le 12-12-2019 à 01:58 sta |
|
Bonjour,
ce n'est pas un vu-mètre mais un galvanomètre
le VU-mètre vient de Volum Unit et est utilisé sur les magnétophones et les tables de mixage, et est gradué en dB
Michel...
|
|
| Sujet : HP 654A Nouveau | De lou Le 12-12-2019 à 07:28 sta |
|
Bonjour,
Tubologic, c'est de tout bon sens! Je vais donc placer deux résistances en parallèle pour m'approcher au plus près de 113,65
Pour l'instabilité, je vais suivre ton conseil.
F6FLC, très juste! Beaucoup, et moi aussi, font cette erreur en disant vu-mettre pour n'importe quel quadrant a aiguille. Ce n'est pas le cas pour cet appareil.
Bonne journée
|
|
| Sujet : HP 654A Nouveau | De f6cer Le 12-12-2019 à 18:59 sta |
|
N’oubliez pas que chez Hp tous les composants étaient de la meilleurs qualité possible quel que soit l’appareil
Dans un atten de sortie non seulement cette précision est inutile mais ca ne risque en aucun cas de conduire a une quelconque instabilité
Et puis ....une résistance a 0.1% ne les fait déjà plus dès qu’on insiste un peu avec le fer a souder
|
|
| Sujet : HP 654A Nouveau | De lou Le 13-12-2019 à 07:12 sta |
|
Bonjour F6CER
c'est ce qui me rassure aussi, c'est que cela ne joue pas sur la stabilité du signal, le problème de la stabilité, c'est un autre problème que je dois trouver.
Mais en quoi cette précision est-elle utile dans le cas de cette résistance?
|
|
| Sujet : HP 654A Nouveau | De Tubologic Le 13-12-2019 à 08:22 cms |
|  | Toute fonction CALIBRÉE d'un appareil de mesure (ici l'impédance de source du générateur) nécessite généralement des composants de précision dont la tolérance est liée à la précision (ou tolérance) ainsi que dérive dans le temps acceptable pour une application donnée (voir spécifications) Seulement dans ce cas particulier la tolérance spécifiée par le constructeur semble excessive étant donné que la valeur exacte de l'impédance de source à une fraction d'ohm près n'est pas vraiment nécessaire étant donné que ce générateur n'est pas un étalon de référence ou de calibration. Mais qui peut le plus peut le moins s'est sans doute dit l'ingénieur de chez HP chargé de la conception... Donc inutile de se focaliser sur cette résistance, elle n'est pas la cause de votre problème.
|  |
|
|
| Sujet : HP 654A Nouveau | De F6FLC Le 13-12-2019 à 11:41 sta |
|
Bonjour,
au fait qu'est-ce qu'elle a cette résistance ? brulée ?
il n'y passe aucune puissance, à moins d'avoir envoyé de la HT sur la sortie
Michel...
|
|
| Sujet : HP 654A Nouveau | De lou Le 13-12-2019 à 14:31 sta |
|
Bonjour,
merci Tubologic pour ton explication, je vais donc y mettre deux résistances pour arriver au plus près de la bonne valeur.
F6FLC, je ne sais pas pourquoi elle était brûlée, j'ai récupéré l'appareil comme ça et c'est un peu par hazard que j'ai découvert cette résistance. Sa valeur a un peu changé seulement.
En même temps, j'ai constaté aussi que le transfo s'échauffe assez bien, au bout d'une heure de mise sous tension, il est difficile de tenir les doigts dessus. Environ 45 à 50°.
Mais il n'y a aucune trace de brûlures ou de partie noircies.
Un tel échauffement peut-il être considéré comme normal?
Louis 73's
|
|
| Sujet : HP 654A Nouveau | De f6cer Le 13-12-2019 à 14:59 sta |
|
Je pense qu’on tient la solution
1) vous l’avez mesurée , mais avec quoi ?
2) en électronique une température de 50 ou 60° est tout a fait normale
En fait il n’avait peut être rien ce pauvre appareil
|
|
| Sujet : HP 654A Nouveau | De Tubologic Le 13-12-2019 à 18:07 sta |
|
La résistance concernée se situant dans le circuit de sortie (atténuateur/adaptateur d'impédance) sa destruction (ou surchauffe) indique plutôt une cause EXTÉRIEURE à l'appareil, due à une erreur d'utilisation ou de manipulation de la part de l'utilisateur. C'est assez courant. Soit un signal excessif en provenance de l'extérieur a été injecté (à contre sens) dans la sortie de l'appareil, ou la sortie a été court-circuitée lorsque l'amplitude de sortie était réglée au maximum, etc... Les doigts humains ne constituent pas un thermomètre très fiable: 45 à 50°C paraissent brulants au toucher mais toujours dans la limite de sécurité pour la plupart des composants électroniques, y compris les transformateurs. Une surveillance plus attentive (et mesure des courants) est cependant conseillée.
|
|
| Sujet : HP 654A Nouveau | De F1FTP Le 13-12-2019 à 19:18 sta |
|
''Sa valeur a un peu changé seulement''
Oui ben voyons, mème en faisant passer 10mA dans la résistance et en mesurant le tension aux bornes on a encore 4 chiffres après la virgule.
Ca devient de la haute voltige pas a la portée de l'amateur moyen même bien outillé
Philippe
|
|
| Sujet : HP 654A Nouveau | De lou Le 14-12-2019 à 11:07 sta |
|
F6CER, après l'avoir démontée,je l'ai mesurée avec un multimètre électronique.
En fait, les seuls problèmes dans cette appareil, c'est cette résistance, Tubologic explique bien comment cela serait arrivé, c'est très probablement cela. Pas bien difficile à résoudre.
Deuxième problème, la stabilité en fréquence dans la première gamme. Un réglage de l'appareil s'impose.
Pour la température du transfo, c'est vrai que l'on constate souvent une telle température dans beaucoup d'appareil. Probablement que pour des raisons de coût, le transfo à été calculé au plus juste sans beaucoup de marge.
C'est pour la remise au point que j'aurai besoin de conseils, il faudrait d'abord que je traduise en français le manuel. J'ai du boulot
|
|
|