Journaux du site au 22/08/2022 à 10:26Forum 2.7.1
S'enregistrer pour posterRechercherPréférences

Pas de Post-it

Forum CMSGalerie Forum
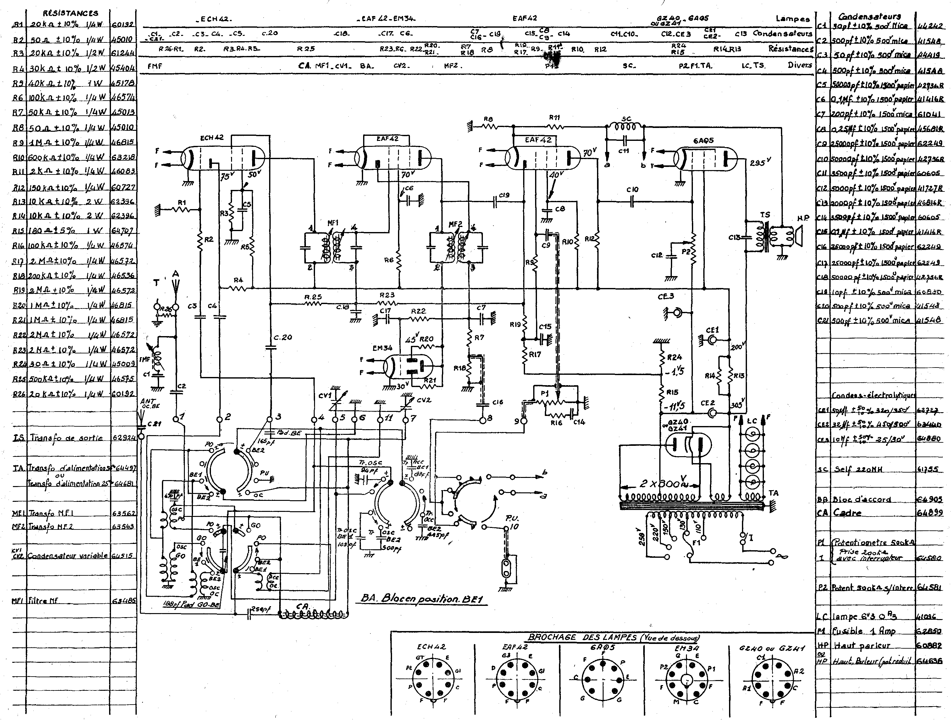
Sujet : Marconi 653 Nouveau De PhilVer0  Le 26-05-2019 à 19:38 sta

    Bonsoir, j'ai récupéré ce poste à la décharge, tests transfo changement des capas goudrons et électolytiques, le son est là, sur toutes les bandes, mais en GO , le son est parasité lors de l'accroche des stations . Vérifications des valeurs de résistances, changements de celles trop éloignées de leurs valeurs nominales ,pas de changement , toujours autant de parasites.
    En agissant sur le potar volume , les parasites diminuent.
    Une idée? un conseil?
    Merci pour votre intérêt.

 Fichier
.PNG
 
  

Sujet : Marconi 653 Nouveau De Radiolo  Le 26-05-2019 à 20:27 sta

    il faut essayer si une prise de terre ne reduit pas les parasites , cela elimine ceux vehicules par le reseau


Sujet : Marconi 653 Nouveau De PhilVer0  Le 27-05-2019 à 07:42 sta

    Aucun effet sur les parasites,


Sujet : Marconi 653 Nouveau De Radiolo  Le 27-05-2019 à 09:42 sta

    Alors faites la chasse aux appareils modernes
    box TV/internet
    lampes LED et Fluocompactes
    alims de telephones portable
    ordinateurs , tablettes
    appareils en veille TV, lecteur de CD, etc...
    bref tout ce qui contient des alim a decoupage


Sujet : Marconi 653 Nouveau De Michel87  Le 27-05-2019 à 10:18 sta


    Bonjour,

    Radiolo a rappelé la liste, hélas non exhaustive, des sources de perturbations.

    De nos jours, le plus simple appareil électroménager intègre un microprocesseur et son alim à découpage, pas toujours justifié.
    Et on parle de plus en plus des nouvelles générations d'appareils connectés. Vaste programme...

    Pour en revenir aux parasites, si l'habitation le permet, une antenne éloignée le plus possible des éléments perturbateurs et une descente en coax faibles pertes pourrait limiter les perturbations.

    Mais la configuration des lieux n'est pas toujours favorable.


Sujet : Marconi 653 Nouveau De PhilVer0  Le 27-05-2019 à 12:33 sta

    Merci pour vos réponses, mais je n'ai jamais eu ces pertubations sur aucune des radios à lampes, et j'ai même profité d'un rayon de soleil pour sortir la radio à l'extérieure, sans aucune amélioration.
    Je poursuivrai mes investigations sur les condos changés
    Bonne journée


Sujet : Marconi 653 Nouveau De Radiolo  Le 27-05-2019 à 12:42 sta

    le '' parasite '' qui peut etre n'en est pas un apparemment touche uniquement la gamme GO
    il est le meme sur toute la bande ?
    disparait t il ou se renforce t il lors de la reception d'un emetteur GO ?


Sujet : Marconi 653 Nouveau De PhilVer0  Le 27-05-2019 à 15:47 sta

    Augmente à l'accroche d'une station GO. Quasiment disparu en PO , OC


Sujet : Marconi 653 Nouveau De Radiolo  Le 27-05-2019 à 16:50 sta

    verifiez les résistances de retour a la masse G1 dans la HF et la MF
    regardez aussi les découplages ecrans


 Retour aux sujets 

Rubriques du site

Gamme 1

- Galerie TSF - Mesure ancienne - Littérature - Trucs et astuces - Marquage composants - Tubes Brochages - Achat Vente - Forum - Liens utilesCe site vous
a aidé ?

Gamme 2

- Je cherche - Offre - Tendances - Palais des Glaces - Upload -

Gamme 3

- Archives - Schémathèque - Glossaire technique - Glossaire patoisant - Journaux - Remerciements -