Journaux du site au 22/08/2022 à 10:26Forum 2.7.1
S'enregistrer pour posterRechercherPréférences

Pas de Post-it

Forum CMSGalerie Forum
Sujet : Poste TSF avec t disque Nouveau De gary37  Le 21-02-2019 à 10:11 sta

    Bj, afin de remettre en état de marche je recherche le schéma d'un modèle équipé de tubes E446/E447/E444/E463+Valve ? repère effacée. Le tourne disque de marque PHILIPS qui semble bloqué grippé ! dispose d'un régulateur de vitesse, je n'ai rien trouvé dans les archives, même dans la période 1933/1935 chez PHILIPS, car çà y ressemble. Le transformateur d'alimentation permet du 110/125/140 V, le filtrage HT est réalisé avec deux électrochimiques de 8 MF. Peut-être un bon tuyau serai le bienvenue. Bonne journée

  
  

Sujet : Poste TSF avec t disque Nouveau De HLJ  Le 21-02-2019 à 11:01 sta

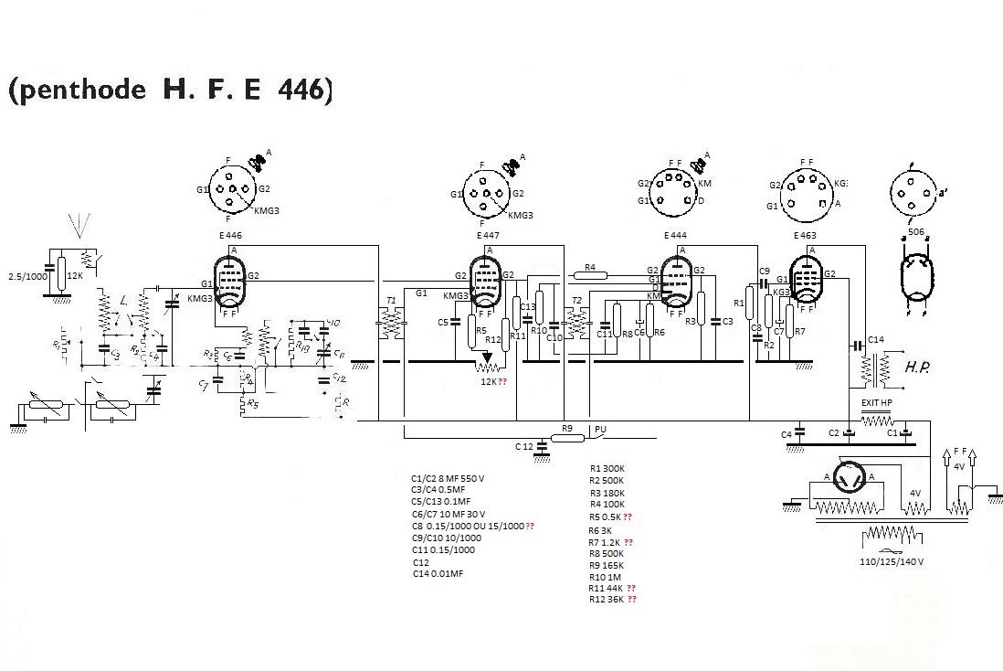
    Bonjour,

    Ce poste n'est pas un Philips, mais voici un schéma tirė de la notice d'application ''Miniwatt-Amateurs'' de Philips utilisant le même jeu de lampes (à l'exception de la finale E443H ici mais E463 dans votre cas).

    Le constructeur de votre poste s'est certainement inspiré de cette notice ou d'un schéma similaire pour construire ce poste, donc je pense qu'il vous sera utile aussi.

    Meilleures salutations.
    HLJ

  
  

Sujet : Poste TSF avec t disque Nouveau De HLJ  Le 21-02-2019 à 11:03 sta

    L'application d''un filtre a un peu dégradé le document, le voici mon corrigé.

    HLJ

  
  

Sujet : Poste TSF avec t disque Nouveau De gary37  Le 21-02-2019 à 11:20 sta

    Merci pour le document, aussi je vais voir et comparer sur le tas !, a+


Sujet : Poste TSF avec t disque Nouveau De gary37  Le 25-02-2019 à 17:49 sta

    j'ai démonté et fait un relevé filaire partiel, schéma ci-joint, et ai démonté les condos pour les remplacer, la membranne du hp est en mauvais état, peu-être pourrai-je la recoller et apparemment il n'y a pas de point milieux sur la sortie 4 v alimentant la valve . je suis toujours preneur pour un autre schéma se rapprochant de celui-ci.

  
  

Sujet : Poste TSF avec t disque Nouveau De gary37  Le 27-02-2019 à 12:04 sta

    modif format schéma

  
  

Sujet : Poste TSF avec t disque Nouveau De Michel87  Le 27-02-2019 à 12:26 sta


    Bonjour,

    Quelle est la fonction de la capa entre G2 et la plaque de l' E463 ?


Sujet : Poste TSF avec t disque Nouveau De Radiolo  Le 27-02-2019 à 14:31 sta

    G2 est a la masse du point de vue alternatif par C2
    donc la capa est entre plaque et masse du point de vue alternatif
    ou sis vous preferez aux bornes du primaire du transfo BF
    son effet couper les aigus et limiter les risques d'accrochage de la partie BF


Sujet : Poste TSF avec t disque Nouveau De Michel87  Le 27-02-2019 à 14:49 sta


    Bonjour

    Merci.

    En fait, c'est ce qu'on appelait la capa '' étouffoir'' ?


Sujet : Poste TSF avec t disque Nouveau De gary37  Le 07-03-2019 à 20:52 sta

    Bj, Apres démontage des résistances et condensateurs il s'avère que la plupart de celles-ci ont changé de valeur, et d'autres n'ont aucune valeur inscrite ou lisible. j'ai comparé avec le
    philips 572 A qui a la lampe finale identique et le PU, mais c'est pas gagné . Je vais devoir en plus trouver un TR abaisseur de tension peut-être assez costaud .

  
  

Sujet : Poste TSF avec t disque Nouveau De Radiolo  Le 07-03-2019 à 21:17 sta

    il suffit pour les valeurs manquantes de chercher dans le GL de la radio un poste avec la lampe qui vous interesse
    par exemple pour la finale BF
    critere de recherche E463

    C7 et R7 ; 10µ et 5600 ohms, sur d'autres modeles 20µ, 620 ohms
    philips semble preferer 620ohms tous ses modeles ont cette valeur

    pour le transfo abaisseur prenez un autotransfo 70W


 Retour aux sujets 

Rubriques du site

Gamme 1

- Galerie TSF - Mesure ancienne - Littérature - Trucs et astuces - Marquage composants - Tubes Brochages - Achat Vente - Forum - Liens utilesCe site vous
a aidé ?

Gamme 2

- Je cherche - Offre - Tendances - Palais des Glaces - Upload -

Gamme 3

- Archives - Schémathèque - Glossaire technique - Glossaire patoisant - Journaux - Remerciements -