| Sujet : hétèrodyne modulée Nouveau | De jean-pierre Le 04-03-2011 à 20:36 sta |
|
Bonjour
Je voudrai remettre cette hétèrodyne en marche,mais elle n'a plus son cable secteur
elle est équipée de trois lampes. 25Z6 - celsior 55R2- et une 6E8MG.
Si une personne sympas pouvait m'aider je vous en remercie d'avance.
Cette hétèrodyne provient De l' Ecole Professionnelle Supérieur.
Merci
jp
|
|
| Sujet : hétèrodyne modulée Nouveau | De Pierrot du 82 Le 04-03-2011 à 21:25 cms |
|  |
Attention, cet hétérodyne est en 110 volts, il faut un transfo 110-240 volts...
De plus son châssis est relié au secteur (montage tous-courants), il y a un risque important d'électrocution ! 
|  |
|
|
| Sujet : hétèrodyne modulée Nouveau | De Totolagalène Le 04-03-2011 à 21:28 sta |
|
Mise à part la panique que vous colle ce bon Pierrot, c'est quoi la question?![[:Hi:]](s12.gif)
|
|
| Sujet : hétèrodyne modulée Nouveau | De slouptoouut Le 04-03-2011 à 21:37 sta |
|
Ben oui, c'est quoi la question ?
Peut être est ce l'une de ces questions :
comment changer le cordon secteur ?
quoi changer en priorité avant mise sous tension?
comment vérifier l'étalonnage des différentes gammes sans instruments ?
ou
faut il être deux pour utiliser l'hétérodyne , un pour manipuler les commandes de l'hétérod yne apres l'avoir branché sur le poste à rerégler , l'autre pour manipuler un défibrillateur cardiaque apres l'avoir branché sur la personne qui tentais de régler le poste ?
sloup
|
|
| Sujet : hétèrodyne modulée Nouveau | De omale 13 Le 04-03-2011 à 21:40 cms |
|  |
bonsoir
la personne qui a enlevez le câble d'alim a été prévoyant changer les codo chimique du filtre
ainsi que les condo entrées secteur et un bon contrôle visuel faire un dessins pour tout se que vous démonter
et la vous pouvez remettre le câble d'alim en place,
une photos et le modèle se serait bien (des pro vous en dirons plus) et vous donneront des conseil aviser
omale 13
|  |
|
|
| Sujet : hétèrodyne modulée Nouveau | De Totolagalène Le 04-03-2011 à 22:19 sta |
|
Et même qu'y en a qui sont pas des pros et qui s'permettent de ramener leur fraise!
|
|
| Sujet : hétèrodyne modulée Nouveau | De jean-pierre Le 04-03-2011 à 22:20 sta |
|
bonsoir
sur cette hétèrodyne il n'y a plus le cordon secteur,l'intérieur est propre je vais essayer de vous mettre des photos,je pense qu'il manque un chimique il y a un emplacement de libre sur le chassis pour peut être recevoir un condo il y a une celsior regulatrice 55R2.
je ne connais pas le cablage de ses appareils la.
Merci de pouvoir m'aider.
cdt
jp
|
|
| Sujet : hétèrodyne modulée Nouveau | De jean-pierre Le 04-03-2011 à 22:21 sta |
|
les photos tros volumineux
|
|
| Sujet : hétèrodyne modulée Nouveau | De Totolagalène Le 04-03-2011 à 22:25 sta |
|
Il faut réduire les photos en téléchargeant VSO Image Resizer; fastoche..
|
|
| Sujet : hétèrodyne modulée Nouveau | De Totolagalène Le 04-03-2011 à 22:27 sta |
|
Ici c'est c'est plutôt le poids des mots que le choc des photos!
|
|
| Sujet : hétèrodyne modulée Nouveau | De Totolagalène Le 04-03-2011 à 22:34 sta |
|
Attention omale 13 "Et même qu'y en a qui sont pas des pros et qui s'permettent de ramener leur fraise!": Je disais cela en pensant à moi.
En effet, je m'aperçois que mon post peut prêter à confusion.![[:Hi:]](s12.gif)
|
|
| Sujet : hétèrodyne modulée Nouveau | De jean-pierre Le 04-03-2011 à 22:52 sta |
|
| |
|
| Sujet : hétèrodyne modulée Nouveau | De jean-pierre Le 04-03-2011 à 22:58 sta |
|
| |
|
| Sujet : hétèrodyne modulée Nouveau | De Totolagalène Le 04-03-2011 à 23:10 sta |
|
On ne voit pas les condensateurs de filtrage (il en faut 2). Pas de condensateurs avec un plus et un moins?
|
|
| Sujet : hétèrodyne modulée Nouveau | De Totolagalène Le 04-03-2011 à 23:12 sta |
|
C'est quoi le condensateur rouge un peu flou près de ce qui semble être la self de filtrage?
|
|
| Sujet : hétèrodyne modulée Nouveau | De jean-pierre Le 05-03-2011 à 00:06 sta |
|
c'est deux condensateurs braie en verre de 0,1µF 1500Volts qui ont l'air d'être polarisé marqué +et -
|
|
| Sujet : hétèrodyne modulée Nouveau | De Totolagalène Le 05-03-2011 à 00:15 sta |
|
Cà va p't'être pas être facile mais on va essayer.
Savez vous où est la cathode sur le culot de la 25Z6?
|
|
| Sujet : hétèrodyne modulée Nouveau | De jean-pierre Le 05-03-2011 à 00:20 sta |
|
oui je peu la trouver sans probléme j'ai 2 lexique de lampes
|
|
| Sujet : hétèrodyne modulée Nouveau | De Totolagalène Le 05-03-2011 à 00:22 sta |
|
OK, si vous restez encore un moment je change de PC pour aller sur celui avec imprimante/scanner, j'attends la réponse...
|
|
| Sujet : hétèrodyne modulée Nouveau | De jean-pierre Le 05-03-2011 à 00:22 sta |
|
|
|
| Sujet : hétèrodyne modulée Nouveau | De jean-pierre Le 05-03-2011 à 00:24 sta |
|
ok pas de probléme merci d'avance
|
|
| Sujet : hétèrodyne modulée Nouveau | De Totolagalène Le 05-03-2011 à 00:34 sta |
|
Oui mais c'est une double diode avec cathodes séparées, il y a l'autre cathode en broche 4
.
Dans un premier temps je vous suggère la chose suivante afin de savoir si la régulatrice est OK.
Vous débranchez (en notant bien au préalable) les 2 cathodes (plus rien sur les pins 4 et 8), vous branchez l'appareil sur du 110 V et vous regardez si les filaments des tubes 25Z6 et 6E8 sont alimentés.
Vous pouvez déjà, d'un coup d'ohmètre, regarder si le filament de la 25Z6 et de la 6E8 n'est pas coupé.
|
|
| Sujet : hétèrodyne modulée Nouveau | De jean-pierre Le 05-03-2011 à 00:40 sta |
|
oui je vais le faire demain matin je peu regarder les filaments maintenant
|
|
| Sujet : hétèrodyne modulée Nouveau | De Totolagalène Le 05-03-2011 à 00:43 sta |
|
Ce serait déjà bien de savoir si le filament de ces 2 tubes est bon.
Par contre je ne trouve pas le brochage de la Celsior 55R2; une âme charitable?
|
|
| Sujet : hétèrodyne modulée Nouveau | De jean-pierre Le 05-03-2011 à 00:49 sta |
|
filament 25z6 broche 2 et 7 ok
filament 6E8 broche 2 et 7 ok
|
|
| Sujet : hétèrodyne modulée Nouveau | De Pierrot du 82 Le 05-03-2011 à 00:49 cms |
|  |
1) On verra pas le filament de la 6E8 métal 
2) tu as dit à Jean-Pierre qu'il allait se prendre une bourre s'il touche le châssis ?
|  |
|
|
| Sujet : hétèrodyne modulée Nouveau | De Pierrot du 82 Le 05-03-2011 à 00:51 cms |
|  |
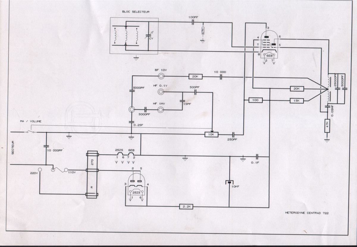
Un schéma où la régulatrice est remplacée par des résistances ----------->
|  |
| |
|
| Sujet : hétèrodyne modulée Nouveau | De jean-pierre Le 05-03-2011 à 00:52 sta |
|
je regarderai demain matin pour le brochage de la celsior je pense l'avoir
|
|
| Sujet : hétèrodyne modulée Nouveau | De Totolagalène Le 05-03-2011 à 00:55 sta |
|
On n'a pas besoin de voir le filament rougir!
Pour le coup de bourre tu lui as déjà dit!
Le filament de ces deux là est bon, c'est une bonne chose. Reste à voir pour la régulatrice et le plus simple est de brancher le truc comme dit çi-dessus.
Vous savez où brancher le cordon secteur 110 V?
|
|
| Sujet : hétèrodyne modulée Nouveau | De jean-pierre Le 05-03-2011 à 00:56 sta |
|
le filament de la 6E8 d'aprés mon lexique est broche 2 et 7
|
|
| Sujet : hétèrodyne modulée Nouveau | De Totolagalène Le 05-03-2011 à 00:57 sta |
|
Pierrot a encore sorti le grand jeu! T'aurais trouvé le schéma de son hétérodyne?
|
|
| Sujet : hétèrodyne modulée Nouveau | De jean-pierre Le 05-03-2011 à 00:57 sta |
|
Non justement le probléme est la
|
|
| Sujet : hétèrodyne modulée Nouveau | De Florian Le 05-03-2011 à 00:59 sta |
|
Bonsoir,
J'imagine le feu d'artifice si on utilise cette jolie hétérodyne TC sur un poste également TC![[:ouin:]](s10.gif)
(On a une chance sur deux créer un CC)
A utiliser impérativement sur transfo d'isolement 230/115V comme suggéré par Pierrot du 82 mais attention surtout pas sur un autotransformateur!
Bonne restauration
Flo![[:Hi:]](s12.gif)
|
|
| Sujet : hétèrodyne modulée Nouveau | De Totolagalène Le 05-03-2011 à 00:59 sta |
|
Ne vous inquiétez pas, votre lexique dit vrai!![[:Hi:]](s12.gif)
|
|
| Sujet : hétèrodyne modulée Nouveau | De jean-pierre Le 05-03-2011 à 01:08 sta |
|
Merci a M.pierrot mais je ne comprend pas tous le schéma et apparement il me manquerai un condo
|
|
| Sujet : hétèrodyne modulée Nouveau | De jean-pierre Le 05-03-2011 à 01:15 sta |
|
|
|
| Sujet : hétèrodyne modulée Nouveau | De Totolagalène Le 05-03-2011 à 01:15 sta |
|
Ce qu'on voit sur une photo ne serait pas une self de filtrage mais un transfo pour la BF?
Combien y a-t-il de bornes ou fils, 2 ou 3?
|
|
| Sujet : hétèrodyne modulée Nouveau | De jean-pierre Le 05-03-2011 à 09:19 sta |
|
Bonjour
il y a 3 fils sur le transfo 2 bleu et 1 rouge, tous les trois du même coté
|
|
| Sujet : hétèrodyne modulée Nouveau | De crilemans Le 05-03-2011 à 09:28 sta |
|
Bonjour.
Ce géné est sans doute un kit fabriqué par les étudiants de cette école.
En façade, il n'y a pas de graduations, seulement les gammes GO PO/MF OC.
Je pense que la construction de cet appareil est faite uniquement dans un but pédagogique
et non pas pour être véritablement utilisé comme appareil de mesure. C'est juste mon avis.
Qu'en pensez-vous les plus spécialistes que moi ?
crilemans
|
|
| Sujet : hétèrodyne modulée Nouveau | De jean-pierre Le 05-03-2011 à 09:55 sta |
|
le 1 fil bleu du transfo va a la broche 3 de le 6E8
le 2 fil bleu du même transfo va au moins d'un condo goudron sous verre de 0,1µF 1500
Volts et le + de ce condo va a l'interrupteur marche arrét
le3 fil rouge toujour du même transfo passe par la grosse résistance 1200 homs ainsi
q'une petite bobine et va a la broche 4 de la 6E8
|
|
| Sujet : hétèrodyne modulée Nouveau | De crilemans Le 05-03-2011 à 10:03 sta |
|
@ Jean-Pierre.
Sur une photo, on aperçoit une partie du bloc de bobinages. On dirait un bloc d'accord
radio. Pouvez-vous faire une photo de détail ce ces bobinages.
Merci
crilemans
|
|
| Sujet : hétèrodyne modulée Nouveau | De jean-pierre Le 05-03-2011 à 10:07 sta |
|
Bonjour
un instant je vous envoie une photo
|
|
| Sujet : hétèrodyne modulée Nouveau | De Adams Le 05-03-2011 à 10:16 sta |
|
J'espère que le concepteur de cet engin est à la retraite depuis longtemps.
|
|
| Sujet : hétèrodyne modulée Nouveau | De jean-pierre Le 05-03-2011 à 10:40 sta |
|
je ne peu pas prendre des photos des bobinages car sur la photo on ne voie rien
|
|
| Sujet : hétèrodyne modulée Nouveau | De bthiry Le 05-03-2011 à 13:07 sta |
|
|
|
| Sujet : hétèrodyne modulée Nouveau | De jean-pierre Le 05-03-2011 à 14:21 sta |
|
Merci beaucoup pour le lien
jp
|
|
| Sujet : hétèrodyne modulée Nouveau | De Georgius Le 21-01-2018 à 15:21 sta |
|
Bonjour, je suis en possession d'une hétérodyne module de l'école professionnel supérieur (voir la photo) avec trois lampes UCH42, UY41 et une Celsior EBS... je suppose, marquage effacé partiellement.
Si quelqu'un pourra m'aider pour le schéma de l'appareil et de me le dire pour l'alimentation. 110 ou 220V .
Merci d'avance !
| |
|
| Sujet : hétèrodyne modulée Nouveau | De F6FLC Le 21-01-2018 à 19:19 sta |
|
Bonjour,
https://www.radiomuseum.o…
apparemment, certains sont en 110, d'autres en 110/220
mais probablement le même schéma sauf le tube-résistance
Michel...
| |
|
| Sujet : hétèrodyne modulée Nouveau | De F6FLC Le 21-01-2018 à 19:22 sta |
|
Et attention, secteur isolé du châssis par un 0,1 µF mais secteur sur la borne froide de la sortie HF
Michel...
|
|
| Sujet : hétèrodyne modulée Nouveau | De Georgius Le 21-01-2018 à 19:51 sta |
|
Merci Michel de votre réponse prompte et efficace. Cet appareil corresponde au schéma envoyé donc il peut être alimenté aussi en 220V.
Très bonne soirée
Georgius
|
|
| Sujet : hétèrodyne modulée Nouveau | De Jacques (webmestre) Le 21-01-2018 à 19:56 sta |
|
Cet appareil est un véritable danger public
|
|
| Sujet : hétèrodyne modulée Nouveau | De F6FLC Le 22-01-2018 à 12:51 sta |
|
Bonjour,
il y a une erreur sur le schéma
ils ont mis 1000 µF en sortie de HF, c'est 1000 pF
à mettre un neuf vu qu'il y a le secteur de l'autre côté
mettre absolument un 10 nF de bonne qualité entre le point froid de sortie et la masse
et mettre un condo neuf, le 0,1 tout en bas à gauche du schéma
et soit mettre le coffret à la terre maintenant qu'il est isolé du secteur par des condos, soit mettre un transfo d'isolement, sinon châtaignes assurées
en le laissant d'origine, on envoie le secteur sur l'appareil à réaligner
Michel...
|
|
| Sujet : hétèrodyne modulée Nouveau | De F6CER Le 22-01-2018 à 14:02 sta |
|
Bonjour
deux transfos 220/6V montés tête-bêche , une ECH42 plus une 1N4007 , on vire tout le reste et on n'a plus de chaise électrique !
trop compliqué ? si on ne sait pas brancher deux transfos et une diode , pas la peine d'essayer de ''réparer'' un poste quel qu''il soit
|
|
| Sujet : hétèrodyne modulée Nouveau | De Georgius Le 22-01-2018 à 14:22 sta |
|
Bonjour Michel, Je ne suis pas vraiment au point dans le domaine c'est pour cela que votre aide tombe à pic. Cette hétérodyne a été ''massacré''par quelqu'un donc je veux suivre vos conseilles et à d'autres près à m'aider l'a mettre en route correctement. Cet appareil par la lampe EPS 65 peut être alimenter aussi en 220V je croix.
Merci beaucoup !
Georgius
|
|
| Sujet : hétèrodyne modulée Nouveau | De Georgius Le 22-01-2018 à 14:26 sta |
|
Bonjour F6CER, Pour ne pas tomber dans ''pas la peine'' voulez vous m'envoyez un petit schéma et je vous assure que je peut le faire !
Merci d'avance,
Georgius
|
|
| Sujet : hétèrodyne modulée Nouveau | De omale 13 Le 22-01-2018 à 15:36 sta |
|
bonjour
ou comme sa si pas d'erreur de ma par >>>>>>>
| |
|
| Sujet : hétèrodyne modulée Nouveau | De Jacques (webmestre) Le 22-01-2018 à 16:11 sta |
|
Ou un transfo 220/110V (ou 2x55V) en conservant la EPS65.
|
|
| Sujet : hétèrodyne modulée Nouveau | De Georgius Le 22-01-2018 à 17:27 sta |
|
Bonjour Jacques, J'aimerai bien conserver la EPS65 (rester dans l'original) mais si vous pouvez me faire un petit schéma avec le trafo. indiqué si dessus !
Merci et bonne soirée ! 
Georgius
|
|
| Sujet : hétèrodyne modulée Nouveau | De Jacques (webmestre) Le 22-01-2018 à 17:56 sta |
|
C'est tellement simple qu'il n'y a pas besoin de schéma.
Il suffit de brancher le secondaire 110V du transfo entre la masse du montage et le point 110V de l'EPS65.
|
|
| Sujet : hétèrodyne modulée Nouveau | De F6FLC Le 23-01-2018 à 00:23 sta |
|
Bonjour,
oui, c'est le plus simple
le laisser tel quel et mettre un transfo (pas un auto-transfo qui n'isole pas) 220/220 si c'est la même régulatrice que le schéma ou un 220/110 s'il n'est qu'en 110 V
rien à modifier et plus de châtaignes
Michel...
|
|
| Sujet : hétèrodyne modulée Nouveau | De Georgius Le 23-01-2018 à 10:08 sta |
|
OK et merci Jacques et F6FLC
|
|
| Sujet : hétèrodyne modulée Nouveau | De Georgius Le 23-01-2018 à 14:51 sta |
|
Bonjour, En ce qui concerne HM sur les filaments j'ai 40V et sur UY41 cathode zéro. Dans ce cas c'est normal que la sortie de la régulatrice filament 40V ? La UCH 42 ne s'allume pas (peut être bousier par cette tension de 40V
|
|
| Sujet : hétèrodyne modulée Nouveau | De F6FLC Le 23-01-2018 à 23:19 sta |
|
Bonjour,
pas clair, il manque des verbes
c'est quoi ''HM'' ?
en premier, tester en 110 V avec un transfo
une fois que ça fonctionne, passer en 220 et re-tester
il doit y avoir 14 V alternatifs sur le filament de la UCH42 et 31 V sur la UY41
et donc 45 V sur le ''F'' de la régulatrice
110 V alt sur la plaque de la UY
plus ou moins autant en = sur la cathode
Michel...
|
|
| Sujet : hétèrodyne modulée Nouveau | De Georgius Le 24-01-2018 à 10:33 sta |
|
Semble-t-il que vous avez bien compris de quoi il s'agit !!! sans vouloir faire de tac au tac.
Je vais tester les solutions indiqués.
Merci Michel
Georgius
|
|
|